|
|
(21), (22) Заявка: 2006141302/11, 23.11.2006
(24) Дата начала отсчета срока действия патента:
23.11.2006
(46) Опубликовано: 20.11.2007
(56) Список документов, цитированных в отчете о поиске:
RU 2270122 C1, 20.02.2006. RU 2286277 С1, 27.10.2006. RU 2127685 С1, 20.03.1999. FR 2591980 А1, 26.06.1987.
Адрес для переписки:
141092, Московская обл., г. Юбилейный, ул. Соколова, 2, кв.63, В.А. Згуре
|
(72) Автор(ы):
Кравцов Юрий Александрович (RU)
(73) Патентообладатель(и):
Балуев Николай Николаевич (RU), Згура Владимир Анатольевич (RU), Каменев Александр Иванович (RU), Кравцов Юрий Александрович (RU), Хмелинин Александр Николаевич (RU), Шалягин Дмитрий Валерьевич (RU), Шевцов Сергей Александрович (RU)
|
(54) УСТРОЙСТВО РЕЛЬСОВОЙ ЦЕПИ
(57) Реферат:
Изобретение относится к области железнодорожной автоматики и телемеханики и может быть использовано в устройствах сигнализации, централизации и блокировки на железнодорожном транспорте, в частности в устройствах интервального регулирования движения поездов на перегонах и станциях. Устройство содержит рельсовую линию, граничащую в начале и в конце со смежными рельсовыми линиями, в каждой из которых в начале и конце включены, соответственно, генератор и путевой приемник с подключенным на выходе путевым реле. Генератор, подключенный в начале рельсовой линии, является управляемым. Путевой приемник содержит пороговые элементы, которые фиксируют предотказные состояния, когда вследствие большого диапазона изменения сопротивления изоляции рельсовой линии сигнал на входе путевого приемника приближается к минимальному или максимальному расчетному уровню. С помощью блока управления из путевого приемника на управляющий вход управляемого генератора передается команда, вследствие чего на выходе генератора устанавливается уровень сигнала, при котором устраняется режим работы путевого приемника в предотказном состоянии. Техническим результатом изобретения является повышение надежности. 1 з.п. ф-лы, 2 ил.
Изобретение относится к области железнодорожной автоматики и телемеханики и может быть использовано в устройствах сигнализации, централизации и блокировки на железнодорожном транспорте, в частности в устройствах интервального регулирования движения поездов на перегонах и станциях.
Известно устройство рельсовой цепи, содержащее рельсовую линию, граничащую в начале и в конце со смежными рельсовыми линиями, в каждой из которых в начале и конце включены соответственно генератор и путевой приемник с подключенным на выходе путевым реле, генератор, подключенный к началу рельсовой линии, и путевой приемник, подключенный к концу рельсовой линии (см. Аркатов B.C., Кравцов Ю.А., Степенский Б.М. Рельсовые цепи. Анализ работы и техническое обслуживание.- М.: Транспорт, 1990, с.146).
Устройство обладает двумя недостатками:
– возможность получения ложной информации о занятости фактически свободной рельсовой цепи, если напряжение на выходе генератора будет меньше расчетного значения вследствие ошибочной регулировки;
– возможность получения ложной информации о свободности фактически занятой рельсовой цепи, если напряжение на выходе генератора будет выше расчетного значения вследствие ошибочной регулировки.
Известное устройство рельсовой цепи, принятое в качестве прототипа, содержит генератор, подключенный в начале рельсовой линии, а также путевой приемник, подключенный в конце рельсовой линии, содержащий последовательно соединенные блок выделения сигнала модуляции, амплитудный детектор, интегратор и первый пороговый элемент, а также усилитель, к выходу которого подключено путевое реле, первый элемент запрета и второй пороговый элемент, включенный между выходом интегратора и первым инверсным входом первого элемента запрета, прямой вход которого соединен с выходом первого порогового элемента, вход усилителя подключен к выходу первого элемента запрета, при этом порог срабатывания первого порогового элемента соответствует минимальному расчетному значению сигнала на входе приемника, а порог срабатывания второго порогового элемента соответствует максимальному расчетному значению сигнала на входе приемника (см. патент RU 2270122 C1, где в качестве интегратора используется второй полосовой фильтр).
В прототипе за счет применения элемента запрета и второго порогового элемента исключена возможность получения ложной информации о свободности фактически занятой рельсовой цепи вследствие ошибочной регулировки.
Однако в прототипе при большом диапазоне изменения сопротивления изоляции рельсовой линии не исключается возможность получения ложной информации о занятости фактически свободной рельсовой цепи вследствие ошибочной ручной регулировки, когда напряжение на выходе источника сигнала меньше или больше расчетного.
Техническим результатом изобретения является повышение надежности работы устройства рельсовой цепи в условиях возможного большого диапазона изменений сопротивления изоляции рельсовой линии.
Технический результат достигается тем, что устройство рельсовой цепи, содержащее рельсовую линию, граничащую в начале и в конце со смежными рельсовыми линиями, в каждой из которых в начале и конце включены, соответственно, генератор и путевой приемник с подключенным на выходе путевым реле, генератор, подключенный в начале рельсовой линии, путевой приемник, подключенный в конце рельсовой линии, содержащий последовательно соединенные блок выделения сигнала модуляции, вход которого является входом путевого приемника, амплитудный детектор, интегратор и первый пороговый элемент, а также усилитель, к выходу которого подключено путевое реле, первый элемент запрета и второй пороговый элемент, подключенный к выходу интегратора, вход усилителя подключен к выходу первого элемента запрета, при этом порог срабатывания первого порогового элемента, выход которого соединен с прямым входом первого элемента запрета, равен минимальному расчетному значению сигнала на выходе интегратора, а порог срабатывания второго порогового элемента равен максимальному расчетному значению сигнала на выходе интегратора, согласно изобретению снабжено элементом “И”, блоком управления, ключевым элементом, вторым и третьим элементами запрета, третьим и четвертым пороговыми элементами, подключенными к выходу интегратора, анализатором временного интервала, подключенным выходом к инверсному входу первого элемента запрета, а входом к третьему входу блока управления и выходу второго порогового элемента, при этом прямые входы второго и третьего элементов запрета подключены соответственно к выходам первого и четвертого пороговых элементов, а инверсные входы – к выходам третьего и второго пороговых элементов, причем порог срабатывания третьего порогового элемента больше порога срабатывания первого порогового элемента, а порог срабатывания четвертого порогового элемента меньше порога срабатывания второго порогового элемента, первый вход блока управления соединен с выходом второго элемента запрета через ключевой элемент, управляющий вход которого соединен с выходом элемента “И”, подключенного входами к путевым реле путевых приемников смежных рельсовых линий, выход третьего элемента запрета подключен ко второму входу блока управления, генератор, подключенный в начале рельсовой линии, выполнен управляемым, а его управляющий вход соединен с выходом блока управления приемника.
Управляемый генератор в устройстве рельсовой цепи преимущественно выполняют следующим образом. Управляемый генератор содержит последовательно соединенные источник амплитудно-модулированного сигнала, блок коррекции уровня сигнала, предварительный усилитель, блок ручной регулировки выходного напряжения, выходной усилитель, выход которого является выходом генератора, а также первый, второй, третий, четвертый ключевые элементы, умножитель, запоминающее устройство уровня ручной регулировки, блок ручного выбора режима работы, блок управления, датчик состояния средства ручной регулировки выходного напряжения, пиковый детектор, блок управляемой памяти, формирователь сигналов управления, блок сравнения и цифровой компаратор, причем управляющий вход блока коррекции уровня сигнала подключен к выходу первого ключевого элемента, сигнальный вход которого подключен к выходу блока сравнения, а управляющий вход – к первому выходу формирователя сигналов управления, второй выход которого подключен к управляющему входу второго ключевого элемента, соединенного выходом с входом запоминающего устройства уровня ручной регулировки и с первым входом блока управляемой памяти, подключенного выходом к сигнальному входу третьего ключевого элемента, первому входу цифрового компаратора и первому входу блока ручного выбора режима работы, второй вход которого подключен к выходу запоминающего устройства уровня ручной регулировки и второму входу цифрового компаратора, а выход подключен к первому входу блока сравнения, при этом выходной усилитель через пиковый детектор подключен к входу второго ключевого элемента и второму входу блока сравнения, а датчик средства ручной регулировки выходного напряжения подключен входом к средству ручной регулировки через дополнительный выход блока ручной регулировки выходного напряжения, а выходом – к входу формирователя сигналов управления, при этом управляющий вход блока управления является входом для подключения выхода блока управления приемника рельсовой цепи, а его дополнительный вход подключен к выходу цифрового компаратора, первый, второй и третий выходы блока управления подключены соответственно к управляющим входам третьего, четвертого ключевых элементов и умножителя, у которого выход соединен с сигнальным входом четвертого ключевого элемента, а сигнальный вход – с выходом третьего ключевого элемента, при этом выход четвертого ключевого элемента соединен со вторым входом блока управляемой памяти.
В результате анализа патентной и научно-технической информации не выявлено аналогичных устройств рельсовой цепи с вышеперечисленной совокупностью признаков, позволяющих обеспечить надежную работу устройства рельсовой цепи в условиях большого диапазона изменения сопротивления изоляции рельсовой линии.
Таким образом, заявляемое изобретение является новым, имеет изобретательский уровень и может быть использовано в современных системах автоблокировки и электрической централизации.
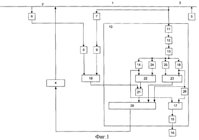
Сущность изобретения поясняется фиг.1, на которой изображена функциональная схема устройства рельсовой цепи. На схеме показана рельсовая линия 1, граничащая в начале и в конце со смежными рельсовыми линиями 2, 3, в каждой из которых в начале и конце включены генераторы 4, 5 и путевые приемники 6, 7 с подключенными на выходе путевыми реле 8, 9. В начале рельсовых линий 1 и 2 подключен управляемый генератор 4. К концу рельсовой линии 1 подключен путевой приемник 10, содержащий последовательно соединенные блок 11 выделения сигнала модуляции, вход которого является входом путевого приемника 10, амплитудный детектор 12, интегратор 13 и первый пороговый элемент 14, а также усилитель 15, к выходу которого подключено путевое реле 16, первый элемент запрета 17 и второй пороговый элемент 18, подключенный к выходу интегратора 13, вход усилителя 15 подключен к выходу первого элемента 17 запрета, при этом порог срабатывания первого порогового элемента 14, выход которого соединен с прямым входом первого элемента 17 запрета, равен минимальному расчетному значению сигнала на выходе интегратора 13, а порог срабатывания второго порогового элемента 18 равен максимальному расчетному значению сигнала на выходе интегратора 13. Устройство рельсовой цепи снабжено элементом 19 “И”, блоком 20 управления, ключевым элементом 21, вторым 22 и третьим 23 элементами запрета, третьим 24 и четвертым 25 пороговыми элементами, подключенными к выходу интегратора 13, анализатором 26 временного интервала, подключенным выходом к инверсному входу первого элемента 17 запрета, а входом – к третьему входу блока 20 управления и выходу второго порогового элемента 18, при этом прямые входы второго 22 и третьего 23 элементов запрета подключены соответственно к выходам первого 14 и четвертого 25 пороговых элементов, а инверсные входы – к выходам третьего 24 и второго 18 пороговых элементов, причем порог срабатывания третьего порогового элемента 24 больше порога срабатывания первого порогового элемента 14, а порог срабатывания четвертого порогового элемента 25 меньше порога срабатывания второго порогового элемента 18, первый вход блока 20 управления соединен с выходом второго элемента 22 запрета через ключевой элемент 21, управляющий вход которого соединен с выходом элемента 19 “И”, подключенного входами к путевым реле 8 и 9 путевых приемников смежных рельсовых линий 2 и 3, выход третьего элемента 23 запрета подключен ко второму входу блока 20 управления, подключенного выходом к управляющему входу генератора 4.
В нормальном состоянии при свободности рельсовой линии 1 возможны два режима работы устройства.
1. Уровень сигнала на выходе генератора 4 при ручной регулировке установлен выше расчетного.
2. Уровень сигнала на выходе генератора 4 при ручной регулировке установлен меньше расчетного.
При первом режиме работы устройства, когда при ручной регулировке установлено напряжение на выходе генератора 4 выше расчетного, уровень напряжения на выходе интегратора 13 при максимально возможном сопротивлении изоляции рельсовой линии 1 превысит максимальное расчетное значение, контролируемое вторым пороговым элементом 18, что недопустимо по условию выполнения шунтового и контрольного режима в рельсовой линии 1. В этом случае на выходе второго порогового элемента 18 появляется логический сигнал «1», а на выходе первого элемента 17 запрета – сигнал «0» (не зависимо от значения сигнала на выходе первого порогового элемента 14). При этом сигнал на выходе усилителя 15 пропадает и путевое реле 16 отпускает якорь, переводя устройство в состояние защитного отказа. Таким образом, требования обеспечения безопасности выполнены. Однако фиксируемая при этом ложная занятость фактически свободной рельсовой цепи приводит к задержкам в движении поездов. Поэтому, по действующим инструкциям по техническому содержанию рельсовых цепей, необходимо с помощью измерительных средств своевременно обнаружить приближение уровня сигнала на входе путевого приемника 10 к максимальному расчетному значению и уменьшить установленный при ручной регулировке уровень сигнала на выходе генератора 4. В заявляемом устройстве рельсовой цепи это осуществляется автоматически. При достижении уровня сигнала на выходе интегратора 13 значения порога срабатывания четвертого порогового элемента 25, который меньше, чем порог срабатывания второго порогового элемента 18, на прямом входе третьего элемента 23 запрета появится значение логической переменной «1», а на инверсном входе значение логической переменной равно 0, вследствие чего появится сигнал на выходе третьего элемента 23 запрета и на втором входе блока 20 управления, который вырабатывает команду о необходимости уменьшения уровня выходного сигнала генератора 4. Сигнал с выхода блока 20 управления передается на управляющий вход генератора 4, вследствие чего осуществляется автоматическое уменьшение напряжения на выходе генератора 4 до тех пор, пока напряжение на выходе интегратора 13 не достигнет уровня, меньшего порога срабатывания четвертого порогового элемента 25, в связи с чем исчезает значение логической переменной “1” на его выходе и схема устройства приходит в исходное состояние.
При втором режиме работы устройства, когда при ручной регулировке на выходе генератора 4 установлено напряжение меньше расчетного, вследствие уменьшения сопротивления изоляции рельсовой линии 1, уровень сигнала на выходе интегратора 13 станет меньше порога срабатывания первого порогового элемента 14 и будет зафиксирована ложная занятость фактически свободной рельсовой линии. По действующим инструкциям по техническому содержанию рельсовых цепей необходимо с помощью измерительных средств своевременно обнаружить приближение уровня сигнала на входе путевого приемника 10 к минимальному расчетному значению и путем ручной регулировки увеличить установленный уровень сигнала на выходе генератора 4. В заявляемом устройстве рельсовой цепи это осуществляется автоматически. При уменьшении уровня сигнала на выходе интегратора 13 до значения, большего порога срабатывания первого порогового элемента 14, но меньшего порога срабатывания третьего порогового элемента 24, на инверсном входе второго элемента 22 запрета появится значение логической переменной 0, а на прямом входе значение логической переменной «1», вследствие чего появится сигнал на выходе второго элемента 22 запрета и на входе ключевого элемента 21. Если смежные рельсовые линии 2 и 3 свободны, что фиксируется с помощью путевых реле 8 и 9, подключенных соответственно к путевым приемникам 6 и 7, на выходе элемента 19 “И”, подключенного входами к путевым реле 8 и 9, формируется разрешающий сигнал, поступающий на управляющий вход ключевого элемента 21, вследствие чего через ключевой элемент 21 с выхода элемента 22 запрета поступает сигнал на первый вход блока 20 управления, где формируется команда на увеличение напряжения на выходе генератора 4. Сигнал с выхода блока 20 управления передается на управляющий вход генератора 4, вследствие чего осуществляется автоматическое увеличение напряжения на выходе генератора 4 до тех пор, пока напряжение на выходе интегратора 13 не достигнет уровня порога срабатывания третьего порогового элемента 24, в связи с чем исчезает значение логической переменной “1” на его выходе и схема устройства приходит в исходное состояние.
Для упрощения условий эксплуатации рельсовых цепей значение уровня сигнала на входе путевого приемника при максимальном сопротивлении изоляции принимается одинаковым для рельсовых цепей различной длины. При этом улучшаются условия обеспечения безопасности движения поездов, т.к. создается запас по выполнению шунтового и контрольного режимов. В этом случае во время ручной регулировки при установке расчетного напряжения, необходимого для обеспечения работы рельсовой цепи при минимальном сопротивлении изоляции рельсовой линии, возможно кратковременное срабатывание второго порогового элемента 18. Для исключения ложной занятости рельсовой цепи во время ручной регулировки выход второго порогового элемента 18 на короткое время, определяемое анализатором 26 временного интервала, отключается от инверсного входа первого элемента 17 запрета. При этом с выхода второго порогового элемента 18 подается сигнал на третий вход блока 20 управления, который вырабатывает команду на уменьшение текущего значения напряжения на выходе генератора 4, которая реализуется аналогично описанному выше сразу после окончания ручной регулировки.
Сущность устройства управляемого генератора поясняется фиг.2, на которой изображена функциональная схема управляемого генератора.
Управляемый генератор содержит последовательно соединенные источник 27 амплитудно-модулированного сигнала, блок 28 коррекции уровня сигнала, предварительный усилитель 29, блок 30 ручной регулировки выходного напряжения, выходной усилитель 31, выход которого является выходом генератора, а также первый 32, второй 33, третий 34, четвертый 35 ключевые элементы, умножитель 36, запоминающее устройство 37 уровня ручной регулировки, блок 38 ручного выбора режима работы, блок 39 управления, датчик 40 состояния средства ручной регулировки выходного напряжения, пиковый детектор 41, блок 42 управляемой памяти, формирователь 43 сигналов управления, блок 44 сравнения и цифровой компаратор 45, причем управляющий вход блока 28 коррекции уровня сигнала подключен к выходу первого ключевого элемента 32, сигнальный вход которого подключен к выходу блока 44 сравнения, а управляющий вход – к первому выходу формирователя 43 сигналов управления, второй выход которого подключен к управляющему входу второго ключевого элемента 33, соединенного выходом с входом запоминающего устройства 37 уровня ручной регулировки и с первым входом блока 42 управляемой памяти, подключенного выходом к сигнальному входу третьего ключевого элемента 34, первому входу цифрового компаратора 45 и первому входу блока 38 ручного выбора режима работы, второй вход которого подключен к выходу запоминающего устройства 37 уровня ручной регулировки и второму входу цифрового компаратора 45, а выход подключен к первому входу блока 44 сравнения, при этом выходной усилитель 31 через пиковый детектор 41 подключен к входу второго ключевого элемента 33 и второму входу блока 44 сравнения, а датчик 40 средства ручной регулировки выходного напряжения подключен входом к средству ручной регулировки через дополнительный выход блока 30 ручной регулировки выходного напряжения, а выходом к входу формирователя 43 сигналов управления ключевыми элементами 32 и 33. При этом управляющий вход блока 39 управления является входом для подключения выхода блока управления приемника рельсовой цепи, а его дополнительный вход подключен к выходу цифрового компаратора 45, первый, второй и третий выходы блока 39 управления подключены соответственно к управляющим входам третьего 34, четвертого 35 ключевых элементов и умножителя 36, у которого выход соединен с сигнальным входом четвертого ключевого элемента 35, а сигнальный вход – с выходом третьего ключевого элемента 34, при этом выход четвертого ключевого элемента 35 соединен со вторым входом блока 42 управляемой памяти.
В нормальном состоянии при свободности рельсовой линии возможны три режима работы устройства.
1. На выходе генератора установлен расчетный уровень сигнала и параметры рельсовой линии соответствуют расчетным.
2. Уровень сигнала на выходе генератора при ручной регулировке установлен выше расчетного.
3. Уровень сигнала на выходе генератора при ручной регулировке установлен меньше расчетного.
При первом режиме генератор работает следующим образом.
Амплитудно-модулированный сигнал, генерируемый источником 27, подается на последовательно соединенные блок 28 коррекции уровня сигнала, предварительный усилитель 29, блок 30 ручной регулировки выходного напряжения и выходной усилитель 31, выход которого является выходом генератора, подключенный к началу рельсовой линии и к пиковому детектору 41.
Требуемый по расчету рельсовой цепи уровень выходного сигнала генератора устанавливается с помощью блока 30 ручной регулировки выходного напряжения. Установленное на выходе напряжение по условиям обеспечения контрольного и шунтового режима работы рельсовой цепи не должно изменяться под действием дестабилизирующих факторов: напряжения источника питания, температуры окружающей среды и др. Установленное напряжение контролируется пиковым детектором 41, постоянное напряжение с выхода которого подается на блок сравнения 44 и, через второй ключевой элемент 33, на блок 42 управляемой памяти, выполняющий роль источника опорного напряжения, значение которого строго соответствует уровню выходного напряжения генератора, установленному с помощью блока 30 ручной регулировки. Одновременно это же напряжение записывается в запоминающее устройство 37 уровня ручной регулировки.
В рабочем режиме блок 44 сравнения вырабатывает сигнал, пропорциональный разности напряжений, поступающих на него с выхода пикового детектора 41 и с выхода блока 42 управляемой памяти, подключенного к блоку 44 сравнения через блок 38 выбора режима работы. Этот сигнал через первый ключевой элемент 32 подается на управляющий вход блока 28 коррекции уровня сигнала, который устраняет отклонение текущего выходного напряжения генератора от установленного уровня.
Формирование значения опорного напряжения в блоке 42 управляемой памяти и в запоминающем устройстве 37 уровня ручной регулировки производится с помощью датчика 40 состояния средства ручной регулировки выходного напряжения. Во время регулировки датчик 40 фиксирует изменение состояния средства ручной регулировки и воздействует на формирователь 43 сигналов управления. Под действием сигналов управления с формирователя 43 первый 32 и второй 33 ключевые элементы выключаются, при этом с помощью второго ключевого элемента 33 исключается запись напряжения в блок 42 управляемой памяти и в запоминающее устройство 37 уровня ручной регулировки, а с помощью первого ключевого элемента 32 размыкается цепь обратной связи между блоком 44 сравнения и блоком 28 коррекции уровня сигнала.
В момент окончания ручной регулировки, когда состояние средства ручной регулировки 30 перестает изменяться, датчик 40 перестает воздействовать на формирователь 43 сигналов управления. При этом формирователь 43 вырабатывает на втором выходе короткий сигнал – команду записи, обеспечивающую отпирание второго ключевого элемента 33 для записи значения напряжения, снимаемого с пикового детектора 41, в блок 42 управляемой памяти и в запоминающее устройство 37 уровня ручной регулировки. Это напряжение соответствует точному значению уровня выходного сигнала генератора в момент окончания ручной регулировки и используется в качестве опорного напряжения в блоке 44 сравнения уровней сигналов. После окончания команды записи второй ключевой элемент 33 запирается, отключая пиковый детектор 41 от блока 42 управляемой памяти, и формирователь 43 сигналов управления со своего первого выхода подает на управляющий вход первого ключевого элемента 32 отпирающий сигнал, благодаря которому цепь обратной связи между блоком 44 сравнения и блоком 28 коррекции уровня сигнала замыкается, и схема регулирования начинает стабилизировать выходное напряжение сигнала генератора, подаваемого в рельсовую цепь на том уровне, который был установлен в процессе ручной регулировки. Благодаря этому уровень выходного напряжения генератора не зависит от напряжения источника питания и других дестабилизирующих факторов.
При втором режиме работы, когда при ручной регулировке установлено напряжение на выходе генератора выше расчетного при максимально возможном сопротивлении изоляции рельсовой линии, на управляющий вход блока 39 управления поступит сигнал о необходимости уменьшения текущего значения напряжения на выходе генератора. При этом с первого, второго и третьего выходов блока 39 передаются сигналы на управляющие входы третьего 34 и четвертого 35 ключевых элементов, а также умножителя 36. Значение установленного в данный момент уровня выходного сигнала из блока 42 управляемой памяти через третий ключевой элемент 34 передается в умножитель 36, где оно уменьшается на заданную величину, и новое значение через четвертый ключевой элемент 35 записывается в блок 42 управляемой памяти. Новое значение из блока 42 управляемой памяти поступает на первый вход блока 44 сравнения, который вырабатывает сигнал, пропорциональный разности напряжений, поступающих на него с выхода блока 42 управляемой памяти и с выхода пикового детектора 41. Этот сигнал через первый ключевой элемент 32 подается на управляющий вход блока 28 коррекции уровня сигнала, который устраняет отклонение текущего напряжения на выходе генератора от нового значения напряжения, записанного в блок 42 управляемой памяти.
При третьем режиме работы устройства, когда при ручной регулировке на выходе генератора установлено напряжение, меньшее расчетного, вследствие уменьшения сопротивления изоляции рельсовой линии на управляющий вход блока 39 управления поступит сигнал о необходимости увеличения текущего значения напряжения на выходе генератора. При этом с первого, второго и третьего выходов блока 39 управления поступит сигнал о необходимости увеличения текущего значения напряжения на выходе генератора. При этом с первого, второго и третьего выходов блока 39 передаются сигналы на управляющие входы третьего 34 и четвертого 35 ключевых элементов, а также умножителя 36. Значение установленного в данный момент уровня выходного сигнала из блока 42 управляемой памяти через третий ключевой элемент 34 передается в умножитель 36, где оно увеличивается на заданную величину, и новое значение через четвертый ключевой элемент 35 записывается в блок 42 управляемой памяти. Новое значение из блока 42 управляемой памяти поступает на первый вход блока 44 сравнения, который вырабатывает сигнал, пропорциональный разности напряжений, поступающих на него с выхода блока 44 управляемой памяти и с выхода пикового детектора 41. Этот сигнал через первый ключевой элемент 32 подается на управляющий вход блока 28 коррекции уровня сигнала, который увеличивает напряжение на выходе генератора. Процедура увеличения напряжения продолжается до тех пор, пока не исчезнет сигнал на управляющем входе блока 39 управления о необходимости увеличения напряжения, либо до того момента, когда уровни напряжений на первом и втором входах цифрового компаратора 45 сравняются. В последнем случае появляется сигнал на выходе цифрового компаратора 45, который подается на дополнительный вход блока 39 управления, вследствие чего исчезает сигнал на втором выходе блока 39 управления и соответственно на управляющем входе четвертого ключевого элемента 35. В блоке 42 управляемой памяти и соответственно на выходе генератора будет установлено напряжение, записанное в запоминающее устройство 37 уровня ручной регулировки.
Параметры блока 39 управления выбраны такими, чтобы увеличение напряжения на выходе генератора происходило лишь в нормальном режиме, когда вследствие медленного изменения сопротивления изоляции рельсовой линии происходит уменьшение уровня сигнала на входе путевого приемника. В шунтовом и контрольном режимах работы рельсовой цепи уменьшение уровня сигнала на входе путевого приемника не приводит к увеличению напряжения на выходе генератора.
С помощью блока 38 ручного выбора режима работы можно установить режим проверки, при котором к блоку 44 сравнения вместо блока 42 управляемой памяти подключается запоминающее устройство 37 уровня ручной регулировки. При этом на выходе генератора появляется напряжение, равное тому, которое было установлено при ручной регулировке.
Внедрение предлагаемого устройства в системах автоблокировки и электрической централизации позволит повысить безопасность движения поездов.
Формула изобретения
1. Устройство рельсовой цепи, содержащее рельсовую линию, граничащую в начале и в конце со смежными рельсовыми линиями, в каждой из которых в начале и конце включены, соответственно, генератор и путевой приемник с подключенным на выходе путевым реле, генератор, подключенный в начале рельсовой линии, путевой приемник, подключенный в конце рельсовой линии, содержащий последовательно соединенные блок выделения сигнала модуляции, вход которого является входом путевого приемника, амплитудный детектор, интегратор и первый пороговый элемент, а также усилитель, к выходу которого подключено путевое реле, первый элемент запрета и второй пороговый элемент, подключенный к выходу интегратора, вход усилителя подключен к выходу первого элемента запрета, при этом порог срабатывания первого порогового элемента, выход которого соединен с прямым входом первого элемента запрета, равен минимальному расчетному значению сигнала на выходе интегратора, а порог срабатывания второго порогового элемента равен максимальному расчетному значению сигнала на выходе интегратора, отличающееся тем, что оно снабжено элементом “И”, блоком управления, ключевым элементом, вторым и третьим элементами запрета, третьим и четвертым пороговыми элементами, подключенными к выходу интегратора, анализатором временного интервала, подключенным выходом к инверсному входу первого элемента запрета, а входом – к третьему входу блока управления и выходу второго порогового элемента, при этом прямые входы второго и третьего элементов запрета подключены соответственно к выходам первого и четвертого пороговых элементов, а инверсные входы – к выходам третьего и второго пороговых элементов, причем порог срабатывания третьего порогового элемента больше порога срабатывания первого порогового элемента, а порог срабатывания четвертого порогового элемента меньше порога срабатывания второго порогового элемента, первый вход блока управления соединен с выходом второго элемента запрета через ключевой элемент, управляющий вход которого соединен с выходом элемента “И”, подключенного входами к путевым реле путевых приемников смежных рельсовых линий, выход третьего элемента запрета подключен к второму входу блока управления, генератор, подключенный в начале рельсовой линии, выполнен управляемым, а его управляющий вход соединен с выходом блока управления.
2. Устройство рельсовой цепи по п.1, отличающееся тем, что управляемый генератор содержит последовательно соединенные источник амплитудно-модулированного сигнала, блок коррекции уровня сигнала, предварительный усилитель, блок ручной регулировки выходного напряжения, выходной усилитель, выход которого является выходом генератора, а также первый, второй, третий, четвертый ключевые элементы, умножитель, запоминающее устройство уровня ручной регулировки, блок ручного выбора режима работы, блок управления, датчик состояния средства ручной регулировки выходного напряжения, пиковый детектор, блок управляемой памяти, формирователь сигналов управления, блок сравнения и цифровой компаратор, причем управляющий вход блока коррекции уровня сигнала подключен к выходу первого ключевого элемента, сигнальный вход которого подключен к выходу блока сравнения, а управляющий вход – к первому выходу формирователя сигналов управления, второй выход которого подключен к управляющему входу второго ключевого элемента, соединенного выходом с входом запоминающего устройства уровня ручной регулировки и с первым входом блока управляемой памяти, подключенного выходом к сигнальному входу третьего ключевого элемента, первому входу цифрового компаратора и первому входу блока ручного выбора режима работы, второй вход которого подключен к выходу запоминающего устройства уровня ручной регулировки и второму входу цифрового компаратора, а выход подключен к первому входу блока сравнения, при этом выходной усилитель через пиковый детектор подключен к входу второго ключевого элемента и второму входу блока сравнения, а датчик средства ручной регулировки выходного напряжения подключен входом к средству ручной регулировки через дополнительный выход блока ручной регулировки выходного напряжения, а выходом к входу формирователя сигналов управления, при этом управляющий вход блока управления является входом для подключения выхода блока управления приемника рельсовой цепи, а его дополнительный вход подключен к выходу цифрового компаратора, первый, второй и третий выходы блока управления подключены соответственно к управляющим входам третьего, четвертого ключевых элементов и умножителя, у которого выход соединен с сигнальным входом четвертого ключевого элемента, а сигнальный вход – с выходом третьего ключевого элемента, при этом выход четвертого ключевого элемента соединен со вторым входом блока управляемой памяти.
РИСУНКИ
|
|