|
|
(21), (22) Заявка: 2006121166/09, 14.06.2006
(24) Дата начала отсчета срока действия патента:
14.06.2006
(46) Опубликовано: 20.11.2007
(56) Список документов, цитированных в отчете о поиске:
RU 2202321 С2, 20.04.2003. RU 2054921 C1, 27.02.1996. RU 2195243 C1, 27.12.2002. RU 94026307 A1, 20.10.1994. SU 843983 A1, 13.08.1981. GB 2198354 A, 15.06.1988. US 4995378 A, 26.02.1991. DE 19622564 A1, 11.12.1997. EP 0559446 A1, 08.09.1993.
Адрес для переписки:
430000, Республика Мордовия, г.Саранск, ул. Большевистская, 68, ГОУВПО “МГУ им. Н.П. Огарева”, отдел патентов и стандартов
|
(72) Автор(ы):
Бардин Вадим Михайлович (RU), Насонов Виктор Михайлович (RU)
(73) Патентообладатель(и):
Государственное образовательное учреждение высшего профессионального образования “Мордовский государственный университет им. Н.П. Огарева” (RU)
|
(54) УСТРОЙСТВО УПРАВЛЕНИЯ ДЛЯ ТРЕНАЖЕРА
(57) Реферат:
Изобретение относится к области электротехники и может быть использовано в лечебно-профилактических учреждениях и санаторно-курортных учреждениях. Техническим результатом является улучшение характеристики управления приводного механизма тренажера за счет плавного и дозированного изменения тягового усилия, прикладываемого к шейному отделу позвоночника пациента путем обеспечения линейного характера увеличения и снижения тяговой нагрузки на штоке приводного механизма. Устройство управления тренажером включает приводной механизм возвратно-поступательных перемещений, содержащий электромагнит, якорем соединенный через шток со сменной регулируемой по длине штангой, и пульт управления, который включает блок задания режима, блок формирования управляющего сигнала и управляемый источник тока, выходом соединенный с обмоткой электромагнита, а управляющим входом – с выходом блока формирования управляющего сигнала, вход которого соединен с блоком задания режима. Электромагнит выполнен с коническими якорем и ярмом. 2 ил.
Изобретение относится к области медицины и может быть использовано в лечебно-профилактических учреждениях и санаторно-курортных учреждениях.
Известно устройство для вытяжения позвоночника путем дозированной циклической нагрузки, содержащее основание, выполненное в виде рамы с сиденьем и мягким зацепом для головы, приводной механизм возвратно-поступательных перемещений, выполненный в виде электромагнита, и пульт управления. Приводной механизм содержит шток, сменную регулируемую по длине штангу, к которой крепится зацеп для головы (RU 2202321, МПК-7 А61Н 1/02, опубл. 20.04.2003).
Недостатком известного устройства является отсутствие возможности формирования дозированной по величине и времени действия нагрузки, что не позволяет учитывать в процессе лечения индивидуальные особенности пациента.
Технический результат заключается в улучшении характеристик управления приводного механизма тренажера за счет плавного и дозированного изменения тягового усилия, прикладываемого к шейному отделу позвоночника пациента путем обеспечения линейного характера увеличения и снижения тяговой нагрузки на штоке приводного механизма.
Сущность изобретения заключается в том, что устройство управления тренажером включает приводной механизм возвратно-поступательных перемещений, содержащий электромагнит, якорем соединенный через шток со сменной регулируемой по длине штангой, и пульт управления, который включает блок задания режима, блок формирования управляющего сигнала и управляемый источник тока, выходом соединенный с обмоткой электромагнита, а управляющим входом – с выходом блока формирования управляющего сигнала, вход которого соединен с блоком задания режима. Электромагнит выполнен с коническими якорем и ярмом.
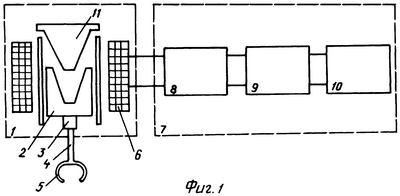
На фиг.1 изображено устройство управления для тренажера, на фиг.2а – характер изменения тока в обмотке электромагнита, на фиг.2б – характер изменения тягового усилия на штоке приводного механизма.
Устройство содержит приводной механизм возвратно-поступательный перемещений, включающее электромагнит 1 (фиг.1), якорем 2 соединенный через шток 3 и штангу 4 с зацепом 5 для головы 4. Электромагнит 1 содержит обмотку 6. Пульт управления 7 содержит управляемый источник тока 8, блок формирования управляющего сигнала 9 и блок задания режима работы 10. Обмотка 6 электромагнита 1 соединена с выходом управляемого источника тока 8, управляющий вход которого соединен с выходом блока формирования управляющего сигнала 9, входом соединенного с блоком задания режима 10. Электромагнит выполнен с коническим якорем 2 и коническим ярмом 11.
Устройство работает следующим образом. На блоке задания режима 10 набираются необходимые временные параметры цикла и максимальное значение величины тягового усилия. Эти команды в виде электрических сигналов поступают в блок формирования управляющего сигнала 9 и на его выходе формируется управляющий сигнал, поступающий на вход управляемого источника тока 8, с которого в обмотку 6 электромагнита 1 поступает ток, закон изменения которого согласован с характером изменения напряженности магнитного поля в системе якорь – ярмо. Плавное увеличение и сброс тягового усилия по заданному закону обеспечивается выполнением якоря 2 и ярма 11 электромагнита 1 коническими, а также характера изменения тока, протекающего через обмотку 6 электромагнита 1. Движение якоря 2 электромагнита 1 начинается после достижения током в обмотке 6 значения, равного величине тока трогания Iт (фиг.2а). Для обеспечения линейного нарастания тягового усилия до некоторого предельного значения Рм (фиг.2б) ток в катушке электромагнита изменяется по нелинейному закону, тогда на интервале времени Тн (фиг.2а) нарастание тягового усилия будет происходить по линейному закону. При значении тока Iм будет обеспечено заданное максимальное значение тягового усилия Рм на штоке исполнительного механизма тренажера (фиг.2б). Одновременный учет двух факторов: магнитного поля в зазоре якорь-ярмо и магнитного поля, создаваемого обмоткой 6 электромагнита 1, позволяет обеспечивать линейный характер нарастания и снижения тягового усилия на штоке 4 и на зацепе 5 для головы.
По сравнению с известным решением предлагаемое позволяет улучшить характеристики управления электромагнита путем обеспечения линейного характера увеличения и снижения тяговой нагрузки на штоке за счет изменения тока в катушке электромагнита по нелинейному закону. Увеличение и сброс тягового усилия в предлагаемом устройстве происходит плавно, без резких толчков, при этом величину и продолжительность воздействия можно задавать с блока задания режима индивидуально для каждого пациента с учетом медицинских показаний.
Формула изобретения
Устройство управления тренажером, включающее приводной механизм возвратно-поступательных перемещений, содержащий электромагнит, якорем соединенный через шток со сменной регулируемой по длине штангой, и пульт управления, отличающееся тем, что пульт управления включает блок задания режима, блок формирования управляющего сигнала и управляемый источник тока, выходом соединенный с обмоткой электромагнита, а управляющим входом – с выходом блока формирования управляющего сигнала, вход которого соединен с блоком задания режима, при этом электромагнит выполнен с коническими якорем и ярмом.
РИСУНКИ
MM4A – Досрочное прекращение действия патента СССР или патента Российской Федерации на изобретение из-за неуплаты в установленный срок пошлины за поддержание патента в силе
Дата прекращения действия патента: 15.06.2008
Извещение опубликовано: 27.03.2010 БИ: 09/2010
|
|