|
(21), (22) Заявка: 2004128387/28, 25.03.2003
(24) Дата начала отсчета срока действия патента:
25.03.2003
(30) Конвенционный приоритет:
25.03.2002 AU PS 1312
(43) Дата публикации заявки: 10.07.2005
(46) Опубликовано: 10.11.2007
(56) Список документов, цитированных в отчете о поиске:
US 2003035311 А, 20.02.2003. RU 2052231 С1, 10.01.1996. RU 94035363 A1, 27.05.1996. WO 0215648 А, 21.02.2002. SU 928582 А1, 15.05.1982. US 6002563 А, 14.12.1999. SU 1833956 А1, 15.08.1993. SU 739705 А1, 05.06.1980. GB 2343796 А, 17.05.2000.
(85) Дата перевода заявки PCT на национальную фазу:
25.10.2004
(86) Заявка PCT:
AU 03/00366 (25.03.2003)
(87) Публикация PCT:
WO 03/081962 (02.10.2003)
Адрес для переписки:
191036, Санкт-Петербург, а/я 24, “НЕВИНПАТ”, пат.пов. А.В.Поликарпову
|
(72) Автор(ы):
ВАНДЕРЗОН Джеймс Роберт (AU)
(73) Патентообладатель(и):
КЛИПСЭЛ ИНТЕГРЭЙТЕД СИСТЕМЗ ПТИ ЛТД. (AU)
|
(54) РЕГУЛЯТОР МОЩНОСТИ С УЛУЧШЕННОЙ ЗАЩИТОЙ ОТ ДИСБАЛАНСА ИНДУКТИВНОЙ НАГРУЗКИ
(57) Реферат:
Изобретение относится к области приборостроения и может быть использовано в устройствах защиты регуляторов мощности, работающих на реактивную нагрузку. Технический результат – расширение функциональных возможностей за счет компенсации разброса параметров реактивной нагрузки. Для достижения данного результата введен детектор дисбаланса для обнаружения параметров реактивной нагрузки и средство управления регулятором, обеспечивающее процесс уменьшения постоянной составляющей в нагрузке при обнаружении несимметричной работы регулятора. 3 н. и 6 з.п. ф-лы, 5 ил.
ОБЛАСТЬ ТЕХНИКИ
Настоящее изобретение относится к электронным схемам управления мощностью, подаваемой в нагрузку, в частности, к регуляторам мощности, предназначенным, например, для управления яркостью света или скоростью вращения вентилятора.
УРОВЕНЬ ТЕХНИКИ
Регуляторы мощности используются для управления мощностью, подаваемой в нагрузку, например источник света или электродвигатель, от источника электроэнергии, например от электрической сети. В таких схемах часто используется так называемая фазовая регулировка. Он позволяет управлять мощностью, подаваемой в нагрузку, путем изменения времени, в течение которого ключ, соединяющий нагрузку с источником питания, замкнут в течение данного периода.
Например, если напряжение источника питания может быть представлено синусоидальной волной, то максимальная мощность передается в нагрузку, если ключ, соединяющий нагрузку с источником питания, постоянно замкнут. При этом в нагрузку передается вся мощность источника питания. Если в течение части каждого периода (как во время положительного, так и во время отрицательного полупериода) ключ разомкнут, то пропорциональная часть синусоидальной волны фактически не подается в нагрузку, что уменьшает среднюю мощность, подаваемую в нагрузку. Например, если замыкать и размыкать ключ на время половины каждого периода, то в нагрузку попадет только половина мощности. Поскольку схемы такого типа часто используются с активными, а не с индуктивными нагрузками, эффект периодического включения и выключения не будет заметен, так как активной нагрузке присуща инерция. Например, для источника освещения эффект от управления мощностью выразится в плавном изменении яркости. Этот способ хорошо известен специалистам в данной области техники.
Обычно в фазовых регуляторах мощности главным устройством управления мощностью, подаваемой в нагрузку, является мощный полупроводниковый прибор в виде симистора. Преимуществами таких устройств являются относительно низкие потери в проводящем состоянии и высокая надежность, но их недостатком является чувствительность к типу нагрузки.
При работе на индуктивную нагрузку с магнитным насыщением, в том числе электрические двигатели вентиляторов и, в особенности, трансформаторы с железным сердечником для низкоВных источников освещения, проводимость регулятора может стать несимметричной. При таких типах нагрузки вследствие магнитной асимметрии нагрузки переключение симистора в проводящее состояние может происходить только во время полупериодов одной полярности. Если это состояние возникает, оно обычно становится устойчивым, поскольку асимметрия импеданса нагрузки еще более усиливается. Значительное уменьшение индуктивности нагрузки для полупериодов одной полярности приводит к соответствующему высокому уровню постоянной составляющей тока. Это может быстро привести к перегреву первичных обмоток трансформатора.
Обычно блоки регуляторов мощности, предназначенные для работы с индуктивными нагрузками, требуют использования очень чувствительных симисторов для снижения вероятности несимметричной работы. Но чувствительные симисторы менее надежны и поэтому менее пригодны для регуляторов мощности универсального назначения.
Целью настоящего изобретения является создание альтернативного способа и устройства для решения проблем дисбаланса нагрузки.
СУЩНОСТЬ ИЗОБРЕТЕНИЯ
Согласно первому аспекту настоящего изобретения предлагается схема защиты регулятора мощности с индуктивной нагрузкой, содержащая детектор дисбаланса для обнаружения несимметричной работы нагрузки и средство выключения для прекращения работы регулятора при обнаружении такой несимметричной работы.
Согласно второму аспекту настоящего изобретения предлагается детектор дисбаланса нагрузки для использования в регуляторе мощности с индуктивной нагрузкой, детектор дисбаланса содержит детектор для обнаружения постоянной составляющей в нагрузке; компаратор для сравнения величины постоянной составляющей, обнаруженной детектором, с опорным напряжением, и средство формирования сигнала выключения регулятора, если постоянная составляющая превышает указанное опорное напряжение на заранее заданный порог постоянного напряжения.
Предпочтительно, детектор постоянной составляющей обнаруживает подкомпоненту постоянной составляющей в течение положительного периода и обнаруживает подкомпоненту постоянной составляющей в течение отрицательного периода, а указанная величина постоянной составляющей представляет собой разность между соответствующими подкомпонентами.
Предпочтительно, детектор постоянной составляющей содержит первый резистивный делитель для обнаружения указанной подкомпоненты в течение положительного периода и второй резистивный делитель для обнаружения указанной подкомпоненты в течение отрицательного периода, причем точка деления первого делителя связана с первой обкладкой конденсатора, точка деления второго делителя связана со второй обкладкой этого конденсатора, и напряжение на конденсаторе определяет указанную величину постоянной составляющей.
Предпочтительно, компаратор содержит первый p-n-p транзистор, база которого соединена с указанной первой обкладкой конденсатора, а эмиттер соединен с указанной второй обкладкой конденсатора, и второй p-n-p транзистор, база которого соединена с указанной второй обкладкой конденсатора, а эмиттер соединен с указанной первой обкладкой конденсатора, а коллектор каждого из транзисторов соединен с входом указанного средства формирования сигнала выключения.
Альтернативно, детектор дисбаланса обнаруживает разность между продолжительностями проводимости в соответствующие положительные и отрицательные полупериоды. Предпочтительно, детектор дисбаланса регистрирует дисбаланс нагрузки, если разность между соответствующим положительным и отрицательным полупериодами превышает заранее заданный порог.
Предпочтительно, вышеуказанное средство управления заставляет регулятор выключаться.
Как вариант, средство управления может заставлять регулятор уменьшать угол проводимости до такого значения, при котором постоянная составляющая уменьшается ниже заранее заданного порогового значения.
Таким образом, настоящее изобретение устраняет потребность в традиционных способах уменьшения вероятности дисбаланса нагрузки, требующих использования дорогостоящих компонентов.
КРАТКОЕ ОПИСАНИЕ ЧЕРТЕЖЕЙ
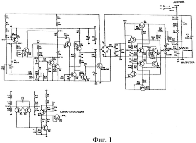
На фиг.1 показан первый вариант выполнения регулятора мощности согласно настоящему изобретению;
на фиг.2 показано альтернативное выполнение схемы управления симистором, изображенной на фиг.1;
на фиг.3 показана схема управления ключом по току, которая может использоваться вместо схемы управления ключом по напряжению, изображенной на фиг.1 и 2;
на фиг.4 показана упрощенная блок-схема для электрической схемы, изображенной на фиг.1, и
на фиг.5 показано альтернативное выполнение детектора дисбаланса импедансной нагрузки, изображенного на фиг.1.
ПОДРОБНОЕ ОПИСАНИЕ ПРЕДПОЧТИТЕЛЬНОГО ВАРИАНТА ВЫПОЛНЕНИЯ ИЗОБРЕТЕНИЯ
На фиг.1 показана предпочтительная схема двухпроводного контроллера с управлением фазой переднего фронта напряжения питания, который предназначен для управления яркостью света или скоростью вращения вентилятора. Схема, показанная на фиг.1, особенно эффективна с точки зрения электромагнитной совместимости. Это касается уровня создаваемых ею электромагнитных помех. Уровень излучений, создаваемых регулятором мощности вследствие переключения с высокой частотой, жестко регламентируется и не должен превышать заданных значений.
Схема, показанная на фиг.1, управляет уровнем создаваемых помех путем активного управления скоростью нарастания напряжения на нагрузке в каждом полупериоде сетевого напряжения. Для этого используется мощный полупроводниковый прибор в виде биполярного транзистора с изолированным затвором. Биполярный транзистор с изолированным затвором и соответствующая электрическая схема управления соединены с выводами постоянного тока диодного моста, что позволяет управлять обеими полярностями сетевого напряжения.
Током нагрузки управляет мощный симистор, а требуемое медленное переключение выполняет биполярный транзистор с изолированным затвором. Это сводит рассеяние энергии к минимуму, поскольку напряжение на симисторе в открытом состоянии ниже, чем напряжение на биполярном транзисторе с изолированным затвором / диодном мосте в открытом состоянии.
Схема на биполярном транзисторе с изолированным затвором, показанная на фиг.1, может быть разбита на следующие блоки:
низкоВный блок шины питания постоянного тока,
детектор прохождения сетевого напряжения через нуль,
блок запрещения работы при включении питания,
блок выдержки времени,
блок управления затвором биполярного транзистора с изолированным затвором.
Питание для схемы управления биполярным транзистором с изолированным затвором поступает из сети через нагрузку, в каждом полупериоде в течение интервала времени до начала работы биполярного транзистора с изолированным затвором, то есть когда на регуляторе появляется сетевое напряжение. Полное время потребления тока достаточно велико, что позволяет использовать цепочку резисторов R1, R2, R4 и R5, рассеивающих относительно низкую мощность. Сглаживающий конденсатор С9 хранит достаточный заряд, поступающий в начале каждого полупериода, чтобы обеспечить ток в схеме в течение оставшейся части периода с относительно низким напряжением пульсаций. Избыточный ток шунтируется регулирующим напряжение стабилитроном DZ1 с формированием результирующего номинального напряжения шины постоянного тока 15 В. Такая конфигурация образует упомянутый выше низкоВный блок шины питания постоянного тока.
Детектор прохождения сетевого напряжения через нуль сбрасывает (возвращает в начальное состояние) схему выдержки времени (более подробно описанную ниже) в каждом полупериоде после начала протекания тока нагрузки. Отсчет времени начинается вновь, когда напряжение сети вновь появляется на этой схеме в следующем полупериоде. Для резистивных нагрузок этот момент начала отсчета времени соответствует прохождению напряжения сети через нуль. Однако для индуктивных нагрузок это соответствует прохождению тока через нуль, что происходит позже, чем прохождение через нуль напряжения сети.
Эмиттер транзистора Q2 соединен с шиной питания постоянного тока, а на его базу напряжение питания подается через цепочку Вогасящих резисторов, упомянутую выше. На коллекторе (выход “синхронизация” – “sync”) высокий потенциал возникает всякий раз, когда напряжение на регуляторе мощности становится ниже напряжения шины постоянного тока. Наоборот, когда к регулятору мощности приложено напряжение сети, переход база-эмиттер в транзисторе Q2 смещается в обратном направлении, что препятствует повышению потенциала на коллекторе. В течение этого времени ток питания подается в шину постоянного тока через диод D4, шунтирующий переход база-эмиттер.
Сброс конденсатора С7 управляемой выдержки времени осуществляется разрядным транзистором Q12, который запускается через ограничительный резистор R21 с выхода “синхронизация” (“sync”) транзистора Q2. Резистор R22 и конденсатор С6 включены параллельно переходу база-эмиттер транзистора Q12 для уменьшения утечки в закрытом состоянии и снижения восприимчивости к помехам.
Функция блока запрещения работы при включении питания заключается в запрещении работы регулятора мощности в течение нескольких первых полупериодов напряжения сети питания после его включения, что осуществляется путем временного шунтирования зарядного тока конденсатора С7 выдержки времени. Это необходимо для обеспечения правильной работы механизма плавного включения, работа которого основана на установившемся постоянном напряжении, используемом в качестве опорного. Конденсатор С1 небольшой емкости, связанный с шиной постоянного тока, обеспечивает протекание тока через диод D3 для питания разрядного транзистора Q12 в течение периода времени, когда напряжение на шине нарастает при включении питания. Блокировочный диод D3 развязывает конденсатор С1 от схемы на транзисторе Q12, как только С1 полностью заряжается после включения питания. После этого резистор R8 служит для поддержания конденсатора С1 в полностью заряженном состоянии и, кроме того, обеспечивает цепь разряда при выключении питания.
Блок выдержки времени используется для того, чтобы сделать регулятор мощности невосприимчивым к пульсациям сетевого напряжения.
В начале каждого полупериода сетевого напряжения конденсатор С7 выдержки времени заряжается от сети/нагрузки через токоограничивающие резисторы R6 и R7. Опорное напряжение, задаваемое стабилитроном DZ4, подается через резистор R39 в качестве порогового уровня заряда для завершения процесса выдержки времени. Для начала работы биполярного транзистора с изолированным затвором напряжение на положительном выводе конденсатора С7 должно быть выше этого опорного уровня приблизительно на величину, равную двум падениям напряжения на диоде, что определяется последовательно соединенными диодом D5 и транзистором Q4. При достижении заранее заданного порогового напряжения ток заряда конденсатора выдержки времени отклоняется в транзистор Q4 для приведения в действие каскада управления биполярным транзистором с изолированным затвором.
Регулировка угла включения обеспечивается соединением регулируемого источника управляющего напряжения с отрицательным выводом конденсатора выдержки времени. Это управляющее напряжение формируется из опорного напряжения стабилитрона DZ4 с использованием главного управляющего потенциометра VR1 регулятора мощности. RC фильтр, состоящий из R28 и С13, обеспечивает плавный старт при включении питания благодаря нулевому начальному напряжению на конденсаторе. Буферизация отфильтрованного управляющего напряжения осуществляется каскадно включенными транзисторами Q3 и Q15, образующими источник напряжения с низким импедансом. Резистор R36 шунтирует переход база-эмиттер транзистора Q15 для уменьшения эффектов утечки.
При максимальном управляющем напряжении (максимальном угле проводимости регулятора мощности) необходимое напряжение заряда конденсатора выдержки времени является наименьшим. Минимальное необходимое напряжение заряда конденсатора выдержки времени равно падению напряжения на одном диоде, что определяется диодом D5, плюс небольшое напряжение на резисторе R11. Этот уровень не зависит от абсолютного значения опорного напряжения стабилитрона DZ4. Следовательно, максимальный угол проводимости ограничен и в значительной степени не зависит от параметров компонентов, всегда обеспечивая достаточный ток для подачи в шину постоянного тока. Резистор R11 установлен для дополнительного ограничения максимального угла проводимости регулятора.
Последовательно с переменным резистором VR1 (со стороны подачи опорного напряжения) включен термистор РТС1 с положительным температурным коэффициентом, обеспечивающий автоматическое уменьшение угла проводимости в случае перегрева из-за перегрузки. Подстроечный резистор VR2 установлен последовательно с VR1 (со стороны общего провода) для регулировки минимального угла проводимости путем повышения минимального значения управляющего напряжения.
Схема управления затвором биполярного транзистора с изолированным затвором выполнена на транзисторах Q16, Q17 и Q5. Схема ведет себя как моностабильная схема с фиксацией состояния, которая подает управляемый ток питания на затвор биполярного транзистора с изолированным затвором, обеспечивая желаемое медленное переключение. Транзистор Q5, связанный с шиной постоянного тока, работает как ключ для подачи тока на затвор биполярного транзистора с изолированным затвором через резистор R38 выдержки времени при включении. Транзистор Q17, связанный с общим проводом, работает как ключ для быстрого удаления заряда с затвора биполярного транзистора с изолированным затвором при выключении.
Ток базы входного транзистора Q16 подается транзистором Q4 от схемы выдержки времени. Переход база-эмиттер зашунтирован резистором R27 и конденсатором С4, которые уменьшают утечку в выключенном состоянии и повышают устойчивость к быстрым переходным электрическим процессам. Когда транзистор Q16 закрыт, смещение на транзисторе Q17, подаваемое через резисторы R3, R13, R35 и R48, оказывается достаточным, чтобы коллектор поддерживал затвор биполярного транзистора с изолированным затвором в разряженном (закрытом) состоянии. В этом состоянии транзистор Q5 имеет недостаточное смещение для работы. Когда транзистор Q16 открыт, резистор R35 обеспечивает достаточное смещение для работы транзистора Q5, который обеспечивает временное регенеративное управление базой транзистора Q16 через последовательную RC-цепь R37 и С8. В результате имеет место моностабильное поведение (с длительностью выходного сигнала приблизительно 300 микросекунд). Во время этого активного состояния смещение с транзистора Q17 снимается.
Комбинация последовательного с затвором токоограничивающего резистора R38 и параллельного затвору конденсатора С14 обеспечивает плавное включение, необходимое для обеспечения параметров электромагнитной совместимости при включении биполярного транзистора с изолированным затвором. Величины компонентов выбирают с учетом конкретного используемого биполярного транзистора с изолированным затвором, в иллюстрируемом случае IRG4 ВС20S.
Схема управления симистором показана на фиг.1 в схемном блоке со стороны выводов переменного тока диодного моста. Главной функцией этой схемы является запуск симистора Q23, как только биполярный транзистор с изолированным затвором заканчивает операцию плавного включения для обеспечения электромагнитной совместимости в каждом полупериоде напряжения сети. Для подачи управляющего импульса на управляющий электрод симистора в квадрантах 1 и 3 используется по существу симметричная схема (полярность напряжения на управляющем электроде соответствует полярности напряжения сети).
Дополнительные функции, выполняемые схемой управления симистором, включают защиту от перегрузки по току и защиту регулятора от перегрузки по напряжению. Любое из этих состояний приводит к немедленному запуску симистора. При перегрузке по току (например, при пусковом броске тока ламп накаливания) симистор шунтирует ток в обход биполярного транзистора с изолированным затвором. При перегрузке по напряжению (например, при переходных процессах в сети) шунтирующее действие симистора обеспечивает передачу потенциала переходного процесса на нагрузку.
Схема управления симистором получает мощность из сети через нагрузку в каждый полупериод в течение времени, предшествующего началу работы биполярного транзистора с изолированным затвором, т.е. когда напряжение сети появляется на регуляторе. Среднее потребление тока происходит достаточно продолжительное время, так что можно использовать резистивную схему с относительно низким рассеянием мощности из резисторов R16, R17, R18 и R19. В течение каждого полупериода напряжения сети ток, определяемый этой цепочкой резисторов, используется для зарядки конденсатора С10 до некоторого напряжения, полярность которого определяется напряжением сети. Напряжение на конденсаторе С10 ограничено приблизительно 20 В для каждой полярности, что определяется шунтирующими стабилитронами DZ2 и DZ3. Последовательность работы схемы управления для полупериода каждой полярности следующая:
– когда имеется напряжение сети, накопительный конденсатор С10 заряжается,
– после того как напряжение на выводах регулятора упадет ниже приблизительно 20 В вследствие работы биполярного транзистора с изолированным затвором, запускается схема задержки (R24 и С3) на 100 микросекунд,
– по окончании времени задержки на управляющий электрод симистора Q23 через ограничивающий резистор R41 подается ток от конденсатора С10.
В течение положительного полупериода напряжения сети накопительный конденсатор С10 заряжается от сети приблизительно до 20 В через ограничивающие резисторы R16, R17, R18 и R19 и переход база-эмиттер транзистора Q18. Когда напряжение на выводах регулятора падает ниже порога в 20 В, транзистор Q6 подает зарядный ток для конденсатора С3 задержки через токоограничивающий резистор R24. Когда напряжение на конденсаторе С3 достигает приблизительно 0,6 В, срабатывает транзистор Q13, который в свою очередь обеспечивает ток базы для выходного транзистора Q1 через токоограничивающий резистор R10. Процесс включения ускоряется наличием некоторой регенеративной обратной связи от коллектора транзистора Q1 к базе транзистора Q13 через резистор R12. Коллектор транзистора Q1 управляет управляющим электродом симистора через управляющий диод D7А и резистор R41 ограничения тока управляющего электрода. Диод D7А предназначен для развязки цепи управляющего электрода симистора во время заряда накопительного конденсатора С10 в течение отрицательного полупериода напряжения сети. Это необходимо потому, что переход база-коллектор выходного транзистора Q1 в течение этого времени смещен в прямом направлении.
Дополнительной функцией конденсатора С3 является улучшение устойчивости транзистора Q13 к электромагнитным помехам, в то время как резистор R26 уменьшает ток утечки транзистора. Аналогично, резистор R9 уменьшает ток утечки выходного транзистора Q1, который соответственно влияет на период времени, задаваемый конденсатором С3.
Работа схемы во время отрицательного полупериода напряжения сети аналогична описанному выше, но при этом используется “зеркальный” набор компонентов.
При использовании для регулировки мощности изолированного управления с широтно-импульсной модуляцией требуется, чтобы как биполярный транзистор с изолированным затвором (Q22), так и симистор (Q23) вместе с соответствующими электрическими схемами управления были постоянно соединены с сетью. В отличие от этого, в двухпроводном модульном регуляторе с ручным управлением для управления включением/выключением нагрузки всегда используется выключатель, разрывающий соединение с сетью.
В общем случае в регуляторе мощности симистор начинает открываться, когда в результате работы биполярного транзистора с изолированным затвором падение напряжения на выводах регулятора становится ниже порогового уровня.
Для регулятора, который имеет изолированный интерфейс управления и постоянно подключен к сети, требуется модификация способа работы. В этом случае необходимо запрещать запуск симистора, который в противном случае будет запускаться вблизи конца каждого полупериода напряжения сети. Хотя нагрузка при этом фактически отключена, благодаря очень малому преобладающему углу проводимости симистора и, следовательно, низкому напряжению на нагрузке, результирующие уровни кондуктивных помех в линии вследствие такой работы симистора были бы довольно высокими.
Для предотвращения этого используется дополнительная электрическая схема, которая отличает скорость изменения напряжения сети вследствие работы биполярного транзистора с изолированным затвором в процессе регулировки выходного напряжения от изменения, обусловленного нормальной формой напряжения сети, когда биполярный транзистор с изолированным затвором не приведен в действие через изолированный интерфейс управления.
При регулировке мощности схема управления симистором обычно блокируется и включается только на короткий период после обнаружения относительно быстрого изменения напряжения на зажимах нагрузки, вызванного работой биполярного транзистора с изолированным затвором. При выключенном состоянии нагрузки схема управления симистором не реагирует на относительно медленный спад напряжения сети вблизи конца каждого полупериода.
Введение этой дополнительной схемы обеспечивает низкую восприимчивость к переходным процессам в сети и к сигналам управления в виде пульсаций напряжения сети.
На фиг.2 показана схема управления симистором, модифицированная по сравнению со схемой, изображенной на фиг.1, при этом общие элементы обозначены одинаковыми позициями.
Описание работы схемы, показанной на фиг.2, будет дано для полупериода напряжения сети одной полярности.
Блокирующий транзистор Q300 используется для блокировки работы схемы управления симистором путем шунтирования зарядного тока конденсатора С3 задержки включения симистора. Конденсатор С300 фильтра обычно заряжается от шины ±20 В через резистивные элементы R300 и R301 делителя, с такой полярностью, чтобы поддерживать смещение блокирующего транзистора.
Во время работы биполярного транзистора Q22 с изолированным затвором результирующая скорость dv/dt изменения напряжения на мосте обеспечивает через небольшой конденсатор С301 связи с сетью достаточный ток, чтобы быстро разрядить конденсатор фильтра и изменить смещение на переходе база-эмиттер блокирующего транзистора на обратное. Благодаря постоянной времени цепи, состоящей из конденсатора фильтра и резисторов смещения, блокирующий транзистор остается смещенным в обратном направлении достаточно долго, что обеспечивает нормальную зарядку конденсатора задержки включения симистора.
Невосприимчивость к пульсациям сетевого напряжения достигается посредством фильтра нижних частот, состоящего из конденсатора и резисторов смещения.
Когда биполярный транзистор с изолированным затвором не работает, относительно малая скорость dv/dt изменения напряжения, связанная с формой сигнала напряжения сети, недостаточна для снятия напряжения смещения с конденсатора фильтра. Таким образом, блокирующий транзистор продолжает шунтировать конденсатор задержки включения симистора, предотвращая его зарядку и возможность включения симистора.
Резистор R302, включенный последовательно с конденсатором связи с сетью, обеспечивает защиту от перегрузки по току при бросках тока или переходных процессах в сети.
Диод D300А, включенный в обратном направлении между коллектором и эмиттером ограничительного транзистора Q300, необходим, чтобы не допустить влияния этого транзистора на правильную работу связанного с ним транзистора Q301 в течение полупериода противоположной полярности. Во время полупериода противоположной полярности переход база-коллектор транзистора Q300 смещен в прямом направлении и способен дать достаточный ток смещения для работы связанного с ним транзистора Q301. Параллельный диод D300А ограничивает напряжение на коллекторе падением напряжения на диоде в прямом направлении, ограничивая тем самым напряжение на базе связанного с ним транзистора Q301 почти до нуля.
Рассмотренная выше схема управления симистором, управляемая напряжением, может быть заменена схемой управления симистором, управляемой током, как показано на фиг.3. Главной задачей этой схемы также является запуск симистора, как только биполярный транзистор с изолированным затвором заканчивает операцию плавного переключения с целью уменьшения помех в каждом полупериоде. Схема является по существу симметричной и используется для подачи импульса управления на управляющий электрод симистора в квадрантах 1 и 3 (полярность управления соответствует полярности сети).
При работе резистор R32 контроля тока используется для создания напряжения управления для всей схемы управления симистором. После того, как достигнут заданный порог тока нагрузки, удовлетворяющий требованиям управляющего электрода симистора по току, избыточный ток шунтируется последовательно соединенными диодами D3 и D4. Возникшее на резисторе напряжение контроля начинает заряжать цепь времени задержки, состоящую из резистора R33 и конденсатора С9. Транзистор Q14 компаратора запускается через резистор R35, как только выходное напряжение схемы выдержки времени достигает порогового уровня. Этот уровень определяется напряжением в точке соединения резисторов R34 и R37 делителя напряжения (питаемых исходным напряжением контроля), в дополнение к напряжению на переходе база-эмиттер транзистора Q14.
Работа транзистора Q14 заключается в одновременной подаче питания на базы транзисторов Q10 и Q11 через соответствующие резисторы R26 и R28, ограничивающие ток базы. Транзистор Q11, опорным напряжением для которого является напряжение контроля, управляет транзистором Q15 через резистор R36. Работа транзистора Q15 приводит к уменьшению порогового напряжения, используемого для сравнения, вследствие понижения потенциала эмиттера транзистора Q14. Этот процесс положительной обратной связи является регенеративным и ускоряет включение. Подача тока управления на управляющий электрод симистора осуществляется через выходной транзистор Q10 и резистор R41 ограничения тока. Резисторы R27 и R38 необходимы для предотвращения возможных нежелательных эффектов, возникающих из-за утечек в транзисторах Q10, Q11 и Q15.
Работа схемы в течение отрицательного полупериода сети аналогична описанному выше, но при этом используется “зеркальный” набор компонентов.
Во время перегрузки биполярного транзистора с изолированным затвором по току на резисторе R40 контроля напряжения появляется напряжение, достаточное для смещения транзистора Q18. Это, в свою очередь, обеспечивает ток базы для верхнего транзистора Q10, что приводит к немедленному включению симистора и отводу тока от биполярного транзистора с изолированным затвором. В этих условиях резистор R39 ограничивает ток базы транзистора Q18 до безопасного уровня. Этим обеспечивается встроенный механизм защиты схемы.
При токах перенапряжения в регуляторе управляющий электрод симистора питается непосредственно от последовательно соединенных стабилитронов ВZ1 и ВZ2 типа “Tranzorb”. Конденсатор С10 включен параллельно выводам управляющий электрод – анод 1 симистора, что повышает устойчивость симистора к dv/dt переключениям, возникающим вследствие переходных процессов в сети.
Индуктивность L1 ограничивает скорость передачи тока нагрузки от схемы биполярного транзистора с изолированным затвором к симистору для ограничения уровня кондуктивных электромагнитных помех. Величина индуктивности, необходимая для осуществления этой функции, связана с разностью между напряжением на симисторе в открытом состоянии и напряжением на схеме биполярного транзистора с изолированным затвором непосредственно перед началом работы симистора. Наличие резистора R32 контроля тока на пути тока биполярного транзистора с изолированным затвором приводит к дополнительному падению напряжения, что влияет на величину требуемой индуктивности. Дополнительные средства понижения уровня электромагнитных помех включают шунтирующий конденсатор С11, который совместно с индуктивностью L1 формирует фильтр нижних частот второго порядка.
Особым преимуществом этой схемы является то, что схемой управления симистором (независимо от того, является ли она управляемой током или напряжением) управляет непосредственно схема биполярного транзистора с изолированным затвором, а не некий третий централизованный блок управления, как в известных системах.
В случае использования схемы управления, управляемой напряжением, она по существу контролирует напряжение на диодном мосте, которым управляет биполярный транзистор с изолированным затвором, чтобы определить, когда должно произойти включение симистора. Заряд, необходимый для питания управляющего электрода симистора, поступает из сети и накапливается в течение полупериода до открывания биполярного транзистора с изолированным затвором. Симистор открывается по существу тогда, когда напряжение на диодном мосте падает ниже установленного минимального порога. Этот минимальный установленный порог определяется стабилитронами DZ2 и DZ3 и в настоящем примере равен 20 В (для положительного и отрицательного полупериодов). Напряжение на диодном мосте обнаруживается транзистором Q6 и цепочкой из резисторов R17, R16, R18 и R19, как должно быть понятно специалистам в данной области техники. Минимальный порог напряжения определяется используемыми компонентами (в данном случае, стабилитронами DZ2 и DZ3) и обычно устанавливается так, что превышает с соответствующим запасом напряжение на схеме биполярного транзистора с изолированным затвором в открытом (проводящем) состоянии.
В случае использования схемы, управляемой током, она по существу контролирует ток в диодном мосте, которым управляет биполярный транзистор с изолированным затвором, чтобы определить, когда должно произойти включение симистора. Ток, необходимый для питания управляющего электрода симистора, формируется из тока нагрузки, возникающего вследствие пропускания тока биполярным транзистором с изолированным затвором в течение полупериода. В этом случае симистор срабатывает по существу тогда, когда ток диодного моста превышает порог, который устанавливается резистором R32.
Таким образом, схема устройства является намного более простой, чем известные схемы, в которых требуется отдельный централизованный блок управления, контролирующий электрические параметры схемы биполярного транзистора с изолированным затвором и на основе этих параметров определяющий момент, когда должен включиться симистор, а также подающий управляющие сигналы в схему управления симистором. Альтернативно, централизованный блок управления иногда подает управляющие сигналы в схему управления биполярным транзистором с изолированным затвором и в схему управления симистором независимо друг от друга, на основе заданных временных параметров.
Упрощенная блок-схема предложенного устройства приведена на фиг.4, где элемент 10 представляет первую управляющую схему (для управления биполярным транзистором с изолированным затвором), элемент 20 представляет собой первый ключ (биполярный транзистор с изолированным затвором), элемент 30 представляет собой выпрямитель (например, диодный мост), а элемент 40 представляет собой вторую управляющую схему (для управления симистором), которая получает управляющие сигналы от первой схемы 10 управления через выпрямитель 30. Элемент 50 представляет собой второй ключ (симистор), которым управляет вторая схема управления, а элемент 60 представляет собой нагрузку.
На практике схема управления симистором, управляемая напряжением, более предпочтительна, чем схема управления симистором, управляемая током. Однако каждой из этих схем присущи свои достоинства и недостатки. Схема управления симистором, управляемая напряжением, позволяет уменьшить размер компонентов фильтра электромагнитных помех, что повышает общую эффективность производства изделия. Однако в схеме, управляемой напряжением, для получения питания из сети требуются элементы, на которых падает напряжение, поэтому появляется проблема рассеяния мощности (только при малых значениях углов проводимости, когда полное рассеяние мало). Кроме того, для достижения отключенного состояния необходимы дополнительные компоненты для блокировки управления симистором, когда управление на биполярный транзистор с изолированным затвором не подается (требуется лишь в таких схемах, в которых отсутствует последовательный ручной выключатель питания).
Напротив, для схемы, управляемой током, не требуется соединение источника мощности с сетью, и поэтому никаких проблем с локальным рассеянием энергии не возникает. Кроме того, симистор полностью отключается, когда для достижения этого состояния на биполярный транзистор с изолированным затвором не подается управляющий сигнал (это является преимуществом только для устройств без последовательного ручного выключателя). Однако схема, управляемая током, обладает недостатком, связанным с тем, что наличие элементов контроля тока требует использования компонентов фильтра электромагнитных помех большей величины, и поэтому имеет меньшую общую эффективность.
Еще один блок схемы обеспечивает защиту схемы от перегрузок по току, которые могут возникнуть в результате работы биполярного транзистора с изолированным затвором. В таких условиях на резисторе R42 контроля тока возникает напряжение, достаточное для смещения транзистора Q14. Это, в свою очередь, обеспечивает питание базы выходного транзистора Q1, который непосредственно управляет симистором, в результате чего ток отводится от схемы биполярного транзистора с изолированным затвором со стороны выводов постоянного тока диодного моста. В этих условиях резистор R40 ограничивает ток базы транзистора Q14 до безопасного уровня.
При возникновении перегрузки по напряжению в регуляторе мощности управляющий электрод симистора получает питание непосредственно через последовательно соединенные стабилитроны D1 и D2 типа “Tranzorb” и резистор R20 ограничения тока. Конденсатор С11 установлен параллельно выводам управляющего электрода и анода 1 симистора, что повышает устойчивость симистора к dv/dt переключениям из-за переходных процессов в сети.
В такой схеме регулятора мощности нет необходимости во введении индуктивности для достижения заданных уровней радиочастотных излучений. Однако относительно малая катушка индуктивности может понадобиться для обеспечения некоторой степени di/dt защиты симистора во время перегрузки биполярного транзистора с изолированным затвором по току. При нормальной работе напряжение, возникающее на симисторе непосредственно перед его включением, имеет величину порядка нескольких В, в зависимости от фактической величины тока нагрузки. Это напряжение зависит от напряжения насыщения биполярного транзистора с изолированным затвором и падения напряжения на диодах моста в прямом направлении. При таком низком уровне рабочего напряжения включение симистора является более плавным, чем в стандартных высокоВных схемах с использованием симисторов. В результате предложенная схема характеризуется плавной передачей тока от биполярного транзистора с изолированным затвором к симистору с низким уровнем радиочастотных излучений. Однако добавление индуктивности L1 немного увеличивает компоненты излучения, связанные с передачей тока от биполярного транзистора с изолированным затвором к симистору. Это соответствует появлению небольшого скачка тока в момент, когда ток биполярного транзистора с изолированным затвором падает до нуля.
Кроме того, в конце каждого полупериода напряжения сети, когда симистор естественным образом разрывает цепь, имеет место всплеск излучений из-за разрыва волны тока. Ослабление этих излучений обеспечивается конденсатором С15, включенным параллельно регулятору. Важной дополнительной функцией этого конденсатора является повышение невосприимчивости всего регулятора мощности к быстрым переходным электрическим процессам.
Еще один схемный блок представляет собой детектор дисбаланса индуктивной нагрузки. Задачей этого схемного блока является выключение регулятора в случае слишком несимметричной работы, которая может быть результатом подсоединения к регулятору ненагруженного низкоВного трансформатора с железным сердечником, предназначенного для питания осветительных устройств. Регулировка мощности приостанавливается, если среднее напряжение на выводах регулятора в положительном и отрицательном полупериодах неодинаковы.
Альтернативно, регулятор заставляют уменьшать его угол проводимости до тех пор, пока постоянная составляющая не уменьшится ниже порога, соответствующего появлению этой составляющей. Хотя такое техническое решение возможно, оно не является предпочтительным, поскольку обычно приводит к колебаниям между симметричным и несимметричным состояниями.
Как показано на фиг.1, для контроля напряжений сети на активном и нагрузочном выводах используются две делительные цепочки из резисторов R43, R44, R29 и R45, R46 и R30, соответственно. По отношению к общему (отрицательному) выводу моста эти напряжения представляют противоположные полярности напряжения сети на регуляторе. Точки деления делителей каждой цепочки соединены с противоположными обкладками конденсатора С12 для создания на нем разностного напряжения, пропорционального разности напряжений полупериодов. Два транзистора, Q9 и Q10, используются для формирования сигнала относительно общего провода, если разностное напряжение превышает порог, составляющий приблизительно 0,6 В. Входом схемы фиксации состояния, состоящей из транзисторов Q11 и Q20 и резисторов R32 и R34, управляет выход детектора дисбаланса. Транзистор Q21, включенный как диод с малой утечкой, передает фиксированный выходной сигнал с коллектора транзистора Q11 на вывод “sync” (“синхронизация”), то есть для управления транзистором Q12, шунтирующим схему выдержки времени.
Транзистор Q21 действует как блокировочный диод, предотвращая любое воздействие схемы фиксации на детектор прохождения через нуль. Резисторы R31 и R33, включенные параллельно переходам база-эмиттер транзисторов, необходимы для уменьшения токов утечки соответствующих транзисторов. Аналогично, конденсаторы С5 и С16 установлены для повышения устойчивости схемы фиксации к быстрым электрическим переходным процессам. Кроме того, конденсатор С5 обеспечивает подавление всех высокочастотных компонент сигнала на выходе детектора дисбаланса.
Для работы с индуктивной нагрузкой регулятор мощности содержит симистор с умеренной чувствительностью, что помогает достижению приемлемых параметров работы, особенно в отношении симметричности работы при наихудшем типе нагрузки, то есть в случае высокоиндуктивной нагрузки с низким значением полной мощности (В-ампер), например в случае двигателей для вытяжной вентиляции.
При нормальной работе регулятора вслед за начальной работой биполярного транзистора с изолированным затвором после установленной задержки следует включение симистора. В течение периода задержки до срабатывания симистора ток индуктивной нагрузки имеет возможность расти. Поэтому такая задержка повышает также способность симистора успешно работать с такими сложными нагрузками.
Однако при очень низких значениях угла проводимости ток нагрузки может быть недостаточным для надежного запирания симистора. В этом случае регулятором с нелинейной индуктивной нагрузкой будет поддерживаться постоянная составляющая тока нагрузки низкого уровня. В этих условиях вследствие относительно низкой среднеквадратичной величины тока нет никакой опасности повреждения нагрузки. Если уровень постоянной составляющей тока нагрузки становится слишком большим, детектор дисбаланса автоматически выключает регулятор мощности.
В общем случае низкоВные электронные преобразователи с емкостным входом непригодны для регуляторов с управлением фазой переднего фронта сигнала вследствие дополнительного рассеяния мощности регулятором. Большие импульсы тока заряда конденсатора увеличивают уровень электромагнитных излучений и могут создавать периодически повторяющиеся всплески высокочастотных колебаний в напряжении сети.
В схеме регулятора, показанной на фиг.1, осуществляется обнаружение перегрузки по току, которое может осуществляться, когда биполярный транзистор с изолированным затвором находится в проводящем состоянии. Подключение регулятора мощности к вышеупомянутым емкостным нагрузкам приводит к постоянной работе в режиме перегрузки по току с созданием даже еще большего уровня электромагнитных помех. Кроме того, переходный процесс в виде затухающих колебаний с высокой частотой и амплитудой, который обычно протекает в течение первых нескольких сотен микросекунд, может вызвать коммутацию симистора. Если такое состояние преобладает, устройство защиты от дисбаланса может вызвать выключение регулятора. Для электронных преобразователей с максимальной подключенной нагрузкой возникновение такого состояния гораздо менее вероятно.
Альтернативное выполнение схемы детектора дисбаланса индуктивной нагрузки, изображенной на фиг.1 и описанной выше, будет рассмотрено со ссылкой на фиг.5, где показана схема управления биполярным транзистором с изолированным затвором, альтернативная изображенной на фиг.1.
Общие принципы обнаружения дисбаланса следующие. Конденсатор, используемый для представления времени проводимости, периодически заряжается от нуля до уровня, определяемого преобладающим полупериодом проводимости. Напряжение, создаваемое на этом конденсаторе “обнаружения времени проводимости”, используется для установки на втором конденсаторе пикового напряжения, соответствующего пиковому времени проводимости. Этот конденсатор “пикового времени проводимости” одновременно разряжается током постоянной величины. В результате форма напряжения на конденсаторе “пикового времени проводимости” включает две компоненты. (1) Имеется компонента постоянного напряжения с величиной, пропорциональной половине периода проводимости. (2) Имеется компонента переменного напряжения пилообразной формы с величиной, определяемой фиксированными параметрами, то есть емкостью конденсатора, величиной постоянного тока разряда и частотой повторения (удвоенной частотой сети).
Если существует достаточная разность полупериодов проводимости противоположной полярности, то переменное напряжение на конденсаторе “пикового времени проводимости” имеет амплитуду, вдвое превышающую нормальную, при половинной частоте повторения (частоте сети). Простой амплитудный пороговый детектор, не чувствительный к постоянной составляющей тока, используется для приведения в действие схемы фиксации состояния с целью блокировки работы регулятора, если обнаружено, что такое состояние является стационарным.
Ниже дано более детальное описание со ссылкой на фактически используемые компоненты. В течение времени протекания тока через нагрузку в рабочем цикле регулятора коллектор транзистора Q2 может подавать ток через токоограничивающий резистор R203 в конденсатор С201 “обнаружения времени проводимости”. Когда в конце каждого полупериода регулятор переходит в непроводящее состояние, диод D200 блокирует любой ток, связанный с зарядом основного конденсатора С7 выдержки времени.
Транзистор Q200 используется для сброса напряжения конденсатора С201 до нуля в начале каждого полупериода проводимости. Соответствующие импульсы питания базы транзистора Q200 обеспечиваются конденсатором С200 и последовательно включенным резистором R201. Диод D201 совместно с резистором R200 обеспечивает необходимый путь разряда для конденсатора С200 при подготовке к следующему полупериоду напряжения сети. Резистор R202 шунтирует переход база-эмиттер транзистора Q200, чтобы уменьшить утечку в закрытом состоянии во время заряда конденсатора С201.
Транзистор Q201 включен как эмиттерный повторитель, так что напряжение на конденсаторе С202 должно следовать за пиковым напряжением на конденсаторе С201 в течение короткого периода, когда переход база-эмиттер транзистора Q201 смещен в прямом направлении. Транзистор Q202 вместе с резисторами смещения R204, R205 и R206 образует нагрузку по току для С202.
Переменная составляющая пилообразного напряжения с конденсатора С202 подается на базу транзистора Q203 “обнаружения порога” через диоды D202/D203 и конденсатор С203. Последовательно включенный диод D203 обеспечивает падение напряжения, достаточное для того, чтобы транзистор Q203 не запускался в условиях симметричной работы регулятора, когда амплитуда входного сигнала мала. Резистор R207 уменьшает ток утечки транзистора Q203 в закрытом состоянии, а также обеспечивает путь обратного разряда для конденсатора С203. Диод D202 также формирует часть пути обратного разряда для С203.
При несимметричной работе регулятора мощности транзистор Q203 работает в импульсном режиме с малым коэффициентом заполнения. RC-цепь, включающая резистор R208 и конденсатор С204, используется для усреднения результирующей последовательности импульсов. Транзистор Q204 формирует часть схемы фиксации состояния, которая переключается, когда напряжение на конденсаторе С204 достигает критического уровня, который определяется резисторами делителя напряжения R209 и R210 вместе с пороговым потенциалом перехода база-эмиттер транзистора Q204. Транзистор Q205 вместе с резисторами R211 и R212 формирует остальную часть схемы фиксации.
При включении питания от сети или при начальном запуске регулятора с широтно-импульсной модуляцией необходимо обеспечить, чтобы схема фиксации состояния находилась в разблокированном состоянии в течение нескольких полных периодов напряжения сети. Эта функция выполняется RC-цепью R213 и С205, которая первоначально поддерживает напряжение на базе транзистора Q205 на уровне, который ниже опорного напряжения на эмиттере.
Специалистам в данной области техники должно быть понятно, что настоящее изобретение было описано со ссылкой на предпочтительный вариант его выполнения и допускает множество изменений и модификаций.
Формула изобретения
1. Схема защиты регулятора мощности с индуктивной нагрузкой, содержащая
детектор дисбаланса для обнаружения несимметричной работы нагрузки; и
средство управления регулятором, заставляющее его уменьшать постоянную составляющую в нагрузке при обнаружении несимметричной работы.
2. Детектор дисбаланса нагрузки, содержащий
детектор для обнаружения постоянной составляющей в нагрузке;
компаратор для сравнения величины постоянной составляющей, обнаруженной указанным детектором, с опорным напряжением; и
средство формирования сигнала выключения регулятора, если указанная постоянная составляющая превышает указанное опорное напряжение на заданное пороговое значение постоянного напряжения.
3. Детектор дисбаланса по п.2, в котором детектор постоянной составляющей обнаруживает подкомпоненту постоянной составляющей в течение положительного периода и обнаруживает подкомпоненту постоянной составляющей в течение отрицательного периода, и указанная величина постоянной составляющей представляет собой разность между соответствующими подкомпонентами постоянной составляющей.
4. Детектор дисбаланса по п.3, в котором детектор постоянной составляющей содержит первый резистивный делитель для обнаружения указанной подкомпоненты в течение положительного периода и второй резистивный делитель для обнаружения указанной подкомпоненты в течение отрицательного периода, причем точка деления первого делителя связана с первой обкладкой конденсатора, точка деления второго делителя связана со второй обкладкой этого конденсатора, и напряжение на конденсаторе определяет указанную величину постоянной составляющей.
5. Детектор дисбаланса по п.4, в котором компаратор содержит первый p-n-p транзистор, база которого соединена с указанной первой обкладкой конденсатора, а эмиттер соединен с указанной второй обкладкой конденсатора, и второй p-n-p транзистор, база которого соединена с указанной второй обкладкой конденсатора, а эмиттер соединен с указанной первой обкладкой конденсатора, при этом коллектор каждого транзистора соединен с входом указанного средства формирования сигнала выключения.
6. Детектор дисбаланса для использования в схеме защиты по п.1, который обнаруживает разность между продолжительностями проводимости для соответствующих положительного и отрицательного полупериодов.
7. Детектор дисбаланса по п.6, который регистрирует дисбаланс нагрузки, если указанная разность для соответствующих положительного и отрицательного полупериодов превышает заданный порог.
8. Схема защиты по п.1, в которой указанное средство управления заставляет регулятор мощности выключаться.
9. Схема защиты по п.1, в которой указанное средство управления заставляет регулятор мощности уменьшать угол проводимости до значения, при котором указанная постоянная составляющая уменьшается ниже заданного порогового значения.
РИСУНКИ
|