|
(21), (22) Заявка: 2006111143/09, 05.04.2006
(24) Дата начала отсчета срока действия патента:
05.04.2006
(46) Опубликовано: 10.11.2007
(56) Список документов, цитированных в отчете о поиске:
US 5786729 А, 28.07.1998. SU 1166271 А, 07.07.1985. US 5153529 А, 06.10.1992. US 4766394, 23.08.1988. US 4636743, 13.01.1987.
Адрес для переписки:
346500, Ростовская обл., г. Шахты, ул. Шевченко, 147, ЮРГУЭС, патентная служба
|
(72) Автор(ы):
Прокопенко Николай Николаевич (RU), Будяков Алексей Сергеевич (RU), Савченко Евгений Матвеевич (RU)
(73) Патентообладатель(и):
ГОУ ВПО “Южно-Российский государственный университет экономики и сервиса” (ЮРГУЭС) (RU)
|
(54) КАСКОДНЫЙ ДИФФЕРЕНЦИАЛЬНЫЙ УСИЛИТЕЛЬ С НИЗКОВОЛЬТНЫМ ПИТАНИЕМ
(57) Реферат:
Изобретение относится к радиотехнике и связи. Технический результат заключается в расширении полосы пропускания. Каскодный дифференциальный усилитель (КДУ) содержит входной дифференциальный каскад (ДК) (1), имеющий первый (2) основной инвертирующий и второй (3) основной неинвертирующий выходы, выходные (4) и (5) транзисторы (Т) с объединенными базами, которые подключены к источнику напряжения смещения (6), первый (7) и второй (8) токостабилизирующие двухполюсники, связанные с эмиттерами выходных (4) и (5) Т, причем первый (3) основной инвертирующий выход ДК (1) подключен к эмиттеру второго (5) выходного Т, коллектор которого соединен с выходом (9) КДУ. При этом ДК (1) включен по схеме с первым основным (2) и первым вспомогательным (10) инвертирующими выходами, причем первый вспомогательный инвертирующий выход (10) подключен к эмиттеру первого (4) выходного Т, коллектор первого выходного Т (4) соединен с эмиттером первого вспомогательного Т (11), включенного по схеме с общей базой и третьим дополнительным токостабилизирующим двухполюсником (12), а коллектор первого вспомогательного Т (11) соединен с выходом (9) КДУ. 1 з.п. ф-лы, 7 ил.
Изобретение относится к области радиотехники и связи и может быть использовано в качестве устройства усиления широкополосных аналоговых сигналов, в структуре аналоговых микросхем различного функционального назначения (например, быстродействующих операционных усилителях (ОУ)).
Известны схемы так называемых «перегнутых» каскадных дифференциальных усилителей (ДУ) на n-р-n и р-n-р транзисторах [1-37], которые стали основой более чем 20 серийных операционных усилителей, выпускаемых как зарубежными (НА2520, НА5190, AD797, AD8631, AD8632, ОР90 и др.) так и российскими (154УД3 и др.) микроэлектронными фирмами. В связи с высокой популярностью такой архитектуры ДУ на их модификации выдано более 200 патентов. Предлагаемое изобретение относится к данному подклассу устройств.
Ближайшим прототипом (фиг.1) заявляемого устройства является дифференциальный усилитель, описанный в патенте США №5.786.729 (рис.2а), содержащий входной дифференциальный каскад 1, имеющий первый 2 основной инвертирующий и второй 3 основной неинвертирующий выходы, выходные 4 и 5 транзисторы с объединенными базами, которые подключены к источнику напряжения смещения 6, первый 7 и второй 8 токостабилизирующие двухполюсники, связанные с эмиттерами выходных 4 и 5 транзисторов, причем первый 3 основной инвертирующий выход входного дифференциального каскада подключен к эмиттеру второго 5 выходного транзистора, коллектор которого соединен с выходом 9 каскодного дифференциального усилителя.
Существенный недостаток известного ДУ фиг.1 состоит в том, что он имеет недостаточно широкую полосу пропускания для малых входных сигналов, что отрицательно сказывается на динамических параметрах различных аналоговых устройств на его основе.
Это обусловлено тем, что ДУ фиг.1 имеет два канала передачи сигналов, причем один из них, содержащий токовое зеркало ПТ1, характеризуется высокой инерционностью, что отрицательно влияет на амплитудно-частотную характеристику ДУ в целом. В этой связи токовое зеркало часто выключают на высоких частотах конденсатором Ск (фиг.2) [1]. Однако наличие двух параллельных каналов с разной инерционностью, как показано в [37], ухудшает динамические параметры ДУ.
Основная цель предлагаемого изобретения состоит в расширении полосы пропускания дифференциального усилителя.
Поставленная цель достигается тем, что в дифференциальный усилитель фиг.1, содержащий первый 2 основной инвертирующий и второй 3 основной неинвертирующий выходы, выходные 4 и 5 транзисторы с объединенными базами, которые подключены к источнику напряжения смещения 6, первый 7 и второй 8 токостабилизирующие двухполюсники, связанные с эмиттерами выходных 4 и 5 транзисторов, причем первый 3 основной инвертирующий выход входного дифференциального каскада подключен к эмиттеру второго 5 выходного транзистора, коллектор которого соединен с выходом 9 каскодного дифференциального усилителя, вводятся новые элементы и связи – входной дифференциальный каскад 1 включен по схеме с двумя инвертирующими выходами 2 и 10 (первым основным 2 и первым вспомогательным 10), причем первый вспомогательный инвертирующий выход 10 подключен к эмиттеру первого 4 выходного транзистора, коллектор первого выходного транзистора 4 соединен с эмиттером первого вспомогательного транзистора 11, включенного по схеме с общей базой и третьим дополнительным токостабилизирующим двухполюсником 12, а коллектор первого вспомогательного транзистора 11 соединен с выходом 9 каскодного усилителя.
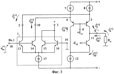
Схема усилителя-прототипа представлена на фиг.1, а его частный вариант построения – на фиг.2. На фиг.3 показано заявляемое устройство в соответствии с п.1 и п.2 формулы изобретения.
На фиг.4-5 показаны схемы известного устройства (фиг.1, 2) в среде компьютерного моделирования PSpice с разными вариантами построения токового зеркала, а на фиг.6 – заявляемого ДУ. На фиг.7 приведены амплитудно-частотные характеристики крутизны ДУ (S=IH/UВХ) при различных значениях инерционности у повторителя тока ПТ1 (фиг.4, 5).
Дифференциальный усилитель фиг.3 содержит входной дифференциальный каскад 1, имеющий первый 2 основной инвертирующий и второй 3 основной неинвертирующий выходы, выходные 4 и 5 транзисторы с объединенными базами, которые подключены к источнику напряжения смещения 6, первый 7 и второй 8 токостабилизирующие двухполюсники, связанные с эмиттерами выходных 4 и 5 транзисторов, причем первый 3 основной инвертирующий выход входного дифференциального каскада подключен к эмиттеру второго 5 выходного транзистора, коллектор которого соединен с выходом 9 каскодного дифференциального усилителя. Входной дифференциальный каскад 1 включен по схеме с первым основным 2 и первым вспомогательным 10 инвертирующими выходами, причем первый вспомогательный инвертирующий выход 10 подключен к эмиттеру первого 4 выходного транзистора, коллектор первого выходного транзистора 4 соединена с эмиттером первого вспомогательного транзистора 11, включенного по схеме с общей базой и третьим дополнительным токостабилизирующим двухполюсником 12, а коллектор первого вспомогательного транзистора 11 соединен с выходом 9 каскодного усилителя.
В частном случае (фиг.3) входной дифференциальный каскад 1 реализован на четырех однотипных вспомогательных транзисторах 13-16 и источнике опорного тока 17.
Рассмотрим работу заявляемого ДУ фиг.3.
В статическом режиме коллекторные токи транзисторов 4 и 5 равны и соответствуют половине тока источника 12.
Если напряжение на входе 18 (Вх.1) получает положительное приращение , то это вызывает перераспределение тока I17 между транзисторами 13-14 и 15-16. Как следствие, токи выходов 2 и 10 увеличиваются

где У21 – крутизна преобразования в токи выходов 2 и 10.
В частном случае (фиг.3) на низких частотах

где rЭ – сопротивление эмиттерного перехода идентичных транзисторов 13-16.
Приращение выходного тока поступает в эмиттер транзистора 5, а затем – в цепь нагрузки Rн с коэффициентом передачи 5, где 5 1 – коэффициент усиления транзистора 5 по току эмиттера.
С другой стороны, выходной ток также передается с коэффициентом 4 1, а затем 11 на выход каскада 9. Таким образом, ток в нагрузке Rн является суммой двух токов

Причем

Следует заметить, что заявляемый ДУ является двухтактным каскадом – ток в нагрузке Rн обеспечивается за счет уменьшения тока коллектора транзистора 5 и увеличения тока коллектора транзистора 11. При другой полярности приращение создается увеличением тока коллектора транзистора 5 и уменьшением тока коллектора транзистора 11.
В качестве двухполюсников 7, 8, 12 могут использоваться низкоомные резисторы.
Заявляемый ДУ достаточно эффективен в структуре широкополосных операционных усилителей с низковольтным питанием, так как предельный диапазон изменения его выходного напряжения отличается от Еп на ±0,8 В.
Выполненный выше анализ работы ДУ позволяет объяснить эффект расширения полосы пропускания заявляемого устройства следующим образом. В схеме фиг.3 исключены инерционные каналы передачи сигнала от токовых выходов 2 и 10 в нагрузку при сохранении основных положительных качеств ДУ-прототипа.
Действительно, из формулы (4) следует, что на высоких частотах комплекс тока в нагрузке

где – комплекс крутизны входного ДУ;
– эквивалентный комплексный коэффициент передачи по току выходного каскада;


– комплексный коэффициент передачи по току эмиттера n-го транзистора;
– верхняя граничная частота коэффициента усиления по току эмиттера n-го транзистора.
Таким образом, в заявляемом устройстве коэффициент в диапазоне частот, близком к  =2 f применяемых транзисторов. Для современных интегральных транзисторов f =2-20 ГГц. Поэтому в ДУ фиг.3 минимизируется влияние выходной подсхемы на частотные характеристики, а основные эффекты уменьшения коэффициента усиления определяются входным каскадом.
Это позволяет создавать на основе ДУ фиг.3 операционные усилители с предельно возможными значениями полосы пропускания и других динамических параметров [37].
Результаты компьютерного моделирования ДУ фиг.4-6, представленные на фиг.7, подтверждают, что заявляемое устройство имеет более высокие значения верхней граничной частоты.
Предлагаемый ДУ может использоваться в структуре быстродействующих операционных усилителей с предельными значениями полосы пропускания.
Источники информации
1. Матавкин В.В. Быстродействующие операционные усилители. – М., Радио и связь, 1989. – с.74, рис.4.15, стр.98, рис.6.7.
2. Патент США №6.218.900, фиг.1.
3. Патентная заявка US 2002/0196079.
4. Патент США №6.788.143.
5. Патент США №3.644.838, фиг.2.
6. Патент США №5.529.076.
7. Патент ЕР 1.227.580.
8. Патент США №6.714.076.
9. Патент США №5.786.729.
10. Патент США №5.327.100.
11. Патентная заявка US 2004/0090268 A1.
12. Патент США №4.274.061.
13. Патент США №5.422.600, фиг.2.
14. Патент США №6.788.143, фиг.2.
15. Патент США №4.959.622, фиг.1.
16. Патент США №4.406.990, фиг.4.
17. Патент США №5.418.491.
18. Патент США №6.018.268.
19. Патент США №5.952.882.
20. Патент США №4.723.111.
21. Патент США №4.293.824.
22. Патент США №6.580.325.
23. Патент США №6.965.266.
24. Патент США №6.867.643.
25. Патент США №6.236.270.
26. Патент США №5.323.121.
27. Патент США №6.229.394.
28. Патент США №5.734.296.
29. Патент США №5.477.190.
30. Патент США №5.091.701.
31. Патент США №6.717.474.
32. Патент США №6.084.475.
33. Патент США №3.733.559.
34. Патентная заявка US 2005/0001682 А1.
35. Патент США №6.300.831.
36. Патент Re 30.587.
Формула изобретения
1. Каскодный дифференциальный усилитель с низковольтным питанием, содержащий входной дифференциальный каскад (1), имеющий первый (2) основной инвертирующий и второй (3) основной неинвертирующий выходы, выходные (4) и (5) транзисторы с объединенными базами, которые подключены к источнику напряжения смещения (6), первый (7) и второй (8) токостабилизирующие двухполюсники, связанные с эмиттерами выходных (4) и (5) транзисторов, причем первый (3) основной инвертирующий выход входного дифференциального каскада подключен к эмиттеру второго (5) выходного транзистора, коллектор которого соединен с выходом (9) каскодного дифференциального усилителя, отличающийся тем, что входной дифференциальный каскад (1) включен по схеме с первым основным (2) и первым вспомогательным (10) инвертирующими выходами, причем первый вспомогательный инвертирующий выход (10) подключен к эмиттеру первого (4) выходного транзистора, коллектор первого выходного транзистора (4) соединен с эмиттером первого вспомогательного транзистора (11), включенного по схеме с общей базой и третьим дополнительным токостабилизирующим двухполюсником (12), а коллектор первого вспомогательного транзистора (11) соединен с выходом (9) каскодного дифференциального усилителя.
2. Устройство по п.1, отличающееся тем, что входной дифференциальный каскад содержит четыре однотипных вспомогательных транзистора (13), (14, (15) и (16), эмиттеры которых объединены и соединены с источником опорного тока (17), причем базы первого (13) и второго (14), а также базы третьего (15) и четвертого (16) однотипных вспомогательных транзисторов попарно объединены и соединены с соответствующими входами (18) и (19) каскодного дифференциального усилителя, а коллекторы первого (13) и второго (14) однотипных вспомогательных транзисторов соединены с первым (2) основным и вторым (10) вспомогательным инвертирующими выходами входного дифференциального каскада.
РИСУНКИ
|