|
(21), (22) Заявка: 2006111965/09, 10.04.2006
(24) Дата начала отсчета срока действия патента:
10.04.2006
(46) Опубликовано: 10.11.2007
(56) Список документов, цитированных в отчете о поиске:
US 2001/0038312 A1, 08.11.2001. SU 1118262 A1, 23.11.1990. SU 1160530 A, 07.06.1985. US 5512859 А, 30.04.1996. US 5510754 А, 23.04.1996.
Адрес для переписки:
346500, Ростовская обл., г. Шахты, ул. Шевченко, 147, ЮРГУЭС, патентная служба
|
(72) Автор(ы):
Прокопенко Николай Николаевич (RU), Будяков Алексей Сергеевич (RU), Савченко Евгений Матвеевич (RU)
(73) Патентообладатель(и):
ГОУ ВПО “Южно-Российский государственный университет экономики и сервиса” (ЮРГУЭС) (RU)
|
(54) ШИРОКОПОЛОСНЫЙ ДИФФЕРЕНЦИАЛЬНЫЙ ОПЕРАЦИОННЫЙ УСИЛИТЕЛЬ
(57) Реферат:
Изобретение относится к радиотехнике и связи. Технический результат заключается в независимости полосы пропускания при изменении коэффициента передачи. Широкополосный дифференциальный операционный усилитель содержит первый (1) и второй (2) входные двухтактные эмиттерные повторители сигналов, имеющие потенциальные низкоомные выходы (3) и (4), между которыми включен низкоомный резистор (5), первые (6) и (7) противофазные токовые выходы, согласованные с шиной положительного источника питания (8), вторые противофазные токовые выходы (9) и (10), согласованные с шиной отрицательного источника питания (11), а также выходной сумматор сигналов (12) от первых (6) и (7) и вторых (9) и (10) противофазных токовых выходов входных двухтактных эмиттерных повторителей сигналов (1) и (2). Между потенциальным выходом (3) первого (1) входного двухтактного эмиттерного повторителя сигнала и общей шиной включен вспомогательный резистор (20). 5 з.п. ф-лы, 16 ил.
Изобретение относится к области радиотехники и связи и может быть использовано в качестве устройства усиления широкополосных и импульсных сигналов, в структуре аналоговых интерфейсов различного функционального назначения.
Практически все широкополосные и быстродействующие операционные усилители ведущих микроэлектронных фирм (Texas Instruments: патенты США № 6710655, 6710654, 6492870, 6542032, 6249187, Analog Devices: патенты США № 5150074, 6262633, Maxim: патенты США № 6188281, 6429744, National Semiconductor: патенты США № 5512859, 5399991, 5510754) выполняются на основе архитектуры фиг.1 [1-23]. Заявляемый ОУ относится к данному типу устройств.
Ближайшим прототипом заявляемого устройства является операционный усилитель THS 4303 (фиг.1), описанный в патенте фирмы Maxim Integrated Products №6.489.848 (фиг.1, 2), содержащий первый 1 и второй 2 входные двухтактные эмиттерные повторители сигналов, имеющие потенциальные низкоомные выходы 3 и 4, между которыми включен низкоомный резистор 5, первые 6 и 7 противофазные токовые выходы, согласованные с шиной положительного источника питания 8, вторые противофазные токовые выходы 9 и 10, согласованные с шиной отрицательного источника питания 11, а также выходной сумматор сигналов 12 от первых 6 и 7 и вторых 9 и 10 противофазных токовых выходов входных двухтактных эмиттерных повторителей сигналов 1 и 2.
Существенный недостаток известного устройства состоит в том, что при увеличении (уменьшении) коэффициента передачи данного ОУ путем изменения глубины обратной связи существенно изменяется верхняя граничная частота (полоса пропускания по уровню – 3 дБ). Кроме этого известный ОУ имеет только один выход, т.е. не является мультивыходным устройством.
Основная цель предлагаемого изобретения состоит в обеспечении инвариантности (независимости) полосы пропускания замкнутого ОУ при изменении его коэффициента передачи. Дополнительная цель – создание условий для реализации в ОУ трех низкоомных выходов, коэффициенты передачи к которым от трех различных входов могут регулироваться достаточно независимо друг от друга.
Поставленная цель достигается тем, что в известном ОУ, содержащем первый 1 и второй 2 входные двухтактные эмиттерные повторители сигналов, имеющие потенциальные низкоомные выходы 3 и 4, между которыми включен низкоомный резистор 5, первые 6 и 7 противофазные токовые выходы, согласованные с шиной положительного источника питания 8, вторые противофазные токовые выходы 9 и 10, согласованные с шиной отрицательного источника питания 11, а также выходной сумматор сигналов 12 от первых 6 и 7 и вторых 9 и 10 противофазных токовых выходов входных двухтактных эмиттерных повторителей сигналов 1 и 2, вводятся новые элементы и связи – между потенциальным выходом 3 первого 1 входного двухтактного повторителя сигнала и общей шиной включен вспомогательный резистор 20.
На фиг.1 показана обобщенная схемы ОУ-прототипа. На фиг.2 представлены схемы двухтактных эмиттерных повторителей сигналов 1 и 2, по которым выполнен входной каскад ОУ-прототипа. На фиг.3 показан ОУ-прототип с конкретным выполнением сумматора сигналов 12 на основе повторителей тока (токовых зеркал) ПТ1, ПТ2 и буферного усилителя БУ.
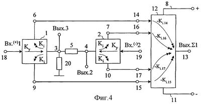
Обобщенная схема заявляемого устройства в соответствии с п.1 формулы изобретения показана на фиг.4. На фиг.5 показана схема усилителя фиг.4, соответствующая п.2 и п.3 формулы изобретения. На фиг.6 показан частный вариант построения ОУ фиг.3 в соответствии с п.4-п.5 формулы изобретения. На фиг.7 приведена схема заявляемого устройства в соответствии с п.7 формулы изобретения. На чертеже фиг.8 показана обобщенная схема ОУ фиг.4-фиг.7, на которой показаны все возможные входы и выходы заявляемого ОУ при введении обратной связи.
На фиг.9 показана схема заявляемого ОУ в среде компьютерного моделирования PSpice на моделях интегральных транзисторов ФГУП «Пульсар», которая исследовалась авторами как макромодель фиг.10.
Результаты компьютерного моделирования амплитудно-частотных характеристик ОУ фиг.9 при различных отношениях сопротивлений резисторов 5 и 20, а также 22 и 23 показаны на фиг.11 – 16.
На фиг.11 показаны АЧХ коэффициента усиления Kп11=uн1/uвх.1 ОУ фиг.9 при различных значениях сопротивления резистора R20 (фиг.5) и при 100% обратной связи (R22/R23=0).
Амплитудно-частотные характеристики ОУ фиг.9 при тех же значениях R20, но при R22/R23=1 (т.e. 50% обратной связи), показаны на фиг.12.
На фиг.13 приведена АЧХ коэффициента усиления ОУ фиг.9 Kп13=uн3/uвх.1 (в схеме фиг.8) при различных сопротивлениях резистора R20=200÷20 Ом и R5=Rm=200 Ом=const.
Графики, показывающие взаимосвязь коэффициентов передачи к различным выходам для схемы фиг.9 при ее включении, соответствующем фиг.8 и при 100% обратной связи (R22/R23=0), а также при R5/R10=1, приведены на фиг.14-16, где обозначено:
– коэффициент передачи напряжения от узла 18 к узлу 13;
– коэффициент передачи от узла 18 к узлу 4;
– коэффициент передачи от узла 18 к узлу 3.
При компьютерном моделировании ОУ величина корректирующей емкости не изменялась.
Широкополосный операционный усилитель (фиг.4) содержит первый 1 и второй 2 входные двухтактные эмиттерные повторители сигналов, имеющие низкоомные потенциальные выходы 3 и 4, между которыми включен низкоомный резистор 5, первые 6 и 7 противофазные токовые выходы, согласованные с шиной положительного источника питания 8, вторые противофазные токовые выходы 9 и 10, согласованные с шиной отрицательного источника питания 11, а также в общем случае четырехвходовой выходной сумматор сигналов 12 от первых 6 и 7 и вторых 9 и 10 противофазных токовых выходов, принадлежащих входным двухтактным эмиттерным повторителям сигналов 1 и 2. Между потенциальным выходом 3 первого 1 входного двухтактного эмиттерного повторителя сигнала и общей шиной включен вспомогательный резистор 20.
В устройстве фиг.5 выход 13 выходного сумматора сигналов 12 связан с инвертирующим входом 19 второго двухтактного эмиттерного повторителя сигналов 2 через четырехполюсник отрицательной обратной связи 21, а входной сигнал широкополосного операционного усилителя подается на неинвертирующий вход 18 первого двухтактного эмиттерного повторителя сигнала 1. В частном случае четырехполюсник отрицательной обратной связи 21 выполнен в виде резистивного делителя выходного напряжения на первом 22 и втором 23 дополнительных резисторах, общий узел которых соединен с инвертирующим входом 19 второго 2 двухтактного эмиттерного повторителя сигналов.
В усилителе фиг.6 входной сигнал широкополосного операционного усилителя подается между общей шиной и вспомогательным резистором 20, а выход 13 выходного сумматора сигналов 12 связан с инвертирующим входом 19 второго двухтактного эмиттерного повторителя сигналов 2 через четырехполюсник отрицательной обратной связи 21, причем неинвертирующий вход 18 первого входного двухтактного повторителя сигналов 1 связан с общей шиной. Кроме этого, сумматор выходных сигналов 12 содержит, в частном случае, первое 24 и второе 25 токовые зеркала, входы которых являются первым 14 и вторым 15 входами выходного сумматора сигналов 12 и соединены с первым выходом 6 первого входного двухтактного эмиттерного повторителя сигналов, согласованным с шиной положительного источника питания 8, и вторым выходом 9 первого входного двухтактного эмиттерного повторителя сигналов 1, согласованным с шиной отрицательного источника питания 11, а выходы 26 первого 24 и второго 25 токовых зеркал связаны друг с другом и корректирующим конденсатором 27 и через буферный усилитель 28 соединены с выходом 13 выходного сумматора сигналов 12.
В операционном усилителе фиг.7 входной сигнал подается между общей шиной и вторым 23 дополнительным резистором четырехполюсника отрицательной обратной связи 21.
Обобщенная схема фиг.8 показывает все возможные варианты введения и съема сигналов в заявляемом устройстве.
Рассмотрим работу заявляемого устройства на примере анализа схемы фиг.8.
Если напряжение сигнала uвх.1 подается на неинвертирующий вход 18, то выходные напряжения в узлах «Вых.3», «Вых.2», «Вых. 1» при большом петлевом усилении (Т>>1) определяются следующими соотношениями



где 

Из последних формул следует, что коэффициенты передачи Kп12 и Кп11 могут изменяться достаточно независимо в широких пределах, причем их отношение

Например, если выбрать R5=R20 и R22=R23, то на низких частотах численные значения коэффициентов передачи Кп11=4, Кп12=2, Кп13=1, Kп11/Kп13=4, Kп11/Kп12=2.
Следует заметить, что при Т>>1 выходные сопротивления относительно всех выходных узлов заявляемого ОУ достаточно малы.
На высоких частотах комплексный коэффициент передачи со входа 18 к выходу 4 не зависит от сопротивления резистора 20:

Таким образом, изменение Kп12 и Kп11 путем изменения R20 не будут приводить к изменению полосы пропускания (фиг.11, фиг.12)

Данное свойство ОУ сохраняется и относительно выхода Вых. 1. Приведенные на фиг.11, 12 результаты компьютерного моделирования подтверждают, что при изменении коэффициентов передачи Kп11 более чем в 10 раз, верхняя граничная частота в (+) остается практически постоянной.
Если входной сигнал подается на инвертирующий вход Вх.(-) 2, то при большом петлевом усилении (Т>>1) выходные напряжения ОУ



где 
В том случае, когда сигнал подается на инвертирующий вход Вх.(-) 3



где 
Таким образом, заявляемый ОУ в схеме с обратной связью имеет три низкоомных выхода и три входа, что значительно расширяет его функциональные возможности при работе в структуре аналоговых интерфейсов, а также характеризуется инвариантностью полосы пропускания при изменении коэффициентов передачи (при R22/R23=const).
Представленные на фиг.12 – 16 графики относительных амплитудно-частотных характеристик для разных выходов ОУ фиг.8 иллюстрируют преимущества заявляемого устройства.
БИБЛИОГРАФИЧЕСКИЙ СПИСОК
1. Патентная заявка US 2002/0180526 А1 (фиг.6).
2. Патентная заявка US 2003/0090321 (фиг.5).
3. Патентная заявка US 2004/0212430 A1 (фиг.2).
4. Патентная заявка US 2005/0128000 A1.
5. Патентная заявка US 2005/0024149.
6. Патент WO 00/19604.
7. Патент США № 5.399.991.
8. Патент США № 6.542.032.
9. Патент США № 6.294.958.
10. Патент США № 6.489.848.
11. Патент США № 6.163.216.
12. Патент США № 5.510.754.
13. Патент США № 6.278.326.
14. Патент США № 6.262.633.
15. Патент США № 6.552.613 (фиг.2).
16. Патент США № 6.492.870.
17. Патент США № 6.429.744 (фиг.11).
18. Патент США № 6.181.204 (фиг.2).
19. Патент США № 6.188.281.
20. Патент США № 5.512.859.
21. Патент США № 6.710.654.
22. Патент США № 6.710.655.
23. Патент США № 5.150.074.
Формула изобретения
1. Широкополосный дифференциальный операционный усилитель, содержащий первый (1) и второй (2) входные двухтактные эмиттерные повторители сигналов, имеющие потенциальные низкоомные выходы (3) и (4), между которыми включен низкоомный резистор (5), первые (6) и (7) противофазные токовые выходы, согласованные с шиной положительного источника питания (8), вторые противофазные токовые выходы (9) и (10), согласованные с шиной отрицательного источника питания (11), а также выходной сумматор сигналов (12) от первых (6) и (7) и вторых (9) и (10) противофазных токовых выходов входных двухтактных эмиттерных повторителей сигналов (1) и (2), отличающийся тем, что между потенциальным выходом (3) первого (1) входного двухтактного эмиттерного повторителя сигнала и общей шиной включен вспомогательный резистор (20).
2. Устройство по п.1, отличающееся тем, что выход (13) выходного сумматора сигналов (12) связан с инвертирующим входом (19) второго двухтактного эмиттерного повторителя сигналов (2) через четырехполюсник отрицательной обратной связи (21), а входной сигнал широкополосного операционного усилителя подается на неинвертирующий вход (18) первого двухтактного эмиттерного повторителя сигнала (1).
3. Устройство по п.2, отличающееся тем, что четырехполюсник отрицательной обратной связи (21) выполнен в виде резистивного делителя выходного напряжения на первом (22) и втором (23) дополнительных резисторах, общий узел которых соединен с инвертирующим входом (19) второго двухтактного эмиттерного повторителя сигналов (2).
4. Устройство по п.1, отличающееся тем, что входной сигнал широкополосного операционного усилителя подается между общей шиной и вспомогательным резистором (20), а выход (13) выходного сумматора сигналов (12) связан с инвертирующим входом (19) второго двухтактного эмиттерного повторителя сигналов (2) через четырехполюсник отрицательной обратной связи (21), причем неинвертирующий вход (18) первого входного двухтактного повторителя сигналов (1) связан с общей шиной.
5. Устройство по п.1, отличающееся тем, что сумматор выходных сигналов (12) содержит первое (24) и второе (25) токовые зеркала, входы которых являются первым (14) и вторым (15) входами выходного сумматора сигналов (12) и соединены с первым выходом (6) первого входного двухтактного эмиттерного повторителя сигналов, согласованным с шиной положительного источника питания (8), и вторым выходом (9) первого входного двухтактного эмиттерного повторителя сигналов (1), согласованным с шиной отрицательного источника питания (11), а выходы (26) первого (24) и второго (25) токовых зеркал связаны друг с другом и корректирующим конденсатором (27) и через буферный усилитель (28) соединены с выходом (13) выходного сумматора сигналов (12).
6. Устройство по п.1, отличающееся тем, что входной сигнал широкополосного операционного усилителя подается между общей шиной и вторым (23) дополнительным резистором четырехполюсника отрицательной обратной связи (21).
РИСУНКИ
|