|
| На основании пункта 3 статьи 13 Патентного закона Российской Федерации от 23 сентября 1992 г. № 3517-I патентообладатель обязуется передать исключительное право на изобретение (уступить патент) на условиях, соответствующих установившейся практике, лицу, первому изъявившему такое желание и уведомившему об этом патентообладателя и федеральный орган исполнительной власти по интеллектуальной собственности, – гражданину РФ или российскому юридическому лицу. |
|
(21), (22) Заявка: 2005140435/06, 26.12.2005
(24) Дата начала отсчета срока действия патента:
26.12.2005
(43) Дата публикации заявки: 10.07.2007
(46) Опубликовано: 10.11.2007
(56) Список документов, цитированных в отчете о поиске:
Технический проект «Комплекс электрооборудования СУЗ реактора ВВЭР-1000 (В-428) АЭС «Тяньвань» ТАИК.500066.002 ПЗ», НПП ВНИИЭМ, 2000. SU 1012708 A1, 07.12.1990. US 2005013398 A, 20.01.2005. US 6236699 A, 22.05.2001. GB 1244965 A, 02.09.1971.
Адрес для переписки:
125364, Москва, Химкинский б-р, 14, корп.1, кв.92, Л.Н.Голянду
|
(72) Автор(ы):
Голянд Леонид Нафталиевич (RU)
(73) Патентообладатель(и):
Голянд Леонид Нафталиевич (RU)
|
(54) УСТРОЙСТВО УПРАВЛЕНИЯ ИСПОЛНИТЕЛЬНЫМИ МЕХАНИЗМАМИ ЯДЕРНОГО РЕАКТОРА
(57) Реферат:
Изобретение относится к области систем управления и защиты ядерных энергетических реакторов. Устройство управления исполнительным механизмом ядерного реактора содержит n устройств контроля и управления, где n – количество групп регулирующих органов ядерного реактора, принятое, например, для реакторов типа ВВЭР-1000 равным 10, ключ группового управления, источник напряжения. В каждом из n блоков контроля и управления первый вход соединен дополнительно с четвертым входом первого мажоритарного блока, а второй вход соединен дополнительно с четвертым входом второго мажоритарного блока. В каждый мажоритарный блок введены дополнительно седьмой управляемый ключ, вход которого соединен с выходом четвертого управляемого ключа, выход – с выходом мажоритарного блока, а управляющий вход – с четвертым входом мажоритарного блока. Изобретение позволяет уменьшить количество одновременно перемещаемых по команде оператора регулирующих органов ядерного реактора, что повышает безопасность эксплуатации ядерного реактора. 3 ил.
Изобретение относится к области систем управления и защиты ядерных энергетических реакторов.
Известен датчик положения регулирующего органа ядерного реактора, содержащий шунт, жестко соединенный с регулирующим органом, индикаторы положения шунта, равномерно размещенные вдоль оси перемещения шунта, причем шунт выполнен из магнитных и немагнитных проставок общей длиной, равной рабочему ходу шунта (Патент Российской Федерации №2073917, кл. G21С 7/14, 7/36, 1997).
Датчиком положения по мере перемещения регулирующего органа вырабатывается кодовая комбинация положения регулируемого органа, снимаемая одновременно со всех индикаторов положения, соответственно замыканию или размыканию магнитными и немагнитными проставками шунта магнитных цепей индикаторов положения.
Этот датчик применяется в современных системах управления и защиты реакторов ВВЭР-1000.
Наиболее близким по технической сущности является устройство управления исполнительным механизмом ядерного реактора, содержащее n устройств контроля и управления, где n – количество групп регулирующих органов ядерного реактора, принятое, например, для реакторов типа ВВЭР-1000 равным 10, ключ группового управления, источник напряжения, первый вход первого устройства контроля и управления соединен с входом ключа группового управления, выходом источника напряжения и вторым входом n-го (десятого) устройства контроля и управления, первый выход ключа группового управления соединен с третьими входами всех n устройств контроля и управления, второй выход ключа группового управления соединен с четвертыми входами всех n устройств контроля и управления, второй вход m-го устройства контроля и управления для всех m, изменяющихся от 1 до n-1 (9), соединен соответственно с вторым выходом устройства контроля и управления с номером m+1, первый вход m-го устройства контроля и управления для m, изменяющихся от 2 до n (10), соединен соответственно с первым выходом устройства контроля и управления с номером m-1, каждое устройство контроля и управления содержит, по крайней мере, первый, второй и третий датчики положения органов регулирования ядерного реактора, первый, второй и третий блоки контроля положения, первый и второй мажоритарные блоки, с первой по шестую схемы НЕ, с первой по шестую схемы И, причем первый, второй и третий датчики положения органов регулирования ядерного реактора подключены соответственно к первому, второму и третьему блокам контроля положения, первый выход первого блока контроля положения соединен через первую схему НЕ с первым входом первой схемы И, первый выход второго блока контроля положения соединен через вторую схему НЕ с первым входом второй схемы И, первый выход третьего блока контроля положения соединен через третью схему НЕ с первым входом третьей схемы И, четвертый выход первого блока контроля положения соединен через четвертую схему НЕ с первым входом четвертой схемы И, четвертый выход второго блока контроля положения соединен через пятую схему НЕ с первым входом пятой схемы И, четвертый выход третьего блока контроля положения соединен через шестую схему НЕ с первым входом шестой схемы И, первый вход блока контроля и управления соединен с третьими входами первой, второй и третьей схем И, второй вход блока контроля и управления соединен с третьими входами четвертой, пятой и шестой схем И, третий вход блока контроля и управления соединен с вторыми входами первой, второй и третьей схем И, четвертый вход блока контроля и управления соединен с вторыми входами четвертой, пятой и шестой схем И, первый выход блока контроля и управления соединен с выходом первого мажоритарного блока, первый, второй и третий входы которого соединены с вторыми выходами соответственно первого, второго и третьего блоков контроля положения, второй выход блока контроля и управления соединен с выходом второго мажоритарного блока, первый, второй и третий входы которого соединены с третьими выходами соответственно первого, второго и третьего блоков контроля положения, выходы с первой по шестую схем И соединены соответственно с выходами с третьего по восьмой блока контроля и управления, причем каждый из мажоритарных блоков содержит источник напряжения и шесть управляемых ключей, выход источника напряжения соединен с входами первого, второго и третьего управляемых ключей, выходы пятого и шестого управляемых ключей соединены с выходом четвертого управляемого ключа, выход первого управляемого ключа соединен с входом четвертого управляемого ключа, выход второго управляемого ключа соединен с входом пятого управляемого ключа, выход третьего управляемого ключа соединен с входом шестого управляемого ключа, входы мажоритарного блока соединены первый – с управляющими входами первого и пятого управляемых ключей, второй – с управляющими входами второго и шестого управляемых ключей, третий – с управляющими входами третьего и четвертого управляемых ключей (Технический проект “Комплекс электрооборудования СУЗ реактора ВВЭР-1000 (В-428) АЭС “Тяньвань” ТАИК.500066.002 ПЗ”, НПП ВНИИЭМ, 2000).
Недостатком этого устройства является возможность одновременного движения вверх нескольких групп регулирующих органов. Так, при нахождении вверху активной зоны регулирующих органов групп с нечетными номерами по команде “Больше” будут одновременно двигаться вверх пять групп регулирующих органов с четными номерами.
Сущность изобретения заключается в том, что в устройстве управления исполнительным механизмом ядерного реактора, содержащем n устройств контроля и управления, где n – количество групп регулирующих органов ядерного реактора, принятое, например, для реакторов типа ВВЭР-1000 равным 10, ключ группового управления, источник напряжения, первый вход первого устройства контроля и управления соединен с входом ключа группового управления, выходом источника напряжения и вторым входом n-го (десятого) устройства контроля и управления, первый выход ключа группового управления соединен с третьими входами всех n устройств контроля и управления, второй выход ключа группового управления соединен с четвертыми входами всех n устройств контроля и управления, второй вход m-го устройства контроля и управления для всех m, изменяющихся от 1 до n-1 (9), соединен соответственно с вторым выходом устройства контроля и управления с номером m+1, первый вход m-го устройства контроля и управления для m, изменяющихся от 2 до n (10), соединен соответственно с первым выходом устройства контроля и управления с номером m-1, каждое устройство контроля и управления содержит, по крайней мере, первый, второй и третий датчики положения органов регулирования ядерного реактора, первый, второй и третий блоки контроля положения, первый и второй мажоритарные блоки, с первой по шестую схемы НЕ, с первой по шестую схемы И, причем первый, второй и третий датчики положения органов регулирования ядерного реактора подключены соответственно к первому, второму и третьему блокам контроля положения, первый выход первого блока контроля положения соединен через первую схему НЕ с первым входом первой схемы И, первый выход второго блока контроля положения соединен через вторую схему НЕ с первым входом второй схемы И, первый выход третьего блока контроля положения соединен через третью схему НЕ с первым входом третьей схемы И, четвертый выход первого блока контроля положения соединен через четвертую схему НЕ с первым входом четвертой схемы И, четвертый выход второго блока контроля положения соединен через пятую схему НЕ с первым входом пятой схемы И, четвертый выход третьего блока контроля положения соединен через шестую схему НЕ с первым входом шестой схемы И, первый вход блока контроля и управления соединен с третьими входами первой, второй и третьей схем И, второй вход блока контроля и управления соединен с третьими входами четвертой, пятой и шестой схем И, третий вход блока контроля и управления соединен с вторыми входами первой, второй и третьей схем И, четвертый вход блока контроля и управления соединен с вторыми входами четвертой, пятой и шестой схем И, первый выход блока контроля и управления соединен с выходом первого мажоритарного блока, первый, второй и третий входы которого соединены с вторыми выходами соответственно первого, второго и третьего блоков контроля положения, второй выход блока контроля и управления соединен с выходом второго мажоритарного блока, первый, второй и третий входы которого соединены с третьими выходами соответственно первого, второго и третьего блоков контроля положения, выходы с первой по шестую схем И соединены соответственно с выходами с третьего по восьмой блока контроля и управления, причем каждый из мажоритарных блоков содержит источник напряжения и шесть управляемых ключей, выход источника напряжения соединен с входами первого, второго и третьего управляемых ключей, выходы пятого и шестого управляемых ключей соединены с выходом четвертого управляемого ключа, выход первого управляемого ключа соединен с входом четвертого управляемого ключа, выход второго управляемого ключа соединен с входом пятого управляемого ключа, выход третьего управляемого ключа соединен с входом шестого управляемого ключа, входы мажоритарного блока соединены первый – с управляющими входами первого и пятого управляемых ключей, второй – с управляющими входами второго и шестого управляемых ключей, третий – с управляющими входами третьего и четвертого управляемых ключей, в каждом из n блоков контроля и управления первый вход соединен дополнительно с четвертым входом первого мажоритарного блока, а второй вход соединен дополнительно с четвертым входом второго мажоритарного блока, в каждый мажоритарный блок введены дополнительно седьмой управляемый ключ, вход которого соединен с выходом четвертого управляемого ключа, выход – с выходом мажоритарного блока, а управляющий вход – с четвертым входом мажоритарного блока.
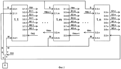
На фиг.1 представлена структурная схема устройства управления исполнительными механизмами ядерного реактора, на фиг.2 представлена структурная схема устройства контроля и управления, а на фиг.3 представлена структурная схема мажоритарного блока.
Устройство управления исполнительными механизмами ядерного реактора (фиг.1) содержит n устройств контроля и управления 1.1-1.n, где n – количество групп регулирующих органов ядерного реактора, которое, например, для реакторов типа ВВЭР-1000 равно 10, устройство контроля и управления 1.1 содержит первый 2.1.1, второй 2.2.1, третий 2.3.1 и четвертый 2.4.1 входы, первый 3.1.1 выход, выходы с третьего 3.3.1 по восьмой 3.8.1, устройство контроля и управления 1.m содержит первый 2.1.m, второй 2.2.m, третий 2.3.m и четвертый 2.4.m входы, выходы с первого 3.1.m по восьмой 3.8.m, где m – изменяется от 2 до n-1 (9), устройство контроля и управления 1.n (1.10) содержит первый 2.1.n, второй 2.2.n, третий 2.3.n и четвертый 2.4.n входы, выходы со второго 3.2.n по восьмой 3.8.n, ключ группового управления 4 с входом 5, первым 6 и вторым 7 выходами, источник напряжения 8.
Выход источника напряжения 8 соединен с входом 5 ключа группового управления 4, с первым входом 2.1.1 первого устройства контроля и управления 1.1 и вторым входом 2.2.n устройства контроля и управления n.
Первый выход 6 ключа группового управления 4 соединен с третьими входами 2.3.1-2.3.n всех устройств контроля и управления 1.1-1.n, а второй выход 7 ключа группового управления 4 соединен с четвертыми входами 2.4.1-2.4.n всех устройств контроля и управления 1.1-1.n.
В каждом из устройств контроля и управления 1.m, где m изменяется от 2 до n, первый вход 2.1.m соединен с первым выходом 3.1.m устройства контроля и управления m-1, а в каждом из устройств контроля и управления m, где m изменяется от 1 до n-1, второй вход 2.2.m соединен с вторым выходом 3.2.m устройства контроля и управления m+1.
Устройство контроля и управления 1.m (фиг.2) содержит по крайней мере первый 9.1, второй 9.2 и третий 9.3 датчики положения органов регулирования ядерного реактора, первый 10.1, второй 10.2 и третий 10.3 блоки контроля положения с выходами с первого по четвертый 11.1.1-11.4.1, 11.1.2-11.4.2, 11.1.3-11.4.3 соответственно для блоков контроля положения с первого 10.1 по третий 10.3, первый мажоритарный блок 12 с входами с первого 13.1 по четвертый 13.4 и выходом 14, второй мажоритарный блок 15 с входами с первого 16.1 по четвертый 16.4 и выходом 17, с первой 18.1 по шестую 18.6 схемы НЕ и с первой 19.1 по шестую 19.6 схемы И.
Первый 9.1, второй 9.2 и третий 9.3 датчики положения органов регулирования ядерного реактора подключены соответственно к первому 10.1, второму 10.2 и третьему 10.3 блокам контроля положения.
Первый выход 11.1.1 первого блока контроля положения 10.1 соединен через первую схему НЕ 18.1 с первым входом первой схемы И 19.1, первый выход 11.1.2 второго блока контроля положения 10.2 соединен через вторую схему НЕ 18.2 с первым входом второй схемы И 19.2, первый выход 11.1.3 третьего блока контроля положения 10.3 соединен через третью схему НЕ 18.3 с первым входом третьей схемы И 19.3, четвертый выход 11.4.1 первого блока контроля положения 10.1 соединен через четвертую схему НЕ 18.4 с первым входом четвертой схемы И 19.4, четвертый выход 11.4.2 второго блока контроля положения 10.2 соединен через пятую схему НЕ 18.5 с первым входом пятой схемы И 19.5, четвертый выход 11.4.3 третьего блока контроля положения 10.3 соединен через шестую схему НЕ 18.6 с первым входом шестой схемы И 19.6.
Первый 13.1, второй 13.2 и третий 13.3 входы первого мажоритарного блока 12 соединены с вторыми выходами 11.2.1, 11.2.2 и 11.2.3 соответственно первого 10.1, второго 10.2 и третьего 10.3 блоков контроля положения. Первый 16.1, второй 16.2 и третий 16.3 входы второго мажоритарного блока 15 соединены с третьими выходами 11.3.1, 11.3.2 и 11.3.3 соответственно первого 10.1, второго 10.2 и третьего 10.3 блоков контроля положения.
Первый вход 2.1.m устройства контроля и управления соединен с четвертым входом 13.4 первого мажоритарного блока 12 и третьими входами первой 19.1, второй 19.2 и третьей 19.3 схем И, а второй вход 2.2.m устройства контроля и управления соединен с четвертым входом 16.4 второго мажоритарного блока 15 и третьими входами четвертой 19.4, пятой 19.5 и шестой 19.6 схем И.
Третий вход 2.3.m устройства контроля и управления соединен с вторыми входами первой 19.1, второй 19.2 и третьей 19.3 схем И, а четвертый вход 2.4.m устройства контроля и управления соединен с вторыми входами четвертой 19.4, пятой 19.5 и шестой 19.6 схем И.
Выход 14 первого мажоритарного блока 12, выход 17 второго мажоритарного блока 15, выходы схем И с первой 19.1 по шестую 19.6 соединены соответственно с выходами с первого 3.1.m по восьмой 3.8.m устройства контроля и управления.
Мажоритарный блок (фиг.3) содержит источник напряжения 20 и управляемые ключи с первого 21 по седьмой 27, замыкающиеся при единичном сигнале на управляющем входе соответствующего ключа.
Выход источника напряжения 20 соединен с входами первого 21, второго 22 и третьего управляемых ключей. Вход седьмого управляемого ключа 27 соединен с выходами четвертого 24, пятого 25 и шестого 26 управляемых ключей.
Выход первого управляемого ключа 21 соединен с входом четвертого управляемого ключа 24, выход второго управляемого ключа 22 соединен с входом пятого управляемого ключа 25, выход третьего управляемого ключа 23 соединен с входом шестого управляемого ключа 26.
Входы мажоритарного блока соединены первый 13.1 (16.1) – с управляющими входами первого 20 и пятого 25 управляемых ключей, второй 13.2 (16.2) – с управляющими входами второго 22 и шестого 26 управляемых ключей, третий 13.3 (16.3) – с управляющими входами третьего 23 и четвертого 24 управляемых ключей, четвертый 13.4 (16.4) – с управляющим входом седьмого управляемого ключа 27, а выход 28 мажоритарного блока соединен с выходом седьмого управляемого ключа 27.
Применительно к реакторам типа ВВЭР-1000 группы регулирующих органов содержат от шести до восемнадцати регулирующих органов. На чертежах (фиг.1 и фиг.2) в каждой группе условно показана аппаратура управления тремя регулирующими органами. Аппаратура управления другими тройками выполнена аналогично. При этом выходы первых мажоритарных блоков дополнительных “троек” соединены с первым выходом 3.1.m, а выходы вторых мажоритарных блоков дополнительных “троек” – с вторым выходом 3.2.m устройства контроля и управления, что обеспечивает реализацию логики ИЛИ (проводное ИЛИ) по сигналам соответствующих мажоритарных блоков.
Устройство управления исполнительным механизмом ядерного реактора работает следующим образом.
Для реакторов типа ВВЭР-1000 высота активной зоны реактора и, соответственно, контролируемое перемещение регулирующего органа реактора равно 350 см. При нахождении, например, первого регулирующего органа 9.1 группы m внизу активной зоны реактора на четвертом выходе 11.4.1 первого блока контроля положения 10.1 появляется единичный сигнал “конечника низа” КН, при нахождении этого регулирующего органа вверху активной зоны реактора (на высоте 350 см от низа активной зоны) на первом выходе 11.1.1 первого блока контроля положения 10.1 появляется единичный сигнал “конечника верха” КВ. В современных системах управления формирование единичного сигнала “промежуточного положения верха” ПВ на втором выходе 11.2.1 первого блока управления 10.1 производится также при положении регулирующего органа вверху активной зоны реактора, то есть одновременно с сигналом КВ. Формирование единичного сигнала “промежуточного положения низа” ПН на третьем выходе 11.3.1 первого блока управления производится при нахождении соответствующего регулирующего органа на высоте 175 см или ниже от низа активной зоны реактора.
При остановленном реакторе все регулирующие органы реактора находятся внизу активной зоны реактора. При этом во всех устройствах контроля и управления 1.1-1.n всех блоков контроля 10.1-10.3 на третьих входах 11.3.1-11.3.3 имеется единичный сигнал ПН, а на четвертых выходах 11.4.1-11.4.3 имеется единичный сигнал КН и, соответственно, на выходе 17 второго мажоритарного блока 15 имеется единичный сигнал, поступающий на второй выход 3.2.m соответствующего устройства контроля и управления 1.m как групповой сигнал промежуточного положения низа группы m – “ПНm”.
При повороте ключа группового управления КГУ 4 в левое положение на его выходе 6 формируется единичный сигнал “Больше” от источника напряжения 8, который поступает на первые входы 2.1.1-2.1.n всех устройств контроля и управления 1.1-1.n.
Формирование команд “Больше” произойдет только для исполнительных механизмов, перемещающих регулирующие органы первой группы, так как на втором входе 2.1.1 устройства контроля и управления 1.1 имеется единичный сигнал от источника напряжения 8. При этом на выходах первой 19.1, второй 19.2 и третьей 19.3 схем И и соответственно на третьем 3.3.1, четвертом 3.4.1 и пятом 3.5.1 выходах устройства контроля и управления 1.1 появляются единичные сигналы соответственно Б.1.1, Б.2.1, Б.3.1 на 1-3 исполнительные механизмы, обеспечивающие движение вверх 1-3 регулирующих органов до достижения ими положения KB (и ПВ) на первых 11.1.1-11.1.3 и вторых 11.2.1-11.2.3 выходах первого 10.1, второго 10.2 и третьего блоков контроля, что приводит к появлению единичного сигнала на выходе 14 первого мажоритарного блока 12 и соответственно единичного сигнала ПВ1 на первом выходе 3.1.1 первого устройства контроля и управления 1.1, с третьего 3.3.1, четвертого 3.4.1 и пятого 3.5.1 выходов которого снимаются единичные сигналы Б.1.1, Б.2.1 и Б.3.1 в результате снятия сигналов с первых входов и соответственно с выходов первой 19.1, второй 19.2 и третьей 19.3 схем И. Движение первого-третьего регулирующих органов первой группы вверх прекращается.
Единичный сигнал ПВ1 с первого выхода 3.1.1 первого устройства контроля и управления 1.1 поступает на первый вход 2.1.1 второго устройства контроля и управления 1.2. Если при этом сохраняется команда “Больше” на третьем входе 2.3.2 второго устройства контроля и управления 1.2, то обеспечивается движение вверх регулирующих органов второй группы с формированием сигналов в устройстве контроля и управления 1.2 аналогично описанному выше для устройства контроля и управления 1.1.
При сохранении команды “Больше” после достижения регулирующими органами второй группы положения KB обеспечивается поочередное движение регулирующих органов третьей и последующих групп вплоть до десятой вверх, причем вверх двигаются регулирующие органы только одной группы. Движение регулирующих органов десятой группы вверх прекратиться при достижении ими положения КВ.
При переводе ключа группового управления 4 в правое положение на его выход 7 поступает единичный сигнал “Меньше” от источника напряжения 8, который поступает далее на четвертые входы 2.4.1-2.4.10 всех устройств контроля и управления 1.1-1.10, а на второй вход 2.2.10 устройства контроля и управления 1.10 поступает единичный сигнал с выхода источника напряжения 8. В устройстве контроля и управления 1.10 появляются единичные сигналы на выходах четвертой 19.4, пятой 19.5 и шестой 19.6 схем И, а на шестом 3.6.10, седьмом 3.7.10 и восьмом 3.8.10 выходах устройства контроля и управления 1.10 появляются соответственно команды “Меньше” M1.10, М2.10 и М3.10 на 1-3 исполнительные механизмы десятой группы, что обеспечивает движение вниз регулирующих органов 1-3 десятой группы до достижения ими положения КН, что приводит к появлению единичного сигнала КН на четвертом выходе соответствующего блока контроля 10.1-10.3 и снятию единичного сигнала на выходе соответствующей схемы И 19.4-19.6 и соответственно к снятию соответствующих сигналов “Меньше” M1.10, М2.10, М3.10. Соответственно регулирующие органы десятой группы прекращают движение вниз.
В процессе движения регулирующих органов десятой группы вниз при достижении ими положения ПН появляется единичный сигнал на третьих выходах 11.3.1-11.3.3 соответствующих блоков контроля 10.1-10.3 устройства контроля и управления 1.10, а так как на четвертом входе 16.4 второго мажоритарного блока 15 присутствует единичный сигнал с второго входа 2.2.10 устройства контроля и управления 1.10, то после появления единичных сигналов по крайней мере на двух входах второго мажоритарного блока 15 появляется единичный сигнал на его выходе 17 и соответственно на втором выходе 3.2.10 устройства контроля и управления 1.10 появляется единичный сигнал ПН10, который поступает на второй вход 2.2.9 устройства контроля и управления 1.9.
При сохранении команды “Меньше” с выхода 7 ключа 4 после появления единичного сигнала ПН10 на втором входе 2.2.9 устройства контроля и управления 1.9 формируются команды “Меньше” M1.9, М2.9, М3.9 на движение регулирующих органов девятой группы вниз до достижения ими положения КН, а также формируется сигнал ПН9 аналогично рассмотренному выше для устройства контроля и управления 1.10.
При этом происходит одновременное движение регулирующих органов девятой группы и регулирующих органов десятой группы от положения ПН до положения КН.
При сохранении команды “Меньше” по мере формирования сигнала ПНm в устройствах контроля и управления 1.10-1.2 происходит последовательное перемещение вниз групп регулирующих органов с десятой по первую, при этом могут одновременно двигаться регулирующие органы двух групп.
Рассмотрим ситуацию, когда все регулирующие органы групп 1-9 находятся вверху активной зоны реактора (в положении KB), а регулирующие органы десятой группы находятся выше середины активной зоны реактора, например на высоте 200 см от низа активной зоны реактора.
При срабатывании ускоренной предупредительной защиты реактора УПЗ в реакторах типа ВВЭР в настоящее время предусматривается падение шести регулирующих органов (две “тройки”) из второй группы регулирующих органов. При этом вторая группа регулирующих органов может содержать либо шесть, либо больше (до восемнадцати) регулирующих органов.
При поступлении команды “Меньше” с выхода 7 ключа 4, куда она может быть подана при повороте ключа 4 в правое положение, или как единичный сигнал срабатывания предварительной защиты первого рода П31 из системы аварийной и предупредительной защиты в рассматриваемой ситуации будут двигаться вниз регулирующие органы десятой группы регулирующих органов. После формирования сигнала ПН10 совместно с регулирующими органами десятой группы будут двигаться регулирующие органы девятой группы регулирующих органов. Регулирующие органы первой группы не будут двигаться вниз (как это произошло бы в устройстве-прототипе), так как устройстве контроля и управления 1.2 не будет сформирован сигнал ПН2 в связи с тем, что на втором входе 2.2.2 устройства контроля и управления 1.2 отсутствует единичный сигнал ПН3 и соответственно отсутствует единичный сигнал на четвертом входе 16.4 второго мажоритарного блока 15 и ключ 27 в нем разомкнут.
При подаче команды “Больше” на выход 6 ключа 4 поворотом его в левое положение в рассматриваемой ситуации после срабатывания УПЗ применительно к реактору, содержащему во второй группе шесть регулирующих органов, будут перемещаться вверх только регулирующие органы второй группы до достижения ими верха активной зоны, когда сформируются сигналы KB и ПВ для этих регулирующих органов. При этом появится сигнал ПВ2 на первом выходе 3.1.2 устройства контроля и управления 1.2. В результате появляются сигналы ПВ3-ПВ9 на первых выходах 3.1.3-3.1.9 устройств контроля и управления 1.3-1.9 и при наличии команды “Больше” будут двигаться вверх регулирующие органы десятой группы.
При подаче команды “Больше” на выход 6 ключа 4 поворотом его в левое положение в рассматриваемой ситуации после срабатывания УПЗ применительно к реактору, содержащему во второй группе более шести, например восемнадцать, регулирующих органов, будут перемещаться вверх одновременно регулирующие органы не только второй, но и десятой групп, так как за счет сигналов по положению регулирующих органов, оставшихся после УПЗ вверху активной зоны реактора, на первом выходе 3.1.2 устройства контроля и управления 1.2 будет сформирован единичный сигнал ПВ2. В результате сформируются единичные сигналы ПВ3-ПВ9 на первых выходах устройств контроля и управления 1.1-1.9. Поэтому в рассматриваемом случае после срабатывания УПЗ подъем упавших регулирующих органов следует производить не по команде от ключа 4, а другими средствами, например, выбора регулирующих органов для индивидуального управления и выдачи на них команды индивидуального управления “Больше” от ключа индивидуального управления (не показаны).
Особенностью устройства является отработка команды “Больше” в ситуации, при которой часть групп регулирующих органов из первых девяти не находится вверху активной зоны. При этом будут перемещаться вверх регулирующие органы только одной группы регулирующих органов – с наименьшим номером из не находящихся вверху активной зоны реактора, так как устройство контроля и управления регулирующими органами этой и последующих групп с большими номерами не сформирует сигнал ПВm.
В случае, когда часть групп регулирующих органов из последних девяти находится ниже ПН, отработка команды “Меньше” будет осуществляться регулирующими органами десятой группы, если они не достигли положения КН, и регулирующими органами всех тех групп m, в устройства контроля и управления которых 1.m поступает сигнал ПНm+1.
Например, если ниже ПН находятся регулирующие органы десятой, девятой, седьмой и шестой групп регулирующих органов, то отработка команды “Меньше” будет осуществляться регулирующими органами только десятой, девятой и восьмой групп.
Таким образом, в устройстве по сравнению с прототипом обеспечено уменьшение количества одновременно перемещаемых по команде оператора регулирующих органов ядерного реактора, что повышает безопасность эксплуатации ядерного реактора.
Формула изобретения
Устройство управления исполнительным механизмом ядерного реактора, содержащее n устройств контроля и управления, где n – количество групп регулирующих органов ядерного реактора, принятое, например, для реакторов типа ВВЭР-1000 равным 10, ключ группового управления, источник напряжения, первый вход первого устройства контроля и управления соединен с входом ключа группового управления, выходом источника напряжения и вторым входом n-го (десятого) устройства контроля и управления, первый выход ключа группового управления соединен с третьими входами всех n устройств контроля и управления, второй выход ключа группового управления соединен с четвертыми входами всех n устройств контроля и управления, второй вход m-го устройства контроля и управления для всех n, изменяющихся от 1 до n-1 (9) соединена соответственно с вторым выходом устройства контроля и управления с номером m+1, первый вход m-го устройства контроля и управления для n, изменяющихся от 2 до n (10) соединена соответственно с первым выходом устройства контроля и управления с номером m-1, каждое устройство контроля и управления содержит, по крайней мере, первый, второй и третий датчики положения органов регулирования ядерного реактора, первый, второй и третий блоки контроля положения, первый и второй мажоритарные блоки, с первой по шестую схемы НЕ, с первой по шестую схемы И, причем первый, второй и третий датчики положения органов регулирования ядерного реактора подключены соответственно к первому, второму и третьему блокам контроля положения, первый выход первого блока контроля положения соединен через первую схему НЕ с первым входом первой схемы И, первый выход второго блока контроля положения соединен через вторую схему НЕ с первым входом второй схемы И, первый выход третьего блока контроля положения соединен через третью схему НЕ с первым входом третьей схемы И, четвертый выход первого блока контроля положения соединен через четвертую схему НЕ с первым входом четвертой схемы И, четвертый выход второго блока контроля положения соединен через пятую схему НЕ с первым входом пятой схемы И, четвертый выход третьего блока контроля положения соединен через шестую схему НЕ с первым входом шестой схемы И, первый вход блока контроля и управления соединен с третьими входами первой, второй и третьей схем И, второй вход блока контроля и управления соединен с третьими входами четвертой, пятой и шестой схем И, третий вход блока контроля и управления соединен с вторыми входами первой, второй и третьей схем И, четвертый вход блока контроля и управления соединен с вторыми входами четвертой, пятой и шестой схем И, первый выход блока контроля и управления соединен с выходом первого мажоритарного блока, первый, второй и третий входы которого соединены с вторыми выходами соответственно первого, второго и третьего блоков контроля положения, второй выход блока контроля и управления соединен с выходом второго мажоритарного блока, первый, второй и третий входы которого соединены с третьими выходами соответственно первого, второго и третьего блоков контроля положения, выходы с первой по шестую схем И соединены соответственно с выходами с третьего по восьмой блока контроля и управления, причем каждый из мажоритарных блоков содержит источник напряжения и шесть управляемых ключей, выход источника напряжения соединен с входами первого, второго и третьего управляемых ключей, выходы пятого и шестого управляемых ключей соединены с выходом четвертого управляемого ключа, выход первого управляемого ключа соединен с входом четвертого управляемого ключа, выход второго управляемого ключа соединен с входом пятого управляемого ключа, выход третьего управляемого ключа соединен с входом шестого управляемого ключа, входы мажоритарного блока соединены первый с управляющими входами первого и пятого управляемых ключей, второй – с управляющими входами второго и шестого управляемых ключей, третий – с управляющими входами третьего и четвертого управляемых ключей, отличающееся тем, что в каждом из n блоков контроля и управления первый вход соединен дополнительно с четвертым входом первого мажоритарного блока, а второй вход соединен дополнительно с четвертым входом второго мажоритарного блока, в каждый мажоритарный блок введены дополнительно седьмой управляемый ключ, вход которого соединен с выходом четвертого управляемого ключа, выход – с выходом мажоритарного блока, а управляющий вход – с четвертым входом мажоритарного блока.
РИСУНКИ
|
|