|
| На основании пункта 3 статьи 13 Патентного закона Российской Федерации от 23 сентября 1992 г. № 3517-I патентообладатель обязуется передать исключительное право на изобретение (уступить патент) на условиях, соответствующих установившейся практике, лицу, первому изъявившему такое желание и уведомившему об этом патентообладателя и федеральный орган исполнительной власти по интеллектуальной собственности, – гражданину РФ или российскому юридическому лицу. |
|
(21), (22) Заявка: 2006127920/28, 02.08.2006
(24) Дата начала отсчета срока действия патента:
02.08.2006
(43) Дата публикации заявки: 10.12.2006
(46) Опубликовано: 10.11.2007
(56) Список документов, цитированных в отчете о поиске:
RU 2241234 C1, 27.11.2004. RU 2006121403 C1, 27.11.2006. RU 2004103039 A1, 20.08.2004. SU 1087924 A, 23.04.1984. RU 2003111521 A1, 27.10.2004. GB 1515229 A, 21.06.1978.
Адрес для переписки:
143909, Московская обл., г. Балашиха, Щелковское ш., 119, Г.Р. Аванесяну
|
(72) Автор(ы):
Аванесян Гарри Романович (RU)
(73) Патентообладатель(и):
Аванесян Гарри Романович (RU)
|
(54) ИЗМЕРИТЕЛЬ ПЛОЩАДИ ЧАСТОТНЫХ ИСКАЖЕНИЙ
(57) Реферат:
Данное изобретение относится к области радиоизмерений и может быть использовано при построении измерителей искажений, вносимых частотно-зависимыми устройствами, в частности усилителями аудиосигналов. Технический результат, достигаемый при использовании настоящего изобретения, заключается в обеспечении возможности оценки площади частотных искажений, возникающих в четырехполюснике при прохождении через него полезного сигнала в рабочем режиме, без отключения четырехполюсника и без подачи на его вход специального тестового сигнала. Измеритель площади частотных искажений, возникающих в четырехполюснике, содержит блок измерения коэффициентов усиления в N точках диапазона рабочих частот и функциональный преобразователь, выход которого является выходом измерителя, первым тестовым входом которого служит первый вход блока измерения коэффициентов усиления, второй вход которого служит вторым тестовым входом измерителя, выходы блока измерения коэффициентов усиления подключены к соответствующим входам функционального преобразователя. Блок измерения коэффициентов усиления может быть выполнен в виде устройства для оценки отношений средневыпрямленных или среднеквадратических значений, или дисперсий сигналов в N точках диапазона рабочих частот. 3 з.п. ф-лы, 2 ил.
Изобретение относится к области радиоизмерений и может быть использовано при построении измерителей искажений, вносимых частотно-зависимыми устройствами, например, усилителями аудиосигналов.
Уже известен измеритель площади частотных искажений (прототип), содержащий генератор тестового сигнала, спектроанализатор, блок вычитания, блок выделения модуля и интегратор, выход которого является выходом измерителя, выход спектроанализатора соединен с первым входом блока вычитания, второй вход которого служит для подачи на него фиксированного напряжения, выход блока вычитания соединен со входом блока выделения модуля, выход которого соединен со входом интегратора, вход спектроанализатора служит тестовым входом измерителя, тестовым выходом которого является выход генератора тестового сигнала [пат. РФ №2241234, опубл. 27.11.2004, бюл. №33].
Недостатком измерителя являются ограниченные функциональные возможности – прототип не позволяет оценивать частотные искажения на рабочем сигнале и требует перевода четырехполюсника в специальный тестовый режим.
Технический результат, достигаемый при использовании настоящего изобретения, заключается в обеспечении возможности оценки площади частотных искажений, возникающих в четырехполюснике при прохождении через него полезного сигнала в рабочем режиме, без отключения четырехполюсника и без подачи на его вход специального тестового сигнала.
Технический результат достигается тем, что измеритель площади частотных искажений, возникающих в четырехполюснике, согласно изобретению, содержит блок измерения коэффициентов усиления в N точках диапазона рабочих частот и функциональный преобразователь, выход которого является выходом измерителя, первым тестовым входом которого служит первый вход блока измерения коэффициентов усиления, второй вход которого служит вторым тестовым входом измерителя, выходы блока измерения коэффициентов усиления подключены к соответствующим входам функционального преобразователя.
Блок измерения коэффициентов усиления может быть выполнен в виде устройства для оценки отношений средневыпрямленных значений сигналов в N точках диапазона рабочих частот или в виде устройства для оценки отношений среднеквадратических значений сигналов в N точках диапазона рабочих частот или в виде устройства для оценки отношений дисперсий сигналов в N точках диапазона рабочих частот.
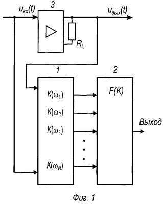
Сущность изобретения поясняется графическим материалом. На фиг.1 показана функциональная схема измерителя площади частотных искажений. На фиг.2 показана функциональная схема блока измерения коэффициентов усиления.
Функциональная схема по фиг.2 содержит блок 1 измерения коэффициентов усиления в N точках диапазона рабочих частот, функциональный преобразователь 2 и тестируемый усилитель 3 (исследуемый четырехполюсник) с подключенной нагрузкой RL, выход функционального преобразователя 2 является выходом измерителя, первым тестовым входом uвх(t) которого служит первый вход блока 1 измерения коэффициентов усиления, второй вход которого служит вторым тестовым входом uвых(t) измерителя, выходы блока 1 измерения коэффициентов усиления подключены к соответствующим входам функционального преобразователя 2. Первый тестовый вход устройства объединен со входом усилителя 3, а второй тестовый вход подключен к выходу усилителя 3.
Блок 1 измерения коэффициентов усиления (фиг.2) состоит из N идентичных каналов 1-1÷1-N, выходы которых являются выходом блока, а одноименные входы объединены и являются входами измерителя uвх(t) и uвых(t), предназначенными для подключения соответственно к первому и второму тестовым входам устройства (фиг.1). В состав показанного на схеме раскрытого канала 1-1 входят полосовые фильтры (ПФ) 4, 7, детекторы 5, 8, фильтры 6, 9 нижних частот (ФНЧ) и делитель 10, выход которого является выходом канала, первым входом которого является вход ПФ 7, выход которого соединен со входом детектора 8, выход которого соединен со входом ФНЧ 9, выход которого соединен с первым входом делителя 10, второй вход которого (вход делимого) соединен с выходом ФНЧ 6, вход которого соединен с выходом детектора 5, вход которого соединен с выходом ПФ 4, вход которого является вторым входом канала.
Принцип действия измерителя (фиг.1) состоит в измерении в N точках диапазона рабочих частот коэффициентов усиления K( 1), K( 2), …K( N), соответствующих частотам 1, 2, … N и определении функционала от полученных значений, являющегося измеряемой площадью частотных искажений. Минимуму искажений должен соответствовать минимум функционала , а выполнение условия =0 отвечает идеальной ситуации полного отсутствия частотных искажений. На вход исследуемого четырехполюсника 3 подают любой входной сигнал uвх(t), занимающий диапазон частот, в пределах которого оценивают вносимые искажения. На входы блока 1 поступают как вышеуказанный сигнал uвх(t), так и выходной uвых(t), который может быть подвержен искажениям. Результаты измерения коэффициентов усиления K( 1), K( 2), …K( N) подаются на входы функционального преобразователя 3, вычисляющего величину р по одной из формул


где  д – шаг дискретизации по оси частот ;
K( n) – коэффициент усиления, измеренный на частоте n;
K0 – опорный коэффициент усиления исследуемого четырехполюсника, измеренный на опорной частоте, выбранной из ряда частот n;
M[K(( n)] – среднее значение измеренных коэффициентов усиления K( n);
Y( n)=K( n)/K0.
Выбор опорной частоты является сугубо условным, ее можно выбрать как в средней части частотного диапазона, так и в любой другой, например, в аудиотехнике принято считать опорной частоту значением в 1 кГц (выбранной в той части частотного диапазона, где сигнал претерпевает минимальные изменения). Необходимым условием является лишь неизменность, при проведении измерений, опорной частоты.
Количество точек N выбирают исходя из априорных сведений о вносимых искажениях (форме амплитудно-частотной характеристики) и/или требуемой точности оценки искажений. Разумеется, с увеличением N возрастает и точность оценки. Однако увеличение N, требующее дополнительных вычислительных затрат должно быть обосновано.
Для измерения коэффициентов усиления могут использоваться известные схемы, например, показанная на фиг.2 и рассчитанная на получение оценки отношений средне-выпрямленных значений. В показанном на схеме канале 1-1 входной uвх(t) и выходной uвых(t) сигналы исследуемого четырехполюсника 3 проходят через полосовые фильтры 4, 7, далее выпрямляются в цепочках 5-6, 8-9 и поступают на входы делителя 10, с выхода которого снимается сигнал, уровень которого соответствует измереннному коэффициенту усиления. Полосовые фильтры 4, 7 идентичны и настраиваются на узкую полосу частот с центром 1. Каналы отличаются только параметрами настройки полосовых фильтров. Полосовые фильтры, входящие в состав каналов 1-1÷1-N, настраиваются на выделение узких полос с центральными частотами 1, 2, … N соответственно. Таким образом, в n-ом канале измеряется коэффициент усиления, соответствующий частоте n.
Формула изобретения
1. Измеритель площади частотных искажений, возникающих в четырехполюснике, отличающийся тем, что содержит блок измерения коэффициентов усиления в N точках диапазона рабочих частот и функциональный преобразователь, выход которого является выходом измерителя, первым тестовым входом которого служит первый вход блока измерения коэффициентов усиления, второй вход которого служит вторым тестовым входом измерителя, выходы блока измерения коэффициентов усиления подключены к соответствующим входам функционального преобразователя.
2. Измеритель по п.1, отличающийся тем, что блок измерения коэффициентов усиления выполнен в виде устройства для оценки отношений средневыпрямленных значений сигналов в N точках диапазона рабочих частот.
3. Измеритель по п.1, отличающийся тем, что блок измерения коэффициентов усиления выполнен в виде устройства для оценки отношений среднеквадратических значений сигналов в N точках диапазона рабочих частот.
4. Измеритель по п.1, отличающийся тем, что блок измерения коэффициентов усиления выполнен в виде устройства для оценки отношений дисперсий сигналов в N точках диапазона рабочих частот.
РИСУНКИ
|
|