|
(21), (22) Заявка: 2005141351/15, 29.12.2005
(24) Дата начала отсчета срока действия патента:
29.12.2005
(43) Дата публикации заявки: 10.07.2007
(46) Опубликовано: 10.11.2007
(56) Список документов, цитированных в отчете о поиске:
ЗУБЧЕНКО В.Л. и др. Гибкие автоматизированные гальванические линии: Справочник. – М.: Машиностроение, 1989, с.423, 424. SU 2627499 А, 01.04.1970. SU 1708772 A1, 30.01.1992. SU 1662948 A1, 15.07.1991. SU 861327 A1, 07.09.1981. US 3931007 A, 06.01.1976.
Адрес для переписки:
125362, Москва, ул. Вишневая, 7, ОАО “ММП им. В.В. Чернышева”, начальнику БРИЗ Ю.И. Кленову
|
(72) Автор(ы):
Линдстрем Константин Николаевич (RU), Шмелев Юрий Владимирович (RU), Кривошеин Михаил Васильевич (RU)
(73) Патентообладатель(и):
Открытое акционерное общество “Московское машиностроительное предприятие им. В.В. Чернышева” (RU)
|
(54) КОМПЛЕКСНОЕ УСТРОЙСТВО ДЛЯ ОБЕЗВРЕЖИВАНИЯ СТОЧНЫХ ВОД ГАЛЬВАНИЧЕСКОГО ПРОИЗВОДСТВА
(57) Реферат:
Изобретение относится к устройствам обработки сточных вод некоторых видов гальванического производства. Устройство содержит реактор с пропеллерной мешалкой и дополнительно снабжено приставкой с расположенными в ней чувствительными элементами рН-метра и трубопроводом подачи реагента, конец которого размещен в полости приставки, а также стаканом для размещения сигнализаторов наличия хрома или циана. При этом реактор снабжен перфорированной трубкой для постоянного отбора проб, отверстия которой расположены равномерно по всей высоте реактора, датчиком уровня, переливным патрубком и патрубком для опорожнения реактора. Технический эффект – организация гибкой системы обезвреживания стоков. 4 ил.
Изобретение относится к устройствам обработки сточных вод и предназначено для выполнения реакций реагентного обезвреживания некоторых видов стоков гальванического производства (хромосодержащих, циансодержащих и т.п.).
Известно устройство реактора, используемого для обезвреживания реагентным методом этих стоков (1). Они представляют собой сварные цилиндрические емкости со съемными крышками и установленными в них мешалками и оснащены патрубками для присоединения различных трубопроводов.
Недостатком данных аппаратов является то, что при периодическом режиме обезвреживания стоков необходимые реагенты подаются в “объем”, т.е. в стоки, заполнившие объем аппарата. При этом в каждый последующий момент подачи реагента концентрация обезвреживаемого компонента уменьшается за счет реакции с уже введенной порцией реагента в предыдущий период. Это означает в случае обратных реакций обезвреживания нарастающую потребность в реагенте для доведения реакции обезвреживания до требуемого результата. (Фиг.1. Зависимость удельных затрат реагента от начальной концентрации Cr+6 и значения рН обезвреживаемых стоков).
Это приводит к удлинению цикла обезвреживания, перерасходу реагента, уменьшению глубины реакции (эффекта обезвреживания).
Установка датчиков рН-метра, сигнализаторов наличия хрома, циана производится в объеме реактора, что сказывается на точности показаний по причине неравномерности прохождения реакции в объеме реактора.
Наиболее близким к изобретению по технической сущности и достигаемому результату является комплексное устройство для обезвреживания сточных вод гальванического производства, содержащее реактор с пропеллерной мешалкой (2).
Недостатком известного устройства является невозможность создания на его основе гибкой системы обезвреживания промышленных стоков, позволяющей при необходимости (по причине резких колебаний расхода стоков) быстро перестроить систему с его использованием из режима периодического действия в режим непрерывного действия и наоборот.
Технический результат изобретения – создание комплексного реакторного устройства с мешалкой для выполнения реакций обезвреживания некоторых видов сточных вод гальванического производства, позволяющего организовать гибкую систему обезвреживания этих стоков.
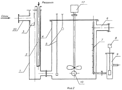
Указанный результат достигается тем, что реактор дополняется устройством (приставкой) для установки рН-метра и ввода реагента в “струю” (фиг.2 поз.1), а также устройством для контроля за эффектом обезвреживания в процессе заполнения реактора (фиг.2 поз. 7; 8; 9). При этом идет постоянный отбор проб посредством перфорированной трубы 7, кроме того, у реактора имеется патрубок 6, который используется при переводе системы на непрерывный процесс обезвреживания.
Сущность данного изобретения поясняется чертежами, где
– на фиг.1 изображена таблица зависимости удельных затрат реагента от начальной концентрации Cr+6 и значения рН обезвреживаемых стоков;
– фиг.2 – общий вид комплексного устройства;
– фиг.3 – схема системы обезвреживания стоков, работающей в периодическом режиме;
– фиг.4 – схема системы, работающей в непрерывном режиме, переоборудованной из системы, представленной на фиг.3.
Комплексное устройство для обезвреживания сточных вод гальванического производства содержит приставку 1 с расположенными в ней трубопроводом 2 подачи обезвреживающего реагента и устройством для размещения чувствительных элементов рН-метра 3, собственно реактор 4 с датчиком уровня 5, переливным патрубком 6, перфорированной трубкой 7, отверстия которой расположены равномерно по всей высоте реактора 4 для постоянного отбора проб с разного уровня по мере заполнения реактора, устройством для размещения сигнализатора 8 наличия хрома или циана и пропеллерной мешалкой 17. Также в реакторе 4 выполнено отверстие 10 (фиг.2) со штуцером для опорожнения. Подача стока в реакторы регулируется вентилем 11.
Комплексное устройство работает следующим образом.
А). В периодическом режиме эксплуатации (фиг.3) сток, подкисляемый (подщелачиваемый) подачей реагента (кислота или щелочь) в емкость 13 с целью получения заданного значения рН стока, поочередно направляется в реакторы 4. Замер значения рН производится в приставке 1. По данным рН-метра регулируется подача реагента клапаном 19. Обезвреживающий реагент подается по трубе 2. Реакция происходит в приставке 1 и завершается в реакторе 4. Контроль эффекта ведется по небольшой части стока, постоянно подаваемого по трубе 7 в стакан 9, где размещается датчик сигнализатора 8 наличия хрома или циана.
Опорожнение реактора – в зависимости от показаний сигнализатора 8 – осуществляется путем открытия задвижки 16. Слив незначительного стока из стакана 9 производится в пустой реактор 4 путем открытия вентиля 15.
Б). В непрерывном режиме эксплуатации (фиг.4) сток подкисляется (подщелачивается) в проточной емкости 13, подача реагента регулируется клапаном 19 в зависимости от сигналов рН-метров, установленных в приставках 1. Отработанный таким образом сток поступает в первую по ходу приставку 1, проходит первые два реактора. В последней по ходу приставке 1 установлен сигнализатор наличия хрома или циана. По его показаниям соответствующим клапаном 12 регулируется подача обезвреживающего реагента. Реакция обезвреживания происходит во втором по ходу реакторе 4, проток обеспечивается разновысоким расположением комплексных устройств (приставки 1 и реактора 4).
В). Перестройка системы для работы в непрерывном режиме состоит в выполнении следующих действий. На место рН-метра в последней по ходу приставке 1 устанавливается датчик сигнализатора наличия хрома или циана. Стакан 9 с сигнализаторами наличия хрома или циана демонтируется, выходные патрубки труб 7 заглушаются и работа задвижек 15 исключается, сток с определенным значением рН подается только в первый по ходу реактор 4, подача необезвреженного стока в другие реакторы исключается перекрытием задвижки 14. Снимается глухой фланец с патрубка 6 на всех реакторах, снимаются колена 18 при втором и третьем реакторах 4. Между патрубками 6 и 20 вставляется заранее заготовленный патрубок 21. Дополнительно монтируется заранее заготовленная труба 22 от последнего по ходу реактора 4. Соответственно выполняются переключения электроснабжения и автоматики.
Источники информации, принятые во внимание при составлении заявки
1. Ф.Стренк. «Перемешивание и аппараты с мешалками». Перевод с польского под редакцией И.А.Щупляка, изд. Ленинград, «Химия», 1975 г.
2. Справочник «Гибкие автоматизированные гальванические линии», под редакцией В.Л. Зубченко. М., Машиностроение, 1989 г., с.423-424.
Формула изобретения
Комплексное устройство для обезвреживания сточных вод гальванического производства, содержащее реактор с пропеллерной мешалкой, отличающееся тем, что оно дополнительно снабжено приставкой с расположенными в ней чувствительными элементами рН-метра и трубопроводом подачи реагента, конец которого размещен в полости приставки, а также стаканом для размещения сигнализаторов наличия хрома или циана, при этом реактор снабжен перфорированной трубкой для постоянного отбора проб, отверстия которой расположены равномерно по всей высоте реактора, датчиком уровня, переливным патрубком и патрубком для опорожнения реактора.
РИСУНКИ
|