|
|
(21), (22) Заявка: 2004128391/12, 19.02.2003
(24) Дата начала отсчета срока действия патента:
19.02.2003
(30) Конвенционный приоритет:
22.02.2002 (пп.1-32) DE 10207622.7
(43) Дата публикации заявки: 27.06.2005
(46) Опубликовано: 10.11.2007
(56) Список документов, цитированных в отчете о поиске:
WO 0153113 A1, 26.07.2001. WO 9904983 A1, 04.02.1999. ВД 4334848 С1, 05.01.1995. RU 2149763 C1, 27.05.2000. US 6165592 A1, 26.12.2000. US 5830609 A1, 03.11.1998.
(85) Дата перевода заявки PCT на национальную фазу:
22.09.2004
(86) Заявка PCT:
EP 03/01677 (19.02.2003)
(87) Публикация PCT:
WO 03/070482 (28.08.2003)
Адрес для переписки:
101000, Москва, М.Златоустинский пер., 10, кв.15, “ЕВРОМАРКПАТ”, пат.пов. М.Б.Веселицкому
|
(72) Автор(ы):
Манфред ХАЙМ (DE)
(73) Патентообладатель(и):
ГИЗЕКЕ УНД ДЕВРИЕНТ ГМБХ (DE)
|
(54) ЗАЩИЩЕННЫЙ ОТ ПОДДЕЛКИ ДОКУМЕНТ И ЗАЩИТНЫЙ ЭЛЕМЕНТ ДЛЯ НЕГО
(57) Реферат:
Изобретение относится к защитному элементу, а также к снабженному таким защитным элементом ценному документу и к переводному материалу для нанесения защитного элемента на ценный документ. Защищенный от подделки документ, прежде всего ценная бумага, такая, например, как банкнота, или полуфабрикат для изготовления такого защищенного от подделки документа, имеет основу с первой и второй расположенными одна напротив другой по разные стороны документа поверхностями и снабжен защитным элементом, который соединен с этой основой таким образом, что он виден по меньшей мере со стороны одной из двух поверхностей основы. Защитный элемент имеет создающий цветовой кипп-эффект многослойный интерференционный элемент и слой с дифракционными структурами, который по меньшей мере частично перекрывается с интерференционным элементом. При этом защитный элемент является полупрозрачным, интерференционный элемент по меньшей мере в одном его слое имеет вырезы, а дифракционные структуры непосредственно граничат с интерференционным элементом. Предложенное изобретение обеспечивает повышение степени защиты от подделки ценных документов. 3 н. и 29 з.п. ф-лы, 8 ил.
Настоящее изобретение относится к защитному элементу, а также к снабженному таким защитным элементом ценному документу, прежде всего ценной бумаге, такой, например, как банкнота. Изобретение равным образом относится к полуфабрикату для изготовления подобного защищенного от подделки документа. Настоящее изобретение относится прежде всего к защитному элементу в виде защитной нити, предназначенной для ее заделывания в защищенный от подделки документ в виде так называемой ныряющей нити, и к защитному элементу, выполненному в виде этикетки или переводного элемента, предназначенных для их нанесения на защищенный от подделки документ.
Под защищенными от подделки документами в контексте настоящего изобретения подразумеваются прежде всего банкноты, но также чеки, чековые карты, кредитные карты, удостоверения личности, паспорта, входные билеты, проездные билеты и иные аналогичные ценные документы. В качестве примера полуфабрикатов для изготовления из них указанных выше защищенных от подделки документов можно назвать незапечатанную защищенную от подделки бумагу и иные незапечатанные основы защищенных от подделки документов.
Обычно указанные выше документы для их защиты от подделки снабжают заделываемыми в их материал защитными нитями или наносимыми на их поверхность защитными этикетками либо защитными переводными элементами, каковые защитные нити, защитные этикетки и защитные переводные элементы одновременно служат признаками, подтверждающими подлинность снабженных ими документов. Защитные нити широко известны по их применению в виде ныряющих нитей в ценных документах, таких как банкноты, однако в принципе могут использоваться и для защиты чековых карт и иных аналогичных предметов. Ныряющие нити заделаны в основной материал защищенного от подделки документа и периодически выходят (“выныривают”) на его поверхность и поэтому визуально различимы на этих участках их “выныривания” на поверхность документа. В случае просвечивающих основ возникает своего рода переменный оптический эффект, состоящий в том, что ныряющая нить выглядит по-разному при ее рассматривании в отраженном свете и на просвет, при этом при рассматривании на просвет защитная нить выглядит как более темная полоска на фоне окружающего ее материала. В отраженном же свете увидеть можно только выходящие на поверхность участки защитной нити.
Ныряющие нити подразделяются на простые, или односторонние, ныряющие нити, которые выходят на поверхность защищенного от подделки документа только с одной его стороны, и на двусторонние ныряющие нити, которые выходят на поверхность защищенного от подделки документа с обеих его сторон, при этом к особому типу следует отнести двустороннюю ныряющую нить, называемую в последующем видимой на просвет ныряющей нитью, которую непосредственно можно увидеть с обеих сторон ценного документа. Такая видимая на просвет ныряющая нить перекрывает имеющееся в ценном документе отверстие либо имеющийся у него прозрачный участок. Другим типом двусторонней ныряющей нити является называемая ниже чередующейся ныряющей нитью защитная нить, которая попеременно выходит на поверхность документа с его лицевой и оборотной стороны и тем самым попеременно видна с его лицевой, соответственно оборотной стороны. Наряду с защитными нитями существует также возможность использовать в качестве защитных элементов так называемые переводные элементы, которые обычно располагаются поверх имеющихся в документе сквозных отверстий, например поверх круглого отверстия.
Защитные элементы имеют сложные, допускающие возможность их визуального и/или автоматического контроля защитные признаки, сымитировать или подделать которые возможно лишь при условии высоких затрат. Подобные защитные элементы с целью дополнительно повысить степень их защиты от подделки часто снабжают несколькими различными защитными признаками, которые в их сочетании могут также создавать некоторый новый общий эффект.
Одним из часто встречающихся у защитных элементов защитным признаком является многослойное дихроичное покрытие, создаваемое которым цветовое впечатление изменяется в зависимости от угла зрения и/или от его рассматривания в проходящем либо отраженном свете. В основе подобного явления лежат эффекты интерференции, обусловленные взаимным наложением многократно отражающихся в многослойной структуре и/или многократно проходящих сквозь нее световых волн в сочетании со свойствами селективно поглощать излучение, присущими материалам, имеющим слоистую структуру. Изменение объектом своей окраски в зависимости от угла зрения называют также цветовым кипп-эффектом. В отличие от этого изменение объектом своей окраски при попеременном его рассматривании в отраженном свете и на просвет ниже называется просто эффектом изменения окраски.
Оптические интерференционные покрытия с цветовым кипп-эффектом применительно к защитным элементам описаны, например, в ЕР 0341002 В1 и US 3858977. В зависимости от типа и количества таких слоев в слоистой структуре могут возникать 2, 3, 4 или более зависящих от угла зрения различных цветовых эффектов. Отражающие и светопропускающие свойства подобных слоев с цветовым кипп-эффектом зависят от многих факторов и прежде всего от показателей преломления, коэффициентов поглощения и толщины отдельных слоев, а также от их количества в слоистой структуре.
Хотя защитные элементы с дихроичным покрытием и их применение уже и известны из уровня техники, тем не менее, как и ранее, сохраняется необходимость в защитных элементах, которые обладали бы более совершенными свойствами по сравнению с известными защитными элементами.
Исходя из вышеизложенного, в основу настоящего изобретения была положена задача разработать защитные элементы, прежде всего защитную нить, соответственно переводной элемент, которые обладали бы повышенной по сравнению с известными из уровня техники защитными элементами степенью защиты от подделки.
Указанная задача решается согласно изобретению с помощью защитного элемента, а также защищенного от подделки документа, соответственно полуфабриката, отличительные признаки которых указаны в независимых пунктах формулы изобретения. Предпочтительные варианты осуществления изобретения представлены в соответствующих зависимых пунктах формулы изобретения.
В соответствии с этим предлагаемый в изобретении защитный элемент имеет многослойный интерференционный элемент, создающий и с лицевой, и с оборотной стороны защитного элемента по цветовому кипп-эффекту, проявляющемуся при рассматривании защитного элемента под различными углами зрения. При этом с лицевой и оборотной стороны защитного элемента могут возникать идентичные либо различные цветовые кипп-эффекты.
Помимо этого защитный элемент предпочтительно снабжен дифракционными структурами, по меньшей мере частично перекрывающимися с интерференционным элементом.
Подделка предлагаемых в изобретении защитных элементов из-за наличия у них сложной многослойной структуры, создаваемые которой дифракционные эффекты, цветовые кипп-эффекты и эффекты изменения окраски тем самым исключительно сложно сымитировать или воссоздать, возможна лишь при условии высоких затрат.
Интерференционный элемент образован расположенными один поверх другого интерференционными слоями, а именно поглощающим и диэлектрическим слоями, при этом интерференционный элемент может иметь и несколько расположенных один поверх другого с чередованием поглощающих и диэлектрических слоев. Вместо чередующихся поглощающих и диэлектрических слоев у интерференционного элемента могут быть также предусмотрены только диэлектрические слои, при этом для создания необходимого цветового кипп-эффекта непосредственно граничащие между собой слои должны иметь значительно различающиеся между собой показатели преломления. Однако у интерференционного элемента все же целесообразно предусматривать поглощающие слои, поскольку благодаря им цветовые кипп-эффекты становятся более выраженными и заметными.
В принципе интерференционный элемент I может иметь многослойную структуру, однако в предпочтительном варианте состоит по меньшей мере из трех интерференционных слоев, а именно из двух поглощающих слоев A1, А2 и расположенного между ними диэлектрического слоя D. Подобный трехслойный интерференционный элемент при его рассматривании под различными углами зрения и/или при его попеременном рассматривании в отраженном и проходящем свете позволяет создавать дихроичный цветовой кипп-эффект. Создать дополнительные эффекты изменения окраски, соответственно усилить эффект изменения окраски можно, предусмотрев у интерференционного элемента в чередующейся последовательности дополнительные диэлектрические и/или поглощающие слои.
В качестве поглощающих слоев A1, A2 обычно используются металлические слои, выполненные из таких материалов, как хром, железо, золото, алюминий или титан, и имеющие толщину предпочтительно от 4 до 20 нм. В качестве материалов для выполнения поглощающих слоев могут использоваться и различные соединения, например соединение никеля с хромом и железом, а также реже встречающиеся металлы, такие как ванадий, палладий или молибден. К другим пригодным для выполнения поглощающих слоев материалам относятся, например, никель, кобальт, вольфрам, ниобий, алюминий, соединения металлов, такие как фториды, оксиды, сульфиды, нитриды, карбиды, фосфиды, селениды, силициды металлов и их соединения, а также углерод, германий, кермет, оксид железа и иные материалы. Поглощающие слои могут иметь идентичное исполнение или же могут иметь различную толщину и/или могут быть выполнены из различных материалов.
Для выполнения диэлектрического слоя используются преимущественно прозрачные материалы с низким показателем преломления, составляющим <1,7, например SiO2, MgF, SiOx, где 1<х<2, и Al2О3. В принципе для выполнения диэлектрического слоя могут использоваться практически все пригодные для их нанесения (термовакуумным) напылением прозрачные соединения, т.е. прежде всего и те материалы для нанесения покрытий, которые обладают более высоким показателем преломления, такие как ZrO2, ZnS, TiO2 и оксиды индия-олова (ОИО). Толщина диэлектрического слоя D обычно составляет от 100 до 1000 нм, предпочтительно от 200 до 500 нм.
Предпочтительны особо тонкие интерференционные слои.
Поглощающие и диэлектрические слои интерференционного элемента I предпочтительно наносить методом вакуумного напыления на основу S, которая может являться компонентом защитного элемента или же служить лишь временной подложкой, удаляемой с защитного элемента самое позднее при его нанесении на или при его заделывании в защищаемый с его помощью предмет.
Для выполнения указанных слоев могут использоваться самые различные методы напыления. К одной их группе можно отнести метод конденсации из паровой фазы (КПФ) с напылением из лодочки, метод напыления путем резистивного нагрева, метод напыления путем индукционного нагрева или же метод электронно-лучевого напыления, метод ионного распыления (с использованием переменного или постоянного тока) либо метод электродугового напыления. Вместе с тем напылять такие слои можно также методом химического осаждения из паровой фазы (ХОПФ), например методом ионного распыления в реактивной плазме либо любым иным методом плазменного осаждения. В принципе существует также возможность наносить диэлектрические слои печатанием.
Интерференционный элемент может иметь такую структуру, чтобы в зависимости от обращенной к человеку стороны защитного элемента наблюдались идентичные либо различные переливы цветов. Предпочтителен интерференционный элемент, имеющий симметричное исполнение, т.е. интерференционный элемент, который с лицевой и оборотной стороны защитного элемента создает идентичные визуально воспринимаемые цветовые кипп-эффекты. Создание же различающихся между собой оптических эффектов с разных сторон защитного элемента можно обеспечить, например, варьированием используемых в отдельных слоях материалов и/или варьированием толщины отдельных слоев в слоистой структуре интерференционного элемента.
Интерференционный элемент является полупрозрачным. Под “полупрозрачностью” при этом подразумевается ограниченная светопроницаемость, т.е. светопроницаемость, которая у полупрозрачного слоя составляет менее 90%, предпочтительно от 80 до 20%.
В качестве дифракционных структур могут использоваться светопреломляющие узоры или рисунки либо просветные, объемные или отражательные голограммы, но также структуры в виде дифракционных решеток, которые предпочтительно являются частью несущей интерференционный элемент основы, но могут быть выполнены и в любом ином пригодном для этой цели слое либо в дополнительном слое. Такой дополнительный слой может представлять собой, например, лаковый слой.
Дифракционные структуры предпочтительно выполнять, прежде всего тиснением, в поверхности образующей защитный элемент прозрачной полимерной основы. Интерференционный элемент может располагаться с той же стороны такой полимерной основы, в которой тиснением выполнена рельефная структура, либо с обратной стороны на гладкой поверхности этой основы. На эту полимерную основу затем наносят, прежде всего напылением в вакууме, интерференционные слои. Вместе с тем полимерную основу можно подвергать тиснению и по завершении процесса напыления на нее соответствующих слоев. В соответствии с этим возможны различные варианты осуществления изобретения, которые позволяют создавать различные визуальные эффекты, и поэтому в зависимости от конкретной цели применения защитного элемента предпочтение может отдаваться тому или иному из них.
Согласно одному из вариантов наиболее предпочтительно, чтобы дифракционные структуры были образованы рельефным рисунком, который непосредственно граничит с интерференционным слоем. Обусловлено это тем, что в этом случае дифракционные эффекты практически в одинаковой степени хорошо визуально различимы с каждой из сторон защитного элемента. У защитного элемента, когда он заделан в материал документа в виде двусторонней ныряющей нити, дифракционный эффект виден с обеих его сторон. То же самое относится и к защитному элементу, нанесенному поверх имеющегося в документе отверстия, соответственно используемому в качестве видимой на просвет ныряющей нити, когда такой документ рассматривают в отраженном свете, например на некотором фоне.
Создаваемое таким защитным элементом оптическое впечатление с обеих его сторон в существенной степени определяется цветовым эффектом, создаваемым интерференционным элементом. Визуально воспринимаемый внешний вид защитного элемента по меньшей мере с одной его стороны, а при наличии соответствующей слоистой структуры – и с обеих его сторон в основном определяется оптическим эффектом, создаваемым этими дифракционными структурами. В этом случае создаваемые обоими защитными признаками оптические эффекты накладываются друг на друга.
Визуально дифракционные эффекты наиболее хорошо заметны при рассматривании защитного элемента в отраженном свете, т.е., например, при размещении документа на некотором фоне. При рассматривании же на просвет дифракционные эффекты проявляются в значительно меньшей степени. При этом цветовой кипп-эффект хорошо виден и в отраженном, и в проходящем свете.
Такой защитный элемент наиболее пригоден для маскирования, например, напечатанной на некотором предмете информации, которая должна быть видна только под определенным углом зрения. Так, например, у защитного элемента, который под первым углом зрения принимает зеленый цвет, а под вторым углом зрения – золотистый цвет, напечатанная золотистой краской информация становится видна только под первым углом зрения. При соответствующем подборе цветов, сменяющих друг друга при цветовом кипп-эффекте, и цветов печатных красок для нанесения печатной информации она тем самым становится хорошо заметной под определенными углами зрения, но практически не видимой под другими углами зрения.
Подобный защитный элемент наиболее пригоден для его применения в качестве двусторонней защитной нити, поскольку с каждой из ее сторон присутствуют обладающие ярко выраженными характерными особенностями защитные признаки, наличие которых и создаваемые которыми оптические эффекты можно проверить визуально. Такая двусторонняя защитная нить может использоваться в качестве чередующейся защитной нити, которая в различных местах защищенного от подделки документа попеременно появляется на его поверхности с обеих его сторон или по меньшей мере видна в этих местах. Вместе с тем такая защитная нить может использоваться и в качестве видимой на просвет ныряющей нити, которая визуально различима на особо тонком или прозрачном участке документа с обеих его сторон или перекрывает отверстие в документе.
Подобный защитный элемент пригоден также для его применения в качестве переводного элемента, например в виде этикетки или накладки, наносимого на поверхность защищенного от подделки документа поверх имеющегося у него отверстия. С одной из сторон документа защитный элемент в этом случае создает визуальное впечатление накладки с цветовым кипп-эффектом. С другой стороны документа через имеющееся в нем отверстие видна часть этой накладки, создающая другой или же при определенных условиях такой же цветовой кипп-эффект, при этом от конкретного выполнения слоистой структуры защитного элемента зависит, будет ли видна имеющаяся у защитного элемента дифракционная структура с обеих его сторон либо только с одной его стороны.
Под “переводным элементом” в контексте настоящего изобретения подразумевается защитный элемент, который предварительно изготавливают или подготавливают на отдельной подложке, например на полимерной пленке, располагая его слои в последовательности, обратной той, в которой они впоследствии будут располагаться на защищенной от подделки бумаге, и затем с приданием ему требуемых очертаний переносят на защищаемую от подделки бумагу, закрепляя на ней с помощью клеевого и лакового слоя. На форму защитного элемента не накладывается никаких ограничений, и поэтому ему можно придавать все возможные очертания вплоть до филигранных структур, таких как гильоши и иные мелкие структуры. Защитные элементы часто выполняют в виде полосок, проходящих параллельно одному из краев ценного документа. После переноса слоистой структуры защитного элемента на защищаемую с его помощью бумагу подложку можно удалить либо сохранить на этой слоистой структуре в качестве ее защитного слоя, представляющего собой неотъемлемую часть защитного элемента.
На подложке можно также предварительно изготавливать несколько отдельных переводных элементов с приданием каждому из них необходимого для переноса на защищаемую от подделки бумагу контура. В другом варианте на подложке можно выполнять непрерывную слоистую структуру без ее разделения на отдельные переводные элементы. Подложки подобного типа с расположенными на них с определенными интервалами отдельными переводными элементами или с расположенной на них непрерывной слоистой структурой в последующем называются “переводным материалом”, а расположенная на такой подложке слоистая структура, образующая собственно защитный элемент, называется “переводным слоем”.
При использовании непрерывного переводного слоя переводной материал соединяют в последующем с защищаемой от подделки бумагой слоем клея, который активируют с помощью соответствующих инструментов или штампов для тиснения, в результате чего этот переводной слой приклеивается к защищаемой от подделки бумаге только на тех участках, на которых активирован клей. Все остальные части переводного слоя удаляются затем вместе с подложкой. В другом варианте клеевому слою можно также придавать очертания, соответствующие форме переносимого на защищаемую от подделки бумагу защитного элемента. В качестве клея при этом предпочтительно использовать термоклей. Вместе с тем могут использоваться и любые иные адгезивы, например реактивные лаки.
Защитные признаки у защитного элемента предлагаемой в изобретении структуры можно комбинировать с другими защитными признаками, прежде всего с выполненными выворотным или позитивным шрифтом надписями, получаемыми путем локального удаления материала по меньшей мере одного из интерференционных слоев интерференционного элемента. При этом у интерференционного элемента с многослойной структурой можно локально удалять материал по меньшей мере одного слоя или же нескольких и даже всех его слоев. У интерференционного элемента, состоящего, например, из первого поглощающего слоя, граничащего с этим первым поглощающим слоем и перекрывающегося с ним диэлектрического слоя и граничащего с этим диэлектрическим слоем и перекрывающегося с ним второго поглощающего слоя, вырезы, остающиеся в результате локального удаления материала, предпочтительно предусматривать в первом и/или втором поглощающем слое. Под указанными выше надписями предпочтительно подразумеваются надписи, составленные из буквенно-цифровых знаков, однако изобретение не ограничивается только такими надписями. В контексте настоящего изобретения речь при этом может идти о любых графических узорах, рисунках, знаках, символах или кодах. За счет предусмотренных в слоистой структуре вырезов создается своего рода дополнительный переменный оптический эффект, заключающийся в том, что защитный элемент выглядит по-разному при его рассматривании в отраженном свете и на просвет.
Указанные знаки, символы, узоры, рисунки и коды у подобного защитного элемента, заделанного в материал ценного документа, например, в виде защитной нити, практически не видны в отраженном свете, но при рассматривании защитной нити на просвет становятся четко различимы в виде более светлых участков на окружающем их темном фоне. Локальным удалением материала тех или иных слоев в интерференционном элементе можно также изменять цветовые эффекты, создаваемые в отраженном и в проходящем свете.
Описанные выше свойства и соответствующие преимущества отдельных вариантов осуществления изобретения более подробно рассмотрены ниже со ссылкой на прилагаемые чертежи. На приведенных на этих чертежах изображениях пропорции не соответствуют реальным соотношениям размеров и служат преимущественно для более наглядного пояснения лежащих в основе изобретения принципов. На прилагаемых чертежах, в частности, показано:
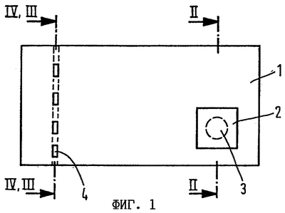
на фиг.1 – банкнота с нанесенной на ее поверхность поверх имеющегося в ней отверстия полупрозрачной накладкой,
на фиг.2 – показанная на фиг.1 банкнота в разрезе плоскостью II-II,
на фиг.3 – показанная на фиг.1 банкнота, снабженная видимой на просвет ныряющей нитью, в разрезе плоскостью III-III,
на фиг.4 – показанная на фиг.1 банкнота, снабженная односторонней ныряющей защитной нитью, в разрезе плоскостью IV-IV,
на фиг.5 – первый вариант выполнения слоистой структуры защитного элемента,
на фиг.6 – второй вариант выполнения слоистой структуры защитного элемента,
на фиг.7 – третий вариант выполнения слоистой структуры защитного элемента,
на фиг.8 – слоистая структура показанного на фиг.5 защитного элемента с вырезами в интерференционном элементе.
Технические пояснения, относящиеся к отдельным чертежам, не ограничиваются показанными на каждом из них вариантами осуществления изобретения, а служат также для пояснения общей идеи, лежащей в основе изобретения.
На фиг.1 показан защищенный от подделки документ 1, в качестве примера которого можно назвать бумажную банкноту или удостоверение личности в виде пластиковой карты, и который снабжен двумя защитными элементами 2, 4. Первый защитный элемент 2 представляет собой накладку, которая в виде этикетки или переводного элемента нанесена, например наклеена, на поверхность документа 1 поверх имеющегося в нем отверстия или иного имеющегося у него прозрачного участка 3. Второй защитный элемент 4 представляет собой двустороннюю ныряющую защитную нить, заделанную в материал документа 1 в виде попеременно выходящей на его поверхность с разных его сторон ныряющей нити либо в виде видимой на просвет ныряющей нити.
На фиг.2-4 в качестве примера показаны различные варианты нанесения защитных элементов 2 и 4 на поверхность защищенного от подделки документа и соответственно их заделывания в его материал.
На фиг.2 изображенный на фиг.1 защищенный от подделки документ 1 показан в разрезе плоскостью II-II, проходящей через накладку. При рассматривании такой банкноты в отраженном свете, например в наложенном на некоторый фон положении, дифракционные эффекты четко различимы. Однако в проходящем свете дифракционные эффекты практически не видны. Цветовой же кипп-эффект остается видимым под различными углами зрения и в отраженном, и в проходящем свете.
Отверстие в документе может быть выполнено, например, еще в процессе изготовления бумаги при ее формовании или же может быть пробито в последующем в уже готовой бумаге. Соответствующий подбор цветов, сменяющих друг друга при возникновении цветового кипп-эффекта, и соответствующее согласование с ним цвета оттиска 5 позволяет “скрывать” оттиск под накладкой 2, делая его невидимым под определенным углом зрения, но делать его видимым под другим углом зрения. Так, например, под защитным элементом, создаваемый которым цветовой кипп-эффект проявляется в изменении им своего цвета с пурпурно-красного на зеленый и наоборот, может располагаться пурпурно-красный оттиск. В этом случае под одним углом зрения, под которым элемент с цветовым кипп-эффектом приобретает пурпурно-красную окраску, расположенный под ним оттиск визуально не различимым, а сам этот элемент с цветовым кипп-эффектом кажется непрозрачным. Под другим же углом зрения, под которым элемент с цветовым кипп-эффектом приобретает зеленую окраску, можно увидеть расположенный под ним оттиск, а сам этот элемент с цветовым кипп-эффектом кажется полупрозрачным. В остальном в зоне отверстия 3 накладка 2 видна с обеих сторон защищенного от подделки документа.
На фиг.3 показана изображенная на фиг.1 ныряющая защитная нить, которая выполнена в виде видимой на просвет ныряющей нити. В этом случае документ 1, например банкнота, имеет окошки 6, которые образованы за счет уменьшения толщины материала документа на этих участках до исключительно малой величины, а в предельном случае образованы сквозными отверстиями в материале документа, и поэтому защитная нить 4 видна с обеих сторон документа 1. Тем самым оптическое впечатление, создаваемое такой защитной нитью 4 в отраженном и в проходящем свете, соответствует оптическому впечатлению, создаваемому описанной выше со ссылкой на фиг.2 накладкой 2. Прозрачные окошки 6 выполняют ту же функцию, что и отверстие 3. Если интерференционные слои и дифракционные структуры подобраны с таким расчетом, чтобы вне зависимости от обращенной к человеку стороны создаваемый защитной нитью цветовой кипп-эффект был идентичен с каждой ее стороны, то при заделывании такой защитной нити в защищаемый с ее помощью от подделки документ ее нет необходимости и располагать строго определенной стороной вверх.
Подобная защитная нить может быть заделана в материал документа и в виде чередующейся двусторонней ныряющей защитной нити (этот вариант на чертежах не показан). При этом нить попеременно проходит в окошках в материале документа с одной и с другой его стороны и соответственно попеременно видна то с одной, то с другой его стороны. В этом случае создаваемый такой защитной нитью цветовой кипп-эффект можно наблюдать на указанных участках расположения окошек в материале документа вне зависимости от ее обращенной к человеку стороны.
Очевидно, что такая защитная нить 4 может использоваться и в качестве простой (односторонней) ныряющей защитной нити, которая, как показано на фиг.4, появляется в окошках 7 в материале документа только с одной его стороны.
Методы заделывания чередующейся двусторонней ныряющей нити, например, в банкноты, известны специалистам.
На фиг.5-8 в разрезе показаны различные возможные варианты выполнения слоистой структуры предлагаемого в изобретении защитного элемента 2, соответственно 4, который изображен на этих чертежах частично.
Как поясняется ниже со ссылкой на фиг.5-8, оба защитных элемента имеют многослойную структуру и имеют предлагаемый в изобретении создающий цветовой кипп-эффект интерференционный элемент, перекрывающийся с дифракционными структурами. В соответствии с этим интерференционным элементом и дифракционными структурами определяется внешний вид защитного элемента с каждой из его сторон. В зависимости от конкретного выполнения слоистой структуры защитный элемент может иметь одинаковый внешний вид с обеих сторон или же различный внешний вид с каждой его стороны.
На фиг.5 в разрезе показан фрагмент слоистой структуры защитного элемента 2. Соответствующую структуру может иметь и защитный элемент 4. У такого защитного элемента имеется основа S, в качестве которой предпочтительно использовать полимерную пленку и с одной стороны которой на ее поверхности имеется тисненый голографический рельеф 8, с которым непосредственно перекрывается интерференционный элемент I. В другом варианте такой поверхностный рельеф 8 можно выполнить тиснением и в дополнительном лаковом слое, который может присутствовать с любой из двух сторон основы либо с обращенной наружу стороны поглощающего слоя A1.
Интерференционный элемент I, который состоит из двух поглощающих и одного диэлектрического слоев, создает при его рассматривании под различными углами зрения дихроичный цветовой кипп-эффект, например изменяет свой цвет с зеленого на пурпурно-красный и наоборот. При выполнении каждого из поглощающих слоев A1 и A2 из идентичных материалов и одинаковой толщины защитный элемент будет создавать с лицевой и оборотной стороны одинаковый кипп-эффект. Поверх интерференционного элемента I могут быть предусмотрены возможные дополнительные интерференционные слои и/или прозрачные слои.
Основанный на дифракции света оптический эффект, создаваемый защитным элементом с показанной на фиг.5 слоистой структурой хорошо виден в отраженном свете с каждой из его сторон. В проходящем же свете основанные на дифракции света оптические эффекты практически полностью сходят на нет. Цветовой кипп-эффект виден с обеих сторон защитного элемента и в отраженном, и в проходящем свете.
Поскольку толщина каждого из интерференционных слоев составляет менее 1 мкм (на чертежах слоистая структура показана лишь схематично без соблюдения пропорций между размерами), все слои имеют такой же рельефный рисунок, что и рельефная структура 8, поверх которой напылением нанесены все эти слои. В результате создаваемые рельефной структурой 8 голографические эффекты зрительно различимы с обеих сторон защитного элемента. При симметричном выполнении интерференционного элемента с показанной на фиг.5 слоистой структурой подобный защитный элемент наиболее пригоден для его применения в качестве двусторонней защитной нити, поскольку основанные на дифракции света оптические эффекты и цветовые кипп-эффекты у такого защитного элемента практически идентичны с обеих его сторон. С учетом этого при заделывании такой защитной нити в защищенный от подделки документ ее нет необходимости располагать строго определенной стороной вверх.
На фиг.6 показан другой вариант выполнения слоистой структуры защитного элемента 2. В этом случае рельеф 8 выполнен тиснением в той поверхности основы S, которая расположена с ее обращенной от интерференционного элемента I стороны. Чувствительная к механической нагрузке рельефная структура 8 при этом покрыта защитным слоем С, наличие которого в принципе является не обязательным. Показатель преломления защитного слоя С должен значительно отличаться от показателя преломления основы S, чтобы создаваемый рельефной структурой оптический эффект, основанный на дифракции света, проявлялся в максимально возможной степени. В другом варианте в качестве защитного слоя может использоваться двухслойная система. Так, например, поверх рельефной структуры 8 можно напылением нанести слой с высоким показателем преломления, например из TiO2, ZnS, ZrO2 или иного аналогичного материала, и поверх этого слоя нанести защитный слой. В этом случае к показателю преломления защитного слоя не предъявляется каких-либо особых требований.
При рассматривании снабженного подобным защитным элементом защищенного от подделки документа со стороны поглощающего слоя A1 зрительно будет восприниматься цветовой кипп-эффект. Голографические эффекты при рассматривании защищенного от подделки документа с этой стороны не возникают. При рассматривании того же самого защитного элемента с другой стороны, т.е. со стороны основы, наряду с цветовым кипп-эффектом зрительно будет восприниматься также создаваемый дифракционной структурой 8 оптический эффект, основанный на дифракции света. Тем самым показанная на фиг.6 слоистая структура при ее рассматривании с одной стороны создает голографический эффект в сочетании с цветовым кипп-эффектом, а при ее рассматривании с другой стороны создает только цветовой кипп-эффект без накладывающихся на него дифракционных эффектов.
Вместо поглощающих слоев A1, A2 могут использоваться также диэлектрические слои D, при этом для создания ярко выраженного цветового кипп-эффекта показатели преломления смежных диэлектрических слоев D должны значительно различаться между собой, т.е. у одного из них показатель преломления n должен быть меньше 1,7, а у другого – больше 1,7. Подобная слоистая структура с четырьмя расположенными один поверх другого диэлектрическими слоями D1-D4 показана на фиг.7. За исключением слоистой структуры интерференционного элемента I показанный на фиг.7 защитный элемент 2 во всем остальном аналогичен защитному элементу 2, показанному на фиг.5. Обычно создаваемый такой слоистой структурой цветовой кипп-эффект менее выражен по сравнению с цветовым кипп-эффектом, создаваемым показанной на фиг.5 слоистой структурой. Однако светопроницаемость такой слоистой структуры гораздо выше и превышает 70%, а часто даже превышает 85%.
На фиг.8 показан предпочтительный вариант осуществления изобретения, в соответствии с которым интерференционный элемент I имеет вырез 9, который на фиг.8 виден лишь в разрезе. В виде в плане этот вырез 9 может иметь форму символов, знаков, узоров, рисунков или кодов. Такие узоры, рисунки, символы, знаки или коды наиболее хорошо видны на просвет. В зоне вырезов 9 защитный элемент является прозрачным или по меньшей мере полупрозрачным и не создает вовсе цветового кипп-эффекта либо создает цветовой кипп-эффект, отличный от цветового кипп-эффекта, создаваемого окружающими вырезы участками. При полном удалении материала интерференционных слоев на соответствующих вырезам участках такие вырезы будут выглядеть на просвет как абсолютно бесцветные. В результате дополнительно создается своего рода переменный оптический эффект, заключающийся в том, что защитный элемент выглядит по-разному при его рассматривании в отраженном свете и на просвет. У подобного защитного элемента, когда он, например, в виде защитной нити заделан в материал банкноты, вырезы 9, которые могут иметь форму символов, знаков, рисунков или кодов, в зависимости от выполнения слоистой структуры менее заметны или даже практически не видны в отраженном свете. При рассматривании на просвет эти вырезы становятся четко различимы в виде светлых участков на окружающем их темном фоне, образуемом остальной частью защитной нити. Цветовой же кипп-эффект виден в отраженном свете и на просвет и стороны основы, и с противоположной от нее стороны. Помимо этого на просвет можно увидеть вырезы. Основанные на дифракции света оптические эффекты, создаваемые дифракционными структурами 8, можно увидеть в отраженном свете с обеих сторон защитного элемента. На участках расположения вырезов цветовые кипп-эффекты отсутствуют.
Вырезы 9 в интерференционном элементе I можно выполнять лазерной абляцией на несущей интерференционный элемент I подложке или же только на основе S. Вместе с тем основу S еще до напыления на нее интерференционных слоев можно также запечатывать растворимой краской на участках расположения будущих вырезов 9, а затем на последующей стадии вымыванием удалять эту растворимую краску вместе с расположенным поверх нее материалом интерференционных слоев на участках расположения вырезов 9. Вырезы 9 можно получать и иными различными методами, которые хорошо известны специалистам в данной области.
При неполном удалении материала интерференционных слоев на участке расположения вырезов, т.е., например, при выполнении вырезов только в одном или обоих поглощающих слоях, можно также отказаться от дополнительного применения дифракционных структур.
Пример 1
В поверхности прозрачной полимерной пленки тиснением выполняли дифракционные структуры. Поверх этих дифракционных структур напылением наносили интерференционный элемент, имеющий следующую слоистую структуру:
– поглощающий слой из хрома толщиной 8 нм,
– диэлектрический слой из SiO2 с оптической длиной пути, равной 480 нм,
– поглощающий слой из хрома толщиной 8 нм.
Защитный элемент такой структуры наносили на банкноту поверх имеющегося у нее отверстия. Защитный элемент проявлял ярко выраженный цветовой кипп-эффект, заключавшийся в изменении его окраски с зеленой при рассматривании под прямым углом зрения на пурпурно-красную при рассматривании под углом, меньшим 45°.
При рассматривании в проходящем свете защитный элемент выглядит просвечивающим, а создаваемый им цветовой кипп-эффект четко виден с обеих его сторон. При рассматривании в проходящем свете голографические эффекты практически полностью сходили на нет. При рассматривании же в отраженном свете на непрозрачном фоне голографический эффект четко различим с обеих сторон защитного элемента. Помимо этого хорошо заметен и цветовой кипп-эффект. Голографические эффекты в сочетании с цветным интерференционным элементом создавали в отличие от обычных отражательных голограмм с металлическим фоном необычное, яркое цветовое впечатление.
Пример 2
Этот пример аналогичен примеру 1 за исключением того, что интерференционный элемент имел следующую слоистую структуру:
– поглощающий слой из хрома толщиной 10 нм,
– диэлектрический слой из SiO2 толщиной 280 нм,
– поглощающий слой из хрома толщиной 10 нм.
В общем случае и во всех описанных вариантах в качестве основы S предпочтительно используется прозрачный материал, который может также иметь некоторую собственную окраску, либо прозрачный материал с цветным прозрачным покрытием. В качестве основы S предпочтительно использовать гибкую полимерную пленку, которую после выполнения в ней тиснением рельефной структуры 8 и после нанесения на нее интерференционного элемента I разрезают на отдельные полосы, нити или этикетки. Основу S можно также располагать на переводной пленочной подложке и переносить на документ переводным методом, например методом горячего тиснения. В соответствии с этим в показанных на фиг.5-8 слоистых структурах могут быть предусмотрены и другие слои, например защитные слои и прежде всего клеевые слои и маскирующие слои, что позволяет после удаления маскирующего слоя наклеить защитный элемент в виде этикетки на защищаемый с его помощью предмет либо соответствующим переводным методом перенести его в виде переводного элемента на защищаемый предмет.
Формула изобретения
1. Защищенный от подделки документ, прежде всего ценная бумага, такая, например, как банкнота, или полуфабрикат для изготовления такого защищенного от подделки документа, имеющий основу (1) с первой и второй расположенными одна напротив другой по разные стороны документа, соответственно полуфабриката поверхностями и снабженный защитным элементом (2, 4), который соединен с этой основой (1) таким образом, что он виден по меньшей мере со стороны одной из двух поверхностей основы, и который имеет создающий цветовой кипп-эффект многослойный интерференционный элемент (I) и слой (S) с дифракционными структурами (8), который по меньшей мере частично перекрывается с интерференционным элементом (I), отличающийся тем, что защитный элемент является полупрозрачным, интерференционный элемент (I) по меньшей мере в одном его слое имеет вырезы, а дифракционные структуры (8) непосредственно граничат с интерференционным элементом (I).
2. Защищенный от подделки документ или полуфабрикат по п.1, у которого защитный элемент (2, 4) нанесен на одну из двух поверхностей основы (1) и перекрывает имеющееся в ней отверстие (3) или имеющийся у нее прозрачный участок.
3. Защищенный от подделки документ или полуфабрикат по п.1, у которого защитный элемент (4) по меньшей мере частично заделан в основу (1) и перекрывает имеющееся в ней отверстие (3) или имеющийся у нее прозрачный участок.
4. Защищенный от подделки документ или полуфабрикат по п.3, у которого защитный элемент (4) заделан в основу (1) таким образом, что со стороны первой ее поверхности он виден на первых участках этой основы (1) и необязательно дополнительно виден со стороны второй ее поверхности на не совмещенных с первыми участками вторых участках основы.
5. Защищенный от подделки документ или полуфабрикат по п.3, у которого защитный элемент (4) представляет собой защитную нить.
6. Защищенный от подделки документ или полуфабрикат по п.4, у которого защитный элемент (4) представляет собой защитную нить.
7. Защищенный от подделки документ или полуфабрикат по п.1, у которого интерференционный элемент (I) расположен на прозрачной полимерной основе (S).
8. Защищенный от подделки документ или полуфабрикат по п.7, у которого полимерная основа (S) является цветной.
9. Защищенный от подделки документ или полуфабрикат по п.1, у которого интерференционный элемент (I) имеет первый поглощающий слой (A1), граничащий с этим первым поглощающим слоем (A1) и перекрывающийся с ним диэлектрический слой (D) и граничащий с этим диэлектрическим слоем (D) и перекрывающийся с ним второй поглощающий слой (А2).
10. Защищенный от подделки документ или полуфабрикат по п.1, у которого интерференционный элемент (I) имеет по меньшей мере три граничащих один с другим, взаимно перекрывающихся диэлектрических слоя (D1-D4), которые попеременно обладают высоким и низким показателем преломления.
11. Защищенный от подделки документ или полуфабрикат по п.1, у которого образующие интерференционный элемент (I) слои (A1, D, А2; D1-D4) нанесены напылением.
12. Защищенный от подделки документ или полуфабрикат по п.1, у которого интерференционный элемент (I) имеет вырезы (9) в виде символов, знаков, узоров, рисунков или кодов, присутствующие предпочтительно только в одном из слоев интерференционного элемента, наиболее предпочтительно по меньшей мере в одном из поглощающих слоев.
13. Защищенный от подделки документ или полуфабрикат по одному из пп.6-12, у которого полимерная основа (S) имеет дифракционные структуры (8).
14. Защищенный от подделки документ или полуфабрикат по одному из пп.1-12, у которого дифракционные структуры (8) присутствуют в отдельном слое.
15. Защищенный от подделки документ или полуфабрикат по п.1, у которого дифракционные структуры (8) образованы тисненым рельефным рисунком.
16. Защищенный от подделки документ или полуфабрикат по п.1, у которого создаваемый дифракционными структурами эффект виден в зависимости от условий рассматривания защитного элемента с одной либо с обеих его сторон.
17. Защищенный от подделки документ или полуфабрикат по п.1, у которого создаваемый дифракционными структурами эффект и/или создаваемый интерференционным элементом цветовой кипп-эффект виден в зависимости от условий рассматривания защитного элемента с одной либо с обеих его сторон.
18. Защищенный от подделки документ или полуфабрикат по п.17, у которого создаваемый дифракционными структурами эффект и/или создаваемый интерференционным элементом цветовой кипп-эффект в зависимости от условий рассматривания защитного элемента идентичен с обеих его сторон.
19. Защитный элемент для заделывания в или нанесения на защищенный от подделки документ (1), прежде всего для ценных бумаг, таких, например, как банкнота, имеющий создающий цветовой кипп-эффект многослойный интерференционный элемент (I) и слой (S) с дифракционными структурами (8), который по меньшей мере частично перекрывается с интерференционным элементом (I), отличающийся тем, что он является полупрозрачным, интерференционный элемент (I) по меньшей мере в одном его слое имеет вырезы, а дифракционные структуры (8) непосредственно граничат с интерференционным элементом (I).
20. Защитный элемент по п.19, у которого интерференционный элемент (I) расположен на прозрачной полимерной основе (S).
21. Защитный элемент по п.19 или 20, у которого интерференционный элемент (I) имеет первый поглощающий слой (A1), граничащий с этим первым поглощающим слоем (A1) и перекрывающийся с ним диэлектрический слой (D) и граничащий с этим диэлектрическим слоем (D) и перекрывающийся с ним второй поглощающий слой (А2).
22. Защитный элемент по п.19 или 20, у которого интерференционный элемент (I) имеет по меньшей мере три граничащих один с другим, взаимно перекрывающихся диэлектрических слоя (D1-D4), которые попеременно обладают высоким и низким показателем преломления.
23. Защитный элемент по п.19, у которого образующие интерференционный элемент (I) слои (A1, D, А2; D1-D4) нанесены напылением.
24. Защитный элемент по п.19, у которого интерференционный элемент (I) имеет вырезы (9) в виде символов, знаков, узоров, рисунков или кодов, присутствующие предпочтительно только в одном из слоев интерференционного элемента, наиболее предпочтительно по меньшей мере в одном из поглощающих слоев.
25. Защитный элемент по п.20, у которого полимерная основа (S) имеет дифракционные структуры (8).
26. Защитный элемент по п.19, у которого дифракционные структуры (8) присутствуют в отдельном слое.
27. Защитный элемент по п.19, у которого дифракционные структуры (8) образованы тисненым рельефным рисунком.
28. Защитный элемент по п.19, у которого создаваемый дифракционными структурами эффект и/или создаваемый перекрывающимся с ними интерференционным элементом цветовой кипп-эффект виден в зависимости от условий рассматривания защитного элемента с обеих его сторон.
29. Защитный элемент по п.19, выполненный в виде защитной нити для заделывания в защищенный от подделки документ.
30. Защитный элемент по п.19, выполненный в виде этикетки или накладки для нанесения на защищенный от подделки документ.
31. Защитный элемент по п.19, выполненный в виде переводного элемента для нанесения на защищенный от подделки документ переводным методом.
32. Переводной материал для нанесения защитного элемента на ценный документ, имеющий следующую слоистую структуру: многослойный интерференционный элемент (I) с цветовым кипп-эффектом и по меньшей мере частично перекрывающийся с этим интерференционным элементом слой (3) с дифракционными структурами, отличающийся тем, что защитный элемент является полупрозрачным, интерференционный элемент (I) по меньшей мере в одном его слое имеет вырезы, а дифракционные структуры (8) непосредственно граничат с интерференционным элементом (I).
РИСУНКИ
|
|