|
|
(21), (22) Заявка: 2006109213/13, 24.03.2006
(24) Дата начала отсчета срока действия патента:
24.03.2006
(46) Опубликовано: 10.11.2007
(56) Список документов, цитированных в отчете о поиске:
RU 2081564 С1, 20.06.1977. RU 2092038 С1, 10.10.1997. SU 1329696 А1, 27.02.1985.
Адрес для переписки:
109456, Москва, 1-й Вешняковский пр-д, 2, ГНУ ВИЭСХ, Патентный отдел
|
(72) Автор(ы):
Марьяхин Фридрих Григорьевич (RU), Учеваткин Александр Иванович (RU), Коршунов Борис Петрович (RU), Коршунов Алексей Борисович (RU), Некрасов Антон Алексеевич (RU)
(73) Патентообладатель(и):
Государственное научное учреждение Всероссийский НИИ электрификации сельского хозяйства Российской академии сельскохозяйственных наук (ГНУ ВИЭСХ РОССЕЛЬХОЗАКАДЕМИИ) (RU)
|
(54) ЭНЕРГОСБЕРЕГАЮЩАЯ СИСТЕМА ОХЛАЖДЕНИЯ МОЛОКА НА ФЕРМАХ С ИСПОЛЬЗОВАНИЕМ ПРИРОДНОГО ХОЛОДА
(57) Реферат:
Изобретение предназначено для использования в области охлаждения пищевых продуктов, в частности молока на фермах. Система охлаждения молока содержит аккумулирующий резервуар, размещенный в нем испаритель компрессорно-конденсаторного агрегата, насосы, теплообменник для охлаждения молока, аккумулятор холода и теплообменник с вентилятором. Последний размещен на наружном воздухе. Аккумулятор представляет собой цилиндрическую теплоизолированную емкость с двумя группами определенно установленных перегородок. Аккумулятор соединен с системой снабжения холодной водой из артезианской скважины и с системой нагретой воды. Теплообменник для охлаждения молока выполнен двухсекционным и соединен с нижней и верхней частями аккумулятора холода. Установленный на наружном воздухе теплообменник соединен с аккумулирующим резервуаром и с теплообменником для охлаждения молока. Изобретение обеспечивает снижение капитальных затрат, повышение экологической безопасности, надежности и холодопроизводительности в условиях низких температур наружного воздуха. 1 ил.
Изобретение относится к области охлаждения жидких продуктов, в том числе молока, и может быть использовано в сельскохозяйственном производстве, пищевой промышленности, а также при обработке и хранении молока и других пищевых продуктов.
Известны энергосберегающие системы для охлаждения сельхозпродукции, в частности молока, естественным и искусственным холодом. Они состоят из корпуса, трубопроводов, теплообменника, холодильной машины, насоса, вращающегося колеса с распылительными форсунками и аэродинамическими поверхностями (см., например, патент РФ №2092038, БИ №28, 1997).
Недостатком этих устройств являются низкая аккумулирующая способность и надежность в условиях околонулевых температур.
Из известных устройств наиболее близким по технической сущности к предлагаемому изобретению является охлаждающее устройство для ферм (Патент РФ №2081564, БИ №17, 1997). Устройство состоит из аккумулирующего резервуара, установленного на открытом воздухе, насоса хладоносителя, экранов, компрессорно-конденсаторного агрегата, теплообменника, блока управления, трубопроводов, кранов.
Недостатком этого устройства являются большие затраты электроэнергии, низкая экологическая безопасность в теплое время года, высокие капитальные и эксплуатационные затраты, недостаточная хладопроизводительность и надежность в условиях активного льдообразования.
Задачей изобретения является снижение капитальных расходов и эксплуатационных затрат, повышение экологической безопасности, надежности, хладопроизводительности и аккумулирующей способности в условиях низких температур наружного воздуха.
Вышеуказанный технический результат достигается тем, что на наружном воздухе установлен вентилятор с теплообменником, одна сторона которого соединена с трубопроводом с насосом хладоносителя и аккумулирующим резервуаром, а другая сторона соединена трубопроводом с установленным на нем воздушным клапаном со второй секцией теплообменника, выполненного двухсекционным, и далее с верхней частью аккумулирующего резервуара, а первая секция двухсекционного теплообменника трубопровода соединена с верхней частью аккумулятора холода, соединенной, в свою очередь, с внутренней системой водоснабжения фермы, причем аккумулятор холода представляет собой цилиндрическую теплоизолированную емкость поочередно и равномерно с установленным в ней двумя группами теплоизолированных перегородок, таким образом, что каждая группа перегородок образует с внутренней боковой поверхностью аккумулятора холода противоположно расположенные щели, а нижняя часть аккумулятора холода соединена с внешней системой водоснабжения фермы и дополнительно через насос хладоносителя и трубопровод с другой стороной первой секции теплообменника, кроме того, аккумулирующий резервуар заполнен экологически безопасным хладоносителем с низкой температурой замерзания, при этом компрессорно-конденсаторный агрегат и датчики температуры электрически соединены с блоком управления, а на трубопроводах, подходящих к обеим сторонам теплообменника, помещенного перед вентилятором, установлен соединяющий их трубопровод с трехходовым краном.
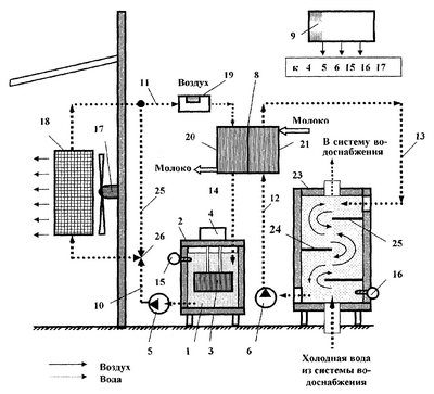
Сущность изобретения поясняется чертежом, на котором изображена схема энергосберегающей системы охлаждения молока с использованием природного холода. Система состоит из аккумулирующего резервуара 1 с крышкой 2, размещенного в нем испарителя 3, компрессорно-конденсаторного агрегата 4, насосов хладоносителя 5 и 6, экрана 7, теплообменника 8, блока управления 9, трубопроводов 10, 11, 12, 13, 14, датчиков температуры 15 и 16, причем на наружном воздухе установлен вентилятор 17 с теплообменником 18, одна сторона которого соединена через трубопровод 10 с насосом хладоносителя 5 и аккумулирующим резервуаром 1, а другая сторона соединена трубопроводом 11 с установленным на нем воздушным клапаном 19 со второй секцией 20 теплообменника 8, выполненного двухсекционным, и далее с верхней частью аккумулирующего резервуара 1, а первая секция 21 двухсекционного теплообменника 8 трубопроводом 13 соединена с верхней частью аккумулятора холода 23, которая соединена, в свою очередь, с водонагревателем и технологической системой водоснабжения фермы, причем аккумулятор холода 23 представляет собой цилиндрическую теплоизолированную емкость с поочередно и равномерно установленными в ней двумя группами теплоизолированных перегородок 24 и 25, таким образом, что каждая группа перегородок образует с внутренней боковой поверхностью аккумулятора холода 23 противоположно расположенные щели, а нижняя часть аккумулятора холода 23 соединена с внешней системой водоснабжения фермы и дополнительно через насос хладоносителя 6 трубопроводом 12 с другой стороной первой секции 21 двухсекционного теплообменника 8, причем аккумулирующий резервуар 1 заполнен экологически безопасным хладоносителем с низкой температурой замерзания (например, эксол или экофрост), а насосы хладоносителя 5 и 6, вентилятор 17, компрессорно-конденсаторный агрегат 4 и датчики температуры 15 и 16 электрически соединены с блоком управления 9, а на трубопроводах 10 и 11, подходящих к обеим сторонам теплообменника 18, помещенного перед вентилятором 17, установлен соединяющий их трубопровод 25 с трехходовым краном 26.
Энергосберегающая система охлаждения молока на фермах с использованием природного холода работает следующим образом.
В аккумулирующий резервуар 1 с крышкой 2 заливается хладоноситель с низкой температурой замерзания, например экосол или экофрост, который может функционировать при отрицательных температурах. Вода из внешней системы водоснабжения фермы непрерывно, по мере ее расходования фермой, поступает в герметизированный аккумулятор холода 23, проходит через щели, образованные теплоизолированными перегородками 24 и 25, а затем поступает во внутреннюю систему водоснабжения фермы в водонагреватель, на подмыв вымени, промывку оборудования и другие технологические и санитарные цели. Таким образом, в нижней части аккумулятора холода 23 практически постоянно поддерживается температура до 10°С. При поступлении молока, подаваемого на охлаждение в первую секцию 21 и вторую секцию 20 двухсекционного теплообменника 8, с блока управления 9 включаются насосы хладоносителя 5 и 6 и вентилятор 18. В первую секцию 21 теплообменника 8 хладоноситель (вода) подается из нижней части аккумулятора холода 23 насосом хладоносителя 6, охлаждает молоко в первой секции 21 и возвращается в верхнюю часть аккумулятора холода 23. Теплоизолированные перегородки препятствуют нагреву хладоносителя во всем объеме аккумулятора холода 23. Вода поступает через те же щели между теплоизолированными перегородками 24 и 25 и внутренней поверхностью аккумулятора холода 23. Фронт между нагретой и холодной водой по мере охлаждения молока во время дойки смещается вниз или вверх в зависимости от интенсивности расхода или поступления хладоносителя. Предварительно охлажденное в первой секции 21 теплообменника 8 молоко поступает во вторую секцию теплообменника 20. В холодное время года незамерзающий при низких температурах хладоноситель из аккумулирующего резервуара 1 с крышкой 2 поступает в теплообменник 18, где охлаждается холодным воздухом, подаваемым вентилятором 17. Затем охлажденный хладоноситель по трубопроводу 11 с установленным на нем воздушным клапаном 19 поступает во вторую секцию 20 двухсекционного теплообменника 8, где молоко окончательно охлаждается до требуемых температур (2…4°С). Таким образом, в холодное время года молоко охлаждается полностью природным (естественным) холодом. Этот период может достигать в северных регионах семи месяцев в году. Воздушный клапан 19 работает следующим образом. При наличии давления хладоносителя он закрывается, прекращая доступ воздуха в систему. Когда в конце работы насос хладоносителя 5 выключается, воздушный клапан 19 открывается, воздух попадает в систему и хладоноситель стекает в аккумулирующий резервуар 1.
В теплое время года по команде датчика температуры 15 с блока управления 9 включается компрессорно-конденсаторный агрегат 4, хладоагент поступает в испаритель 3 и доохлаждает находящийся в аккумулирующем резервуаре 1 хладоноситель, который может аккумулировать холод в период между дойками. Происходит доохлаждение предварительно охлажденного в первой секции 21 молока. При этом поступление хладоносителя в теплообменник 18 может быть исключено краном 26. Тогда хладоноситель протекает по трубе 25 и попадает в трубопровод 11, минуя теплообменник 18 и не нагреваясь в нем. Таким образом, за счет аккумулирования искусственного и природного холода грунтовой воды и наружного воздуха хладопроизводительность и стоимость компрессорно-конденсаторного агрегата, определяющего стоимость всей системы, снижается и расход электроэнергии сокращается.
Таким образом, достигаются поставленные цели – снижаются затраты электроэнергии; повышается надежность системы в условиях низких температур наружного воздуха и экологическая безопасность.
По команде с блока управления 9 по сигналам датчиков температуры 15 и 16 может отключаться вентилятор 17, предупреждая замораживание молока.
Формула изобретения
Система охлаждения молока, содержащая аккумулирующий резервуар, размещенный в нем испаритель, компрессорно-конденсаторный агрегат, насосы хладоносителя, теплообменник для охлаждения молока, блок управления, трубопроводы, датчики температуры, отличающаяся тем, что она дополнительно снабжена теплообменником с вентилятором, установленным на наружном воздухе, и аккумулятором холода, представляющим собой цилиндрическую теплоизолированную емкость с двумя группами теплоизолированных перегородок, установленными в ней поочередно и равномерно таким образом, что каждая группа образует с внутренней боковой поверхностью емкости противоположно расположенные щели, причем нижняя и верхняя части аккумулятора холода соединены соответственно с системой снабжения холодной водой из артезианской скважины и нагретой водой, а теплообменник выполнен двухсекционным и первая секция одной стороной через насос холодоносителя посредством трубопровода соединена с нижней частью аккумулятора холода, а другой стороной с верхней частью аккумулятора холода, при этом одна сторона установленного на наружном воздухе теплообменника посредством трубопровода и насоса соединена с аккумулирующим резервуаром, а вторая его сторона посредством трубопровода с воздушным клапаном соединена со второй секцией теплообменника и далее с верхней частью аккумулирующего резервуара.
РИСУНКИ
|
|