|
|
(21), (22) Заявка: 2006117908/09, 24.05.2006
(24) Дата начала отсчета срока действия патента:
24.05.2006
(46) Опубликовано: 27.10.2007
(56) Список документов, цитированных в отчете о поиске:
RU 2231906 C2, 27.09.2002. RU 2167485 C1, 20.05.2001. JP 53021730 B4, 28.02.1978.
Адрес для переписки:
620078, г.Екатеринбург, ул. Студенческая, 51, ЗАО “РЭЛТЕК”
|
(72) Автор(ы):
Лузгин Владислав Игоревич (RU), Петров Александр Юрьевич (RU), Черных Илья Викторович (RU), Шипицын Виктор Васильевич (RU), Якушев Константин Викторович (RU), Рачков Сергей Александрович (RU)
(73) Патентообладатель(и):
ООО “Завод Энергомаш” (RU)
|
(54) ОДНОФАЗНОЕ ПРЕОБРАЗОВАТЕЛЬНОЕ УСТРОЙСТВО ПЕРЕМЕННО-ПЕРЕМЕННОГО ТОКА ДЛЯ ИНДУКЦИОННОГО НАГРЕВА
(57) Реферат:
Предлагаемое изобретение – однофазное преобразовательное устройство переменно-переменного тока для индукционного нагрева относится к преобразовательной технике и может быть использовано для индукционного нагрева и плавки металлов и сплавов. Технический результат при осуществлении изобретения заключается в возможности формирования двухчастотной системы токов в нагрузке-индукторе при частоте высокочастотной составляющей тока нагрузки-индуктора, равной частоте питающего переменного напряжения, при этом частота низкочастотной составляющей тока нагрузки-индуктора по крайней мере в несколько раз ниже частоты питающего переменного напряжения. Устройство содержит два идентичных одинарных, имеющих входные и выходные выводы преобразовательных устройства, при этом их входные выводы подсоединены к питающему источнику переменного напряжения, а выходные выводы подсоединены к нагрузочным контурам, каждый из которых образован активно-индуктивной нагрузкой-индуктором, зашунтированной компенсирующим конденсатором. Каждое одинарное преобразовательное устройство, например первое, состоит из 4-х полностью управляемых вентилей. Два первых из этих полностью управляемых вентилей – 1-й и 2-й подсоединены к разным выводам источника питания переменного напряжения, при этом упомянутые вентили соединены согласно последовательно в прямом направлении по отношению к положительной полярности, например, первого полупериода питающего переменного напряжения и подсоединены к нагрузочному контуру таким образом, чтобы при их открывании подавать на нагрузочный контур напряжение одной, например, положительной полярности в течение каждого первого полупериода питающего переменного напряжения для формирования первого полупериода тока низкой частоты. Два вторых из этих полностью управляемых вентилей – 3-й и 4-й – также подсоединены к разным выводам источника питания переменного напряжения, при этом упомянутые вентили также соединены согласно последовательно в прямом направлении по отношению к положительной полярности того же первого полупериода питающего переменного напряжения и подсоединены к нагрузочному контуру таким образом, чтобы при их открывании подавать в нагрузочный контур напряжение одной, но отрицательной полярности в течение каждого первого полупериода питающего переменного напряжения для формирования второго полупериода тока низкой частоты. Второе идентичное одинарное преобразовательное устройство подсоединено к питающему источнику переменного напряжения и к первому устройству таким образом, чтобы в течение каждого второго, т.е. отрицательного полупериода питающего переменного напряжения, подавать на свой нагрузочный контур напряжение положительной и отрицательной полярности для формирования в нем разнополярных полупериодов тока низкой частоты. 1 з.п. ф-лы, 1 ил.
Предлагаемое изобретение – однофазное преобразовательное устройство переменно-переменного тока для индукционного нагрева относится к преобразовательной технике и может быть использовано для индукционного нагрева и плавки металлов и сплавов.
В ряде электротехнологических установок и процессов для повышения эффективности их работы целесообразно применение двухчастотного электромагнитного поля, обеспечивающего двухчастотную систему токов, например: при плавке металлов, когда плавка металла производится на высокой частоте, а его перемешивание – на низкой частоте; в электромагнитном насосе для перекачивания жидкого металла, когда перекачивание металла осуществляется на низкой частоте, а его подогрев для предотвращения затвердевания – на высокой частоте.
Для генерирования двухчастотного электромагнитного поля, а следовательно, и двухчастотной системы токов известен автономный полумостовой инвертор и способ управления его работой. Упомянутый инвертор содержит полумостовую схему из управляемых ключей, шунтированных диодами, фильтровый конденсатор и разделительные конденсаторы, подключенные параллельно источнику питания постоянного напряжения. Нагрузка инвертора выполнена в виде высокочастотного параллельного резонансного колебательного контура, а с общей точкой разделительных конденсаторов и последовательно с высокочастотным LC-контуром соединен низкочастотный дроссель. Таким образом, в инверторе имеется последовательный низкочастотный резонансный колебательный LC-контур и параллельный высокочастотный резонансный колебательный LC-контур, в результате чего посредством управления управляемыми ключами полумостового инвертора формируют систему двухчастотного тока (1. Патент №2231906).
Упомянутый аналог позволяет генерировать двухчастотные электромагнитные поля, а следовательно, двухчастотные системы токов в широком диапазоне изменения частоты как низкочастотной, так и высокочастотной составляющих электромагнитного поля, при этом предельная высокая частота высокочастотной составляющей электромагнитного поля определяется только динамическими параметрами управляемых ключей, используемых в автономном инверторе, прежде всего временем включения и выключения управляемых ключей, а также допустимыми скоростями изменения токов и напряжений этих ключей. При этом габариты и масса высокочастотного колебательного контура с повышением частоты уменьшаются. Однако при предельной низкой частоте низкочастотной составляющей электромагнитного поля и соответственно тока существенно возрастают габариты и масса низкочастотного колебательного контура, т.к., чем ниже частота низкочастотной составляющей электромагнитного поля и соответственно тока, тем больше емкость С и индуктивность L низкочастотного колебательного LC-контура. Это приводит к существенному ухудшению массогабаритных показателей устройства-аналога.
Наиболее близким к предлагаемому устройству является принятый в качестве прототипа однофазный однополупериодный тиристорный усилитель, или что то же самое однофазный однополупериодный выпрямитель (2. Шопен Л.В. Бесконтактные электрические аппараты автоматики. Учебник для студентов вузов, обучающихся по специальности «Электрические аппараты». М.: Энергия, 1976, стр.397, рис.10-4).
Упомянутый выпрямитель содержит один тиристор ВУ, который соединен последовательно с активной нагрузкой RH и полученная последовательная цепь подсоединена к питающей сети переменного напряжения е. При отпирании тиристора в полупериод переменного напряжения, когда на тиристоре имеется положительное напряжение, на нагрузке формируется выпрямленное однополупериодное напряжение. Однако для достижения заявленного технического результата, т.е. формирования двухчастотной системы токов в нагрузке-индукторе, при этом частота высокочастотной составляющей равна частоте питающего переменного напряжения, а частота низкочастотной составляющей тока, по крайней мере, в несколько раз ниже частоты питающего переменного напряжения, необходимо обеспечивать выпрямленное однополупериодное напряжение на нагрузке положительной и отрицательной полярности, чтобы сформировать два полупериода напряжения или тока низкой частоты, но в прототипе этого обеспечить нельзя, т.к. в нем можно формировать выпрямленное однополупериодное напряжение или ток только одной полярности, следовательно, никакой двухчастотной системы токов в прототипе получить нельзя.
Авторами предлагается однофазное преобразовательное устройство переменно-переменного тока для индукционного нагрева и плавки металлов и сплавов, в котором достигается заявленный технический результат, т.е. формирование в нагрузке-индукторе двухчастотной системы токов, при этом частота высокочастотной составляющей равна частоте питающего переменного напряжения, а частота низкочастотной составляющей тока, по крайней мере, в несколько раз ниже частоты питающего переменного напряжения.
Сущность предлагаемого изобретения заключается в следующем. В схему однофазного однополупериодного выпрямителя дополнительно введены дроссель, конденсатор, а также второй, третий и четвертый управляемые вентили, при этом все вентили выполнены полностью управляемыми. Последовательно с активной нагрузкой соединен дроссель, а полученная последовательная цепь зашунтирована конденсатором, что эквивалентно нагрузочному контуру, образованному активно-индуктивной нагрузкой-индуктором, зашунтированной компенсирующим конденсатором. Два первых полностью управляемых вентиля – 1-й и 2-й – подсоединены к разным выводам источника питания переменного напряжения, при этом упомянутые вентили соединены согласно последовательно в прямом направлении по отношению к положительной полярности, например, первого полупериода питающего переменного напряжения и подсоединены к нагрузочному контуру таким образом, чтобы при их открывании подавать на нагрузочный контур напряжение одной, например, положительной полярности в течение каждого первого полупериода питающего переменного напряжения для формирования в нагрузочном контуре первого полупериода тока низкой частоты. Два вторых полностью управляемых вентиля – 3-й и 4-й – также подсоединены к разным выводам источника питания переменного напряжения, также соединены согласно последовательно в прямом направлении по отношению к положительной полярности того же первого полупериода питающего переменного напряжения и подсоединены к нагрузочному контуру таким образом, чтобы при их открывании подавать на нагрузочный контур напряжение одной, но отрицательной полярности в течение каждого первого полупериода питающего переменного напряжения для формирования второго полупериода тока в нагрузочном контуре. Вышеприведенные состав и соединения элементов образуют первое одинарное преобразовательное устройство. Общая точка соединения первых выводов первого и третьего полностью управляемых вентилей (здесь и далее первый и второй выводы для полностью управляемых вентилей соответствуют направлению протекания тока через вентиль от первого вывода ко второму, иными словами, первый вывод – это анод, а второй вывод – это катод, если в качестве полностью управляемых вентилей используются двухоперационные тиристоры) образует первый входной вывод первого одинарного преобразовательного устройства, а общая точка соединения вторых выводов второго и четвертого полностью управляемых вентилей образует второй входной вывод первого одинарного преобразовательного устройства. Описанное исполнение первого одинарного преобразовательного устройства при формировании положительного и отрицательного полупериодов низкой частоты приводит к потреблению из сети переменного напряжения тока только одной полярности, как в однофазном однополупериодном выпрямителе. Поэтому введено второе одинарное преобразовательное устройство, которое выполнено полностью идентичным по отношению к первому одинарному преобразовательному устройству. Подсоединено второе одинарное преобразовательное устройство к источнику питания переменного напряжения таким образом, что первый входной вывод второго одинарного преобразовательного устройства подсоединен к второму входному выводу первого одинарного преобразовательного устройства, а второй входной вывод второго одинарного преобразовательного устройства подсоединен к первому входному выводу первого одинарного преобразовательного устройств. При таком соединении для второго одинарного преобразовательного устройства полупериодом переменного питающего напряжения с положительной полярностью является второй полупериод этого переменного питающего напряжения. Следовательно, второе одинарное преобразовательное устройство, формируя в своем нагрузочном контуре положительные и отрицательные импульсы тока аналогично первому одинарному преобразовательному устройству, обеспечивает совместно с первым одинарным преобразовательным устройством потребление тока из питающей сети переменного напряжения в оба полупериода этого напряжения. Таким образом, при работе одного одинарного преобразовательного устройства достигается заявленный технический результат, т.е. формирование двухчастотной системы токов в нагрузке индукторе, при этом частота высокочастотной составляющей тока нагрузки-индуктора равна частоте питающего переменного напряжения, а частота низкочастотной составляющей тока нагрузки-индуктора по крайней мере в несколько раз ниже частоты питающего переменного напряжения. Однако при этом из питающей сети переменного напряжения потребляется ток только одного направления, как при работе однофазного однополупериодного выпрямителя. При введении второго одинарного преобразовательного устройства, идентичного первому, достигается заявленный технический результат при потреблении из питающей сети переменного напряжения разнополярного тока.
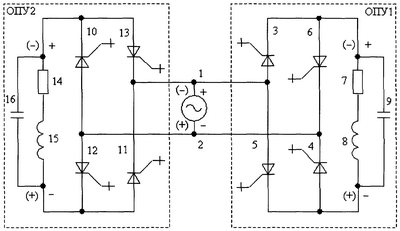
На чертеже изображена схема предлагаемого однофазного преобразовательного устройства переменно-переменного тока для индукционного нагрева, которое состоит из двух идентичных одинарных преобразовательных устройств ОПУ1 и ОПУ2, обведенных пунктирной линией и подсоединенных к общему источнику питания 1, 2 переменного напряжения. Первое одинарное преобразовательное устройство ОПУ1 содержит четыре полностью управляемых вентиля 3, 4, 5, 6, активно-индуктивную нагрузку-индуктор 7, 8 и компенсирующий конденсатор 9, при этом активно-индуктивная нагрузка-индуктор 7, 8 зашунтирована компенсирующим конденсатором 9 с образованием нагрузочного контура. К первому выводу 1 источника питания переменного напряжения первым выводом подсоединен первый полностью управляемый вентиль ОПУ1 3, второй вывод которого соединен с первым выводом нагрузочного контура 7, 8, 9, второй вывод которого соединен с первым выводом второго полностью управляемого вентиля 4, второй вывод которого соединен с вторым выводом 2 источника питания переменного напряжения. К первому же выводу 1 источника питания переменного напряжения первым выводом подсоединен третий полностью управляемый вентиль ОПУ1 5, второй вывод которого соединен с вторым выводом нагрузочного контура 7, 8, 9, первый вывод которого соединен с первым выводом четвертого полностью управляемого вентиля 6, второй вывод которого соединен также с вторым выводом 2 источника питания переменного напряжения. Общая точка соединения первых выводов первого – 3 и третьего – 5 полностью управляемых вентилей образует первый входной вывод первого одинарного преобразовательного устройства ОПУ1, а общая точка соединения вторых выводов второго – 4 и четвертого – 6 полностью управляемых вентилей образует второй входной вывод первого одинарного преобразовательного устройства ОПУ1.
Второе одинарное преобразовательное устройство ОПУ2 выполнено идентично первому одинарному преобразовательному устройству ОПУ1, т.е. также содержит четыре полностью управляемых вентиля 10, 11, 12, 13, активно-индуктивную нагрузку-индуктор 14, 15 и компенсирующий конденсатор 16, при этом активно-индуктивная нагрузка-индуктор 14, 15 зашунтирована компенсирующим конденсатором 16 с образованием нагрузочного контура. К второму выводу 2 источника питания переменного напряжения первым выводом подсоединен первый полностью управляемый вентиль ОПУ2 10, второй вывод которого соединен с первым выводом нагрузочного контура 14, 15, 16, второй вывод которого соединен с первым выводом второго полностью управляемого вентиля 11, второй вывод которого соединен с первым выводом 1 источника питания переменного напряжения. К второму же выводу 2 источника питания переменного напряжения первым выводом подсоединен третий полностью управляемый вентиль ОПУ2 12, второй вывод которого соединен с вторым выводом нагрузочного контура 14, 15, 16, первый вывод которого соединен с первым выводом четвертого полностью управляемого вентиля 13, второй вывод которого соединен с первым выводом 1 источника питания переменного напряжения. Общая точка соединения первых выводов первого – 10 и третьего – 12 полностью управляемых вентилей образует первый входной вывод второго одинарного преобразовательного устройства ОПУ2, а общая точка соединения вторых выводов второго -11 и четвертого – 13 полностью управляемых вентилей образует второй входной вывод второго одинарного преобразовательного устройства ОПУ2. Первое одинарное преобразовательное устройство ОПУ1 и второе одинарное преобразовательное устройство ОПУ2 подсоединены к общему источнику питания переменного напряжения таким образом, что первый входной вывод второго одинарного преобразовательного устройства ОПУ2 соединен с вторым входным выводом первого одинарного преобразовательного устройства ОПУ1, а второй входной вывод второго одинарного преобразовательного устройства ОПУ2 соединен с первым входным выводом первого одинарного преобразовательного устройства ОПУ1.
Предложенное однофазное преобразовательное устройство переменно-переменного тока работает следующим образом. Электромагнитные процессы в преобразовательном устройстве можно разделить на четыре режима: по полярности питающего переменного напряжения и по полярности формируемого тока или напряжения нагрузочного контура. Обозначим номера режимов двумя цифрами, первая из которых будет обозначать полярность питающего переменного напряжения на рассматриваемом полупериоде, а вторая – полярность формируемого тока или напряжения нагрузочного контура, при этом цифра 1 будет обозначать полярность и источника питания переменного напряжения и напряжения на нагрузочном контуре, обозначенную знаками «+ -», а цифра 2 будет обозначать полярность и источника питания переменного напряжения и напряжения на нагрузочном контуре, обозначенную знаками «(-)(+)». Рассмотрим все возможные режимы работы.
1-й режим 1-1, при котором полярность источника питания переменного напряжения обозначена знаками «+ -» и полярность напряжения на нагрузочном контуре 7, 8, 9 также обозначена знаками «+ -» В этом режиме открываются вентили ОПУ1 3, 4 и ток протекает по контуру: 1-3-7, 8, 9-4-2, а через вентили ОПУ2 ток не протекает.
В следующий полупериод питающего переменного напряжения полярность этого напряжения изменяется, что обозначено знаками «(-)(+)», а полярность напряжения на нагрузочном контуре 14, 15, 16 также обозначена знаками «+ -», что соответствует режиму 2-1, при этом ток через вентили ОПУ1 не протекает, а в ОПУ2 открываются вентили 10, 11 и ток протекает по контуру: 2-10-14, 15, 16-11-1.
В следующий полупериод питающего переменного напряжения его полярность вновь изменится и будет обозначена знаками «+ -», при этом будет повторяться режим 1-1, т.е. будут проводить ток вентили ОПУ1 3, 4, на нагрузочном контуре будет формироваться напряжение, обозначенное знаками «+ -», а вентили ОПУ2 не будут проводить ток. Затем вновь будет режим 2-1 и т.д. до тех пор, пока в нагрузочных контурах 7, 8, 9 и 14, 15, 16 будет формироваться первый полупериод тока или напряжения низкой частоты. Количество чередований режимов 1-1 и 2-1 зависит от требуемого соотношения частот тока в нагрузочных контурах 7, 8, 9 и 14, 15, 16. Так, например, если частота высокочастотной составляющей двухчастотного тока составляет 50 Гц (при питании преобразовательного устройства от сети 50 Гц), а частота низкочастотной составляющей двухчастотного тока составляет 5 Гц, количество чередований составит 5. В этом случае после пяти чередований заканчивается формирование первого полупериода тока низкой частоты двухчастотной системы токов нагрузочного контура и начинается формирование второго полупериода тока низкой частоты двухчастотной системы токов нагрузочного контура. При этом ОПУ1 работает в режиме 1-2, открываются вентили ОПУ1 5, 6 и ток протекает по контуру: 1-5-7, 8, 9-6-2, что обеспечивает полярность напряжения на нагрузочном контуре 7, 8, 9, обозначенную знаками «(-)(+)», т.е. начинается формирование второго полупериода тока или напряжения низкой частоты, при этом вентили ОПУ2 ток не проводят.
В следующий полупериод питающего переменного напряжения его полярность изменяется, что обозначено знаками «(-)(+)» и изменяется полярность формируемого тока или напряжения нагрузочного контура 14, 15, 16, что также обозначено знаками «(-)(+)». Следовательно, вентили ОПУ2 работают в режиме 2-2, при этом открываются вентили ОПУ2 12, 13 и ток протекает по контуру 2-12-14, 15, 16-13-1, при этом вентили ОПУ1 ток не проводят. Далее, как и при формировании первого полупериода тока или напряжения низкой частоты, чередуются режимы 1-2 и 2-2, например, 5 раз, если низкая частота составляет 5 Гц, как это принято в вышеприведенном примере. После этого заканчивается формирование второго полупериода тока или напряжения низкой частоты и вновь начинается формирование первого полупериода тока или напряжения низкой частоты, затем снова второго полупериода и т.д. При этом электромагнитные процессы повторяются и в приведенном примере вышеупомянутые режимы чередуются в следующем порядке: 1-1; 2-1; 1-1; 2-1; 1-1; 2-1; 1-1; 2-1; 1-1; 2-1; 1-2; 2-2; 1-2; 2-2; 1-2; 2-2; 1-2; 2-2; 1-2; 2-2; 1-1; 2-1 и т.д.
Таким образом, реализация предложенного однофазного преобразовательного устройства переменно-переменного тока для индукционного нагрева позволяет достичь заявленный технический результат, т.е. формирование двухчастотной системы токов в нагрузке-индукторе при частоте высокочастотной составляющей тока нагрузки-индуктора, равной частоте питающего переменного напряжения, при этом частота низкочастотной составляющей тока нагрузки-индуктора по крайней мере в несколько раз ниже частоты питающего переменного напряжения, а из питающей сети переменного напряжения потребляется симметричный переменный ток.
Высокочастотную составляющую двухчастотной системы токов целесообразно использовать для индукционного нагрева и плавки металла, а низкочастотную составляющую – для его электромагнитного перемешивания. Нагрузочные контура 7, 8, 9 и 14, 15, 16 могут быть элементами как одной индукционной печи, так и элементами двух индукционных печей.
В ряде случаев целесообразно использовать три предложенных однофазных преобразовательных устройства переменно-переменного тока, подключив их к трехфазной сети переменного тока, а низкочастотную составляющую тока нагрузочных контуров трех однофазных преобразовательных устройств формировать со сдвигом по отношению друг к другу на 120° эл., что позволяет обеспечить симметричную загрузку 3-фазной питающей сети переменного напряжения и увеличить эффективность электромагнитного перемешивания расплавленного металла или сплава на низкой частоте двухчастотной системы тока нагрузок-индукторов путем создания трехфазного симметричного электромагнитного поля.
Формула изобретения
1. Однофазное преобразовательное устройство переменно-переменного тока для индукционного нагрева, содержащее однополупериодный однотактный выпрямитель, состоящий из первого управляемого вентиля и активной нагрузки, при этом к первому выводу источника питания переменного напряжения первым выводом подсоединен упомянутый первый управляемый вентиль, второй вывод которого соединен с первым выводом активной нагрузки, отличающееся тем, что дополнительно введены дроссель, конденсатор, а также второй, третий и четвертый управляемые вентили, при этом к второму выводу активной нагрузки для преобразования ее в активно-индуктивную нагрузку-индуктор подсоединен первым выводом дроссель, второй вывод которого соединен с первым выводом второго управляемого вентиля, второй вывод которого соединен с вторым выводом источника питания переменного напряжения, причем первый и второй управляемые вентили соединены согласно последовательно в прямом направлении по отношению к положительной полярности, например, первого полупериода питающего переменного напряжения таким образом, чтобы при их открывании подавать на нагрузку напряжение одной, например, положительной полярности в течение каждого первого полупериода питающего переменного напряжения, при этом к первому выводу питающего источника переменного напряжения первым выводом подсоединен третий управляемый вентиль, второй вывод которого соединен с общей точкой второго управляемого вентиля и дросселя, а к общей точке активной нагрузки и первого управляемого вентиля первым выводом подсоединен четвертый управляемый вентиль, второй вывод которого соединен со вторым выводом источника питания переменного напряжения, причем третий и четвертый управляемые вентили соединены также согласно последовательно в прямом направлении по отношению к полярности первого полупериода питающего переменного напряжения таким образом, чтобы при их открывании подавать на нагрузку напряжение противоположной, т.е. отрицательной полярности в течение упомянутого каждого первого полупериода питающего переменного напряжения, при этом последовательно соединенные активная нагрузка и дроссель зашунтированы конденсатором, а все управляемые вентили выполнены полностью управляемыми, причем общая точка соединения первых выводов первого и третьего полностью управляемых вентилей образует первый входной вывод преобразовательного устройства, а общая точка соединения вторых выводов второго и четвертого полностью управляемых вентилей образует второй входной вывод преобразовательного устройства.
2. Устройство по п.1, отличающееся тем, что введено идентичное первому второе одинарное однофазное преобразовательное устройство переменно-переменного тока для индукционного нагрева, при этом оно входными вводами подсоединено параллельно источнику питания переменного напряжения и входным выводам первого одинарного преобразовательного устройства таким образом, что первый входной вывод второго одинарного преобразовательного устройства подсоединен к второму входному выводу первого одинарного преобразовательного устройства, а второй входной вывод второго одинарного преобразовательного устройства подсоединен к первому входному выводу первого одинарного преобразовательного устройства.
РИСУНКИ
|
|