|
|
(21), (22) Заявка: 2005131432/09, 27.02.2004
(24) Дата начала отсчета срока действия патента:
27.02.2004
(30) Конвенционный приоритет:
11.03.2003 DE 10310434.8
(43) Дата публикации заявки: 27.03.2006
(46) Опубликовано: 27.10.2007
(56) Список документов, цитированных в отчете о поиске:
DE 10051097 A1, 07.03.2002. RU 2189124 С2,10.09.2002. RU 2032288 C1, 27.03.1995. SU 1718301 A1, 31.01.1990. ЕР 0525703 A1, 03.02.1993. DE 19646774 A1, 14.05.1998. US 6023200 А, 08.02.2000.
(85) Дата перевода заявки PCT на национальную фазу:
11.10.2005
(86) Заявка PCT:
EP 2004/001952 (27.02.2004)
(87) Публикация PCT:
WO 2004/082343 (23.09.2004)
Адрес для переписки:
103735, Москва, ул. Ильинка, 5/2, ООО “Союзпатент”, пат.пов. Т.С.Фомичевой
|
(72) Автор(ы):
БРЕШЕ Петер (DE), ХЕТЦЕР Ульрих (DE)
(73) Патентообладатель(и):
АДЦ ГМБХ (DE)
|
(54) СПОСОБ ВЫСОКОЧАСТОТНОГО СОГЛАСОВАНИЯ ЭЛЕКТРИЧЕСКОЙ СИСТЕМЫ И ИСПОЛЬЗУЕМАЯ ДЛЯ ЭТОГО ПЕЧАТНАЯ ПЛАТА
(57) Реферат:
Изобретение относится к способу высокочастотного согласования электрической системы и к используемой при этом печатной плате. Технический результат – создание способа согласования высокочастотного штепсельного разъема, в частности розетки RJ-45 с, по меньшей мере, одной печатной платой, а также создание такой печатной платы, с помощью которой можно регулировать высокочастотные характеристики внутри узкого диапазона допусков. При осуществлении способа высокочастотной настройки используется высокочастотный штепсельный разъем (1), содержащий печатную плату (3), на которой имеются два вида контактных точек: точки (21-28) для высокочастотных контактов и точки (31-38) для контактов со смещением изоляции, каждая контактная точка (21-28) для высокочастотных контактов соединена с соответствующей контактной точкой (31-38) для смещающих изоляцию контактов, между высокочастотными контактами появляются емкостные связи, вызывающие образование перекрестных наводок на ближнем конце линии связи. По меньшей мере, одна первая проводящая дорожка (46), соединенная только на одной стороне с контактной точкой (26) электрического контакта, размещена на печатной плате (3) и вместе с, по меньшей мере, одной второй проводящей дорожкой (44), размещенной на печатной плате (3) и/или в ней, образует конденсатор (С46). Измеряют, по меньшей мере, один зависящий от частоты параметр устройства, сравнивают его с установленным параметром и в зависимости от полученной в результате сравнения разницы проводящую дорожку (46), контактирующую на одной стороне, удаляют частично или полностью. 2 н. и 13 з.п. ф-лы, 5 ил.
Область техники, к которой относится изобретение
Изобретение относится к способу высокочастотного согласования электрической системы и к используемой при этом печатной плате.
Уровень техники
В патенте ЕР 0525703 А1 раскрыт штепсельный разъем для домашней компьютерной сети, содержащий розеточную часть и штепсельную часть, а также устройство для компенсации перекрестных наводок, с помощью которого улучшается затухание перекрестных наводок между контуром передающего проводника и контуром приемного проводника. Для достижения этой цели в розеточной или штепсельной части между контактами для съемного кабеля и контактами для проводов устанавливают печатную плату, проводящие дорожки контуров передачи и приема которой сильно разнесены относительно друг друга. В качестве компенсаторов перекрестных наводок могут быть, например, отдельные компоненты, такие как конденсаторы или катушки, которые могут регулироваться. Такой известный штепсельный разъем обладает тем недостатком, что отдельные компоненты являются относительно крупными и дорогими.
В патенте De 10051097 А1 раскрыт штепсельный разъем, содержащий корпус, печатную плату с двумя группами контактов, причем первая группа контактов размещена на передней поверхности печатной платы и входит в окно в корпусе штепсельного разъема, а вторая группа контактов размещена на задней поверхности платы, причем контакты второй группы представляют собой смещающие изоляцию контакты, а сам штепсельный разъем имеет кабельную разводку с проходящим сквозь нее отверстием и установленные на передней поверхности направляющие для проводников, предназначенных для соединения со смещающими изоляцию контактами, причем эти направляющие в местах соединения со смещающими изоляцию контактами снабжены заглубленными держателями последних, благодаря чему кабельная разводка может быть согласована с корпусом штепсельного разъема.
По причине расширения полос передачи данных в коммуникационных и информационных технологиях проводники, контакты и проводящие дорожки должны быть установлены с четким разграничением друг от друга для того, чтобы обеспечивать требуемые значения ослабления перекрестных наводок. Это требует установления исключительно высоких допусков, которые весьма сложно обеспечить при автоматизированном производстве.
Раскрытие изобретения
Изобретение решает проблему создания способа согласования высокочастотного штепсельного разъема, в частности розетки RJ-45, с, по меньшей мере, одной печатной платой, имеющей контактные точки для высокочастотных контактов и контактные точки для смещающих изоляцию контактов, причем каждая контактная точка для высокочастотных контактов соединена с соответствующей контактной точкой для смещающих изоляцию контактов, а также создания такой печатной платы, с помощью которой можно регулировать высокочастотные характеристики внутри узкого диапазона допусков.
Техническая проблема решается с помощью настоящего изобретения, признаки которого раскрыты в пунктах 1 и 11 формулы изобретения. Дополнительные преимущества изобретения отражены в зависимых пунктах формулы.
Поставленная задача решается тем, что, по меньшей мере, первую проводящую дорожку, соединенную только на одной стороне с контактной точкой электрического контакта, размещают на печатной плате и вместе с, по меньшей мере, одной второй проводящей дорожкой, размещенной на или в печатной плате, образуют конденсатор с, по меньшей мере, одним зависящим от частоты параметром системы, этот зависящий от частоты параметр сравнивают с номинальным параметром, а проводящую дорожку, с которой контакт осуществлен на одной стороне, частично удаляют или разрезают в зависимости от отклонения. Благодаря этому становится возможным сформировать с помощью простых и недорогих средств согласующий конденсатор, посредством которого можно обеспечить согласование высокочастотной характеристики системы. В этом случае проводящие дорожки предпочтительно соединять с контактными точками высокочастотных контактов, поскольку это означает, что согласующие конденсаторы окажутся ближе к месту источника перекрестных наводок. Однако, в общем, они могут быть соединены также и с контактными точками смещающих изоляцию контактов, электрически связанными с контактными точками высокочастотных контактов. Следует заметить, что в принципе для изменения емкости достаточно разрезать или удалить одну проводящую дорожку конденсатора.
Противоположный электрод конденсатора предпочтительно образован проводящей дорожкой, соединенной с контактной точкой на одной стороне.
Предпочтительно, по меньшей мере, одну следующую вторую проводящую дорожку размещать во внутреннем слое печатной платы и соединять ее электрически с проводящей дорожкой, размещенной на печатной плате. Благодаря этому образуются связанные параллельно конденсаторы, из-за чего общая емкость возрастает, т.е. обеспечивается создание достаточно большой емкости на относительно малой площади.
В соответствии со следующим предпочтительным вариантом на печатной плате размещают, по меньшей мере, два образованных проводящими дорожками независимых конденсатора, для того чтобы обеспечивать симметричную подстройку относительно земли.
В следующем предпочтительном варианте зависящий от частоты параметр определяют и регулируют на незаполненной печатной плате. Это вызвано тем, что большинство высокочастотных параметров зависят от самой печатной платы, особенно для высокочастотных штепсельных разъемов. К этим параметрам относятся геометрические допуски плана размещения элементов, например проводящих дорожек, и допуски по диэлектрической постоянной материала, из которого изготавливают плату. Автоматические измерения, осуществляемые на незаполненной печатной плате, существенно проще, чем на плате с уже размещенными на ней элементами, или на плате, которая уже была установлена в корпусе. Таким образом, уже на ранней стадии в процессе производства печатной платы может быть выявлена общая схема изготовления платы. Питание и измерения в этом случае предпочтительно осуществляются централизованно, используя отверстия под пайку контактных точек.
В следующем предпочтительном варианте на первом этапе осуществляют необходимое укорачивание только части оцениваемой проводящей дорожки. Еще раз измеряют зависящий от частоты параметр. Данные, полученные в результате измерения, затем используют для определения длины подлежащей дальнейшему удалению или разрезанию проводящей дорожки. При этом также принимают во внимание допуски, относящиеся к проводящим дорожкам в процессе согласования. В этом случае укорачивание проводящей дорожки может быть разделено на более чем два этапа.
В следующем предпочтительном варианте на конечном этапе проводящую дорожку перерезают более широко, чем на первом этапе. Такой более широкий разрез минимизирует влияние емкости отрезанной части проводящей дорожки.
В следующем предпочтительном варианте перекрестные наводки на ближнем конце линии определяют как зависящий от частоты параметр, что облегчает процесс согласования, поскольку непосредственно определяется подлежащий оптимизации параметр, поэтому нет необходимости дальнейшей оценки влияния параметра на перекрестные наводки на ближнем конце линии, как это могло бы иметь место, например, при измерении чистой емкости.
Предпочтительно перерезать проводящую дорожку с помощью лазера, желательно коротковолнового лазера с длиной волны менее 600 нм. Разрезание проводящей дорожки лазером является исключительно быстрым и может быть легко автоматизировано. Вообще же проводящая дорожка может быть разрезана или удалена механически, например с помощью дробления, или электрически, посредством прожигающего воздействия сверхтоков.
В следующем предпочтительном варианте лазер дополнительно снабжен оптической системой позиционирования. Благодаря этому разрезание проводящей дорожки осуществляется более точно, без повреждения других близко расположенных проводящих дорожек и с гарантией полного разрезания.
В процессе удаления или разрезания проводящей дорожки частицы меди могут попасть на печатную плату, а это, в свою очередь, снизит устойчивость к избыточным напряжениям. Поэтому процесс удаления или разрезания предпочтительно должен сопровождаться этапом очистки с тем, чтобы удалить частицы меди и/или другие загрязнения.
Краткое описание чертежей
Далее изобретение будет более понятно из последующего подробного описания его предпочтительного варианта выполнения и прилагаемых чертежей, на которых:
фиг.1 – штепсельный разъем для передачи высокочастотных сигналов, известный из уровня техники;
фиг.2 – печатная плата, используемая в штепсельном разъеме, показанном на фиг.1;
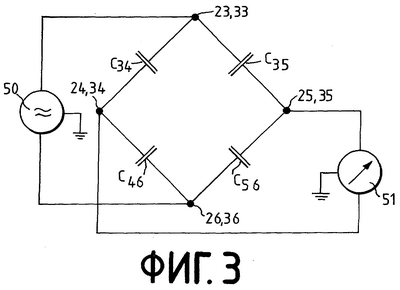
фиг.3 – принципиальная электрическая схема печатной платы;
фиг.4 – зависимость частоты от перекрестных наводок на ближнем конце линии связи;
фиг.5 – семейство кривых ослабления D перекрестных наводок на ближнем конце линии связи в зависимости от длины подлежащего удалению проводника.
Осуществление изобретения
На фиг.1 представлен по частям штепсельный разъем 1. Штепсельный разъем 1 имеет корпус 2, печатную плату 3, удерживающее устройство 4, кабельную разводку 5. Корпус 2 в приведенном примере выполнен как корпус розетки с различными средствами для ввода и защелкивания. Корпус 2 на боковых сторонах имеет защитную пластину 6. На передней поверхности печатной платы 3 размещена первая группа контактов 7, а на задней поверхности находится вторая группа смещающих изоляцию контактов 8. Каждый контакт 7 из первой группы соединен с соответствующим контактом 8 во второй группе. Печатная плата 3 вводится в корпус 2. При этом расположенные в корпусе 2 цилиндрические штырьки 9 входят в отверстия печатной платы 3 с тем, чтобы точно состыковать и скрепить плату 3 с корпусом 2. Контакты 7 (представляющие собой высокочастотные контакты) первой группы входят в окно, предусмотренное в корпусе штепсельного разъема. Затем удерживающее устройство 4 надевается на контакты 8 второй группы и защелкивается в корпусе 2. Для этого на кромках панели удерживающего устройства 4 предусмотрены лапки 10, а для контактов 8 в панели выполнены прорези 11. Кроме того, удерживающее устройство 4 имеет два защелкивающихся крючка 12, предназначенные для скрепления с кабельной разводкой 5.
На фиг.2 показана печатная плата 3 без подлежащих установке на ней элементов, т.е. незаполненная печатная плата. Печатная плата 3 имеет восемь контактных точек 21-28 и контактные отверстия для высокочастотных контактов и восемь контактных точек 31-38 для смещающих изоляцию контактов. Печатная плата 3 имеет также показанные здесь в виде маленьких кружочков сквозные отверстия 40 для соединения проводящих дорожек на передней поверхности и задней поверхности и внутренних слоях печатной платы. Отверстия 41 в печатной плате 3 показаны в виде маленьких квадратиков. Проводящие дорожки, соединяющие контактные точки 21-28 с их соответствующими контактными точками 31-38, здесь не показаны, за исключением двух частей контактных точек 24 и 35, в силу их расположения на задней поверхности и/или во внутренних слоях печатной платы. В дополнение к связанным электрически проводящим дорожкам между контактными точками 21-28 и 31-38 соответственно имеются также четыре проводящие дорожки 43-46, которые соединены на одной стороне соответственно с контактными точками 23-26. В этом случае две проводящие дорожки 44 и 46 образуют конденсатор между контактными точками 23 и 25. Следующая проводящая дорожка, предпочтительно образованная во внутреннем слое, электрически соединена с проводящей дорожкой 44 и размещена под дорожкой 46. Для удобства контактные точки 21, 22; 23, 26; 24, 25 и 27, 28 и их соответствующие контакты образуют контактную пару. В этом случае две внешних контактных пары 21, 22 и 27, 28 являются относительно неважными с точки зрения перекрестных наводок на ближнем конце линии связи. С другой стороны, две внутренние чередующиеся контактные пары 23, 26 и 24, 25 оказываются проблематичными. Емкости, которые вызывают нарушения в этом случае, образуются между 23 и 24, а также между 25 и 26, так как другие пары можно не принимать в расчет из-за большого расстояния между ними.
На фиг.3 показана получающаяся эквивалентная схема, включающая схему тестирования. В этом случае конденсаторы С46 и С35 по существу представляют собой конденсаторы, образованные проводниковыми дорожками 44 и 46, а также 43 и 45 соответственно, в то время как в противоположность этому конденсаторы С34 ми С56 соответственно образованы соседними контактными точками 23, 33, а также соответствующей проводящей дорожкой, 24, 34 с проводящей дорожкой, а также 25, 35 с проводящей дорожкой и 26, 36 с проводящей дорожкой. Такая мостовая схема может быть подстроена для того, чтобы перекрестные наводки на ближнем конце линии связи были меньше требуемых величин. Перед подстройкой сначала выявляется асимметрия посредством определения перекрестных наводок на ближнем конце линии одной контактной пары в зависимости от частоты. В нашем случае перекрестные наводки на ближнем конце линии определяются между контактной парой 23, 33 и 26, 36 и контактной парой 24, 34; 25, 35. Поскольку измерение предпочтительно производят на незаполненной печатной плате 3, контактные точки 33-36 соединены с правильным полным сопротивлением. Затем измеряют перекрестные наводки на ближнем конце линии связи контактных точек 25, 24 посредством сетевого анализатора, обозначенного на фиг.3 как частотный генератор 50 и измерительное устройство 51. При этом на контактные точки 23, 26 подается высокочастотный сигнал. Подача и измерение высокочастотных сигналов в данном случае обеспечивается посредством прямого контакта через отверстия под пайку контактных точек 23-26.
На фиг.4 схематично показано изменение перекрестных наводок на ближнем конце линии связи NEXT, где а представляет номинальные перекрестные наводки на ближнем конце линии связи, a b представляет фактические измеренные перекрестные наводки анализируемой печатной платы. Номинальные перекрестные наводки определяются, например, с помощью золотого устройства. В этом случае измеренные перекрестные наводки на ближнем конце линии связи выше на величину NEXT, поэтому следует их компенсировать за счет уменьшения длин проводящих дорожек, уменьшая тем самым емкость. Определение, какая именно длина проводящей дорожки соответствует определенной емкости и, таким образом, ослаблению D перекрестных наводок на ближнем конце линии связи, зависит от параметров печатной платы, например диэлектрической постоянной или расстояния между проводящими дорожками. Поэтому нет какой-то единственной зависимости, а существует целое семейство графиков, как показано на фиг.5. Поскольку возможные параметры не известны, то сначала нужно определить, какая именно кривая подойдет для печатной платы. Для этого сначала удаляется или разрезается кусочек проводящей дорожки, и измерения вновь повторяются. То изменение ослабления D, которое будет обнаружено, используют для определения соответствующей кривой. Если, однако, желательно иметь ослабление больше, чем можно получить в соответствии с самой наклоненной кривой, вся проводящая дорожка может быть извлечена или отрезана без каких-либо промежуточных этапов. Затем метод повторяется с другим конденсатором.
Проводящая дорожка предпочтительно разрезается коротковолновым лазером, мощность и фокусировка которого таковы, что позволяют отрезать от медной дорожки только то, что нужно, с большой точностью. Преимуществом лазера является его высокая скорость и высокая стабильность, что позволяет автоматизировать процесс согласования.
Список применяемых обозначений
1 – штепсельный разъем
2 – корпус штепсельного разъема
3 – печатная плата
4 – удерживающее устройство
5 – кабельная разводка
6 – защитная пластина
7 – контакты
8 – контакты
9 – цилиндрические штыри
10 – защелкивающиеся лапки
11 – прорези
12 – защелкивающийся крюк
21 – контактные точки (для высокочастотных контактов)
22 – контактные точки (для высокочастотных контактов)
23 – контактные точки (для высокочастотных контактов)
24 – контактные точки (для высокочастотных контактов)
25 – контактные точки (для высокочастотных контактов)
26 – контактные точки (для высокочастотных контактов)
27 – контактные точки (для высокочастотных контактов)
31 – контактная точка (для смещающих изоляцию контактов)
32 – контактная точка (для смещающих изоляцию контактов)
33 – контактная точка (для смещающих изоляцию контактов)
34 – контактная точка (для смещающих изоляцию контактов)
35 – контактная точка (для смещающих изоляцию контактов)
36 – контактная точка (для смещающих изоляцию контактов)
37 – контактная точка (для смещающих изоляцию контактов)
38 – контактная точка (для смещающих изоляцию контактов)
40 – сквозное отверстие
41 – отверстие
43 – проводящая дорожка
44 – проводящая дорожка
45 – проводящая дорожка
46 – проводящая дорожка
50 – частотный генератор
51 – измерительное устройство
Формула изобретения
1. Способ высокочастотного согласования высокочастотного штепсельного разъема (1), содержащего печатную плату (3), имеющую контактные точки (21-28) для высокочастотных контактов и контактные точки (31-38) для смещающих изоляцию контактов, причем каждая контактная точка (21-28) для высокочастотных контактов соединена с соответствующей контактной точкой (31-38) для смещающих изоляцию контактов, и емкостную связь, вызывающую возникающие между высокочастотными контактами перекрестные наводки на ближнем конце линии связи, характеризующийся тем, что на печатной плате (3) размещают соединенную только на одной стороне с контактной точкой (26) электрического контакта, по меньшей мере, первую проводящую дорожку (46), которая вместе с, по меньшей мере, одной второй проводящей дорожкой (44), размещенной на печатной плате (3) и/или в ней, образует конденсатор (С46) с, меньшей мере, одним зависящим от частоты параметром системы, этот параметр сравнивают с номинальным параметром, а проводящую дорожку (46), с которой контакт осуществлен на одной стороне, частично удаляют или разрезают в зависимости от разницы в сравниваемых параметрах.
2. Способ по п.1, характеризующийся тем, что вторая проводящая дорожка (44) выполнена в виде проводящей дорожки (44), с которой контакт осуществляется на одной стороне.
3. Способ по п.1 или 2, характеризующийся тем, что, по меньшей мере, одну следующую вторую проводящую дорожку размещают во внутреннем слое печатной платы (3) и соединяют со второй проводящей дорожкой (44), размещенной на печатной плате (3).
4. Способ по п.1, характеризующийся тем, что на печатной плате (3) размещают, по меньшей мере, два согласующих конденсатора (С46, C35).
5. Способ по п.1, характеризующийся тем, что зависящий от частоты параметр определяют на незаполненной печатной плате (3).
6. Способ по п.1, характеризующийся тем, что на первом этапе осуществляют укорачивание только части (L) анализируемой проводящей дорожки, еще раз измеряют зависящий от частоты параметр, в результате чего определяют подлежащую дальнейшему удалению или отрезанию длину проводящей дорожки.
7. Способ по п.6, характеризующийся тем, что на конечном этапе делают более широкий, чем на первом этапе, разрез проводящей дорожки (46, 45).
8. Способ по п.1, характеризующийся тем, что перекрестные наводки на ближнем конце линии связи (NEXT) определяют как зависящий от частоты параметр.
9. Способ по п.1, характеризующийся тем, что проводящую дорожку (46, 45) разрезают с помощью лазера.
10. Способ по п.1, характеризующийся тем, что при управлении лазером применяют оптическую систему.
11. Печатная плата для размещения высокочастотных контактов и смещающих изоляцию контактов высокочастотного штепсельного разъема, имеющая восемь контактных точек (21-28) для высокочастотных контактов и восемь контактных точек (31-38) для смещающих изоляцию контактов с соединением каждой контактной точки (21-28) для высокочастотных контактов с соответствующей контактной точкой (31-38) для смещающих изоляцию контактов, и емкостной связью, вызывающей перекрестные наводки на ближнем конце линии связи, возникающие между высокочастотными контактами, характеризующаяся тем, что, по меньшей мере, первая проводящая дорожка (46), соединенная только на одной стороне с контактной точкой (26) электрического контакта, размещена на печатной плате (3) и вместе с, по меньшей мере, одной второй проводящей дорожкой (44), размещенной на печатной плате (3) и/или в ней, образует конденсатор (С46).
12. Печатная плата по п.11, характеризующаяся тем, что вторая проводящая дорожка (44) является проводящей дорожкой (44), соединенной с контактной точкой (24) на одной стороне.
13. Печатная плата по п.11 или 12, характеризующаяся тем, что, по меньшей мере, еще одна вторая проводящая дорожка размещена во внутреннем слое печатной платы (3) и соединена со следующей проводящей дорожкой (44), размещенной на печатной плате (3).
14. Печатная плата по п.11, характеризующаяся тем, что, по меньшей мере, два согласующих конденсатора размещены на печатной плате (3).
15. Печатная плата по п.11, характеризующаяся тем, что первый конденсатор (С46) размещен между контактными точками (24 и 26), а второй конденсатор (С35) размещен между контактными точками (23 и 25).
РИСУНКИ
|
|