|
|
(21), (22) Заявка: 2005130586/09, 03.10.2005
(24) Дата начала отсчета срока действия патента:
03.10.2005
(43) Дата публикации заявки: 10.04.2007
(46) Опубликовано: 27.10.2007
(56) Список документов, цитированных в отчете о поиске:
RU 44907 U1, 27.03.2005. SU 1401626 А, 12.12.1986. RU 2231927 С1, 27.06.2004. US 5669062 A, 16.09.1997.
Адрес для переписки:
603950, г.Нижний Новгород, ГСП-462, пл. Комсомольская, 1, ФГУП “НПП “Полет”
|
(72) Автор(ы):
Кейстович Александр Владимирович (RU), Кейстович Андрей Александрович (RU)
(73) Патентообладатель(и):
Федеральное государственное унитарное предприятие “Научно-производственное предприятие “Полет” (RU)
|
(54) СИСТЕМА РАДИОСВЯЗИ С ПОДВИЖНЫМИ ОБЪЕКТАМИ
(57) Реферат:
Изобретение относится к радиосистемам обмена данными и может быть использовано для помехозащищенного информационного обмена между подвижными воздушными объектами (ВО) и наземными комплексами (НК) в каналах “воздух-воздух” и “воздух-земля”. Технический результат состоит в повышении помехозащищенности и скорости передачи. Для этого в устройстве наводят на передающей стороне диаграмму направленности антенны на диаграмму направленности антенны приемной стороны, выбирают маршрут ретрансляции, определяют в заданный момент времени текущее местоположение и параметры всех ВО, вычисляют экстраполяционные точки нахождения соответствующих воздушных объектов во время планируемого сеанса связи, осуществляют взаимное наведение центров диаграмм направленности антенн НК и первого (в порядке обслуживания) ВО, второго и так далее, следят за ними во время движения, проводят обмен данными между соответствующими объектами системы. После получения подтверждения о приеме эту процедуру повторяют со вторым ВО и так далее. В НК и выбранных для ретрансляции ВО осуществляются операции взаимного наведения центров диаграмм направленности антенн СВЧ-диапазона на соответствующие объекты и слежения за ними во время их движения. 1 ил.
Изобретение относится к радиосистемам обмена данными и может быть использовано для помехозащищенного информационного обмена между подвижными воздушными объектами (ВО) и наземными комплексами (НК) в каналах “воздух-воздух” и “воздух-земля”.
В настоящее время за рубежом широко применяется система обмена сообщениями между бортовым радиоэлектронным оборудованием подвижных воздушных объектов (самолетов) и наземными службами (ACARS) [1]. В системе обеспечивается вызов на речевую связь и передача данных между подвижными воздушными объектами и наземными службами. Бортовой блок связи в этой системе представляет собой вычислитель. Основным каналом обмена текущей информации является канал метрового (MB) диапазона. Организацию обмена информацией между наземными службами и бортовыми системами осуществляет наземный комплекс. Он опрашивает подвижные воздушные объекты, находящиеся в зоне его обслуживания, и собирает с них необходимую информацию. Бортовая система работает в этом случае в режиме адресного опроса. Для того чтобы бортовая система могла работать в режиме адресного опроса, ей необходимо встать на обслуживание в наземной системе в режиме прямого доступа [2].
К недостаткам представленной системы обмена сообщениями между бортовым радиоэлектронным оборудованием ВО и наземными службами следует отнести недостаточную помехозащищенность канала MB-диапазона.
Известна система радиосвязи с подвижными объектами [3], которая состоит из наземной и бортовой приемопередающих радиостанций, между которыми осуществляется обмен данными в соответствии с заложенными алгоритмами. При обмене сообщениями между наземной приемопередающей станцией и подвижными воздушными объектами загрузка канала меняется в зависимости от этапа полета и информационной активности абонентов цифровой радиосвязи. Реализованный с помощью вычислителя автоматизированного рабочего места счетчик числа подвижных воздушных объектов контролирует количество объектов и выдает это число на счетчик загрузки системы. В зависимости от числа объектов и числа переспросов сообщений в системе используются динамические алгоритмы организации обмена сообщениями и управления каналами радиосвязи. Для избежания столкновений при одновременной передаче несколькими объектами сообщений осуществляется контроль несущей радиосигналов подвижных воздушных объектов во время воздействия ее на бортовой приемник. Определяется состояние, когда радиоканал свободен. Для разнесения во времени моментов выхода на связь нескольких подвижных воздушных объектов в бортовое устройство введен вычислитель, реализующий функции анализатора несущей частоты и генератора псевдослучайной задержки, которые обеспечивают соответствующую задержку передачи сообщений от подвижных воздушных объектов. Для принятия оптимального решения наземными службами и на борту информация об относительном местоположении аэропорта и подвижных воздушных объектов снимается с одного из бортовых и наземных датчиков – приемников сигналов глобальной навигационной спутниковой системы.
Персонал, размещаемый на НК, решает задачи с помощью комплексов программно-аппаратных средств, выполненных на вычислителях (ПЭВМ). Информационный обмен НК с ВО осуществляется по каналам “воздух-земля” в MB-диапазоне. Радиосигналы MB-диапазона распространяются в пределах прямой видимости. Антенны на ВО и НК – всенаправленные для удобства обеспечения связи при движении объектов.
При уменьшении высоты полета ВО ниже допустимой или нахождения ВО на угле места относительно НК менее 5° и при наличии помех в MB-диапазоне качество передачи информации резко снижается, что может привести к аварийной ситуации. Оператор на НК в этом случае не контролирует местоположение ВО. Поэтому в условиях высокой динамики изменения воздушной обстановки возникают трудности управления воздушным движением.
Наиболее близким по назначению и большинству существенных признаков является “Система радиосвязи с подвижными объектами” [4], которая и принята за прототип. В этой системе во время движения подвижные воздушные объекты, находящиеся в пределах радиогоризонта, обмениваются данными с наземным комплексом. Принимаемые наземной радиостанцией из канала “воздух-земля” сообщения через аппаратуру передачи данных поступают в вычислитель автоматизированного рабочего места (АРМ) на базе ПЭВМ, где в соответствии с принятым в системе протоколом обмена производится идентификация принятого в сообщении адреса с адресами подвижных воздушных объектов, хранящимися в памяти их бортовых вычислителей. При совпадении адреса подвижного воздушного объекта с хранящимся в списке адресом информация о местоположении, параметрах движения ВО и состоянии его датчиков выводится на экран монитора наземного АРМ. В вычислителе АРМ на базе ПЭВМ решается задача обеспечения постоянной радиосвязи со всеми N ВО. При выходе за пределы радиогоризонта, хотя бы одного из ВО или приближении к границе зоны устойчивой радиосвязи, определяется программно один из ВО, который назначается ретранслятором сообщений. По результатам анализа местоположения и параметров движения остальных ВО определяются оптимальные пути доставки сообщений удаленному за радиогоризонт от НК выбранному подвижному воздушному объекту. Сообщение от НК через последовательную цепочку, состоящую из (N-1) воздушных объектов, может быть доставлено N-му ВО. Для этого на НК в формирователе типа ретранслируемых сообщений в заранее определенные разряды (заголовок) передаваемой кодограммы закладываются номер ВО, назначенного ретранслятором, и адреса подвижных воздушных объектов, обеспечивающих заданный трафик сообщения. Принятые на ВО сообщения анализируются в блоке анализа типа сообщений. После анализа решается вопрос о направлении данных по двунаправленной шине на систему управления объекта или ретрансляции их на соседний ВО.
В обычном режиме с НК, когда не требуется ретрансляция сигналов, осуществляется адресный опрос ВО путем формирования сообщения для передачи в канал радиосвязи в соответствии с протоколом обмена. Набираемое оператором (диспетчером) сообщение отображается на мониторе АРМ. На ВО после прохождения через бортовые антенну, радиостанцию, аппаратуру передачи данных сигнал поступает в бортовой вычислитель, где происходит идентификация принятого в сообщении адреса с собственным адресом подвижного воздушного объекта. Далее сообщение передается в блок анализа типа ретранслируемого сообщения, где происходит дешифрация полученного заголовка (служебной части) сообщения, и определяется в каком режиме должна работать аппаратура ВО. Информационная часть сообщения записывается в память бортового вычислителя и при необходимости выводится на экран блока регистрации данных.
Формирователи типа ретранслируемых сообщений позволяют обеспечить обмен цифровыми данными по каналу “воздух-земля” взамен существующей речевой информации. Они предназначены для выбора элементов сообщений разрешения/информации/запроса, которые соответствуют принятой речевой фразеологии, и набора произвольного текста. Отображение набираемых и принятых сообщений осуществляется на блоке регистрации данных ВО и мониторе АРМ НК соответственно. Сообщения с выходов приемников сигналов глобальных навигационных спутниковых систем записываются в память наземного и бортового вычислителей с привязкой к глобальному времени и используются для расчета навигационных характеристик и параметров движения каждого ВО. Принятые на НК навигационные сообщения от всех ВО обрабатываются в вычислителе и выводятся на экран монитора АРМ.
Однако прототипу присущи следующие недостатки.
Сигналы информационного обмена с ВО в каналах “воздух-земля” в MB-диапазоне имеют ограниченную скорость передачи. В современных линиях передачи данных “воздух-земля” VDL-2 и VDL-4 скорость передачи составляет всего 31,5 и 19,2 кбит/с соответственно.
Для некоторых практических применений, например, при передаче сигналов картографирования поверхности Земли, требуемая скорость передачи должна составлять не менее 400 кбит/с. Радиолинию передачи данных с такой скоростью в соответствии с международными нормами можно организовать только в диапазоне сверхвысоких частот (СВЧ-диапазоне).
Таким образом, основной технической задачей, на решение которой направлено заявляемое изобретение, является повышение помехозащищенности и скорости передачи за счет введения широкополосных каналов связи и выполнения следующих операций: наведения на передающей стороне диаграммы направленности антенны (ДНА) на диаграмму направленности антенны приемной стороны, выбора маршрута ретрансляции, определения в заданный момент времени текущего местоположения и параметров движения всех N ВО, вычисления экстраполяционных точек нахождения соответствующих ВО во время планируемого сеанса связи, взаимного наведения центров диаграмм направленности антенн НК и первого (в порядке обслуживания объектов) ВО, второго и так далее, слежения за ними во время движения, проведения обмена данными между соответствующими объектами и после получения подтверждения о приеме эту процедуру повторяют со вторым ВО и так далее. НК и выбранные для ретрансляции ВО осуществляют взаимное наведение центров диаграмм направленности антенн СВЧ-диапазона на соответствующие объекты и слежение за ними во время движения.
Указанный технический результат достигается тем, что в систему радиосвязи с подвижными объектами, состоящую из наземного комплекса, содержащего наземную антенну, радиостанцию, подключенную двухсторонними связями через аппаратуру передачи данных (АПД) к соответствующему первому входу/выходу вычислителя автоматизированного рабочего места, первый вход которого подключен к приемнику сигналов навигационных спутниковых систем, второй вход – к пульту управления АРМ, а выход – к монитору АРМ, формирователь типа ретранслируемых сообщений, соединенный с соответствующим входом вычислителя АРМ, N подвижных воздушных объектов, в состав каждого из которых входят бортовые датчики, бортовой приемник сигналов навигационных спутниковых систем, анализатор типа принимаемых сообщений и бортовой формирователь типа ретранслируемых сообщений, каждый из которых соединен с соответствующими входами бортового вычислителя, выход которого подключен к входу блока регистрации данных, а вход/выход – к двунаправленной шине системы управления воздушным объектом, бортовой вычислитель через последовательно соединенные бортовые аппаратуру передачи данных и радиостанцию подключен к бортовой антенне, причем передача данных с НК обеспечивается по цепочке последовательно соединенных первого подвижного воздушного объекта, второго ВО и далее до N-го ВО, а передача данных с N-го ВО на НК осуществляется в обратном порядке, введены дополнительно на ВО – бортовая аппаратура связи, бортовая направленная антенна, бортовой антенный коммутатор, бортовой блок горизонтирования, каждый из которых соединен двухсторонними связями с соответствующими входами/выходами бортового вычислителя, бортовой блок горизонтирования подключен к бортовой направленной антенне механическими связями, бортовая аппаратура связи через последовательно соединенные бортовой антенный коммутатор, бортовую направленную антенну через эфир подключена к наземной направленной антенне, а в НК – концентратор, подключенный к локально-вычислительным сетям (ЛВС), которые в свою очередь подключены двухсторонними связями к соответствующим входам/выходам наземной направленной антенны, антенному коммутатору, наземной аппаратуре связи, каждому из А АРМ, состоящих из вычислителя АРМ, соединенного с выходом пульта управления АРМ и с входом монитора АРМ, каждому из В блоков сопряжения, состоящих из последовательно соединенных наземной аппаратуры передачи данных и устройства сопряжения с каналом связи, выход которого является выходом системы, наземная направленная антенна через антенный коммутатор соединена двухсторонней связью с соответствующим входом/выходом наземной аппаратуры связи, наземный блок горизонтирования подключен к наземной направленной антенне механическими связями, в режимах ретрансляции и обмена данными бортовая направленная антенна 1-го ВО соединена по эфиру с бортовой направленной антенной 2-го ВО и так далее до N-го ВО.
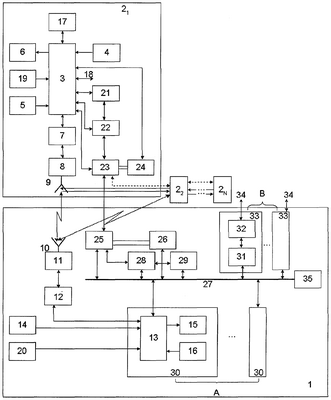
На чертеже представлена система радиосвязи с подвижными объектами, где обозначено:
1 – наземный комплекс;
2 – воздушный объект;
3 – бортовой вычислитель;
4 – бортовые датчики;
5 – бортовой приемник сигналов навигационных спутниковых систем;
6 – блок регистрации данных;
7 – бортовая аппаратура передачи данных;
8 – бортовая радиостанция;
9 – бортовая антенна;
10 – наземная антенна;
11 – наземная радиостанция;
12 – наземная аппаратура передачи данных;
13 – вычислитель АРМ;
14 – наземный приемник сигналов навигационных спутниковых систем;
15 – монитор АРМ;
16 – пульт управления АРМ;
17 – анализатор типа принимаемых сообщений,
18 – двунаправленная шина системы управления воздушным объектом;
19 – бортовой формирователь типа ретранслируемых сообщений;
20 – формирователь типа ретранслируемых сообщений;
21 – бортовая аппаратура связи;
22 – бортовой антенный коммутатор;
23 – бортовая направленная антенна;
24 – бортовой блок горизонтирования;
25 – наземная направленная антенна;
26 – наземный блок горизонтирования;
27 – локально-вычислительные сети;
28 – антенный коммутатор;
29 – наземная аппаратура связи;
30 – автоматизированное рабочее место;
31 – одна из В вторых наземных АПД блока 33 сопряжения;
32 – устройство сопряжения с каналом связи;
34 – вход/выход системы;
35 – концентратор.
Двойными сплошными линиями на чертеже обозначены механические связи. Вспомогательные элементы электропитания, контроля, записи и хранения информации и другие, не влияющие на выполнение цели изобретения, не включены в структурную схему системы.
Алгоритм работы системы заключается в ее адаптации к постоянно изменяющейся помеховой обстановке и взаимному положению НК 1 и ВО 2. Эта задача решена путем организации обмена данными между оборудованием воздушных объектов 2 и наземного комплекса 1 одновременно по двум радиоканалам: узкополосному MB-диапазона и широкополосному с более высокой несущей частотой (выше 1 ГГц) направленному радиоканалам связи.
Система радиосвязи с подвижными объектами работает следующим образом. При беспомеховой обстановке во время движения воздушные объекты, находящиеся в пределах радиогоризонта, обмениваются данными с наземным комплексом 1 в MB-диапазоне. Принимаемые наземной радиостанцией 11 из канала “воздух-земля” сообщения через аппаратуру 12 передачи данных поступают в вычислитель 13 АРМ 30, построенный, например, на базе ПЭВМ серии “Багет”. В вычислителе 13 АРМ 30 в соответствии с принятым в системе протоколом обмена проводится идентификация принятого в сообщении адреса с адресами воздушных объектов, хранящимися в памяти вычислителя 13 АРМ. В некоторых случаях НК 1 может обеспечивать обмен данными только с одним ВО. При совпадении адреса воздушного объекта с хранящимся в списке адресом информация о местоположении, параметрах движения ВО 2i и состоянии его датчиков выводится на экран монитора 15 АРМ НК 1. В вычислителе 13 АРМ 30 решаются следующие задачи: прием-передача сигналов с наземной АПД 31; прием данных о фактическом положении ДНА наземной направленной антенны 25 и состоянии наземной аппаратуры 29 связи; формирование хронизирующих сигналов для переключения режимов “передача-прием” антенного коммутатора 28; формирование сигналов управления положением ДНА наземной направленной антенны 25 по азимуту и углу места, наземным блоком 26 горизонтирования и режимами работы ВО; прием и обработка сигналов контроля со всех радиоэлектронных узлов системы и сигналов с выхода наземного приемника 14 сигналов навигационных спутниковых систем; прием-передача данных по шине 34 потребителям информации через блок 33 сопряжения; формирование на экране монитора 15 АРМ 30 картинки в соответствии с принятой с ВО 2 информацией и вспомогательной информацией в виде графических линий, символов и других изображений; отображение квитанций и донесений о режимах работы ВО 2, НК 1, АРМ 30; слежение за местоположением всех ВО 2 в зоне радиосвязи; обеспечение постоянной радиосвязи со всеми N ВО 2; оптимальное управление их движением; решение конфликтных ситуаций и выполнение других операций.
Бортовой вычислитель 3 осуществляет: прием-передачу сигналов с наземной НК 1; прием данных о фактическом положении ДНА бортовой направленной антенны 23 и состоянии бортовой аппаратуры 21 связи; формирование хронизирующих сигналов для переключения режимов “передача-прием” бортового антенного коммутатора 22; формирование сигналов управления положением ДНА бортовой направленной антенны 23 по азимуту и углу места, бортовым блоком 24 горизонтирования, режимами работы оборудования ВО; прием и обработку сигналов контроля со всех радиоэлектронных узлов ВО с передачей результата обработки на НК 1, сигналов с выхода бортового приемника 5 сигналов навигационных спутниковых систем; прием-передачу данных по шине 18 соответствующим потребителям информации; формирование на экране блока 6 регистрации данных картинки в соответствии с принятой с НК 1 информацией и вспомогательной информацией с узлов ВО 2 в виде графических линий, символов и других изображений; отображение команд управления с НК 1 режимами работы узлов ВО 2; слежение за местоположением НК 1 и всех ВО 2 в зоне радиосвязи; обеспечение постоянной радиосвязи с заданными с НК 1 воздушными объектами 2; оптимальное управление движением собственного ВО 2; решение конфликтных ситуаций и выполнение других операций.
Эти операции выполняются программно с помощью дополнительных модулей, конструктивно встраиваемых в вычислители 3 и 13 или выполненных в виде отдельных узлов, входящих в “обрамление” указанных вычислителей. Все АРМ 30 идентичны по структуре и программному обеспечению. Пульт 16 управления АРМ, предназначенный для выполнения известных операций [1], может состоять, например, из клавиатуры и манипулятора графического. Число АРМ 30 определяется требуемой производительностью операторов (диспетчеров), числом потребителей информации и объемом потребляемой ими информации. Бортовой вычислитель 3 может состоять из нескольких процессоров, объединенных общей шиной. Все АРМ 30 соединены между собой и с другими блоками системы с помощью локально-вычислительных сетей 27. ЛВС 27 может состоять из нескольких интерфейсов со своими физическими линиями, например, МКИО, Ethernet, RS-232 и других [8, 9].
Для линии связи СВЧ-диапазона в соответствии с рекомендациями Международной комиссии по радиочастотам могут быть выбраны, например, диапазоны LDRCL – 1710-1850 МГц, RCL – 7125-8500 МГц или другие, имеющие характерные окна радиопрозрачности атмосферы. Особенностью этой радиолинии связи является то, что в ней для повышения помехозащищенности используются кодирование передаваемых данных, комбинированные методы модуляции, способы борьбы с замираниями в условиях многолучевого распространения радиоволн, направленные антенны 23 и 25 с узкой ДНА (1-10)° [10].
Операции кодирования, модуляции и борьбы с замираниями радиосигнала осуществляются в бортовой и наземной аппаратуре связи 21 и 29. Аппаратура связи 21 и 29 состоит, например, из радиостанции СВЧ-диапазона и соответствующей аппаратуры обработки и передачи данных. Кодирование передаваемых данных может быть осуществлено, например, с помощью сверточного кодирования по Витерби с мягким решением и использованием модифицированной решающей обратной связи [6, 10]. Для борьбы с замираниями в условиях многолучевого распространения радиоволн может быть использован, например, широкополосный сигнал и прием разнесенных во времени сигналов по схеме “РЕЙК”, в которой обеспечивается разделение и адаптивное весовое сложение сигналов в динамике профиля многолучевости [6, 10]. В радиостанции для создания широкополосного сигнала может быть использован, например, метод непосредственной модуляции сигнала промежуточной частоты фазоманипулированной псевдослучайной последовательностью. В некоторых вариантах может быть использована псевдослучайная перестройка несущей частоты.
В качестве антенн 23 и 25 могут быть использованы, например, активные фазированные антенные решетки или параболические антенны с электромеханическим управлением положением ДНА. Сектор сканирования луча ДНА по азимуту 360°, по углу места – практически от 0 до 180° (без учета углов закрытия и особенностей связи при углах места вблизи 90°). Управление положением ДНА выполняется, например, программно с помощью вычислителей 3, 13 и дополнительных модулей, конструктивно встраиваемых в вычислители 3 и 13 или выполненных в виде отдельных узлов, входящих в “обрамление” указанных вычислителей. Сохранение положения центра ДНА в направлении на выбранный объект системы при маневрах ВО 2 или НК 1 обеспечивается с помощью блоков горизонтирования 24 и 26, управляемых с помощью данных с вычислителей 3, 13. Наведение ДНА осуществляется путем нахождения пространственного вектора между двумя объектами системы и направления по нему центров ДНА соответствующих объектов системы. Для этого с учетом тенденции (экстраполяции) движения с привязкой к единому всемирному времени используются точные координаты ВО 2 и НК 1, вычисляемые по выходным сигналам приемников 5 и 14 навигационных спутниковых систем, например, ГЛО-HACC/GPS [7]. В упрощенном варианте системы на ВО 2 может быть установлена пассивная антенна с круговой ДНА по азимуту и с небольшой направленностью по углу места с коэффициентом усиления (3-10) дБ. В этом случае блок 24 горизонтирования и функциональные связи бортового вычислителя 3 с бортовой антенной 23 и блоком 24 горизонтирования, бортовой антенны 23 и блока 24 могут отсутствовать. Для защиты антенн 23 и 25 от внешних воздействий могут быть использованы, например, радиопрозрачные укрытия, не показанные на чертеже. Для варианта использования на НК 1 параболических антенн с электромеханическим управлением положением ДНА под радиопрозрачным укрытием размещают устройства сканирования наземной антенны 25 по азимуту и углу места и соответствующие датчики, антенный коммутатор 28, блок 26 горизонтирования и для уменьшения потерь радиосигнала в антенно-фидерном тракте наземную аппаратуру 29 связи.
Информация блоков 12, 14, 20 обрабатывается в вычислителе 13 одного из АРМ, например первого. Полученные по ЛВС 27 данные распределяются между остальными вычислителями 13 АРМ 30 и, при необходимости, передаются через одну из В вторых наземных АПД 31 блока 33 сопряжения и устройство 32 сопряжения с каналом связи блока сопряжения 33 по шине 34 соответствующему потребителю информации. Сообщения от потребителя информации передаются на вычислители 13 АРМ 30 и ВО 2 через те же узлы, но в обратном порядке. В зависимости от объема требуемой информации для обработки и формирования сообщений потребителю могут быть использованы несколько АРМ 30. Обмен данными по ЛВС 27 организуется с помощью концентратора 35, который может быть выполнен, например, в виде оконечного устройства для интерфейса МКИО [8, 9].
При выходе за пределы радиогоризонта, хотя бы одного из ВО 2, или приближении к границе зоны устойчивой радиосвязи, программно определяется один из ВО 2, который назначается ретранслятором сообщений, условно обозначенный на чертеже цифрой 21. Ретрансляция данных осуществляется в MB-диапазоне и СВЧ-диапазоне (при необходимости). В СВЧ-диапазоне ДНА на сторонах приема и передачи должны быть направлены друг на друга. При постоянном изменении дальности между взаимодействующими ВО 2 в качестве ретранслятора может быть определен любой из N воздушных объектов, местоположение которого оптимально по отношению к НК 1 и всем остальным ВО 2. В этом случае автоматически или оператором АРМ 30 назначается ВО 21, который в течение определенного времени будет использоваться в качестве ретранслятора. По анализу местоположения и параметров движения остальных ВО 2 в вычислителе 13 АРМ определяются оптимальные пути доставки сообщений удаленному от НК 1 за радиогоризонт воздушному объекту, а для радиолинии СВЧ-диапазона – положение ДНА на приемной и передающей сторонах.
Узлы 7, 8, 9, составляющие основу бортового комплекса связи MB-диапазона, и узлы 10, 11, 12, составляющие основу наземного комплекса связи MB-диапазона, для повышения надежности связи могут зарезервированы. Тогда один их входов/выходов бортового вычислителя 3 должен быть подключен ко второй цепочке, состоящей из последовательно соединенных узлов 7, 8, 9, а на НК 1 один их входов/выходов наземного вычислителя 13 любого из АРМ 30 также должен быть подключен к соответствующей цепочке, состоящей из последовательно соединенных узлов 12, 11, 10. В этом случае в наземном вычислителе 13 одного из АРМ, определенного ведущим, осуществляются операции оценки достоверности информации, принимаемой с ВО 2 по двум MB каналам, и обработки наиболее ценной, достоверной информации.
Сообщение от НК 1 через последовательную цепочку, состоящую из (N-1) воздушных объектов 2, может быть доставлено N-му ВО 2N. Для этого на НК 1 в формирователе 20 типа ретранслируемых сообщений в заранее определенные разряды передаваемой кодограммы закладываются номер ВО 21, назначенного ретранслятором, и адреса воздушных объектов 2i, обеспечивающих заданный трафик сообщения. При помеховой обстановке трафики для радиосигналов MB-диапазона и СВЧ-диапазона могут быть различные. Принятые данные обрабатываются в блоке 17 анализа типа сообщений воздушного объекта 2. Если сообщение предназначено для данного ВО 2, то после анализа решается вопрос о направлении данных на блок 6 регистрации или по двунаправленной шине 18 на систему управления ВО, не указанную на фигуре, или, при работе в режиме ретрансляции, о передаче данных на соседний ВО 2i. Для исключения коллизий минимизируется число разрядов в передаваемом сообщении, а ретрансляция данных осуществляется последовательно во времени.
При обмене данными по линиям “воздух-земля”, “воздух-воздух”, особенно при наличии помеховой обстановки, снижения достоверности передачи данных в MB-диапазоне управление трафиком СВЧ-радиосигнала осуществляется с наземного вычислителя 13 в соответствии с алгоритмом, заключающемся в том, что на передающей стороне соответствующего ВО 2 наводят диаграмму направленности антенны на диаграмму направленности антенны приемной стороны выбранного для ретрансляции ВО 2 и передают сигналы. На приемной стороне известными способами [5, 6] измеряют достоверность передачи информации. Полученную оценку передают в обратном направлении. Эти данные с привязкой к единому времени и координатам (местоположению) ВО 2 запоминаются для дальнейшего использования в процессе связи. Затем на передающей стороне оценивают уровень достоверности передачи информации, приходящей с направления приемной стороны. При низкой достоверности с помощью обработки данных о положении всех ВО 2, хранимых в наземном вычислителе 13, выбирают маршрут ретрансляции. В следующий момент времени диаграммы направленности антенны передающей и диаграмму направленности антенны приемной стороны устанавливаются друг на друга в соответствии с выбранным маршрутом.
Для последовательного выполнения этих операций в заданный момент времени определяется текущее местоположение всех ВО 2 и НК 1, вычисляются в наземном вычислителе 13 экстраполяционные точки нахождения соответствующих объектов системы во время планируемого сеанса связи, осуществляется взаимное наведение центров диаграмм направленности антенн НК 1 и первого (в порядке обслуживания) ВО 2 и слежение за ним во время движения. Затем проводят обмен данными между соответствующими объектами системы, и после получения подтверждения о приеме эту процедуру повторяют со вторым ВО 2 и так далее. При совпадении направления на i-й ВО 2 с направлением на источник помех, положение которого определено в наземном вычислителе 13 по результатам оценки достоверности принятой информации со всех ВО 2, вычисляется оптимальный маршрут передачи данных на i-й ВО 2 через другие воздушные объекты, работающие в режиме ретрансляции. В НК 1 и в выбранных для ретрансляции ВО 2 с помощью соответствующих вычислителей осуществляется взаимное наведение центров диаграмм направленности антенн и слежение за соответствующими объектами во время их движения. Для этого с наземного вычислителя 13 НК 1, имеющего больший объем информации о воздушной ситуации в своей зоне ответственности по сравнению с бортовыми вычислителями ВО 2, постоянно осуществляется обмен соответствующими сообщениями со всеми ВО 2.
После получения на НК 1 подтверждения о достоверном приеме информации на ВО 2 в вычислителе 13 АРМ 30 автоматически формируется следующее сообщение в адрес управляемого ВО 2. Это сообщение, пройдя по той же рассмотренной ранее цепочке, но только в обратном порядке, поступает на соответствующий бортовой вычислитель 3 и, при необходимости, отображается на экране бортового блока 6 регистрации данных.
Для удобства разрешения оператором НК 1 конфликтной ситуации при наличии помеховой обстановки на экран каждого монитора 15 АРМ 30 НК 1 может выводиться положение каждого ВО 2 относительно НК 1. Для этого, программно, с помощью вычислителя 13 АРМ выделяются части пространства, в которых помеховая ситуация в вероятностном смысле менее напряженная, и через находящиеся там ВО 2 осуществляется трафик. Для отображения тенденции движения каждого ВО 2 на экране монитора 15 АРМ вычислителем 13 АРМ 30 формируются отметки, характеризующие предыдущее местоположение ВО 2 и экстраполяционные отметки, характеризующие местоположение ВО 2 через заданный интервал времени. По мере движения ВО 2 устаревающие отметки стираются. Положение трассы полета всех ВО 2 в зоне обслуживания НК 1 сохраняются в памяти вычислителя 13 АРМ на заданный период времени.
При передаче с НК 1 приоритетных сообщений для ВО 2 в соответствии с категориями срочности, принятыми в системе радиосвязи с воздушными объектами, в формирователе 20 типа ретранслируемых сообщений в заголовке сообщения формируется код запрета передачи других сообщений на время, отводимое для трансляции данных с НК 1 на выбранное ВО 2i с учетом времени реакции ВО 2 на принятое сообщение и времени задержки в трактах обработки дискретных сигналов. Принимаемая на ВО 2i информация отображается на экране бортового блока 6 регистрации данных в виде буквенно-цифровых символов или в виде точек и векторов.
Остальные менее приоритетные сообщения в соответствии с протоколом обмена находятся в очереди соответствующей категории срочности. В вычислителях 3 и 13 определяется время “старения” информации, и, если сообщение в течение определенного промежутка времени не было передано в канал связи, то оно “стирается” и посылается запрос на повторную передачу сообщения.
В обычном режиме в беспомеховой обстановке с НК 1, когда не требуется ретрансляция сигналов, осуществляется адресный опрос ВО 2 путем формирования сообщения для передачи в канал радиосвязи в соответствии с протоколом обмена. Набираемое оператором (диспетчером) с любого из пультов 16 управления АРМ 30 сообщение отображается на мониторе 15 АРМ и параллельно на НК 1 после прохождения сигнала через вычислитель 13 АРМ 30, аппаратуру передачи данных 12, радиостанцию 11, антенну 10 и на ВО 2 – через бортовые: антенну 9, радиостанцию 8, аппаратуру передачи данных 7 поступает в бортовой вычислитель 3, где происходит идентификация принятого в сообщении адреса с собственным адресом ВО 2. Если адреса совпадают, то сообщение передается в блок 17 анализа типа ретранслируемого сообщения для дешифрации служебной части полученного сообщения и определения режима работы аппаратуры ВО 2. Информационная часть сообщения записывается в память бортового вычислителя 3 и при необходимости выводится на экран блока 6 регистрации данных, который может быть выполнен в виде монитора или другого устройства отображения.
В зависимости от числа воздушных объектов и числа переспросов сообщений в канале радиосвязи в системе используются динамические алгоритмы обмена сообщениями и эффективного управления полетом ВО 2. При изменении помеховой обстановки, взаимного положения НК 1 и ВО 2, нарушения режима полета воздушного объекта и других параметров в вычислителях 3 и 13 автоматически формируется предупреждающий сигнал о возможном “обрыве” связи, информация о котором выводится на экраны блока 6 регистрации данных и монитора 15 АРМ. Визуальная картинка может быть усилена звуковым эффектом. При использовании определенного формата заголовка сообщения с выхода бортовых формирователей 19 типа ретранслируемых сообщений может быть использован режим свободного доступа со стороны других воздушных объектов 2 или режим выделения временного интервала для организации обмена данными с наземным комплексом 1.
В результате анализа состояния и загрузки каналов MB- и СВЧ- диапазонов радиосвязи в вычислителе 13 АРМ 30 НК 1 и выбора лучшего из них определяется число столкновений сообщений в каналах связи, и, когда это число превышает предельно допустимое, система переходит в режим адресного опроса для упорядочения работы канала передачи данных “воздух-земля” и повышения качества управления. Для того чтобы избежать столкновений в радиоканале связи при одновременной передаче несколькими объектами, вычислителями 3 и 13 может осуществляться, например, контроль несущей при воздействии на радиостанцию преамбулы или заголовка (служебной части сообщений). Подготовленное сообщение с ВО 2 передается только в том случае, когда радиоканал свободен. Для того чтобы разнести во времени моменты выхода на связь воздушных объектов в то время, когда они обнаружили, что радиоканал занят, в вычислителях 3 и 13 может формироваться, например, псевдослучайная задержка передачи сообщений от воздушных объектов 2 и НК 1 – для каждого объекта своя.
В режиме адресного опроса инициатором связи может быть только НК 1. Если воздушные объекты 2 сформировали для передачи сообщения и обнаружили, что радиоканал свободен, то они информируют остальные воздушные объекты в MB-диапазоне и в СВЧ-диапазоне о начале цикла передачи данных, в том числе о своем местоположении, и случайным образом в выделенных им временных слотах распределяют передаваемые сообщения. На каждом из ВО 2 в вычислителе 3 оценивается уровень принимаемого сигнала несущей частоты в радиоканале и обрабатываются для выбора интервалов передачи точные по времени импульсы синхронизации с выхода приемников глобальных навигационных систем. При совпадении расчетного интервала передачи с установленной очередностью воздушный объект 2 начинает передачу собственного пакета данных в выделенном интервале времени.
Формирователи 20 и 19 типа ретранслируемых сообщений, пульт 16 управления в НК 1 позволяют обеспечить обмен цифровыми данными по каналам “воздух-земля” MB- и СВЧ-диапазонов взамен существующей речевой информации. Они обеспечивают выбор элементов сообщений разрешения/информации/запроса, которые соответствуют принятой речевой фразеологии, и набор произвольного текста. Отображение набираемых на наземном пульте 16 управления и принятых с ВО 2 сообщений осуществляется на экране монитора 15 АРМ 30 НК 1. Формирователи 20 и 19 типа ретранслируемых сообщений могут быть выполнены в виде отдельных узлов или программными методами с помощью вычислителей 3 и 13.
Сообщения с выходов приемников 5 и 14 сигналов навигационных спутниковых систем, например ГЛОНАСС/GPS, записываются в память вычислителей 3 и 13 с привязкой к глобальному времени. В вычислителях 3 и 13 эти данные используются для расчета навигационных характеристик и параметров движения каждого ВО в зоне радиосвязи НК 1, а также для ориентирования в пространстве диаграмм направленности антенн 23 и 25 ВО 2 и НК 1 соответственно, в том числе при мобильном исполнении НК 1. В зависимости от выбранного интервала времени выдачи на НК 1 сообщений о местоположении ВО 2 в вычислителе 3 в заданное время формируется соответствующее сообщение с привязкой к глобальному времени проведения измерения координат ВО 2.
Принятые на НК 1, представляющем собой наземный пункт приема, передачи, обработки и отображения информации, навигационные сообщения от всех ВО 2 обрабатываются в вычислителе 13 АРМ и выводятся на экран монитора 15 АРМ 30. Точка, характеризующая местоположение НК 1, обычно размещается в центре экрана монитора 15 АРМ 30. ВО 2, находящиеся вблизи зоны устойчивой радиосвязи, выделяются от остальных, например, цветом отметки на экране монитора 15 АРМ, и для них в вычислителях 3 и 13 начинается решение задачи выбора оптимального пути трансляции управляющих сообщений от НК 1 на выбранное ВО 2. Для этого постоянно в вычислителе 13 одного или одновременно нескольких АРМ 30 известными методами [5, 6] оцениваются зоны устойчивой радиосвязи для НК 1 и всех ВО 2. Наличие приемника 14 сигналов навигационных спутниковых систем позволяет проводить управление ВО 2 и с мобильного НК 1. В аппаратуре передачи данных 7 и 12 осуществляются известные операции: модуляции и демодуляции, кодирования и декодирования и другие [5, 6].
На момент подачи заявки разработаны алгоритмы и программное обеспечение заявляемой системы радиосвязи. Узлы 1-20 одинаковые с прототипом. Оборудование, реализующие функции узлов 21-35, выпускается серийно. Вычислители 3 и 13 могут быть выполнены, например, на плате процессорной 5066-586-133MHz-1 MB, 2 MB Flash CPU Card фирмы Octagon Systems и ЭВМ типа “Багет-01-07” ЮКСУ.466225.001 соответственно.
Использование заявляемой системы радиосвязи с подвижными объектами позволяет:
– повысить помехозащищенность передачи данных в условиях многолучевого распространения радиоволн и связанных с ним частотно-селективных замираний;
– обеспечить более высокую скорость передачи информации, благодаря организации широкополосной радиолинии в СВЧ-диапазоне;
– осуществлять управление воздушным движением в помеховой обстановке за счет одновременного обмена данными по радиоканалам MB- и СВЧ-диапазонов и выбора лучшего из них;
– обеспечить беспровальное сопровождение N воздушных объектов по трассе за счет непрерывного обмена информацией о местоположении и состоянии бортовых систем;
– повысить уровень безопасности полетов за счет предоставления пилоту ВО и оператору НК информации о воздушном объекте и о ситуации вокруг него с точностью глобальной навигационной спутниковой системы (для GPS – 7 м, в режиме передачи дифференциальных поправок – 1 м [7]).
Система может быть использована для обмена данными между подвижными объектами и управления движением любого ВО, в том числе дистанционно управляемого беспилотного летательного аппарата.
ЛИТЕРАТУРА
1. В.В.Бочкарев, Г.А.Крыжановский, Н.Н.Сухих. Автоматизированное управление движением авиационного транспорта. М.: Транспорт, 1999. 319 с.
2. AC №1401626, М. кл. Н04В 7/26, H04L 27/00. БИ №21, 1988.
3. Патент РФ №195774, М. кл. Н04В 7/26, 2002.
4. Патент РФ №44907 U1, М. кл. Н04В 7/00, 2005 (прототип).
5. Радиосистемы передачи информации: Учеб. пособие для ВУЗов / И.М.Тепляков и др. Под ред. И.М.Теплякова. – М.: Радио и связь, 1982.
6. Уильям К.Ли. Техника подвижных систем связи. – М.: Радио и связь, 1985, 391 с.
7. GPS – глобальная система позиционирования. – М.: ПРИН, 1994, 76 с.
8. К.Э.Эрглис. Интерфейсы открытых систем. – М.: Горячая линия-Телеком, 2000. – 256 с.
9. А.А.Мячев. Интерфейсы средств вычислительной техники. Энциклопедический справочник. – М.: Радио и связь, 1993. – 350 с.
10. В.В.Бортников, С.С.Ананченков. Помехоустойчивость двоичных сигналов в марковском канале с замираниями. – Изв. вузов MB и ССО СССР, Радиотехника, 1984, т.24, №10. С.78-80.
Формула изобретения
Система радиосвязи с подвижными объектами, состоящая из наземного комплекса (НК), содержащего наземную антенну, радиостанцию, подключенную двухсторонними связями через аппаратуру передачи данных к соответствующему первому входу/выходу вычислителя автоматизированного рабочего места (АРМ), первый вход которого подключен к приемнику сигналов навигационных спутниковых систем, второй вход – к пульту управления АРМ, а выход – к монитору АРМ, формирователь типа ретранслируемых сообщений, соединенный с соответствующим входом вычислителя АРМ, N подвижных воздушных объектов (ВО), в состав каждого из которых входят бортовые датчики, бортовые приемник сигналов навигационных спутниковых систем, анализатор типа принимаемых сообщений и бортовой формирователь типа ретранслируемых сообщений, каждый из которых соединен с соответствующими входами бортового вычислителя, выход которого подключен к входу блока регистрации данных, а вход/выход – к двунаправленной шине системы управления подвижным воздушным объектом, бортовой вычислитель через последовательно соединенные бортовые аппаратуру передачи данных и радиостанцию подключен к бортовой антенне, причем передача данных с НК обеспечивается по цепочке последовательно соединенных первого подвижного воздушного объекта, второго подвижного воздушного объекта и далее до N-го подвижного воздушного объекта, а передача данных с N-го подвижного воздушного объекта на наземный комплекс осуществляется в обратном порядке, отличающаяся тем, что дополнительно введены на подвижном воздушном объекте бортовая аппаратура связи, бортовая направленная антенна, бортовой антенный коммутатор, бортовой блок горизонтирования, каждый из которых соединен двухсторонними связями с соответствующими входами/выходами бортового вычислителя, выполненного с возможностью осуществления идентификации принятого в сообщении адреса и обеспечения обмена данными с подвижными воздушными объектами, бортовой блок горизонтирования подключен к бортовой направленной антенне механическими связями, бортовая аппаратура связи через последовательно соединенные бортовой антенный коммутатор, бортовую направленную антенну через эфир подключена к наземной направленной антенне, а в наземном комплексе – концентратор, подключенный к локально-вычислительным сетям, которые, в свою очередь, подключены двухсторонними связями к соответствующим входам/выходам наземной направленной антенны, наземному антенному коммутатору, наземной аппаратуре связи, каждому из А АРМ, состоящих из вычислителя АРМ, выполненного с возможностью определения оптимальных путей доставки сообщений подвижным воздушным объектам и соединенного с выходом пульта управления АРМ и с входом монитора АРМ, каждому из В блоков сопряжения, состоящих из последовательно соединенных второй наземной аппаратуры передачи данных и устройства сопряжения с каналом связи, вход/выход которого является входом/выходом системы, наземная направленная антенна через антенный коммутатор соединена двухсторонней связью с соответствующим входом/выходом наземной аппаратуры связи, наземный блок горизонтирования подключен к наземной направленной антенне механическими связями, в режимах ретрансляции и обмена данными бортовая направленная антенна 1-го подвижного воздушного объекта соединена по эфиру с бортовой направленной антенной 2-го подвижного воздушного объекта и так далее до N-го подвижного воздушного объекта.
РИСУНКИ
|
|