|
|
(21), (22) Заявка: 2006113055/09, 18.04.2006
(24) Дата начала отсчета срока действия патента:
18.04.2006
(46) Опубликовано: 27.10.2007
(56) Список документов, цитированных в отчете о поиске:
RU 2209513 С2, 27.07.2003. RU 2129334 C1, 20.04.1999. RU 2196378 С2, 10.01.2003. RU 97100324 A, 20.03.1999. US 4371867, 01.02.1983.
Адрес для переписки:
403874, Волгоградская обл., г. Камышин, ул. Ленина, 6а, Камышинский технологический институт (филиал) ВолгГТУ, зав. НИЛ “Проблемы энергетики” Г.А. Тюняеву
|
(72) Автор(ы):
Тюняев Герман Алексеевич (RU), Переяслов Юрий Тихонович (RU)
(73) Патентообладатель(и):
Открытое акционерное общество энергетики и электрификации “Волгоградэнерго” (RU), Волгоградский государственный технический университет (ВолгГТУ) (RU)
|
(54) СИСТЕМА ПЕРЕДАЧИ СИГНАЛОВ ПО ЛИНИИ ЭЛЕКТРОСНАБЖЕНИЯ ДЛЯ ОБНАРУЖЕНИЯ ГОЛОЛЕДНЫХ ОТЛОЖЕНИЙ НА ПРОВОДАХ
(57) Реферат:
Изобретение относится к области электроэнергетики. Техническим результатом является создание новой системы контроля и прогнозирование экстремальных гололедных ситуаций, работающей только во время воздействия реальных гололедно-ветровых явлений на линии электропередачи, не потребляющей питания на контролируемых опорах, использующей трехкратную модуляцию высокочастотных колебаний для эффективного использования на всех линиях электропередачи с высокой степенью диагностирования. Для этого устройство содержит блок управления передачей, выполненный в виде генератора высокой частоты, и блок управления приемом, связанный с контролируемым пунктом системы телемеханики. Между собой эти блоки через фильтры присоединения и конденсаторы связи связаны фазным проводом, использующимся в качестве пространственно-распределенного датчика и с которым связаны измерительные блоки, соединенные с сигнализаторами предельной гололедной нагрузки. На входе блока управления передачей установлен блок прогнозирования, использующий в качестве первоначального сигнала параметры метеодатчиков, по которым формируются длительности дискретных высокочастотных сигналов на входе блока управления передачей, затем непрерывно модулируемые по амплитуде гололедными отложениями пространственно-распределенным датчиком и дискретно измерительными блоками. По параметрам времени начала гололедообразования и предельной гололедной нагрузки определяется количественное значение скорости процесса гололедообразования и процесса нарастания аварийной гололедной нагрузки, сигналы которого поступают на диспетчерский пункт. 2 ил.
Изобретение относится к области электроэнергетики и может быть использовано для прогнозирования, обнаружения и регистрации гололедных нагрузок на проводах линий электропередачи, диагностики гололедной обстановки в регионе с использованием каналов телемеханики и связи.
Известна система передачи сигналов о гололеде на проводах линий электропередачи, содержащая датчики (сигнализаторы) гололеда, основанная на синхронизации сигнализаторов гололеда, формировании сигнала о гололеде, передаче сигнала, фиксировании его и выборе линий для плавки гололеда (а.с. №1181035, кл. Н02G 7/16, 1985 г.).
Недостатком данной системы является то, что процессы формирования сигнала базируются на одном значении и не обеспечивается оценка и контроль динамики гололедообразования из-за отсутствия прогнозирования за гололедной ситуацией на линии электроснабжения, что снижает эффективность борьбы с гололедом.
Наиболее близкой по техническому уровню и достигнутому результату является система передачи сигналов по линии электроснабжения для обнаружения гололедных отложений на проводах (патент РФ №2209513, кл 7 Н04В 3/54, 1999 г.). Система содержит блок управления передачей, выполненный в виде генератора высокой частоты, связанного через фильтр присоединения и конденсатор связи с фазным проводом линии электропередачи, и блок управления приемом, содержащий блок сигнализации, связанный через фильтр присоединения и конденсатор связи с фазным проводом линии электропередачи, который используется как пространственно-распределенный датчик гололедных нагрузок и к которому подсоединены измерительные блоки, связанные с параметрическими датчиками предельных нагрузок, а блоки управления приемом получают высокочастотные сигналы от указанного пространственно-распределенного датчика гололедных нагрузок, причем значения предельных гололедных нагрузок фиксируются последовательно во времени в виде дискретных по уровню сигналов из модулированного гололедными отложениями ВЧ-носителя информации, что не обеспечивает качественного определения сигнала «аварийная гололедная нагрузка», а выходы блоков управления приемом соединены с контролируемыми пунктами системы телемеханики, сигналы с которых поступают на диспетчерский пункт.
Недостатком данной системы передачи сигналов по линии электроснабжения для обнаружения гололедных отложений на проводах является отсутствие системы контроля режимов работы, текущих значений параметров, характеризующих прогноз процесса гололедообразования как в регионе, так и контролируемой линии электропередачи.
Известные системы передачи сигналов по линии электроснабжения о гололедных отложениях имеют невысокий технический уровень, так как формируют и передают сигналы лишь об одном или нескольких значениях гололедных отложений на проводах в заданных точках, что недостаточно при накатном гололеде, когда необходимо знать за 1-1,5 часа о возможной аварийной ситуации на линиях электропередачи от гололеда, динамику процесса гололедообразования во время устранения гололедных отложений на проводах и прогноз развития гололедной ситуации в регионе для своевременной мобилизации технических и людских ресурсов на эффективную плавку гололеда, чтобы обеспечить безаварийную работу линий электропередачи.
В этой связи важнейшей задачей является создание новой системы передачи сигналов о гололедных отложениях на линиях электропередачи, включающей новую структуру формирования сигналов на линии электропередачи за счет дискретной модуляции высокочастотных колебаний генератора, осуществляемой блоком прогнозирования, которые в виде время-импульсных сигналов как носитель информации модулируются по амплитуде в пространственно-распределенном датчике и измерительных блоках, обеспечивающих максимально изменяющуюся амплитуду носителя информации на пассивных элементах без источников питания на объектах контроля под действием сигнализаторов предельных нагрузок, размещенных в заданных точках вдоль линии электропередачи, за счет минимизации как объема измеряемой информации, определяющей число сигналов о предельных гололедных нагрузках на контролируемой опоре линии электропередачи, так и времени работы всей системы.
Предложена принципиально новая схема передачи сигналов с единым высокочастотным каналом связи, использующим трехкратную модуляцию высокочастотных колебаний, которые сначала дискретно модулируются блоком прогнозирования генератора высокой частоты под действием параметров метеодатчиков, фиксирующих гололедно-ветровую ситуацию в районе контролируемых высоковольтных линий электропередачи, затем этот дискретно модулируемый сигнал как носитель информации модулируется гололедными отложениями по всей линии электропередачи, определяя качественное изменение динамики процесса гололедообразования, и в измерительных блоках, размещенных вдоль линии электропередачи в заданных точках, определяя абсолютные значения гололедных нагрузок в них, и определяется количественное значение динамики гололедообразования и процесса нарастания аварийной гололедной нагрузки. Это позволяет формировать сигналы об интенсивности гололедообразования в виде время-импульсных сигналов и контролировать режимы работы блока управления передачей и блока управления приемом, прогнозировать гололедные ситуации, что позволяет создать новую систему диагностирования процессов гололедообразования.
Техническим результатом является создание системы, работающей только во время воздействия реальных гололедно-ветровых явлений на линии электропередачи, не требующей источников питания на контролируемой опоре, использующей трехкратную модуляцию высокочастотных колебаний под действием прогноза интенсивности гололедообразования в регионе по параметрам метеодатчиков, по непрерывному на всей линии электропередачи и дискретному изменению амплитуды в заданных точках при минимальном количестве сигналов о гололедной нагрузке, формируемых на контролируемой опоре на пассивных элементах, и прогноз гололедной ситуации на контролируемой линии электропередачи, определяемый на диспетчерском пункте после фиксации времени начала гололедообразования и появления предельной гололедной нагрузки, что позволяет своевременно мобилизовать технические и людские ресурсы на устранение гололеда и эффективно их использовать на всех линиях электропередачи с гололедом для предотвращения аварийных ситуаций, особенно при накатном гололеде.
Указанный технический результат достигается тем, что система передачи сигналов по линии электроснабжения для обнаружения гололедных отложений на проводах содержит блок управления передачей, выполненный в виде генератора высокой частоты, связанный через фильтр присоединения и конденсатор связи с фазным проводом линии электропередачи, соединенный с измерительными блоками, блок управления приемом, содержащий блок сигнализации, связанный через фильтр присоединения и конденсатор связи с фазным проводом линии электропередачи, который используется в качестве пространственно-распределенного датчика гололедных нагрузок, связан с контролируемым пунктом системы телемеханики, а блок управления передачей формирует сигнал об интенсивности гололедообразования в виде дискретно модулируемых высокочастотных колебаний на выходе генератора, который определяют по изменению прогнозируемых гололедных отложений, а на входе блока управления передачей установлен блок прогнозирования, использующий в качестве первоначального сигнала параметры метеодатчиков, по которым формируются длительности дискретных высокочастотных сигналов, поступающих через фильтр присоединения и конденсатор связи на амплитудно модулируемый гололедными отложениями пространственно-распределенный датчик и в измерительные блоки, соединенные с сигнализаторами предельной нагрузки, и определяют предельную нагрузку в блоке управления приемом по максимальному изменению амплитуды дискретно модулируемого на пассивных элементах высокочастотного сигнала, и фиксируются по параметрам времени начало гололедообразования и предельная гололедная нагрузка, по которым определяется количественное значение скорости процесса гололедообразования и процесса нарастания аварийной гололедной нагрузки, сигналы которого поступают на диспетчерский пункт.
Сущность создания новой системы передачи сигналов по линии электроснабжения о гололедных отложениях на проводах заключается в том, что впервые предложен блок прогнозирования интенсивности гололедообразования, использующий в качестве первоначального сигнала параметры метеодатчиков, позволяющий формировать дискретные сигналы в блоке управления передачей, по которым формируется длительность время-импульсных высокочастотных сигналов, поступающая в блок управления приемом, тем самым обеспечивается прогнозирование гололедных ситуаций и диагностирование интенсивности изменения процессов гололедообразования.
Введение амплитудной модуляции время-импульсного сигнала как носителя информации в пространственно-распределенном датчике и в измерительных блоках под действием сигнализаторов предельной гололедной нагрузки обеспечивает качественное определение динамики гололедообразования и получение фиксируемых параметров времени начала гололедообразования и предельной гололедной нагрузки, по которым определяется количественное значение скорости процесса гололедообразования и процесса нарастания аварийной гололедной нагрузки, что повышает эффективность контроля, прогнозирования и диагностики процессов гололедообразования.
Приведенный заявителем анализ уровня техники, включающий поиск по патентам и научно-техническим источникам информации и выявление источников, содержащих сведения об аналогах заявленного решения, позволил установить, что заявителем не установлен аналог, характеризующийся признаками, идентичными всем существенным признакам заявленного изобретения. Определение из перечня выявленных аналогов прототипа как наиболее близкого решения по совокупности признаков позволило выявить совокупность существенных по отношению к усматриваемому заявителем техническому результату отличительных признаков в заявленном объекте, изложенных в формуле изобретения.
Следовательно, заявленное изобретение соответствует требованию “новизны” по действующему законодательству.
Для проверки соответствия заявленного изобретения требованию “изобретательского уровня” заявитель провел дополнительный поиск известных решений с целью выявления признаков, совпадающих с отличительными от прототипа признаками заявленного изобретения, результаты которого показывают, что заявленное изобретение для специалиста не следует явным образом из известного уровня техники.
Следовательно, заявленное изобретение соответствует требованию “изобретательский уровень».
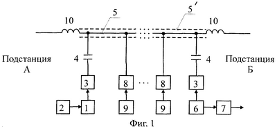
На фиг.1 изображена общая блок-схема системы передачи сигналов по линии электроснабжения для обнаружения гололедных отложений на проводах; на фиг.2 – временные диаграммы работы системы в режимах: а) отсутствия предельных гололедных нагрузок на проводах; б) наличия одного предельного значения гололедной нагрузки на проводах; в) накатного гололеда.
Система передачи сигналов содержит: блоки управления передачей 1, выполненные в виде генераторов на заданную высокую частоту, формирующие сигнал об интенсивности гололедообразования в виде дискретно модулируемых высокочастотных колебаний на выходе генератора, который определяют по изменению прогнозируемых гололедных отложений; блоки прогнозирования 2, воздействующие на вход блоков управления передачей 1, использующие в качестве первоначального сигнала параметры метеодатчиков, по которым формируется длительность время-импульсных высокочастотных сигналов, являющихся носителями информации, каждый из которых через фильтр присоединения 3 и конденсатор связи 4 поступает на фазный провод линии электропередачи 5 и пространственно-распределенный датчик 5 .
Блоки управления приемом 6, содержащие блоки сигнализации, каждый из которых с одной стороны через фильтр присвоения 3 и конденсатор связи 4 связан с фазным проводом линии электропередачи 5 и пространственно-распределенным датчиком гололедных нагрузок 5 , а с другой стороны соединен с аппаратурой контролируемого пункта 7 системы телемеханики. Вдоль линии электропередачи размещены измерительные блоки 8 в наиболее гололедных местах, соединенные с сигнализаторами предельной гололедной нагрузки 9 и обеспечивающие максимально изменяющуюся амплитуду дискретно модулированного высокочастотного сигнала на одну предельную гололедную нагрузку. Для уменьшения затухания высокочастотного сигнала линия электропередачи снабжена высокочастотными заградителями 10. Подстанция – это место, где размещается передающая или приемная аппаратура. Дискретный высокочастотный носитель информации, амплитудно модулируемый гололедными отложениями и сигнализатором предельной гололедной нагрузки 9, поступает на блок управления приемом 6, обеспечивающим фиксацию по параметрам времени начало гололедообразования и предельную гололедную нагрузку, сигналы о которых поступают на диспетчерский пункт, и определяется количественное значение скорости процесса гололедообразования и процесса нарастания аварийной гололедной нагрузки.
Блок прогнозирования интенсивности гололедообразования 2, использующий в качестве первоначального сигнала параметры метеодатчиков, с появлением условий возникновения гололедных отложений на проводах линий электропередачи включает в работу блок управления передачей 1, и на его выходе появляются высокочастотные колебания с заданной амплитудой, и с началом гололедных отложений на проводах линий электропередачи в соответствии с прогнозом интенсивности гололедообразования формируется длительность время-импульсных сигналов, используемых в дальнейшем как носитель информации.
Каждый носитель информации поступает в пространственно-распределенный датчик гололедных отложений 5 , представляющий собой фазный провод 5 между точками подсоединения конденсаторов связи 4 блоков управления передачей 1 и приемом 6, модулирующий носитель за счет изменения параметров контролируемого фазного провода под действием гололедных отложений и измерительные блоки 8, соединенные с сигнализаторами предельной гололедной нагрузки 9, представляющие собой электрическую нагрузку для высокочастотного канала, значение которой дискретно и максимально меняется при срабатывании сигнализатора предельной нагрузки, выполненного на пассивных элементах. Каждый блок управления приемом 6 с фильтром присоединения 3 и конденсатором связи 4 на входе и контролируемым пунктом 7 системы телемеханики на выходе, размещаемые на подстанции, образуют приемную часть высокочастотного носителя информации в виде время-импульсных сигналов об интенсивности гололедообразования, модулируемого непрерывно по всей длине пространственно-распределенного датчика 5 текущим изменением его параметров под действием гололедных отложений, так и дискретно максимально на пассивных элементах в заданных точках измерительными блоками 8 при срабатывании сигнализаторов предельной гололедной нагрузки 9, и фиксируемые по параметрам времени начало гололедообразования и предельная гололедная нагрузка, по которым определяется количественное значение скорости процесса гололедообразования и процесса нарастания аварийной гололедной нагрузки на диспетчерском пункте, и осуществляется выбор программы плавки (определение тока и циклов плавки) в соответствии с установленными режимами по диаметру гололедной муфты, по температуре окружающей среды, скорости и направлению ветра принимаются решения о борьбе с гололедом.
После того как гололед устранен, опасность гололедообразования снимается, генератор высокочастотных колебаний 1 отключается блоком прогнозирования 2, а в месте с ним перестает работать контролируемый пункт.
На временных диаграммах (фиг.2а, фиг.2б, фиг.2в), описывающих основные режимы работы, введены следующие обозначения: tвк – время включения генератора ВЧ-колебаний; tотк – время отключения генератора ВЧ-колебаний; Ти – длительность импульсов ВЧ-колебаний; Тп – длительность пауз ВЧ-колебаний; U1, Ui, un – амплитуды напряжений ВЧ-сигналов, фиксируемые приемными устройствами 6 при отсутствии гололеда на 1, i, N линиях электропередачи; U1, Ui, UN – шаг дискретизации сигналов по уровню, выбранный соответственно приемным устройствами 6 в 1-й, i-й и N-й ситуации на линии электропередачи; m Ui, k UN – перепад уровней сигналов, сформированный измерительными блоками 8, при срабатывании сигнализаторов предельной гололедной нагрузки 9, когда диаметр гололедных муфт достиг значений, требующих их плавки; t0, t1, …, t10, tk, tk+1 – моменты отсчета уровней сигналов с линий электропередачи; tп – момент начала плавки; (m, k – целые числа больше 1).
Работа системы осуществляется следующим образом.
В режиме 1 – исходное состояние системы, имеющей N ситуаций на линии электропередачи, – гололед отсутствует (фиг.1, фиг 2а, 2б, 2в, период времени от 0 до tвк), генератор заданной высокой частоты 2 отключен, блок управления приемом 6 и сигнализатор предельной гололедной нагрузки 9 не работает, то есть вся система отключена.
Режим 2 – начало работы системы (фиг.1, фиг.2а, фиг.2б, фиг.2в момент времени tвк), – блок прогнозирования интенсивности гололедообразования 1, связанный с метеодатчиками и использующий в качестве первоначальных их параметры, получив информацию о метеопараметрах, характеризующих наступление условий образования гололедных отложений, включает в работу блок управления сигналов 2, выполненный в виде генератора на заданную высокую частоту, который через фильтр присоединения 3 и конденсатор связи 4 выдает в линию электропередачи 5 высокочастотные колебания, являющиеся носителем информации, мощностью, достаточной для устойчивого режима работы блока управления приемом 6. ВЧ-колебание поступает с линии электропередачи 5 через конденсатор связи 4 и фильтр присоединения 3 к блоку управления приемом 6. Параметры пространственно-распределенного датчика 5 в этом режиме не влияют на носитель информации, и сигнализаторы предельных нагрузок 9 не меняют параметров измерительных блоков 8, электрическое сопротивление которых остается очень высоким и не влияет на амплитуду носителя информации, фиксируемую блоком управления приемом 6. Максимальная амплитуда ВЧ-сигнала, характеризующая прогноз гололедной ситуации, фиксируется аппаратурой контролируемого пункта 7 и передается на диспетчерский пункт, где диспетчер оповещает всех лиц, связанных с борьбой с гололедными явлениями на проводах линий электропередачи, о том, что «Возможен гололед». Руководство и соответствующие службы проводят все мероприятия по мобилизации персонала и технических средств, предназначенных для устранения экстремальных гололедных отложений на ЛЭП.
В режиме 3 – начало гололедообразования (фиг.1, фиг.2а, период времени t1-t2) – передающая 1 и приемная 6 части системы включены, сигнализаторы предельных значений 9 еще не срабатывают, т.к. недостаточная толщина гололедных отложений. Одновременно с началом гололедообразования под действием блока прогнозирования 2 начинается время-импульсная модуляция генератора высокой частоты 1, пропорционально интенсивности гололедообразования в зоне прохождения линий электропередачи (на фиг.2а, 2б, 2в, с момента времени t1) формируются импульсы длительности Ти с паузами Тп и периодом следования Т. Этот сигнал используется пространственно-распределенными датчиками 5 и измерительными блоками 8 как носитель информации. Далее пространственно-распределенный датчик 5 под действием гололедных отложений начинает модулировать амплитуду носителя информации (момент времени t1, фиг.2а), что и фиксируется в момент времени t2 блоком управления приемом 6 и передается на диспетчерский пункт. При этом шаг дискретизации по уровню определяется исходя из чувствительности блока управления приемом 6. Процессы начала гололедообразования показаны и на фиг.2б и фиг.2в в момент времени t1. Время начала гололедообразования фиксируется приемным устройством 6 и через контролируемый пункт 7 поступает на диспетчерский пункт.
В режиме 4 – фиксации предельной нагрузки, – когда величина гололедной муфты требует плавки (фиг.1, фиг.2б) в отличие от режима 3 срабатывает сигнализатор предельной гололедной нагрузки 9 и изменяет параметры измерительного блока 8 и соответственно амплитуду ВЧ-сигнала носителя на m U1 (значение гололедной нагрузки равно Рпг), что фиксируется в момент времени t7 блоком управления приемом 6 и через контролируемый пункт 7 системы телемеханики передается на диспетчерский пункт, где принимается решение о схеме плавки и времени плавки как по каждой линии, так и по всей системе (аналогичный режим показан на фиг.2в, фиксируемый в момент времени t5) и фиксируется более высокая интенсивность процесса гололедообразования в зоне прохождения линий электропередачи, что видно по длительности импульсов Ти. На диспетчерском пункте дается команда «гололед», и все службы борьбы с гололедом оповещаются, т.к. определилась одна или несколько линий электропередачи, на которых процесс гололедообразования необходимо устранить. Далее приемным устройством определяется количественное значение скорости нарастания гололедных отложений , по формуле =Pпг/(t7-t1) и передается на диспетчерский пункт, где дополнительно вычисляется время, через которое может возникнуть аварийная гололедная нагрузка на контролируемых опорах этой линии электропередачи.
В режиме 5 – гололедные отложения на проводах не достигли аварийный величины (фиг.1, фиг.2б, интервалы времени t7-t9, фиг.2в, интервалы времени t4-t7), – как и в режиме 4, включены пространственно-распределенный датчик 5 и сигнализатор предельной гололедной нагрузки 9. Сигнализатор предельной гололедной нагрузки 9 уже не меняет амплитуды носителя, а пространственно-распределенный датчик 5 уменьшает ее. Возможны два пути развития процесса гололедообразования: первый (фиг.2б, интервалы времени t8-t10) характеризуется тем, что процесс гололедообразования завершился; второй (фиг.2в, интервал времени t4-t7} характеризуется тем, что процесс гололедообразования возрастает, о чем говорит уменьшение амплитуды сигнала, что фиксируется блоком управления приемом 6 и поступает на диспетчерский пункт. В обоих случаях эта информация является необходимой для коррекции программ борьбы с гололедом в заданном регионе по всей системе.
В режиме 6 – скорость процесса гололедообразования возрастает (фиг.1. фиг.2в, моменты времени t1-t6), что видно и на временной диаграмме и оператору на диспетчерском пункте по показаниям пространственно-распределенного датчика 5 . Этот случай накатного гололеда. Ситуацию диспетчер отслеживает и по длительности время-импульсного сигнала Ти (см. фиг.2в в моменты времени t1-t5 и t6-tп), которая больше, чем в рассмотренных на фиг.2а и фиг.2б. Кроме того, из режима 4 известно и количественное значение скорости нарастания гололеда именно на этой линии электропередачи, а также время возникновения аварийной гололедной нагрузки на опоры. Таким образом, зная общую тенденцию развития процесса гололедообразования в зоне прохождения линий электропередач, гололедной ситуации как на всей контролируемой линии электропередачи, так и в самых опасных ее точках, диспетчер и руководство электрических сетей имеют все основания для принятия адекватных мер по предотвращению аварийных ситуаций на линиях электропередач от гололеда.
В режиме 7 – плавка гололеда (фиг.1, фиг.2а, фиг.2б, фиг.2в, моменты времени tп-tк) – можно проследить процесс освобождения линий электропередачи от гололедных отложений (см. пунктирные кривые в момент времени tп-tк) и оценить качество плавки. Если в момент окончания плавки 1к амплитуда сигнала носителя информации приближается к исходной, то плавка произведена качественно (фиг.2, момент tк-tк+1). Отсутствие сигнала говорит об обрыве (пережоге) провода, а низкая амплитуда – о наличии гололедных отложений на проводах на линии электроснабжения.
В режиме 8 – возвращение системы в исходное состояние (фиг.1, фиг.2а, фиг.2б, фиг.2в, момент времени tотк) – после того как значения метеопараметров уже исключают процесс гололедообразования на линиях электропередачи, блок прогнозирования 2 отключает генератор высокой частоты 1 (см. моменты времени tотк на фиг 2а, фиг.2б, фиг.2в), а вместе с ним и отключается вся система.
Таким образом, вышеизложенное свидетельствует о выполнении при использовании заявленного изобретения следующей совокупности условий:
– система передачи сигналов по линии электроснабжения для обнаружения гололедных отложений на проводах, воплощающая заявленное изобретение при его осуществлении за счет новой структуры формирования сигналов путем трехкратной модуляции высокочастотного носителя информации и прогноза гололедной ситуации как на основе параметров метеодатчиков, так и на контролируемой линии электропередачи путем фиксации начала гололедообразования и появления предельной гололедной нагрузки, что позволяет существенно повысить надежность функционирования системы и оптимизировать мобилизацию людских и технических средств на плавку гололеда и повысить эффективность программ устранения гололеда на линиях электропередачи в экстремальных условиях;
– для заявленного изобретения в том виде, как оно охарактеризовано в формуле изобретения, подтверждено его осуществление в соответствии с описанием и прилагаемыми чертежами;
– система передачи сигналов, воплощающая заявленное изобретение при его осуществлении, способна обеспечить достижение усматриваемого заявителями технического результата. Следовательно, заявленное изобретение соответствует требованию «промышленная применимость».
Формула изобретения
Система передачи сигналов по линии электроснабжения для обнаружения гололедных отложений на проводах, содержащая блок управления передачей, выполненный в виде генератора высокой частоты, связанного через фильтр присоединения и конденсатор связи с фазным проводом линии электропередачи, соединенный с измерительными блоками, блок управления приемом, содержащий блок сигнализации, связанный через фильтр присоединения и конденсатор связи с фазным проводом линии электропередачи, который используется в качестве пространственно-распределенного датчика гололедных нагрузок, связанный с контролируемым пунктом системы телемеханики, отличающаяся тем, что блок управления передачей формирует сигнал об интенсивности гололедообразования в виде дискретно модулируемых высокочастотных колебаний на выходе генератора, который определяют по изменению прогнозируемых гололедных отложений, а на входе блока управления передачей установлен блок прогнозирования, использующий в качестве первоначального сигнала параметры метеодатчиков, по которым формируются длительности дискретных высокочастотных сигналов, поступающих через фильтр присоединения и конденсатор связи на амплитудно-модулируемый гололедными отложениями пространственно-распределенный датчик и в измерительные блоки, соединенные с сигнализаторами предельной нагрузки, и определяют предельную нагрузку в блоке управления приемом по максимальному изменению амплитуды дискретно модулируемого на пассивных элементах высокочастотного сигнала, и фиксируются по параметрам времени начало гололедообразования и предельная гололедная нагрузка, по которым определяется количественное значение скорости процесса гололедообразования и процесса нарастания аварийной гололедной нагрузки, сигналы которого поступают на диспетчерский пункт.
РИСУНКИ
MM4A – Досрочное прекращение действия патента СССР или патента Российской Федерации на изобретение из-за неуплаты в установленный срок пошлины за поддержание патента в силе
Дата прекращения действия патента: 19.04.2008
Извещение опубликовано: 10.06.2010 БИ: 16/2010
|
|