|
|
(21), (22) Заявка: 2004132668/09, 09.11.2004
(24) Дата начала отсчета срока действия патента:
09.11.2004
(43) Дата публикации заявки: 20.04.2006
(46) Опубликовано: 27.10.2007
(56) Список документов, цитированных в отчете о поиске:
RU 2223530 C2, 10.02.2004. RU 2026599 C1, 09.01.1995. SU 886186 A1, 30.11.1981. DE 3901034 C1, 19.07.1990.
Адрес для переписки:
634050, г.Томск, пр-кт Кирова, 56″в”, ОАО “НПЦ “Полюс”
|
(72) Автор(ы):
Казанцев Юрий Михайлович (RU), Лекарев Анатолий Федорович (RU)
(73) Патентообладатель(и):
Открытое акционерное общество “Научно-производственный центр “Полюс” (ОАО “НПЦ “Полюс”) (RU)
|
(54) ОДНОСТОРОННИЙ ШИРОТНО-ИМПУЛЬСНЫЙ МОДУЛЯТОР МОСТОВОГО ИНВЕРТОРА
(57) Реферат:
Изобретение относится к автоматическому управлению и предназначено для мостовых инверторов с односторонней широтно-импульсной модуляцией. Технический результат заключается в исключении сквозных токов в ключевых элементах мостового инвертора, их равномерной загрузке и снижении динамических потерь. Сущность изобретения заключается в том, что в мостовом инверторе для формирования выходного напряжения достаточно управлять состоянием ключевых элементов только рабочей диагонали, а на периоде модуляции управлять включением и отключением одного из ключевых элементов, что исключает возникновение сквозных токов, для равномерной загрузки ключевых элементов предложен поочередный способ отключения ключевых элементов рабочей диагонали. 1 ил.
Изобретение относится к автоматическому управлению и предназначено для мостовых инверторов с односторонней широтно-импульсной модуляцией.
Известен широтно-импульсный модулятор мостового инвертора, в котором широтно-модулированный сигнал формируется RS-триггером, управление состоянием которого осуществляется управляющим и синхронизирующим сигналом [1].
Известный широтно-импульсный модулятор позволяет управлять выходным напряжением мостового инвертора посредством двухполярной модуляции напряжения питания.
Недостатком этого модулятора является необходимость защиты от сквозных токов ключевых элементов мостового инвертора, а также большие динамические потери, так как в каждом переключении участвуют все ключевые элементы мостового инвертора.
Из известных решений наиболее близким к предлагаемому по технической сущности является односторонний широтно-импульсный модулятор мостового инвертора, содержащий по одному узлу модуляции для каждой стойки блока ключевых элементов мостового инвертора и имеющий два управляющих входа для раздельного управления включением на выход блока ключевых элементов напряжения положительной и отрицательной полярности, а также синхронизирующий вход для управления отключением включенного напряжения, каждый узел модуляции состоит из RS-триггера и имеет вход управления, вход синхронизации и выход, R-вход RS-триггера соединен с входом синхронизации узла модуляции, S-вход RS-триггера соединен с входом управления узла модуляции; выход RS-триггера соединен с выходом узла модуляции, вход управления первого узла модуляции соединен с первым входом управления модулятора, вход управления второго узла модуляции соединен со вторым входом управления модулятора, вход синхронизации обоих узлов модуляции соединен с входом синхронизации модулятора, выходы узлов модуляции являются выходами модулятора [2].
Известный односторонний широтно-импульсный модулятор позволяет управлять выходным напряжением мостового инвертора посредством однополярной на периоде модуляции напряжения питания, при этом в блоке ключевых элементов мостового инвертора переключаются ключевые элементы только одной стойки.
Недостатком этого модулятора является необходимость защиты от сквозных токов ключевых элементов мостового инвертора, неравномерная загрузка ключевых элементов мостового инвертора, а также большие динамические потери, так как в каждом переключении участвуют все ключевые элементы одной из стоек мостового инвертора.
Цель предлагаемого изобретения – исключение сквозных токов в ключевых элементах мостового инвертора, их равномерная загрузка и снижение динамических потерь.
Поставленная цель достигается тем, что в односторонний широтно-импульсный модулятор, содержащий по одному узлу модуляции на каждую стойку ключевых элементов мостового инвертора, имеющий два входа для раздельного управления включением на выход блока ключевых элементов напряжения положительной или отрицательной полярности, а также синхронизирующий вход для управления отключением включенного напряжения, каждый узел модуляции которого состоит из RS-триггера, дополнительно введены распределитель импульсов на два канала, а в каждом узле модуляции дополнительно введены второй RS-триггер, два логических элемента 2ИЛИ, второй вход управления и второй вход синхронизации, R-вход первого RS-триггера соединен с выходом первого логического элемента 2ИЛИ, R-вход второго RS-триггера соединен с выходом второго логического элемента 2ИЛИ, первый вход первого логического элемента 2ИЛИ соединен с первым входом синхронизации узла модуляции, первый вход второго логического элемента 2ИЛИ соединен со вторым входом синхронизации узла модуляции, S-вход первого RS-триггера и второй вход второго логического элемента 2ИЛИ соединены с первым входом управления узла модуляции, S-вход второго RS-триггера. и второй вход первого логического элемента 2ИЛИ соединены со вторым входом управления узла модуляции, выход каждого RS-триггера соединен с соответствующим выходом узла модуляции, первый управляющий вход первого узла модуляции и второй управляющий вход второго узла модуляции соединены с входом управления включением положительной полярности напряжения питания модулятора, первый управляющий вход второго узла модуляции и второй управляющий вход первого узла модуляции соединены с входом управления включением отрицательной полярности напряжения питания модулятора, первый вход синхронизации первого и второго узлов модуляции соединены с первым выходом распределителя импульсов на два канала, второй вход синхронизации первого и второго узлов модуляции соединены со вторым выходом распределителя импульсов на два канала, вход распределителя импульсов на два канала соединен с входом синхронизации модулятора, выходы узлов модуляции являются выходами модулятора.
Сущность изобретения заключается в том, что в мостовом инверторе для формирования выходного напряжения достаточно управлять состоянием ключевых элементов только рабочей диагонали, а на периоде модуляции управлять включением и отключением одного из ключевых элементов, что исключает возможность возникновения сквозных токов, для равномерной загрузки ключевых элементов предложен поочередный способ отключения ключевых элементов рабочей диагонали.
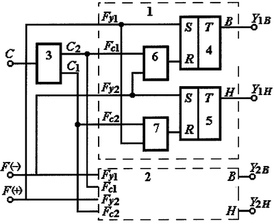
На чертеже представлена схема широтно-импульсного модулятора. Широтно-импульсный модулятор имеет два управляющих входа F(+) и F(-), вход синхронизации С, четыре выхода Y1B, Y1H, Y2B, Y2H содержит два узла модуляции 1, 2 и распределитель импульсов на два канала 3, каждый узел модуляции состоит из двух RS-триггеров 4, 5 и двух логических элементов 2ИЛИ 6, 7, выход логического элемента 6 соединен с R-входом RS-триггера 4, выход логического элемента 7 соединен с R-входом RS-триггера 5, выход RS-триггера 4 соединен с выходом В узла модуляции, выход RS-триггера 5 соединен с выходом Н узла модуляции, первый вход логического элемента 6 соединен с входом Fc1 узла модуляции, первый вход логического элемента 7 соединен с входом Fc2 узла модуляции, S-вход RS-триггера 4 и второй вход логического элемента 7 соединены с входом Fy1 узла модуляции, S-вход RS-триггера 5 и второй вход логического элемента 6 соединены с входом Fy2 узла модуляции, выход В узла модуляции 1 соединен с выходом Y1B модулятора, выход Н узла модуляции 1 соединен с выходом Y1H модулятора, выход В узла модуляции 2 соединен с выходом Y2B модулятора, выход H узла модуляции 2 соединен с выходом Y2H модулятора, вход Fy1 узла модуляции 1 и вход Fy2 узла модуляции 2 соединены с входом F(+) модулятора, вход Fy2 узла модуляции 1 и вход Fy1 узла модуляции 2 соединены с входом F(-) модулятора, вход Fc1 узлов модуляции 1 и 2 соединен с выходом С1 распределителя импульсов на два канала 3, вход Fc2 узлов модуляции 1 и 2 соединен с выходом С2 распределителя импульсов на два канала 3, вход распределителя импульсов на два канала 3 соединен с входом С модулятора.
Односторонний широтно-импульсный модулятор работает следующим образом: F(+) и F(-) – входные сигналы управляющие включением положительной и отрицательной полярности напряжения питания, формируются блоком управления мостового инвертора;. С1 и С2 – сигналы, управляющие отключением напряжения питания, формируются распределителем импульсов на два канала 3 из сигналов синхронизации С, формируемых блоком синхронизации мостового инвертора; выходные сигналы Y1B, Y1H широтно-импульсного модулятора управляют состоянием ключевых элементов мостового инвертора, формирующих напряжение положительной полярности, а сигналы Y1H, Y2B – отрицательной полярности, при этом сигналы Y1B, Y1H управляют состоянием ключевых элементов первой стойки мостового инвертора, а сигналы Y2B, Y2H – второй (индекс указывает адрес выходного сигнала), установка в нуль RS-триттера 4 осуществляется сигналами Fc1 или Fy2 логическим элементом 2ИЛИ 6, а RS-триггера 5 – сигналами Fc2 или Fy1 логическим элементом 2ИЛИ 7, установка RS-триггера 4 в состояние лог.1 осуществляется сигналом Fy1, установка RS-триггера 5 в состояние лог.1 осуществляется сигналом Fy2, распределитель импульсов на два канала 3 осуществляет распределение синхроимпульсов С по шинам С1 и С2, которые в свою очередь поступают на входы Fc1, Fc2 узлов модуляции, входной сигнал F(+) поступает на вход Fy1 узла модуляции 1 и на вход Fy2 узла модуляции 2, F(-) поступает на вход Fy2 узла модуляции 1 и на вход Fy1 узла модуляции 2, что обеспечивает сдвиг на 180 эл. град. сигналов Y1B, Y2H, управляющих переключением ключевых элементов, формирующих положительное напряжение или сигналов Y1H, Y2B, формирующих отрицательное напряжение.
Таким образом управление ключевыми элементами мостового инвертора двумя узлами модуляции с двумя RS-триггерами в каждом позволило формировать выходное напряжение переключением (в каждый момент коммутации) только одного из ключевых элементов инвертора, что исключает возможность возникновения сквозных токов, а введение распределителя импульсов на два канала в процесс отключения ключевых элементов позволило равномерно распределить нагрузку между ключевыми элементами.
Литература
1. Патент РФ № 2202144, МПК7 Н02М 7/48, опубл. 10.04.2003.
2. Патент РФ № 2223530, МПК7 G05В 13/02, G05F 1/56, Н03К 7/08, опубл. 10.02.2004.
Формула изобретения
Односторонний широтно-импульсный модулятор мостового инвертора, содержащий по узлу модуляции на каждую стойку блока ключевых элементов мостового инвертора, имеющий два входа для раздельного управления включением на выход блока ключевых элементов напряжения положительной или отрицательной полярности, а также синхронизирующий вход для управления отключением включенного напряжения, каждый узел модуляции которого имеет вход управления, вход синхронизации и состоит из RS-триггера, отличающийся тем, что дополнительно введен распределитель импульсов на два канала, а в каждый узел модуляции дополнительно введены второй RS-триггер, два логических элемента 2ИЛИ, второй вход управления и второй вход синхронизации, R-вход первого RS-триггера соединен с выходом первого логического элемента 2ИЛИ, R-вход второго RS-триггера соединен с выходом второго логического элемента 2ИЛИ, первый вход первого логического элемента 2ИЛИ соединен с первым входом синхронизации узла модуляции, первый вход второго логического элемента 2ИЛИ соединен со вторым входом синхронизации узла модуляции, R-вход первого RS-триггера и второй вход второго логического элемента 2ИЛИ соединены с первым управляющим входом узла модуляции, R-вход второго RS-триггера и второй вход первого логического элемента 2ИЛИ соединены со вторым управляющим входом узла модуляции, выход каждого RS-триггера соединен с соответствующим выходом узла модуляции, первый управляющий вход первого узла модуляции и второй управляющий вход второго узла модуляции соединены с входом управления включением положительной полярности напряжения питания модулятора, первый управляющий вход второго узла модуляции и второй управляющий вход первого узла модуляции соединены с входом управления включением отрицательной полярности напряжения питания модулятора, первый вход синхронизации первого и второго узлов модуляции соединены с первым выходом распределителя импульсов на два канала, второй вход синхронизации первого и второго узлов модуляции соединены со вторым выходом распределителя импульсов на два канала, вход распределителя импульсов на два канала соединен с входом синхронизации модулятора, выходы узлов модуляции являются выходами модулятора.
РИСУНКИ
MM4A – Досрочное прекращение действия патента СССР или патента Российской Федерации на изобретение из-за неуплаты в установленный срок пошлины за поддержание патента в силе
Извещение опубликовано: 27.04.2009 БИ: 12/2009
|
|