|
|
(21), (22) Заявка: 2006106332/09, 28.02.2006
(24) Дата начала отсчета срока действия патента:
28.02.2006
(46) Опубликовано: 27.10.2007
(56) Список документов, цитированных в отчете о поиске:
ЭЛЕКТРОВОЗОСТРОЕНИЕ, Сб. науч. тр., ОАО «ВЭлНИИ», 1998, т.40, с.218. SU 1753556 A1, 07.08.1992. SU 1501230 A1, 15.08.1989. SU 1440765 A1, 30.11.1988. SU 1173502 A, 15.08.1985.
Адрес для переписки:
346413, Ростовская обл., г. Новочеркасск, ул. Машиностроителей, 3, ОАО ВЭлНИИ
|
(72) Автор(ы):
Беляев Александр Васильевич (RU), Никонов Леонид Викторович (RU), Рутштейн Арнольд Максович (RU)
(73) Патентообладатель(и):
Открытое акционерное общество “Всероссийский научно-исследовательский и проектно-конструкторский институт электровозостроения” (ОАО “ВЭлНИИ”) (RU)
|
(54) ПРЕОБРАЗОВАТЕЛЬ ЧАСТОТЫ И ЧИСЛА ФАЗ
(57) Реферат:
Изобретение относится к электротехнике, в частности к устройствам, предназначенным для питания трехфазных двигателей от однофазной сети без звена постоянного тока. Технический результат заключается в повышении надежности работы потребителей, запитанных от преобразователя частоты и числа фаз, за счет исключения аварийных режимов работы защитой от несимметрии фазных напряжений и обрыва фаз, которой снабжен преобразователь. Сущность: напряжения двух фаз, запитанных от пар встречно-параллельно включенных тиристоров через трансформаторы, выпрямители и пороговые элементы сравниваются и, в случае несимметрии напряжений или пропажи одного из них, формируется сигнал переключения потребителей с пониженной частоты на номинальную. 1 ил.
Изобретение относится к электротехнике, в частности к устройствам, предназначенным для питания трехфазных двигателей от однофазной сети без звена постоянного тока.
Известен преобразователь частоты и числа фаз, содержащий две пары встречно-параллельно включенных тиристоров, работающих в режиме делителя частоты на три. Т.е. ток через пары тиристоров проходит лишь каждый третий полупериод, разделяясь между тиристорами в зависимости от полярности напряжения. Кроме того, тиристорные пары работают в различные полупериоды питающего напряжения, чем обеспечивается сдвиг по фазе 120°С эл. выходной частоты (см. а.с. СССР № 1753556, кл. Н02М 5/27, опубл. 07.08.92, бюл. № 29).
Недостатком этого преобразователя является отсутствие защиты от несимметрии фазных напряжений, а также от обрыва фазы, приводящей к возможности работы питаемых электродвигателей с повышенными потерями электроэнергии и даже в аварийных режимах.
Наиболее близким по технической сущности является преобразователь частоты и числа фаз, содержащий две пары встречно-параллельно включенных тиристоров, одни выходы которых объединены и через предохранитель соединены с клеммой для подключения питающего однофазного напряжения переменного тока, а другие соединены с клеммами для подключения нагрузки (см. Электровозостроение: Сб. науч. тр. ОАО «Всерос. н.-и. и проектно-конструкт. ин-т электровозостроения» (ОАО «ВЭлНИИ»). – 1998. – т.40. – 348 с. на с.218).
Этот преобразователь также не имеет защиты от несимметрии фазных напряжений и от обрыва фазы.
Задачей изобретения является повышение надежности работы потребителей, запитанных от преобразователя частоты и числа фаз, за счет исключения аварийных режимов работы защитой от несимметрии фазных напряжений и обрыва фаз, которой снабжен преобразователь.
Поставленная задача решается тем, что преобразователь частоты и числа фаз, содержащий две пары встречно-параллельно включенных тиристоров, одни выводы которых объединены и через предохранитель соединены с клеммой для подключения питающего однофазного напряжения переменного тока, а другие соединены с клеммами для подключения нагрузки, снабжен двумя трансформаторами, подключенными первыми выводами к другим выводам преобразователя, а вторыми – к другой клемме питающего напряжения, трансформаторы нагружены на выпрямители, выходы которых через LC-фильтры соединены с входами пороговых элементов. Выходы пороговых элементов через инверторы подсоединены к входам элемента ИЛИ-НЕ, выход которого соединен с клеммой для подключения коммутационного аппарата.
Снабжение преобразователя трансформаторами, выпрямителями, LC-фильтрами и логическими элементами позволяет при несимметрии фазных напряжений или при обрыве фаз отключить коммутационный аппарат, переведя потребителей на номинальный режим работы.
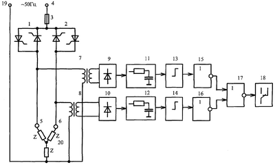
На чертеже приведена схема преобразователя.
Объединенные выводы двух пар встречно-параллельно включенных тиристоров 1 и 2 через предохранитель 3 соединены с клеммой 4 для подключения питающего однофазного напряжения переменного тока, другие выводы пар соединены с клеммами 5, 6 для подключения нагрузки и первыми выводами трансформаторов 7, 8, нагруженными на выпрямители 9, 10. Выходы выпрямителей 9, 10 соединены через LC-фильтры 11, 12 с входами пороговых элементов 13, 14, выходы которых через инверторы 15, 16 подключены к входам элемента ИЛИ-НЕ 17. Вторые выводы трансформаторов подключены к другой клемме для питающего напряжения 19. Вместо предохранителя 3 может быть использовано тепловое реле или автоматический выключатель с тепловым расцепителем.
На чертеже также показаны коммутационный аппарат 18 и трехфазная нагрузка Z 20.
Устройство работает следующим образом.
Преобразователь частоты и числа фаз представляет собой непосредственный делитель частоты на три, выполненный на двух тиристорных ключах переменного тока 1 и 2.
Ток от питающей сети 50 Гц поступает в нагрузку через пары встречно-параллельно включенных тиристоров 1, 2, работающих в режиме делителя частоты на три. Т.е. ток через пары тиристоров проходит лишь каждый третий полупериод, разделяясь между тиристорами в зависимости от полярной напряжения. Кроме того, тиристорные пары 1, 2 работают в различные полупериоды питающего напряжения, чем обеспечивается сдвиг по фазе 120°С эл. выходной частоты 16 2/3 Гц.
Напряжения фаз, подключенных к тиристорным парам 1,2 через трансформаторы 7, 8, выпрямляются выпрямителями 9, 10 и через LC-фильтры 11, 12 поступают на вход пороговых элементов 13, 14. При достаточном уровне напряжения на выходах выпрямителей 9, 10 на входах логического элемента ИЛИ-НЕ 17 собраны логические нули и коммутационный аппарат 18 включен, обеспечивая подачу на нагрузку напряжения частотой 16 2/3 Гц.
При несимметрии напряжений или отсутствии какого-либо (или обоих) на входах элемента ИЛИ-НЕ 17 не будут собраны логические нули, коммутационный аппарат 18 выключится и питание трехфазной нагрузки 20 будет осуществляться по обычному способу, т.е. от трехфазной сети частотой 50 Гц.
Наличие в устройстве защитных цепей 7, 9, 11, 13, 15 (8, 10, 12, 14, 16), 17 позволяет реализовать защиту нагрузок от несимметрии фазных напряжений при частоте 16 2/3 Гц, исключая возможность работы потребителей с повышенными потерями и в аварийных режимах.
Формула изобретения
Преобразователь частоты и числа фаз, содержащий две пары встречно-параллельно включенных тиристоров, одни выводы которых объединены и через предохранитель соединены с клеммой для подключения питающего однофазного напряжения переменного тока, а другие выводы соединены с клеммами для подключения нагрузки, отличающийся тем, что каждый из других выводов подключен к первым выводам трансформаторов, вторые выводы которых соединены с другой клеммой питающего напряжения, трансформаторы нагружены на выпрямители, выходы которых через LC-фильтры соединены со входами пороговых элементов, выходы которых, в свою очередь, через инверторы подсоединены к входам элемента ИЛИ-НЕ, выход которого соединен с клеммой для подключения коммутационного аппарата.
РИСУНКИ
MM4A – Досрочное прекращение действия патента СССР или патента Российской Федерации на изобретение из-за неуплаты в установленный срок пошлины за поддержание патента в силе
Дата прекращения действия патента: 29.02.2008
Извещение опубликовано: 20.02.2010 БИ: 05/2010
|
|