|
|
(21), (22) Заявка: 2005119248/09, 21.06.2005
(24) Дата начала отсчета срока действия патента:
21.06.2005
(43) Дата публикации заявки: 27.12.2006
(46) Опубликовано: 27.10.2007
(56) Список документов, цитированных в отчете о поиске:
RU 2208241 C1, 10.07.2003. RU 2037173 C1, 09.06.1995. SU 991372 A1, 23.01.1983. JP 2003334785 A1, 25.11.2003.
Адрес для переписки:
690950, г.Владивосток, ГСП, ул. Пушкинская, 10, ДВГТУ, патентный отдел
|
(72) Автор(ы):
Филаретов Владимир Федорович (RU), Лебедев Александр Васильевич (RU), Жирабок Алексей Нилович (RU), Юхимец Дмитрий Александрович (RU)
(73) Патентообладатель(и):
Дальневосточный государственный технический университет (RU)
|
(54) САМОНАСТРАИВАЮЩИЙСЯ ЭЛЕКТРОПРИВОД РОБОТА
(57) Реферат:
Изобретение относится к робототехнике и может быть использовано при создании систем управления приводами роботов. Технический результат заключается в обеспечении полной инвариантности динамических свойств рассматриваемого электропривода к непрерывным и быстрым изменениям его динамических моментных нагрузочных характеристик при движении манипулятора по всем четырем степеням подвижности с учетом электрической постоянной времени электродвигателя и, тем самым, повышение динамической точности управления. Электропривод содержит датчики скорости, датчики положения, датчик массы, задатчики сигнала, сумматоры, блоки умножения, квадратор, функциональные преобразователи, релейный блок, усилитель, двигатель. 3 ил.
Изобретение относится к робототехнике и может быть использовано при создании систем управления приводами роботов.
Известно устройство для управления приводом робота, содержащее последовательно соединенные первый блок умножения и первый сумматор, последовательно подключенные усилитель и двигатель, связанный с первым датчиком скорости непосредственно и через редуктор с первым датчиком положения, выход которого соединен с первым входом второго сумматора, подключенного вторым входом к входу устройства, последовательно соединенные второй датчик положения, третий сумматор, четвертый сумматор, первый квадратор и второй блок умножения, второй вход которого подключен к выходу датчика массы и первому входу третьего блока умножения, а выход – к первому входу пятого сумматора, соединенного вторым входом с выходом первого задатчика сигнала, а третьим входом с выходом второго квадратора, вход которого подключен к выходу третьего сумматора и первому входу шестого сумматора, соединенного выходом с первым входом четвертого блока умножения, а вторым входом – с выходом третьего блока умножения. Второй вход которого подключен к выходу четвертого сумматора, соединенного вторым входом с выходом второго задатчика сигнала, выход третьего задатчика сигнала подключен к второму входу третьего сумматора, а выход второго датчика скорости соединен с вторым входом четвертого блока умножения. Кроме того, оно содержит пятый блок умножения, седьмой сумматоры последовательно соединенные релейный блок и восьмой сумматор, выход которого подключен к второму входу первого сумматора, соединенного выходом с входом усилителя, выход первого датчика скорости подключен к входу релейного блока, к второму входу восьмого сумматора и первому входу седьмого сумматора, второй вход которого соединен с выходом второго сумматора, а выход – с первым входом первого блока умножения, подключенного вторым входом к выходу пятого сумматора, первый блок пятого блока умножения соединен с выходом четвертого блока умножения, второй вход – с выходом первого датчика скорости, а выход – с третьим входом восьмого сумматора (см. а.с. СССР №1484702, МКИ В25J 13/00, 1989 г.).
Недостатком данного устройства является то, что оно предназначено только для поворотного привода первой степени подвижности робота. Для приводов линейного перемещения звеньев манипулятора это устройство не будет обеспечивать требуемую точность и устойчивость работы.
Известен также самонастраивающийся электропривод робота, содержащий последовательно соединенные первый сумматор, первый блок умножения, второй сумматор, усилитель и электродвигатель, связанный с первым датчиком скорости непосредственно и через редуктор с шестерней, первый датчик положения, измеряющий величину выдвижения горизонтального звена робота относительно его вертикального звена, последовательно соединенные релейный блок и третий сумматор, второй вход которого подключен к выходу первого датчика скорости, входу релейного блока и второму входу первого сумматора, последовательно соединенные первый задатчик сигнала, четвертый сумматор, пятый сумматор, к второму входу которого подключен второй задатчик сигнала, второй блок умножения, шестой сумматор и третий блок умножения, а также датчик массы, вход устройства соединен с первым входом седьмого сумматора, подключенного выходом к первому входу первого сумматора, выход третьего сумматора соединен с вторым входом второго сумматора, последовательно соединенные второй датчик скорости и квадратор, выход третьего блока умножения подключен к третьему входу третьего сумматора, выход датчика массы соединен с вторыми входами первого и второго блоков умножения, выход первого датчика положения соединен с вторым входом четвертого сумматора, выход которого подключен к второму входу шестого сумматора, а выход первого сумматора соединен с третьим входом второго сумматора, последовательно соединенные третий датчик скорости, четвертый блок умножения, второй вход которого подключен к выходу второго датчика скорости, пятый блок умножения, восьмой сумматор и шестой блок умножения, выход которого подключен к четвертому входу третьего сумматора, последовательно соединенные второй датчик положения, измеряющий угол поворота вертикального звена относительно вертикальной оси, первый функциональный преобразователь, реализующий функцию sin, и седьмой блок умножения, второй вход которого подключен к выходу первого датчика ускорения, а его выход – ко второму входу восьмого сумматора, последовательно соединенные второй датчик ускорения, восьмой блок умножения и девятый сумматор, выход которого подключен ко второму входу третьего блока умножения, а его второй вход – к выходу девятого блока умножения, первый и второй входы которого подключены соответственно к выходам квадратора и первого функционального преобразователя, последовательно соединенные третий задатчик сигнал и десятый сумматор, второй вход которого подключен к выходу датчика массы, а его выход – ко второму входу шестого блока умножения, вторые входы пятого и восьмого блоков умножения, через второй функциональный преобразователь, реализующий функцию cos, подключены к выходу второго датчика положения, а второй вход седьмого сумматора соединен с выходом третьего датчика положения, измеряющего линейное горизонтальное перемещение всего робота относительно конкретной точке на рейке, неподвижно закрепленной в основании робота, с которой сцеплена шестерня (см. патент РФ №2208241, БИ №19, 2003 г.).
Недостатком данного устройства является то, что в нем не учитывается, считаясь малой, электрическая постоянная времени электродвигателя. В результате не удается точно скомпенсировать отрицательное воздействие всех эффектов взаимовлияния между степенями подвижности манипулятора.
Задачей, на решение которой направлено заявляемое техническое решение, является обеспечение полной инвариантности динамических свойств рассматриваемого электропривода к непрерывным и быстрым изменениям его динамических моментных нагрузочных характеристик при движении манипулятора по всем четырем степеням подвижности с учетом электрической постоянной времени электродвигателя и, тем самым, повышение динамической точности управления.
Технический результат, который может быть получен при реализации заявляемого технического решения, выражается в формировании нового сигнала управления, подаваемого на вход привода, который обеспечивает получение нового моментного воздействия, компенсирующего вредное моментное воздействие со стороны первой и третьей степеней подвижности на качественные показатели работы рассматриваемого привода (координата q4) с учетом электрической постоянной времени двигателя.
Поставленная задача решается тем, что в самонастраивающийся электропривод робота, содержащий последовательно соединенные первый сумматор, первый блок умножения, второй сумматор, усилитель и электродвигатель, связанный с первым датчиком скорости непосредственно и через редуктор с шестерней, первый датчик положения, измеряющий величину выдвижения горизонтального звена робота относительно его вертикального звена, последовательно соединенные релейный блок и третий сумматор, второй вход которого подключен к выходу первого датчика скорости, входу релейного блока и второму входу первого сумматора, последовательно соединенные первый задатчик сигнала, четвертый сумматор, пятый сумматор, к второму входу которого подключен второй задатчик сигнала, второй блок умножения, шестой сумматор и третий блок умножения, а также датчик массы, вход устройства соединен с первым входом седьмого сумматора, подключенного выходом к первому входу первого сумматора, выход третьего сумматора соединен с вторым входом второго сумматора, последовательно соединенные второй датчик скорости и квадратор, выход третьего блока умножения подключен к третьему входу третьего сумматора, выход датчика массы соединен с вторыми входами первого и второго блоков умножения, выход первого датчика положения соединен с вторым входом четвертого сумматора, выход которого подключен к второму входу шестого сумматора, а выход первого сумматора соединен с третьим входом второго сумматора, последовательно соединенные третий датчик скорости, четвертый блок умножения, второй вход которого подключен к выходу второго датчика скорости, пятый блок умножения, восьмой сумматор и шестой блок умножения, выход которого подключен к четвертому входу третьего сумматора, последовательно соединенные второй датчик положения, измеряющий угол поворота вертикального звена относительно вертикальной оси, первый функциональный преобразователь, реализующий функцию sin, и седьмой блок умножения, второй вход которого подключен к выходу первого датчика ускорения, а его выход – ко второму входу восьмого сумматора, последовательно соединенные второй датчик ускорения, восьмой блок умножения и девятый сумматор, выход которого подключен ко второму входу третьего блока умножения, а его второй вход – к выходу девятого блока умножения, первый и второй входы которого подключены соответственно к выходам квадратора и первого функционального преобразователя, последовательно соединенные третий задатчик сигнал и десятый сумматор, второй вход которого подключен к выходу датчика массы, а его выход – ко второму входу шестого блока умножения, вторые входы пятого и восьмого блоков умножения, через второй функциональный преобразователь, реализующий функцию cos, подключены к выходу второго датчика положения, а второй вход седьмого сумматора соединен с выходом третьего датчика положения, измеряющего линейное горизонтальное перемещение всего робота относительно конкретной точки на рейке, неподвижно закрепленной в основании робота, с которой сцеплена шестерня, дополнительно введены последовательно соединенные десятый и одиннадцатые блоки умножения, одиннадцатый сумматор и двенадцатый блок умножения, второй вход которого подключен к выходу шестого сумматора, а выход – к четвертому входу второго сумматора, последовательно соединенные тринадцатый блок умножения, двенадцатый сумматор, второй вход которого через первый дифференциатор соединен с выходом первого датчика ускорения, четырнадцатый блок умножения, второй вход которого подключен к выходу первого функционального преобразователя и второму входу одиннадцатого блока умножения, тринадцатый сумматор и пятнадцатый блок умножения, второй вход которого подключен к выходу десятого сумматора, а выход – к пятому входу второго сумматора, последовательно соединенные шестнадцатый блок умножения, первый вход которого подключен к выходу квадратора и первому входу тринадцатого блока умножения, четырнадцатый сумматор, второй вход которого через второй дифференциатор подключен к выходу второго датчика ускорения и семнадцатый блок умножения, выход которого соединен со вторым входом одиннадцатого сумматора, последовательно соединенные восемнадцатый блок умножения, первый вход которого подключен к выходу второго датчика ускорения и первому входу десятого блока умножения, а его второй вход – к выходу третьего датчика скорости и второму входу тринадцатого блока умножения, пятнадцатый сумматор, второй вход которого через девятнадцатый блок умножения подключен к выходу второго датчика скорости, второму входу шестнадцатого блока умножения и второму входу десятого блока умножения, и двадцатый блок умножения, второй вход которого соединен с выходом второго функционального преобразователя и вторым входом семнадцатого блока умножения, а выход – со вторым входом тринадцатого сумматора, а также третий датчик ускорения, механически связанный входом с электродвигателем, а выходом – с шестым входом второго сумматора, причем второй вход девятнадцатого блока умножения подключен к выходу первого датчика ускорения.
Сопоставительный анализ существенных признаков предлагаемого технического решения с существенными признаками аналога и прототипа свидетельствуют о его соответствии критерию “новизна”.
При этом отличительные признаки формулы изобретения обеспечивают высокую точность и устойчивость работы привода четвертой степени подвижности робота в условиях существенного изменения параметров нагрузки.
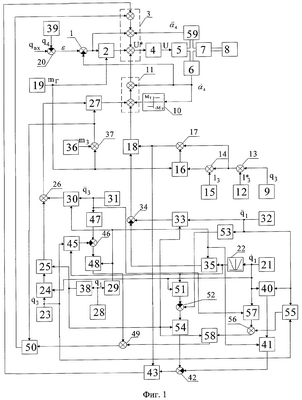
На фиг.1 представлена схема предлагаемого самонастраивающегося электропривода робота. На фиг.2 представлена кинематическая схема исполнительного органа робота, а на фиг.3 показан вид сверху в проекции на горизонтальную плоскость XY.
Самонастраивающийся электропривод робота содержит последовательно соединенные первый сумматор 1, первый блок 2 умножения, второй сумматор 3, усилитель 4 и электродвигатель 5, связанный с первым датчиком 6 скорости непосредственно и через редуктор 7 с шестерней 8, первый датчик 9 положения, измеряющий величину выдвижения горизонтального звена робота относительно его вертикального звена, последовательно соединенные релейный блок 10 и третий сумматор 11, второй вход которого подключен к выходу первого датчика 6 скорости, входу релейного блока и второму входу первого сумматора 1, последовательно соединенные первый задатчик 12 сигнала, четвертый сумматор 13, пятый сумматор 14, к второму входу которого подключен второй задатчик 15 сигнала, второй блок 16 умножения, шестой сумматор 17 и третий блок 18 умножения, а также датчик 19 массы, вход устройства соединен с первым входом седьмого сумматора 20, подключенного выходом к первому входу первого сумматора 1, выход третьего сумматора 11 соединен с вторым входом второго сумматора 3, последовательно соединенные второй датчик 21 скорости и квадратор 22, выход третьего блока 18 умножения подключен к третьему входу третьего сумматора 11, выход датчика 19 массы соединен с вторыми входами первого 2 и второго 16 блоков умножения, выход первого датчика 9 положения соединен с вторым входом четвертого сумматора 13, выход которого подключен к второму входу шестого сумматора 17, а выход первого сумматора 1 соединен с третьим входом второго сумматора 3, последовательно соединенные третий датчик 23 скорости, четвертый блок 24 умножения, второй вход которого подключен к выходу второго датчика 21 скорости, пятый блок 25 умножения, восьмой сумматор 26 и шестой блок 27 умножения, выход которого подключен к четвертому входу третьего сумматора 11, последовательно соединенные второй датчик 28 положения, измеряющий угол поворота вертикального звена относительно вертикальной оси, первый функциональный преобразователь 29, реализующий функцию sin, и седьмой блок 30 умножения, второй вход которого подключен к выходу первого датчика 31 ускорения, а его выход – ко второму входу восьмого сумматора 26, последовательно соединенные второй датчик 32 ускорения, восьмой блок 33 умножения и девятый сумматор 34, выход которого подключен ко второму входу третьего блока 18 умножения, а его второй вход – к выходу девятого блока 35 умножения, первый и второй входы которого подключены соответственно к выходам квадратора 22 и первого функционального преобразователя 29, последовательно соединенные третий задатчик 36 сигнал и десятый сумматор 37, второй вход которого подключен к выходу датчика 19 массы, а его выход – ко второму входу шестого блока 27 умножения, вторые входы пятого 25 и восьмого 33 блоков умножения через второй функциональный преобразователь 38, реализующий функцию cos, подключены к выходу второго датчика 28 положения, а второй вход седьмого сумматора 20 соединен с выходом третьего датчика 39 положения, измеряющего линейное горизонтальное перемещение всего робота относительно конкретной точки на рейке, неподвижно закрепленной в основании робота, с которой сцеплена шестерня, последовательно соединенные десятый 40 и одиннадцатые 41 блоки умножения, одиннадцатый сумматор 42 и двенадцатый блок 43 умножения, второй вход которого подключен к выходу шестого сумматора 17, а выход – к четвертому вход второго сумматора 3, последовательно соединенные тринадцатый блок 45 умножения, двенадцатый сумматор 46, второй вход которого через первый дифференциатор 47 соединен с выходом первого датчика 31 ускорения, четырнадцатый блок 48 умножения, второй вход которого подключен к выходу первого функционального преобразователя 29 и второму входу одиннадцатого блока 41 умножения, тринадцатый сумматор 49 и пятнадцатый блок 50 умножения, второй вход которого подключен к выходу десятого сумматора 37, а выход – к пятому входу второго сумматора 3, последовательно соединенные шестнадцатый блок 51 умножения, первый вход которого подключен к выходу квадратора 22 и первому входу тринадцатого блока 45 умножения, четырнадцатый сумматор 52, второй вход которого через второй дифференциатор 53 подключен к выходу второго датчика 32 ускорения и семнадцатый блок 54 умножения, выход которого соединен со вторым входом одиннадцатого сумматора 42, последовательно соединенные восемнадцатый блок 55 умножения, первый вход которого подключен к выходу второго датчика 32 ускорения и первому входу десятого блока 41 умножения, а его второй вход – к выходу третьего датчика 23 скорости и второму входу тринадцатого блока 45 умножения, пятнадцатый сумматор 56, второй вход которого через девятнадцатый блок 57 умножения подключен к выходу второго датчика 21 скорости, второму входу шестнадцатого блока 51 умножения и второму входу десятого блока 40 умножения, и двадцатый блок 58 умножения, второй вход которого соединен с выходом второго функционального преобразователя 38 и вторым входом семнадцатого блока 54 умножения, а выход – со вторым входом тринадцатого сумматора 49, а также третий датчик 59 ускорения, механически связанный входом с электродвигателем 5, а выходом – с шестым входом второго сумматора 3, причем второй вход девятнадцатого блока 57 умножения подключен к выходу первого датчика 31 ускорения.
На чертежах введены следующие обозначения:
qвх – сигнал желаемого положения;
qi – соответствующие обобщенные координаты исполнительного органа робота 
– скорость изменения соответствующих обобщенных координат 
– ошибка привода (величина рассогласования);
m2, m3, mГ – соответственно массы второго, третьего звеньев исполнительного органа и захваченного груза;
– расстояние от оси вращения горизонтального звена до его центра масс при q3=0;
l3=const – расстояние от центра масс горизонтального звена до средней точки схвата;
 – скорость и ускорение вращения ротора двигателя, соответственно;
U*, U – соответственно усиливаемый сигнал и сигнал управления двигателем 5.
Устройство работает следующим образом. Сигнал ошибки после коррекции в блоках 1, 2, 3, усиливаясь, поступает на электродвигатель 5, приводя его вал во вращательное движение с направлением и скоростью (ускорением), зависящими от величины поступающего сигнала U, моментов трения и внешнего моментного воздействия МВ.
Электропривод при работе с различными грузами, а также за счет взаимовлияния степеней подвижности исполнительного органа, обладает переменными моментными характеристиками, которые могут меняться в широких пределах. Это снижает качественные показатели указанного электропривода и даже приводит к потере устойчивости его работы. В результате возникает задача, связанная с обеспечением инвариантности динамических свойств электропривода к непрерывным и быстрым изменениям его моментных нагрузочных характеристик, что позволяет обеспечить стабильность заданного качества системы управления.
Рассматриваемый привод управляет обобщенной координатой q4. Конструкция робота (фиг.2) является наиболее типовой для отечественных и зарубежных промышленных роботов.
Эта конструкция позволяет осуществить вертикальное прямолинейное перемещение груза (координата q2), вращение в горизонтальной плоскости (координата q1) и горизонтальные прямолинейные перемещения (координаты q3 и q4).
Моментные характеристики привода, управляющего его координатой q4, существенно зависят от изменения координат q1, q3, и груза mГ. В связи с этим для качественного управления координатой q4 необходимо точно компенсировать отрицательное влияние изменения этих координат, а также переменной массы груза mГ на динамические свойства рассматриваемого привода (координата q4).
Робот перемещается по координате q4 с помощью электропривода посредством передачи шестерня – рейка. Причем рейка установлена на основании манипулятора, а шестерня 8 – на выходном валу редуктора 7 электропривода и имеет радиус r.
Несложно показать, что в процессе движения робота на указанную степень подвижности действует сила

Сила F в процессе движения робота создает на выходном валу редуктора 7 момент, равный

С учетом соотношения (1), а также уравнения электрической

и механической

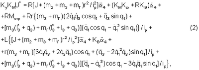
цепей электродвигателя постоянного тока с постоянными магнитами или независимого возбуждения, рассматриваемый привод, управляющий координатой q4, можно описать следующим дифференциальным уравнением

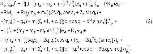
где R – активное сопротивление якорной цепи двигателя; J – момент инерции якоря двигателя и вращающихся частей редуктора, приведенный к валу двигателя; КМ – коэффициент крутящего момента; К – коэффициент противоЭДС; KВ – коэффициент вязкого трения; ip – передаточное отношение редуктора; Мстр – момент сухого трения; Ку – коэффициент усиления усилителя 4; i – ток якоря двигателя 5; – ускорение вращения вала двигателя четвертой степени подвижности; L – индуктивность электродвигателя 5.
Из (2) видно, что параметры этого уравнения, а следовательно, параметры и динамические свойства привода, управляющего координатой q4, являются существенно переменными, зависящими от q1, q3, В результате для реализации поставленной выше задачи необходимо сформировать такое корректирующее устройство, которое стабилизировало бы параметры привода таким образом, чтобы он описывался дифференциальным уравнением с постоянными желаемыми параметрами.
Первый положительный вход сумматора 1 единичный, а его второй отрицательный вход имеет коэффициент усиления Следовательно, на выходе сумматора 1 формируется сигнал 
Первый и второй положительные входы сумматоров 13 и 14 имеют единичные коэффициенты усиления. На выходах первого 12 и второго 15 задатчиков сигнала соответственно формируются сигналы и l3=const. В результате на выходе сумматора 13 формируется сигнал l3 *+q3, a на выходе сумматора 14 – сигнал так как датчик 9 измеряет положение точки горизонтального звена, отстоящей от центра масс этого звена на расстояние .
Первый положительный вход сумматора 17 имеет коэффициент усиления r/ip, а его второй положительный вход – коэффициент усиления rm3/ip. В результате на выходе сумматора 17 формируется сигнал 
Датчик 28 измеряет угол поворота вертикального звена манипулятора относительно вертикальной оси (координата q1).
Первый 29 и второй 38 функциональные преобразователи соответственно реализуют функции sin q1 и cos q1.
Датчики скоростей 21 и 23 соответственно измеряют скорости изменения координат q1 и q3, а датчики ускорений 32 и 31, соответственно, ускорения этих координат.
В результате на выходе блока умножения 25 формируется сигнал а на выходе блока умножения 30 – сигнал Первый (со стороны блока 25) и второй положительные входы сумматора 26, соответственно, имеют коэффициенты усиления 2r/ip и r/ip.
Задатчик сигнала 36 формирует сигнал, равный массе горизонтального звена m3. Сумматор 37 имеет положительные входы с единичными коэффициентами усиления. В результате на выходе блока умножения 27 формируется сигнал

На выходе блока умножения 35 формируется сигнал а на выходе блока умножения 33 – сигнал Первый (со стороны блока 33) положительный и второй отрицательный входы сумматора 34 имеют единичные коэффициенты усиления. В результате на выходе блока умножения 18 формируется сигнал

Второй положительный вход сумматора 11 (со стороны датчика 6) имеет коэффициент усиления а остальные три его положительные входа – единичные коэффициенты усиления.
В результате на выходе этого сумматора формируется сигнал

Выходной сигнал релейного элемента 10 с нулевой нейтральной точкой имеет вид при 
где – величина момента сухого трения при движении.
Первый (со стороны блока 55) и второй положительные входы сумматора 56, соответственно, имеют коэффициенты усиления 2 и 3. В результате на его выходе формируется сигнал 
Первый (со стороны блок 51) отрицательный и второй положительный входы сумматора 52 имеют единичные коэффициенты усиления. В результате на его входе формируется сигнал .
Первый (со стороны блока 45) отрицательный вход сумматора 46 имеет коэффициент усиления 2, а его второй положительный вход – единичный коэффициент усиления. В результате на его выходе формируется сигнал 
Первый положительный (со стороны блока 54) и второй отрицательный входы сумматора 42 имеют, соответственно, единичный коэффициент усиления и коэффициент усиления, равный 3. В результате на его выходе формируется сигнал 
Первый и второй положительные входы сумматора 49 имеют единичные коэффициенты усиления. В результате на его выходе формируется сигнал 
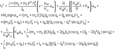
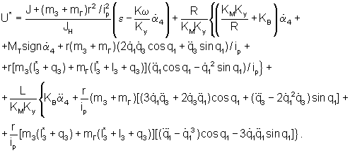
Первый положительный вход сумматора 3 (со стороны блока 2) имеет коэффициент усиления r2/(ip 2JН), его второй положительный вход (со стороны сумматора 11) – коэффициент усиления а третий положительный вход (со стороны сумматора 1) – коэффициент усиления (J+m3r2/ip 2)/JН.
Четвертый положительный вход сумматора 3 (со стороны блока 43) имеет коэффициент усиления L/(KMKy), его пятый положительный вход (со стороны блока 50) – коэффициент усиления, равный Lr/(ipKMKy), а шестой положительный вход (со стороны датчика 59) – коэффициент усиления LKВ/(KMKy). Причем датчик 59 измеряет ускорение вращения вала электродвигателя 5.
В результате на выходе сумматора 3 формируется сигнал

Несложно показать, что поскольку |MT|sign 4 при движении привода достаточно точно соответствует Мстр, то, подставив полученное значение U* в соотношение (2), получим уравнение которое имеет постоянные желаемые параметры. То есть предложенный самонастраивающийся привод, управляющий координатой q4, будет обладать постоянными желаемыми динамическими свойствами и качественными показателями.
Таким образом, за счет введения дополнительных элементов и связей удалось обеспечить полную инвариантность рассматриваемого привода к эффектам взаимовлияния между степенями подвижности и моментом трения. Это позволяет получить стабильно высокое качество управления в любых режимах работы рассматриваемого привода.
Формула изобретения
Самонастраивающийся электропривод робота, содержащий последовательно соединенные первый сумматор, первый блок умножения, второй сумматор, усилитель и электродвигатель, связанный с первым датчиком скорости непосредственно и через редуктор с шестерней, первый датчик положения, измеряющий величину выдвижения горизонтального звена робота относительно его вертикального звена, последовательно соединенные релейный блок и третий сумматор, второй вход которого подключен к выходу первого датчика скорости, входу релейного блока и второму входу первого сумматора, последовательно соединенные первый задатчик сигнала, четвертый сумматор, пятый сумматор, к второму входу которого подключен второй задатчик сигнала, второй блок умножения, шестой сумматор и третий блок умножения, а также датчик массы, вход самонастраивающегося электропривода робота соединен с первым входом седьмого сумматора, подключенного выходом к первому входу первого сумматора, выход третьего сумматора соединен с вторым входом второго сумматора, последовательно соединенные второй датчик скорости и квадратор, выход третьего блока умножения подключен к третьему входу третьего сумматора, выход датчика массы соединен с вторыми входами первого и второго блоков умножения, выход первого датчика положения соединен с вторым входом четвертого сумматора, выход которого подключен к второму входу шестого сумматора, а выход первого сумматора соединен с третьим входом второго сумматора, последовательно соединенные третий датчик скорости, четвертый блок умножения, второй вход которого подключен к выходу второго датчика скорости, пятый блок умножения, восьмой сумматор и шестой блок умножения, выход которого подключен к четвертому входу третьего сумматора, последовательно соединенные второй датчик положения, измеряющий угол поворота вертикального звена относительно вертикальной оси, первый функциональный преобразователь, реализующий функцию sin, и седьмой блок умножения, второй вход которого подключен к выходу первого датчика ускорения, а его выход – ко второму входу восьмого сумматора, последовательно соединенные второй датчик ускорения, восьмой блок умножения и девятый сумматор, выход которого подключен ко второму входу третьего блока умножения, а его второй вход – к выходу девятого блока умножения, первый и второй входы которого подключены соответственно к выходам квадратора и первого функционального преобразователя, последовательно соединенные третий задатчик сигнала и десятый сумматор, второй вход которого подключен к выходу датчика массы, а его выход – ко второму входу шестого блока умножения, вторые входы пятого и восьмого блоков умножения, через второй функциональный преобразователь, реализующий функцию cos, подключены к выходу второго датчика положения, а второй вход седьмого сумматора соединен с выходом третьего датчика положения, измеряющего линейное горизонтальное перемещение всего робота относительно конкретной точки на рейке, неподвижно закрепленной в основании робота, с которой сцеплена шестерня, отличающийся тем, что в него дополнительно введены последовательно соединенные десятый и одиннадцатые блоки умножения, одиннадцатый сумматор и двенадцатый блок умножения, второй вход которого подключен к выходу шестого сумматора, а выход – к четвертому входу второго сумматора, последовательно соединенные тринадцатый блок умножения, двенадцатый сумматор, второй вход которого через первый дифференциатор соединен с выходом первого датчика ускорения, четырнадцатый блок умножения, второй вход которого подключен к выходу первого функционального преобразователя и второму входу одиннадцатого блока умножения, тринадцатый сумматор и пятнадцатый блок умножения, второй вход которого подключен к выходу десятого сумматора, а выход – к пятому входу второго сумматора, последовательно соединенные шестнадцатый блок умножения, первый вход которого подключен к выходу квадратора и первому входу тринадцатого блока умножения, четырнадцатый сумматор, второй вход которого через второй дифференциатор подключен к выходу второго датчика ускорения и семнадцатый блок умножения, выход которого соединен со вторым входом одиннадцатого сумматора, последовательно соединенные восемнадцатый блок умножения, первый вход которого подключен к выходу второго датчика ускорения и первому входу десятого блока умножения, а его второй вход – к выходу третьего датчика скорости и второму входу тринадцатого блока умножения, пятнадцатый сумматор, второй вход которого через девятнадцатый блок умножения подключен к выходу второго датчика скорости, второму входу шестнадцатого блока умножения и второму входу десятого блока умножения, и двадцатый блок умножения, второй вход которого соединен с выходом второго функционального преобразователя и вторым входом семнадцатого блока умножения, а выход – со вторым входом тринадцатого сумматора, а также третий датчик ускорения, механически связанный входом с электродвигателем, а выходом – с шестым входом второго сумматора, причем второй вход девятнадцатого блока умножения подключен к выходу первого датчика ускорения.
РИСУНКИ
|
|