|
|
(21), (22) Заявка: 2006116663/09, 15.05.2006
(24) Дата начала отсчета срока действия патента:
15.05.2006
(46) Опубликовано: 27.10.2007
(56) Список документов, цитированных в отчете о поиске:
SU 275257 A1, 01.01.1970. RU 2269811 C2, 10.02.2006. SU 758862 A1, 15.09.1982. US 5656932 A, 12.08.1997. GB 2318941 A, 06.05.1998.
Адрес для переписки:
394064, г.Воронеж, ул. Старых Большевиков, 54 А, ГОУ ВПО Воронежское ВВАИУ, научно-исследовательский отдел
|
(72) Автор(ы):
Купряшкин Иван Федорович (RU), Лихачев Владимир Павлович (RU), Мубарак Нидал Халиль (RU)
(73) Патентообладатель(и):
Государственное образовательное учреждение высшего профессионального образования Военный институт радиоэлектроники (RU)
|
(54) УСТРОЙСТВО ДЛЯ ПОЛУЧЕНИЯ РАДИОГОЛОГРАММЫ В УСЛОВИЯХ ОБЗОРА ПРОСТРАНСТВА И ВИЗУАЛИЗАЦИИ ВОССТАНОВЛЕННОГО ИЗОБРАЖЕНИЯ
(57) Реферат:
Изобретение относится к радиоголографии, в частности к топографическим радиолокационным станциям (РЛС), осуществляющим последовательный круговой или секторный обзор пространства по жесткой программе за счет вращения антенны. Техническим результатом является улучшение разрешающей способности РЛС по дальности и азимуту, вплоть до построения детального радиолокационного изображения движущегося объекта, находящегося в дальней зоне приемной антенны, по зарегистрированной радиоголограмме, при условии обеспечения непрерывного обзора пространства. Изобретение основывается на увеличении времени наблюдения движущегося объекта при условии непрерывного обзора пространства за счет приема сигнала, отраженного от объекта, Q смежными элементами Z-элементной антенны (Q )>
Изобретение относится к радиоголографии, в частности к формированию изображения движущегося объекта, и может быть преимущественно использовано при построении голографических радиолокационных станций (РЛС), осуществляющих последовательный круговой или секторный обзор пространства по жесткой программе за счет вращения антенны.
Известны устройства улучшения угловой разрешающей способности обзорной РЛС за счет увеличения размера антенной решетки с плоским рефлектором и синфазного включения каждого элемента антенны [1, стр.440-446]. Известные устройства не обеспечивают высокого углового разрешения из-за технических и технологических ограничений на геометрические размеры антенны обзорной РЛС при условии жестких требований к темпу обзора пространства.
Известно устройство (авт.св. СССР №250311, Б.И. №26, 1970 г.) [4, с.109-111] получения изображения наблюдаемого объекта, восстановленного по зарегистрированной радиоголограмме, содержащее СВЧ-генератор, антенну, облучающую голографический объем, антенну опорной волны, приемную антенну, приемное устройство и устройство визуализации изображения. Устройство не может работать при условии последовательного кругового или секторного обзора пространства, требует установки двух дополнительных антенн, а для достижения высокого углового разрешения на восстановленном изображении необходимо значительно увеличить размеры приемной антенны.
Известно также устройство для получения изображения объекта наблюдения, состоящие из радиопередающего устройства, генерирующего широкополосный сигнал (ШПС), приемной антенны, усилителя высокой частоты, смесителя, гетеродина и оптимального фильтра (ОФ) ШПС [2, стр.132-147]. Однако данное устройство обладает низкой угловой разрешающей способностью, определяемой геометрическими размерами антенны. Кроме того, изображения разных типов объектов, полученные с помощью такого устройства, при определенных условиях наблюдения невозможно идентифицировать однозначно.
Известно также устройство (U.S. Patent №5184133, 1993 г.) для получения РЛИ вращающихся или качающихся объектов, имеющее антенну, когерентный детектор, аналого-цифровой преобразователь, цифровой фазовращатель, блок сопровождения объекта по дальности и скорости и доплеровский процессор. Недостатками этого устройства является необходимость сопровождения объекта в течение всего времени наблюдения и использования сигналов с большой длительностью.
Наиболее близким по технической сущности (прототипом к предлагаемому изобретению) является устройство (авт. свид. СССР №275257, МПК G01s 7/64, БИ, №22, 1970 г.) для получения СВЧ-голограмм и визуализации восстановленного изображения, содержащее генератор СВЧ-колебаний, выход которого соединен с антенной, облучающей в голографическом объеме объект, а также с первым входом первого смесителя, ко второму входу которого подключен местный генератор первой промежуточной частоты, при этом выход первого смесителя через полосовой фильтр подключен к антенне опорной волны, при этом элементы приемной антенны подключены к первым смесителям многоканального приемника с двойным преобразованием частоты, которые через вторые полосовые фильтры подключены к первому входу вторых смесителей приемника, при этом на второй вход вторых смесителей приемника через регулируемые фазовращатели подключен умножитель частоты, ко входу которого подключен выход генератора первой промежуточной частоты, при этом выходы вторых смесителей приемника, через третьи полосовые фильтры, ультразвуковые преобразователи, среду, проводящую ультразвук, ультразвуковые приемники подключены к некогерентным источникам света.
К недостаткам прототипа относятся:
– функционирование только при условии неподвижной приемной антенны и невозможность получения изображения объекта при обзоре пространства;
– ограниченная разрешающая способность по дальности, которая определяется выражением [3, стр.33]:

где – длина волны излучения; r0 – дальность до объекта наблюдения; lэл – расстояние между элементами эквидистантой Z элементной антенны; Z – количество элементов антенны, ;
– наличие большого числа приемных каналов.
Задача, на решение которой направлено заявляемое устройство, состоит: в улучшении разрешающей способности РЛС до уровня, достаточного для построения детального изображения движущегося объекта, находящегося в дальней зоне приемной антенны, по зарегистрированной радиоголограмме (РГ); в обеспечении возможности непрерывного обзора пространства при сокращении количества приемных каналов.
Технический результат выражается в улучшении разрешающей способности по дальности и азимуту за счет увеличения времени наблюдения объекта при сокращении количества приемных каналов и дополнительной обработке отраженных от объекта сигналов.
Указанный технический результат достигается тем, что в известное устройство для получения радиоголограммы в условиях обзора пространства и визуализации восстановленного изображения, содержащее генератор СВЧ-колебаний, первый смеситель, генератор промежуточной частоты, антенну, состоящую из Z элементов, к выходу каждого из антенных элементов подключен соответствующий сумматор, а к части Q элементов – переключатель, смеситель и полосовой фильтр, а также фазовращатель, отличающееся тем, что дополнительно введены система вращения антенны, Q антенных переключателей, причем Q выходу усилителя СВЧ, а в режиме приема к соответствующим входам первого и второго сумматоров, выход второго сумматора подключен к первому входу первого смесителя, ко второму входу которого подключен первый выход четвертого полосового фильтра, вход которого подключен к выходу третьего смесителя, к первому входу которого подключен второй выход генератора СВЧ-колебаний, а ко второму входу подключен первый выход генератора промежуточной частоты, второй выход которого подключен ко второму входу второго амплитудно-фазового детектора, а третий выход через фазовращатель подключен ко второму входу первого амплитудно-фазового детектора, последовательно с первым смесителем соединены первый полосовой фильтр, первый оптимальный фильтр широкополосного сигнала, детектор огибающей и третий аналого-цифровой преобразователь, выход которого подключен к первому входу блока расчета восстанавливающей волны, ко второму входу которого подключен второй выход генератора тактовых импульсов, а к третьему входу подключен выход системы вращения, первый выход генератора – СВЧ подключен к первому входу модулятора, ко второму входу которого подключен первый выход генератора тактовых импульсов, выход первого сумматора подключен к первому входу второго смесителя, второй вход которого подключен ко второму выходу четвертого полосового фильтра, последовательно со вторым смесителем соединены второй полосовой фильтр, второй оптимальный фильтр широкополосного сигнала, усилитель промежуточной частоты, первый выход которого подключен к первому входу первого амплитудно-фазового детектора, а второй выход – к первому входу второго амплитудно-фазового детектора, выходы первого и второго амплитудно-фазовых детекторов подключены соответственно ко входу первого и второго аналого-цифровых преобразователей, выходы которых подключены соответственно к первому и второму входам блока формирования и регистрации синтезированной радиоголограммы соответственно, к третьему входу которого подключен первый выход блока расчета восстанавливающей волны, выход блока формирования и регистрации синтезированной радиоголограммы подключен к первому входу блока формирования изображения объекта.,>
Сущность изобретения основывается на увеличении времени наблюдения движущегося объекта за один обзор пространства за счет приема отраженного от него сигнала Q смежными элементами Z-элементной антенны (Q
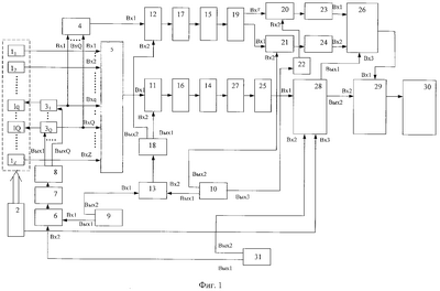
На фиг.1 приведена структурная схема предложенного устройства;
на фиг.2 – схема, иллюстрирующая перемещение объекта относительно антенной системы устройства;
на фиг.3 – структурная схема блока расчета восстанавливающей волны.
Предложенное устройство (см. фиг.1) для получения радиоголограммы в условиях обзора пространства и визуализации восстановленного изображения состоит из Z-элементной антенны 1, системы вращения антенны 2, антенных переключателей 3, первого и второго сумматоров 4 и 5, модулятора 6, третьего полосового фильтра 7, усилителя СВЧ 8, генератора СВЧ-колебаний 9, генератора промежуточной частоты 10, первого, второго и третьего смесителей 11, 12 и 13, первого и второго оптимальных фильтров широкополосного сигнала 14 и 15, первого, второго и четвертого полосовых фильтров 16, 17 и 18, усилителя 19 промежуточной частоты, первого и второго амплитудно-фазовых детекторов 20 и 21, фазовращателя 22, первого, второго и третьего аналого-цифровых преобразователей 23, 24 и 25, блока формирования и регистрации синтезированной радиоголограммы 26, детектора огибающей 27, блока расчета восстанавливающей волны 28, блока формирования изображения объекта 29, устройства отображения 30, генератора тактовых импульсов 31, соединенных, как показано на фиг.1.
Устройство работает следующим образом. На второй вход модулятора 6 поступают тактовые импульсы с периодом Ти, а на первый вход – сигнал на несущей частоте f0 ( , где с – скорость света) от генератора СВЧ-колебаний 9. Сигнал с той же частотой f0 поступает на первый вход первого смесителя 13, который смешивает их с сигналом промежуточной частоты fпр, поступающим из генератора промежуточной частоты 10. Полученный в результате сигнал подается через четвертый полосовой фильтр 18, настроенный на частоту f1=f0-fпр на смесители 11 и 12. В модуляторе 6 вырабатываются когерентные импульсные широкополосные сигналы с периодом следования Ти, несущей частотой fн=f0 и шириной спектра fс. Эти сигналы через третий полосовой фильтр 7 с полосой пропускания fф= fс, усилитель СВЧ 8, антенные переключатели 3 поступают на q-e элементы Z-элементной антенны 1, которыми облучается движущийся относительно устройства с радиальной Vr и тангенциальной Vt скоростью объект, находящийся в дальней зоне Z-элементной антенны 1.
Отраженная от объекта электромагнитная волна принимается в плоскости голографирования Z-элементной антенной 1. Принятые q-ми элементами Z-элементной антенны 1 сигналы через Q антенных переключателей 3 подаются на второй сумматор 5, где происходит их синфазное суммирование. В результате полученный сигнал подается на второй смеситель 12. На выходе второго смесителя 12 получают сигнал с несущей частотой f2=fпр-fd, где частота Доплера принятого сигнала. Этот сигнал подается на полосовой фильтр 17 с шириной полосы пропускания fпр= fc± fdmax, где fdmax – максимально возможное значение частоты fd. После этого происходит сжатие сигнала в оптимальном фильтре 15 с последующим усилением в усилителе 19 промежуточной частоты.
Каждый сигнал, усиленный в усилителе промежуточной частоты 19, также подается на первые входы амплитудно-фазовых детекторов 20 и 21. На выходе амплитудно-фазовых детекторов 20 и 21 за счет интерференции комплексных принятого сигнала и опорного сигнала , которые поступают со второго выхода генератора промежуточной частоты 10, получают квадратурные составляющие g1n и g2n синтезированной РГ

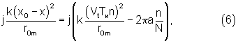
где tn – время приема n-го импульса; n – фаза n-го принятого сигнала; 0n – фаза n-го опорного сигнала; – количество импульсов, принятых q-ми элементами Z-элементной антенны 1 за время Тс;  Q – ширина диаграммы направленности совокупности Q элементов Z-элементной антенны 1; вр – угловая скорость обзора пространства.
Сигнал U0(tn) имитирует опорную волну устройства-прототипа с плоским фронтом где 0n=xnksin ; xn=VtTиn; – волновой коэффициент; – “угол падения” опорной волны на Z-элементную антенну 1.
Квадратурные составляющие gln и g2n синтезированной РГ оцифровываются в аналого-цифровых преобразователях 23 и 24 и подаются на первый и второй входы блока формирования и регистрации синтезированной радиоголограммы 26 соответственно. В блоке формирования и регистрации синтезированной радиоголограммы 26 по формуле (2) рассчитывается n-й элемент РГ (2), причем в память записываются элементы разрешения по дальности номера которых удовлетворяют условию

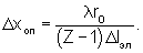
где m – номер элемента разрешения по дальности; rстрн, rстрк – границы строба по дальности, определенные на предыдущем обзоре в блоке расчета восстанавливающей волны 28; r – разрешение по дальности, определяемое выражением [2, стр.223]

где и – длительность импульса после оптимальной фильтрации в ОФ ШПС 14, которая в свою очередь определяется выражением вида [2, стр.225]
.
Положим, что объект имеет максимальный поперечный размер х0mах0 и движется только вдоль оси х0. Этот случай эквивалентен ситуации, когда объект неподвижен, а устройство в процессе обзора пространства перемещается вдоль оси х, облучает объект широкополосными импульсными сигналами и в течение времени синтезирования Тс регистрирует последовательно, в моменты времени tn, n-e элементы синтезированной РГ для каждого m-го элемента разрешения по дальности (фиг.2). Время Тс равно [1, стр.39]

где tобз – время обзора полного сектора пространства, обз – полный сектор обзора пространства.
Размер синтезированной апертуры Lc VtTc=VtTиN. Тогда для m-го элемента разрешения по дальности, согласно принципу Гюйгенса-Френеля, электромагнитное поле, принимаемое устройством вдоль оси х, определяется в виде

где – комплексная константа; r0m – расстояние до m-го элемента разрешения по дальности в момент времени Тс/2; – функция, описывающая вдоль оси х0 рассеивающие свойства поверхности объекта, находящейся в m-м элементе разрешения по дальности; – количество элементов разрешения по линейной угловой координате, перекрывающих максимальный линейный размер объема x0mах по координате х0; – линейная угловая разрешающая способность синтезированной апертуры вдоль оси х0 [3, стр.31], F(x) – множитель, определяемый направленными свойствами совокупности Q элементов Z-элементной антенны 1.
Текущее положение устройства вдоль оси x=xn, тогда экспоненциальный множитель в подынтегральном выражении формулы (5) равен

где – номер элемента разрешения синтезированной апертуры по угловой координате (1 a N).
Устанавливая начальное значение n=1 и учитывая, что объект совершает относительно устройства радиальное перемещение со скоростью Vr (фиг.2), формируемая РГ в блоке формирования и регистрации синтезированной радиоголограммы 26 примет вид

Принятые Z-элементной антенной 1 сигналы через первый сумматор 4 поступают на первом входе третьего смесителя 11, полосовой фильтр 16, ОФ ШПС 14, в которых осуществляется обработка, аналогичная обработке принятых Q элементами Z-элементной антенны 1 сигналов во втором смесителе 12, полосовом фильтре 17, ОФ ШПС 15 за счет соответствия их параметров. Сигналы с выхода ОФ ШПС 14 поступают на детектор огибающей 27, где формируется дальностный портрет объекта, оцифровываются в аналого-цифровом преобразователе 25 и поступают на первый вход блока расчета восстанавливающей волны 28.
Блок расчета восстанавливающей волны 28, структурная схема которого изображена на фиг.3, функционирует следующим образом.
За обзор пространства, предыдущий синтезированию РГ в блоке формирования и регистрации синтезированной радиоголограммы 26, в блоке стробирования по дальности 38 рассчитываются границы строба по дальности на обзор, при котором производится синтезирование радиоголограммы. При этом полагается, что объект движется прямолинейно и равномерно (Vr=const, Vt=const), имеет доминирующий центр рассеяния, а отношение сигнал/шум >1. На третий вход блока памяти 33 и вход блока поиска максимума интенсивности 40 поступает последовательно по элементам оцифрованный дальностный портрет объекта, где производится определение номера элемента разрешения по дальности с максимальной интенсивностью для n -го Z-элементной антенной 1 импульса. С выхода блока поиска максимума интенсивности 40 на четвертый вход блока памяти 33 выдается «1» при поступлении первого импульса, принятого Z-элементной антенны 1, и далее, если величина интенсивности поступившего элемента дальностного портрета больше предыдущего. При поступлении «1» в блок памяти 33 заносится текущий код интенсивности элемента дальностного портрета при условии его превышения предыдущего запомненного ранее и подаваемый на первый вход временной код с измерителя времени запаздывания 32. Вместе с этим запоминается поступающий на пятый вход блока памяти 33 текущий код углового положения Z-элементной антенны 1 с выхода системы вращения антенны 3. На вход измерителя времени запаздывания 32 с выхода генератора тактовых импульсов 31 поступает тактовый импульс Ти, обнуляющий его и запускающий счетчик времени. Тактовый импульс Ти также подается на второй вход блока памяти 33, в котором ведется их подсчет. При превышении их количества числа, соответствующего максимальному времени синтезирования, информация о количестве принятых тактовых импульсов N , при которых еще поступал отраженный от объекта сигнал, временной задержке элемента дальностного портрета с максимальной интенсивностью первого tз1 и последнего tзN зарегистрированного импульса выдается в блок определения радиальной скорости 34, а в блок определения расчетного углового положения Z-элементной антенны 35 – значение 1 (угловое положение Z-элементной антенны 1 в момент приема первого зарегистрированного импульса от объекта). После этого содержимое блока памяти 33 обнуляется. С учетом того, что расстояние до объекта при импульсном методе его измерения определяется выражением [1, стр.17]

где tз – время задержки отраженного сигнала, по измеренным величинам tз1 и tзN , в блоке определения радиальной скорости 34 рассчитывается радиальная скорость объекта по формуле

где Tz=Tи(N -1) – время приема Z-элементной антенной 1 отраженных от объекта сигналов.
Информация о радиальной скорости Vr объекта, времени задержки tз1 и tзN поступает на вход блока стробирования по дальности 38, где производится расчет границ строба по дальности на следующий период обзора пространства, при котором будет осуществляться синтезирование РГ, по формулам

Информация о начале и размере строба по дальности с выхода блока стробирования по дальности 38, который также является первым выходом блока расчета восстанавливающей волны 28, поступает на третий вход блока формирования и регистрации синтезированной радиоголограммы 26 и первый вход блока расчета фокусирующей функции 39.
Расчет параметров восстанавливающей изображение волны производится следующим образом. Значение N (угловое положение Z-элементной антенны 1 в момент времени tзN ) с выхода блока памяти 33 поступает на второй вход блока вычисления изменения углового положения объекта 36, в блоке определения расчетного углового положения Z-элементной антенны 35 вычисляется расчетное угловое положение Z-элементной антенны 1 (то есть угловое положение Z-элементной антенны 1 при отсутствии тангенциального перемещения объекта) на момент принятия N -го импульса по формуле

Значение поступает на первый вход блока вычисления изменения
углового положения объекта 36, где производится расчет изменения углового положения объекта  по формуле

По вычисленным величинам  и tз1, tзN в блоке определения тангенциальной скорости 37 рассчитывается значение тангенциальной скорости Vt объекта по формуле (из теоремы косинусов)

где R1 – расстояние до объекта в момент tз1; RN – в момент tзN .
Полученное значение Vt подается на третий вход блока расчета фокусирующей функции 39.
При этом дискретность кода текущего углового положения основной антенны 1 должна удовлетворять условию

где  min – угловое перемещение объекта, имеющего минимальную тангенциальную скорость за время Tz; Г Z – ширина диаграммы направленности Z-элементной антенны 1; rmax – максимальная дальность до объекта, при которой осуществляется формирование его изображения.
В блок расчета фокусирующей функции 39 поступают значения Vt, Vr, rстрн, rстрк, где производится вычисление восстанавливающей РЛИ объекта волны для каждой m-й, попадающей в строб по дальности и синтезированной при обзоре, РГ по формуле

Восстанавливающая волна и синтезированная поступают в блок формирования изображения объекта 29, где вычисляется интенсивность изображения I(m,p), описывающая распределение вдоль оси х0 эффективной отражающей поверхности объекта для каждого m-го элемента разрешения по дальности по формуле

где – знак операции квадрата модуля; F-1{·} – знак операции обратного дискретного преобразования Фурье.
Выходным каскадом блока формирования изображения объекта 29 является цифро-аналоговый преобразователь, на который последовательно подается рассчитанный код интенсивности элементов изображения. Полученный сигнал выдается в устройство отображения 30, представляющее собой аналоговый дисплей.
Совокупность введенных элементов обеспечивает при постоянном круговом или секторном обзоре пространства формирование изображения движущегося объекта с линейным разрешением по угловой координате

определяемым с учетом того, что N=Тс/Ти и 
При тех же условиях устройство-прототип позволяет получить изображение объекта с линейным разрешением по угловой координате [4, стр.77]

Коэффициент улучшения угловой разрешающей способности составляет

а коэффициент улучшения разрешающей способности по дальности

Например, для исходных данных =1,5 м, (Q-1) lэл=10 м, вр = 6 об/мин = 0,628 рад/с, (Q-1) lэл=1 м, Vt=100 м/с, и=2 мкс, r0=30 км с учетом выражений (3), (18), (19) получим, что угловая разрешающая способность повышается в 47,7 раза, а разрешающая способность по дальности в 157500 раз.
Предложенное техническое решение является новым, поскольку из общедоступных сведений неизвестны виды устройств, позволяющих получать детальные изображения движущихся объектов по зарегистрированной РГ в условиях непрерывного обзора пространства.
Предложенное техническое решение имеет изобретательский уровень, поскольку из опубликованных научных данных и известных технических решений явным образом не следует, что увеличение времени наблюдения движущегося объекта за один обзор пространства за счет приема отраженного от него сигнала Q смежными элементами Z-элементной антенны (Q
Предлагаемое техническое решение практически применимо, так как для его реализации могут быть использованы стандартное оборудование, приспособления и материалы широко распространенной технологии применения цифровых устройств в радиоголографии.
Источники информации.
1. М.И.Финкельшнтейн. Основы радиолокации. – М.: Радио и связь, 1983. – 536 с.
2. Я.Д.Ширман, В.Н.Голиков, И.Н.Бусыгин и др. Теоретические основы радиолокации. – М.: Сов. радио, 1970. – 560 с.
3. Зиновьев Ю.С., Пасмуров А.Я. Методы обращенного синтезирования апертур с помощью узкополосных сигналов. – Зарубежная радиоэлектроника, 1985, №3. – С.27-39.
4. Е.А.Антонов, Н.Г.Власов, В.М.Мещанкин и др. Голография, методы и аппаратура. – М.: Сов. радио, 1974. – 376 с.
Формула изобретения
Устройство для получения радиоголограммы в условиях обзора пространства и визуализации восстановленного изображения, содержащее генератор СВЧ-колебаний, первый смеситель, генератор промежуточной частоты, антенну, состоящую из Z элементов, к выходу каждого из антенных элементов подключен соответствующий сумматор, а к части Q элементов – переключатель, смеситель и полосовой фильтр, а так же фазовращатель, отличающееся тем, что дополнительно введены система вращения антенны, Q антенных переключателей, причем Q выходу усилителя СВЧ, а в режиме приема к соответствующим входам первого и второго сумматоров, выход второго сумматора подключен к первому входу первого смесителя, ко второму входу которого подключен первый выход четвертого полосового фильтра, вход которого подключен к выходу третьего смесителя, к первому входу которого подключен второй выход генератора СВЧ-колебаний, а ко второму входу подключен первый выход генератора промежуточной частоты, второй выход которого подключен ко второму входу второго амплитудно-фазового детектора, а третий выход через фазовращатель подключен ко второму входу первого амплитудно-фазового детектора, последовательно с первым смесителем соединены первый полосовой фильтр, первый оптимальный фильтр широкополосного сигнала, детектор огибающей и третий аналого-цифровой преобразователь, выход которого подключен к первому входу блока расчета восстанавливающей волны, ко второму входу которого подключен второй выход генератора тактовых импульсов, а к третьему входу подключен выход системы вращения, первый выход генератора СВЧ подключен к первому входу модулятора, ко второму входу которого подключен первый выход генератора тактовых импульсов, выход первого сумматора подключен к первому входу второго смесителя, второй вход которого подключен ко второму выходу четвертого полосового фильтра, последовательно со вторым смесителем соединены второй полосовой фильтр, второй оптимальный фильтр широкополосного сигнала, усилитель промежуточной частоты, первый выход которого подключен к первому входу первого амплитудно-фазового детектора, а второй выход к первому входу второго амплитудно-фазового детектора, выходы первого и второго амплитудно-фазовых детекторов подключены соответственно ко входу первого и второго аналого-цифровых преобразователей, выходы которых подключены соответственно к первому и второму входам блока формирования и регистрации синтезированной радиоголограммы соответственно, к третьему входу которого подключен первый выход блока расчета восстанавливающей волны, выход блока формирования и регистрации синтезированной радиоголограммы подключен к первому входу блока формирования изображения объекта.,>
РИСУНКИ
MM4A – Досрочное прекращение действия патента СССР или патента Российской Федерации на изобретение из-за неуплаты в установленный срок пошлины за поддержание патента в силе
Дата прекращения действия патента: 16.05.2008
Извещение опубликовано: 10.01.2010 БИ: 01/2010
)>
)>
|
|