|
|
(21), (22) Заявка: 2006104041/09, 10.02.2006
(24) Дата начала отсчета срока действия патента:
10.02.2006
(46) Опубликовано: 27.10.2007
(56) Список документов, цитированных в отчете о поиске:
RU 2133971 C1, 27.07.1999. RU 26849 U1, 20.12.2002. RU 2233438 C1, 27.07.2004. GB 2351154 A, 20.12.2000. US 5153439 A, 06.10.1992. US 6026135 A, 15.02.2000.
Адрес для переписки:
121165, Москва, Г-165, а/я 15, ООО “ППФ-ЮСТИС”, пат. пов. Л.С. Пилишкиной, рег. № 401
|
(72) Автор(ы):
Клименко Александр Игоревич (RU), Славинский Зиновий Михалевич (RU)
(73) Патентообладатель(и):
Клименко Александр Игоревич (RU)
|
(54) УСТАНОВКА ДЛЯ ОБНАРУЖЕНИЯ НЕРАЗРЕШЕННЫХ ПРЕДМЕТОВ И ВЕЩЕСТВ В КОНТРОЛИРУЕМЫХ ОБЪЕКТАХ
(57) Реферат:
Изобретение относится к системам для обнаружения неразрешенных предметов и веществ в контролируемых объектах и может быть использовано при досмотре пассажиров на транспорте и посетителей общественных учреждений и зданий. Установка содержит антенну, выполненную предпочтительно в виде двумерной антенной решетки, поворотное устройство, кабину досмотра контролируемых объектов, блок формирования управляющих сигналов, вычислительный блок, выполненный с возможностью построения радиопортрета объекта, два генератора радиоимпульсов, переключатели, квадратичный детектор сигналов, аналого-цифровой преобразователь, блок цифровой обработки сигналов, формирующий массив дальностей и амплитуд сигналов, отраженных от каждого участка контролируемого объекта, широкополосный приемник сигналов, полосовой фильтр, пороговое устройство, компьютер, соединенные определенным образом между собой. 8 з.п. ф-лы, 1 ил.
Изобретение относится к системам для обнаружения неразрешенных предметов и веществ в контролируемых объектах и может быть использовано при досмотре пассажиров на транспорте и посетителей общественных учреждений и зданий.
Известно устройство для обнаружения взрывчатых веществ в контролируемых предметах, преимущественно в авиабагаже, в которое введена радиационная защита, выполненная в виде кругового разомкнутого П-образного ступенчатого тоннеля, внутри которого размещены средство транспортирования предметов, блоки детектирования гамма-излучения, излучатель тепловых нейтронов и отражатели нейтронов. Средство транспортирования выполнено в виде круговой кольцевой грузовой платформы с приводами ее вращения, а излучатель – в виде блока с излучающей нейтроны поверхностью. Тоннель смонтирован симметрично относительно своей вертикальной диаметральной плоскости, проходящей через центр блока излучателя. Грузовая платформа установлена горизонтально на опорных катках, а ее внутренняя торцовая поверхность взаимодействует с центрирующими катками. Приводы вращения установлены под грузовой платформой и имеют ведущие катки, взаимодействующие с ее поверхностью (см. патент РФ №2011974, кл. G01N 23/222, 1994).
Недостатком известного устройства являются невысокая производительность и сложность процедуры досмотра контролируемых объектов при низкой безопасности персонала.
Также известно устройство для обнаружения взрывчатого вещества в объеме (в багаже), которое относится к распознаванию объектов. Его использование для обнаружения взрывчатых веществ в багаже позволяет определить наличие или отсутствие объекта с малой толщиной в трехмерном пространстве. Данное устройство осуществляет сканирование объема излучением для определения заранее заданного свойства каждого из множества элементов, составляющих объем, и идентификацию объема как объема, подозрительного на наличие взрывчатого вещества. При этом сканирование производят в трехмерном объеме для определения плотности каждого объемного элемента изображения, связывают и помечают объемные элементы изображения, имеющие сходные плотности, для оценки непрерывности множества объемных элементов изображения, определяют объем каждой непрерывной области из объемных элементов изображения со сходными плотностями, сравнивают объем каждой такой непрерывной области с первой пороговой величиной и идентифицируют каждую непрерывную область, объем которой превышает первую пороговую величину, как подозрительную область, определяют массу каждой подозрительной области, сравнивают массу каждой подозрительной области со второй пороговой величиной и идентифицируют каждую подозрительную область, масса которой превышает вторую пороговую величину, как область, потенциально содержащую взрывчатое вещество (см. патент РФ №2161820, кл. G06K 9/50, 2001).
Недостатком данного устройства также являются невысокая производительность и сложность процедуры досмотра контролируемых объектов при низкой безопасности персонала.
Наиболее близким аналогом по своей технической сущности является устройство для обнаружения предметов, скрытых под одеждой людей, содержащее последовательно соединенные узел регистрации электромагнитного поля, блок обработки и блок отображения информации, причем узел регистрации электромагнитного поля выполнен в виде радиометра и радиоприемной антенны, снабженной узлом сканирования, подключенным к блоку отображения информации, антенна выполнена с возможностью фокусирования ее луча в процессе сканирования на участке поверхности тела человека, между этой поверхностью и радиоприемной антенной помещена ширма с щелью для прохождения луча антенны, окружающая устройство и покрытая материалом, поглощающим электромагнитные волны, выполненная с возможностью поддержания этого материала при температуре, отличной от температуры тела человека (см. патент РФ №2133971, кл. G01V 3/11, 1999).
Недостатком данного устройства также является невозможность определения наличия взрывчатых веществ в обнаруженных скрытых предметах.
Техническим результатом, на который направлено предлагаемое техническое решение, является обеспечение выявления взрывчатых веществ в скрытых под одеждой человека предметах.
Указанный технический результат достигается за счет того, что установка для обнаружения неразрешенных предметов и веществ в контролируемых объектах содержит антенну для сканирования контролируемого объекта, выполненную предпочтительно в виде двумерной антенной решетки, кинематически соединенную с поворотным устройством и направленную на, по меньшей мере, одну кабину досмотра контролируемых объектов, вычислительный блок, выполненный с возможностью построения радиопортрета объекта, генератор радиоимпульсов, связанный первым выходом с первым входом первого переключателя, а вторым выходом с первым входом, по меньшей мере, одного квадратичного детектора сигналов, который выходом подключен ко входу, по меньшей мере, одного аналого-цифрового преобразователя, соединенного выходами через, по меньшей мере, один блок цифровой обработки, формирующий массив дальностей и амплитуд сигналов, отраженных от каждого участка контролируемого объекта, с первыми информационными входами вычислительного блока, выход первого переключателя соединен с первым выводом второго переключателя, подключенного вторым выводом к выводу антенны, а третьим выводом ко входу третьего переключателя, соединенного первым и вторым выходами соответственно со входами широкополосного приемника сигналов и, по меньшей мере, одного полосового фильтра, подключенного выходом к входу порогового устройства, которое выходами соединено со вторыми информационными входами вычислительного блока, при этом информационные выводы указанного вычислительного блока связаны с, по меньшей мере, одним монитором компьютера для рельефного отображения радиопортрета контролируемого объекта и содержащихся в нем скрытых предметов, управляющий выход указанного вычислительного блока соединен с управляющим входом второго генератора радиоимпульсов, подключенного выходом ко второму входу первого переключателя, причем выход широкополосного приемника сигналов связан со вторым входом, по меньшей мере, одного квадратичного детектора сигналов.
Кроме того, первый генератор радиоимпульсов может быть выполнен с возможностью формирования радиоимпульсов длительностью не менее 50 пикосекунд с заполнением несущей частотой, имеющей величину в диапазоне значений от 20 до 50 ГГц.
Кроме того, второй генератор радиоимпульсов может быть выполнен с возможностью формирования радиоимпульсов с заполнением несущей частотой, равной 40 ГГц, и длительностью 0,1 микросекунды. Данный технический результат достигается также за счет того, что антенна может быть выполнена с возможностью сканирования контролируемого объекта сверхкороткими импульсами миллиметрового диапазона волн с мощностью, допустимой санитарными нормами, и за счет того, что вычислительный блок может быть выполнен с возможностью применения в вычислениях, по меньшей мере, одного преобразования Радона. Кроме того, широкополосный приемник может быть выполнен с полосой пропускания, равной 20 ГГц, а квадратичный детектор сигналов может быть выполнен с возможностью функционирования в диапазоне частот от 0 до 2 ГГц. Указанный технический результат достигается также за счет того, что, по меньшей мере, одна кабина досмотра контролируемых объектов может быть выполнена с возможностью размещения в ней неразрешенных предметов и веществ, расположенных в контролируемых объектах, а также за счет того, что, по меньшей мере, один монитор компьютера может быть выполнен с возможностью отображения на экране привлекающих внимание оператора цветовых и/или звуковых сигналов в случае обнаружения в качестве неразрешенных веществ взрывчатых веществ.
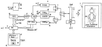
Сущность изобретения иллюстрируется чертежом, где показана блок-схема установки для обнаружения неразрешенных предметов и веществ в контролируемых объектах.
Показанная на блок-схеме установка для обнаружения неразрешенных предметов и веществ в контролируемых объектах имеет антенну 1 в виде двумерной антенной решетки, поворотное устройство 2, кабину 3 досмотра контролируемых объектов, блок 4 формирования управляющих сигналов, вычислительный блок 5, первый генератор 6 радиоимпульсов, переключатель 7, квадратичный детектор 8 сигналов, аналого-цифровой преобразователь 9, блок 10 цифровой обработки сигналов, переключатели 11, 12, широкополосный приемник 13 сигналов, полосовой фильтр 14, пороговое устройство 15, компьютер 16, включающий в себя системный блок 17 и монитор 18, и второй генератор 19 радиоимпульсов.
Антенна 1 в виде двумерной антенной решетки кинематически соединена с поворотным устройством 2 и направлена на кабину 3 досмотра контролируемых объектов. Блок 4 формирования управляющих сигналов соединен выводами с первым входом поворотного устройства 2, управляющим входом вычислительного блока 5 и входом первого генератора 6 радиоимпульсов, связанного первым выходом с первым входом первого переключателя 7, а вторым выходом с первым входом квадратичного детектора 8 сигналов, который выходом подключен ко входу аналого-цифрового преобразователя 9, соединенного выходами через блок 10 цифровой обработки сигналов с первыми информационными входами вычислительного блока 5. Выход первого переключателя 7 соединен с первым выводом второго переключателя 11, подключенного вторым выводом к выводу антенны 1, а третьим выводом ко входу третьего переключателя 12, соединенного первым и вторым выходами соответственно со входами широкополосного приемника 13 сигналов и полосового фильтра 14, подключенного выходом ко входу порогового устройства 15, которое выходами соединено со вторыми информационными входами вычислительного блока 5. При этом информационные выводы вычислительного блока 5 связаны с выводами системного блока 17 компьютера 16, а управляющий выход вычислительного блока 5 соединен с управляющим входом второго генератора 19 радиоимпульсов, подключенного выходом ко второму входу первого переключателя 7, причем выход широкополосного приемника 13 сигналов связан со вторым входом квадратичного детектора 8 сигналов.
Данное устройство может быть использовано для обнаружения у человека под одеждой оружия и взрывчатых веществ (ВВ).
Принцип работы предлагаемой установки заключается в том, что устройство содержит блок, излучающий сверхкороткие радиоимпульсы миллиметрового диапазона волн, принимающий и обрабатывающий в цифровом виде отраженные от человека сигналы в вычислительном блоке. В схеме устройства предусмотрены две ветви. По одной ветви схемы производится построение радиопортрета человека с размещенными на его теле предметами из различных материалов (металл, пластик, дерево), а по другой ветви схемы определяется наличие в каждом из предметов ВВ, если оно упаковано в радиопрозрачный материал.
Задача определения предметов, скрытых под одеждой человека, решается на принципах моноимпульсной радиолокации с использованием сверхширокополосных излучающих сигналов. Задача выявления предметов, содержащих ВВ, решается на принципах определения характерных составляющих вращательного спектра молекул ВВ в радиодиапазоне.
При функционировании данное устройство создает радиопортрет тела человека со скрытыми под одеждой предметами и определение содержания ВВ в этих предметах.
Это достигается тем, что проходящий досмотр человек задерживается в кабине 3 несколько (3-5) секунд и подвергается сканированию сверхкороткими импульсами миллиметрового диапазона волн и мощностью, допустимой санитарными нормами. Отраженные от человека импульсы поступают в приемник 13, преобразуются в цифровой вид и обрабатываются в вычислительном блоке 5 по времени запаздывания и по спектру. Вычислительный блок 5 определяет выступающие на поверхности тела предметы и их координаты. После этого те места, где обнаружены скрытые предметы, дополнительно облучаются гармоническим сигналом другого передатчика определенной частоты и мощности. Принимая отраженный сигнал и сравнивая его интенсивность с первоначально измеренной, определяется, содержат ли они ВВ. На экране монитора появляется радиопортрет тела человека со скрытыми под одеждой предметами, где оружие и взрывчатые вещества выделяются привлекающими внимание оператора сигналами.
Установка функционирует следующим образом.
Досмотр человека в проходной кабине 3 досмотра проводится в два этапа. Необходимо отметить, что проведение такого досмотра возможно только в радиодиапазоне. Ни лазерный, ни рентгеновский диапазон, ни тем более -излучение нельзя использовать для облучения человека по причине их вредного воздействия на здоровье человека.
На первом этапе производится построение радиопортрета тела человека методом моноимпульсной радиолокации сверхширокополосными излучающими сигналами, который описан в книге “Вопросы перспективной радиолокации”, под ред. А.В.Соколова, М., Радиотехника, 2003, стр.193, 194. Основную роль при этом играет генератор 6 радиоимпульсов, который формирует радиоимпульсы длительностью не менее 50 пикосекунд с заполнением несущей частотой, равной 37,5 ГГц. Такая длительность импульса позволит обеспечить разрешающую способность по дальности в 7,5 мм. Частота импульса наилучшим образом подходит для определения скрытых предметов, так как частоты ниже 20 ГГц отражаются одеждой, а выше 50 ГГц проникают сквозь кожу человека.
Антенна 1 имеет один вход (выход), который через систему деления сигналов соединен со всеми излучателями антенной решетки.
Мощность в импульсе не должна превышать 3 мВт, чтобы обеспечить допустимую санитарную норму. Антенна 1 формирует узкий луч шириной 0,8°, что позволяет сфокусировать на теле человека пятно размерами 1 на 1 см. Условно разбивая поверхность тела человека высотой 2 м и шириной (в плечах) 1 м, получаем 20000 точек площадью 1 см2, которые должны быть облучены для создания радиопортрета просвечиваемого человека.
На первом этапе процедуры досмотра человека (когда происходит построение радиопортрета) переключатели 7 и 12 одномоментно устанавливаются в положение “1” (см. фиг.1), а переключатель 11 поочередно устанавливается то в положение “1” (при излучении сигнала от генератора 6 радиоимпульсов), то в положение “2” (при приеме отраженного от объекта сигнала для широкополосного приемника 13 сигналов). Поворотное устройство 2 при своем вращении обеспечивает сканирование антенной 1 поверхности тела человека (по азимуту ±27°, по углу места ±45°). Отраженный от тела человека или от скрытых предметов сигнал принимается этой же антенной 1 и передается в широкополосный приемник 13 сигналов, имеющий рабочую полосу 20 ГГц. Сигналы последовательно считываются в точках при помощи коротких стробирующих импульсов. Последовательность считывания формируется путем автоматического сдвига во времени строб-импульса на временном интервале в пределах длительности информативного сигнала или в пределах его периода следования.
Длительность временного интервала, подаваемого шагом считывания, зависит от числа точек считывания. Очевидно, что длительность строб-импульса должна быть много меньше шага считывания.
Информативно сигнал и строб-импульсы подаются в смеситель, на выходе которого возникают импульсы напряжения, высота которых пропорциональна мгновенным значениям исследуемого сигнала в точках считывания. Огибающая этих импульсов повторяет форму исследуемого сигнала. Таким образом, исследуемый сигнал “растягивается” во времени в несколько раз и во столько же раз расширяется эквивалентная полоса пропускания приемника 13. Для обеспечения автоматического сдвига стробирующих импульсов их период следования должен отличаться от периода следования сигнала точно на шаг считывания. Считывание можно производить не в каждый период сигнала, а через определенное число периодов.
С выхода блока 13 сигналы поступают на квадратичный детектор 8 сигналов, где указанная выше полоса в 20 ГГц переносится в диапазон в 0-2 ГГц для осуществления квантования сигналов и представления их в цифровом виде.
Квадратичный детектор 8 может быть реализован с использованием известных технических решений, описанных в заявке на выдачу патента на изобретение 92015339, кл. G01R 23/16, 1996 (автор М.Л.Гурари), а также в патентах РФ 2007733, 2020493, кл. G01R 23/16, 1994.
После этого блока предварительно обработанные сигналы поступают в аналого-цифровой преобразователь 9, а оттуда – на входы блока 10 цифровой обработки сигналов, функционирование которого приводит к формированию массивов дальностей и амплитуд сигналов, отраженных от каждого участка объекта – тела человека.
При этом блок 10 преобразует сигнал в цифровую форму для последующего его измерения таким образом, как это описывается в книге В.И.Дикарев, В.А.Заренков, Д.В.Заренков. Методы и средства обнаружения объектов в управляющих средах. СПб., 2004, стр.207-213.
С выходов блока 10 обработанные сигналы поступают в вычислительный блок 5, в котором, используя преобразование Радона, вычисляются и определяются элементы и участки радиопортрета тела человека.
При этом блок 5 осуществляет восстановление внутренней структуры исследуемого объекта по результатам многолучевого просвечивания, как это может быть реализовано с помощью алгоритма восстановления внутренней структуры объектов с помощью многолучевого просвечивания (см. журнал ТИИЭР, т.66, №5, стр.27-40, 1978).
После этого полученная информация поступает на системный блок 17 компьютера 16, затем на вход монитора 18.
Все предметы, скрытые на его теле, рельефно отображаются на экране монитора 18 с определением материала, из которого состоит этот предмет. Системный блок 17 может быть реализован на основе известного устройства, описанного в патенте РФ 2192663, кл. G01F 1/16, 2002.
На втором этапе досмотра производится определение наличия ВВ в обнаруженных на первом этапе предметах.
Для этого вращением поворотного устройства 2, связанного с антенной 1, устанавливают антенну 1 таким образом, чтобы на каждый из выложенных предметов (координаты их определены на первом этапе) был направлен радиолуч, который облучает их радиоимпульсами, формируемыми генератором 19 радиоимпульсов. Далее отраженный от исследуемого предмета сигнал проходит через полосовой фильтр 14 и попадает на вход порогового устройства 15, которое функционирует в режиме сравнения прошедших сигналов по амплитуде (сравнение с пороговой амплитудой). Если этот предмет содержит ВВ, то на экране монитора это немедленно отражается привлекающими внимание оператора цветовыми или звуковыми сигналами.
После выхода человека из кабины 3 досмотра металлические предметы оператор требует выложить и показать для более детального досмотра.
Определение ВВ основывается на радиоспектральном методе, применяемом в квантовой электронике и молекулярной физике (см. книгу “Физическая химия”, под ред. К.С.Краснова, М., Высшая школа, 2001, стр.142-145).
При облучении электромагнитным полем химического вещества, молекулы которого имеют дипольный момент (полярность), происходит поглощение квантов энергии поля молекулами вещества, что приводит к переходу этих молекул с одного квантового энергетического уровня на более высокий (как правило, на следующий). ВВ по структуре кристаллической решетки относятся к типу молекулярно-кристаллических, в которых молекулы имеют связи Ван-дер-Ваальса (достаточно слабые) и могут совершать вращательные движения. Переход с одного энергетического уровня на другой (изменяется энергия вращения молекулы) происходит на определенных частотах внешнего э/м поля, которые составляют вращательный спектр молекулы. Спектральные линии очень узкие, и если не знать точное значение частоты, то определить поглощение достаточно сложно. Определяя долю поглощенной молекулами вещества энергии на определенной частоте (заранее рассчитанной), можно идентифицировать данное вещество.
Практически все ВВ содержат в молекулах, по крайней мере, два радикала двуокиси азота (NO2). По типу молекулы этот радикал является “симметричным волчком”, а значит, имеет дипольный момент. Для диапазона частот, в котором работает описанный выше радиолокатор, наилучшим образом подходит частота fпогл, примерно равная 40 ГГц, на которой совершается квантовый переход (с поглощением энергии) радикала NO2 с 1-го на 2-й энергетический уровень. Концентрация молекул ВВ на 1-м уровне даже при небольших отрицательных температурах достаточно высока.
С этой целью в структурную схему установки включается генератор 19, формирующий радиоимпульс с заполнением fпогл=40 ГГц длительностью 0,1 мксек (примерное время нахождения молекулы двуокиси азота в возбужденном состоянии на 2-м квантовом уровне; далее начинается обратный переход с излучением на той же частоте, что значительно снизит чувствительность измерений). Спектр такого импульса составляет по ширине не менее 6 МГц. Мощность в импульсе можно создать максимальной (до 200 Вт), так как теперь уже будет облучаться конкретный предмет, который предохранит тело человека от воздействия СВЧ-излучения.
На втором этапе (определение ВВ в обнаруженных предметах) переключатели 7 и 12 одновременно устанавливаются в положение “2”, а переключатель 11 поочередно устанавливается то в положение “1” (при излучении сигнала от генератора 19 радиоимпульсов), то в положение “2” (при приеме отраженного от объекта сигнала для полосового фильтра 14).
Отраженный от предмета сигнал поступает на полосовой фильтр 14 и далее на пороговое устройство 15, которое выделяет сигналы с амплитудой больше заданной. Прошедший данное пороговое устройство 15 радиосигнал гарантированно свидетельствует о наличии ВВ в исследуемых предметах.
Использование данного изобретения в практической деятельности позволяет осуществить увеличение производительности и упрощение процедуры досмотра контролируемых объектов и повышение безопасности персонала за счет использования радиоимпульсов миллиметрового диапазона электромагнитных волн.
Формула изобретения
1. Установка для обнаружения неразрешенных предметов и веществ в контролируемых объектах, содержащая антенну для сканирования объекта, вычислительный блок, выполненный с возможностью построения радиопортрета объекта, генератор радиоимпульсов, связанный первым выходом с первым входом первого переключателя, а вторым выходом с первым входом, по меньшей мере, одного квадратичного детектора сигналов, который выходом подключен ко входу, по меньшей мере, одного аналого-цифрового преобразователя, соединенного выходами через, по меньшей мере, один блок цифровой обработки, формирующий массив дальностей и амплитуд сигналов, отраженных от каждого участка контролируемого объекта, с первыми информационными входами вычислительного блока, выход первого переключателя соединен с первым выводом второго переключателя, подключенного вторым выводом к выводу антенны, а третьим выводом ко входу третьего переключателя, соединенного первым и вторым выходами соответственно со входами широкополосного приемника сигналов и, по меньшей мере, одного полосового фильтра, подключенного выходом к входу порогового устройства, которое выходами соединено со вторыми информационными входами вычислительного блока, при этом информационные выводы указанного вычислительного блока связаны с, по меньшей мере, одним монитором компьютера для рельефного отображения радиопортрета контролируемого объекта и содержащихся в нем скрытых предметов, управляющий выход указанного вычислительного блока соединен с управляющим входом второго генератора радиоимпульсов, подключенного выходом ко второму входу первого переключателя, причем выход широкополосного приемника сигналов связан со вторым входом, по меньшей мере, одного квадратичного детектора сигналов.
2. Установка по п.1, отличающаяся тем, что антенна выполнена в виде двумерной антенной решетки, кинематически соединенной с поворотным устройством и направленной на, по меньшей мере, одну кабину досмотра контролируемых объектов, а поворотное устройство соединено с выводами блока формирования управляющих сигналов.
3. Установка по п.1, отличающаяся тем, что первый генератор радиоимпульсов выполнен с возможностью формирования радиоимпульсов длительностью не менее 50 пикосекунд с заполнением несущей частотой, имеющей величину в диапазоне значений от 20 ГГц до 50 ГГц.
4. Установка по п.1, отличающаяся тем, что второй генератор радиоимпульсов выполнен с возможностью формирования радиоимпульсов с заполнением несущей частотой, равной 40 ГГц, и длительностью 0,1 микросекунд.
5. Установка по п.1, отличающаяся тем, что антенна выполнена с возможностью сканирования контролируемого объекта сверхкороткими импульсами миллиметрового диапазона волн с мощностью, допустимой санитарными нормами.
6. Установка по п.1, отличающаяся тем, что вычислительный блок выполнен с возможностью применения в вычислениях, по меньшей мере, одного преобразования Радона.
7. Установка по п.1, отличающаяся тем, что широкополосный приемник выполнен с полосой пропускания, равной 20 ГГц.
8. Установка по п.1, отличающаяся тем, что квадратичный детектор сигналов выполнен с возможностью функционирования в диапазоне частот от 0 до 2 ГГц.
9. Установка по п.1, отличающаяся тем, что, по меньшей мере, один монитор компьютера выполнен с возможностью отображения на экране привлекающих внимание оператора цветовых и/или звуковых сигналов, в случае обнаружения, в качестве неразрешенных предметов и веществ.
РИСУНКИ
|
|