|
|
(21), (22) Заявка: 2005131619/06, 11.03.2004
(24) Дата начала отсчета срока действия патента:
11.03.2004
(30) Конвенционный приоритет:
13.03.2003 FR 03 03141
(43) Дата публикации заявки: 20.03.2006
(46) Опубликовано: 27.10.2007
(56) Список документов, цитированных в отчете о поиске:
US 5561359 А, 14.03.1996. SU 296933 A1, 02.03.1971. FR 2825995 A1, 20.12.2002. FR 2132571 А, 24.11.1972. SU 1620660 A1, 15.01.1991.
(85) Дата перевода заявки PCT на национальную фазу:
13.10.2005
(86) Заявка PCT:
FR 2004/000600 (11.03.2004)
(87) Публикация PCT:
WO 2004/083729 (30.09.2004)
Адрес для переписки:
129010, Москва, ул. Б.Спасская, 25, стр.3, ООО “Юридическая фирма Городисский и Партнеры”, пат.пов. Г.Б. Егоровой, рег.№ 513
|
(72) Автор(ы):
МИНККИНЕН Ари (FR), ЛЕБА Этьенн (FR), РОЖЕЙ Александр (FR)
(73) Патентообладатель(и):
ЭНСТИТЮ ФРАНСЭ ДЮ ПЕТРОЛЬ (FR)
|
(54) СПОСОБ И УСТРОЙСТВО ДЛЯ СОВМЕСТНОГО ПРОИЗВОДСТВА ТЕПЛОВОЙ И ЭЛЕКТРИЧЕСКОЙ ЭНЕРГИИ ГАЗОВОЙ ТУРБИНОЙ С КАМЕРОЙ ДОЖИГАНИЯ
(57) Реферат:
Способ совместного производства тепловой и электрической энергии турбиной, а именно газовой турбиной, содержащей секцию сжатия, по меньшей мере, одну секцию расширения и камеру сгорания, осуществляют путем сжатия окислителя, содержащего кислород, в секции сжатия. В камере сгорания проводят один этап сжигания под давлением смеси сжатого окислителя с горючим. Затем используют, по меньшей мере, часть горячих газов, полученных сжиганием под давлением, для осуществления обмена с внешней установкой. При этом проводят, по меньшей мере, один этап дожигания смеси горячих газов, полученных в результате сжигания с горючим, перед осуществлением обмена и, по меньшей мере, один другой этап дожигания смеси горячих газов, полученных после обмена, с горючим для получения горячих газов, подаваемых в секцию расширения. Изобретение позволяет поддерживать мощность, генерируемую газовой турбиной, постоянной, а температуру горячих топочных газов на входе в расширительную турбину, близкой к начальной температуре на входе в отсутствие теплообмена. 2 н. и 11 з.п. ф-лы, 6 ил.
Настоящее изобретение относится к способу и устройству для совместного производства работы и теплоты.
В частности, оно относится к способу совместного производства тепловой и электрической энергии, осуществляемому с помощью турбины, а именно газовой турбины.
Более точно, способ состоит в использовании горячих топочных газов газовой турбиной для теплообмена с промышленной установкой для проведения, например, эндотермической реакции.
Предшествующие способы совместного производства тепловой и электрической энергии состоят в использовании горячих топочных газов, выходящих из турбины, которые обычно находятся под давлением, близким к атмосферному давлению, чтобы генерировать, например, пар под давлением благодаря теплообмену, осуществляемому в теплообменнике, через который проходят эти горячие газы и протекает жидкость, например вода. Эти системы могут питать систему распределения пара, которая может питать различные промышленные установки, такие как установку нагрева кипятильников ректификационных колонн.
Недостаток такого способа состоит в том, что температура горячих газов недостаточна для нагрева промышленных установок, работающих при относительно повышенных температурах, например выше 500°С.
Кроме того, прямое использование горячих газов, выходящих из газовой турбины, затруднительно из-за того, что потери давления на выходе из газовой турбины должны оставаться очень малыми, при условии, что эти газы выходят при давлении, близком к атмосферному, и что полная потеря давления, даже относительно малая, существенно нарушает режим работы газовой турбины.
Предлагалось также применять такие горячие топочные газы, как показано заявителем, например, в заявке на французский патент №2825995 или в заявке на французский патент №2675498, для обеспечения конверсии газового сырья, но недостаток состоит в том, что когда горячие газы подводят к турбине после теплообмена, они теряют тепло и являются заметно остывшими. В этих условиях механическая мощность, произведенная турбиной, заметно меньше. Кроме того, начальные размеры турбины, а также лопаток, расположенных на расширительной турбине, не подходят к новым условиям впуска подводимых горячих газов под давлением.
Таким образом, в настоящем изобретении предлагается устранить отмеченные выше недостатки благодаря способу и устройству, позволяющему поддерживать мощность, генерируемую газовой турбиной, постоянной, а температуру горячих топочных газов на входе в расширительную турбину, почти близкой к начальной температуре на входе в отсутствие теплообмена.
Для этого настоящее изобретение относится к способу совместного производства теплоты и энергии турбиной, в частности газовой турбиной, содержащей секцию сжатия, по меньшей мере, одну секцию расширения и камеру сгорания, согласно которому:
(a) сжимают окислитель, содержащий кислород, в секции сжатия;
(b) проводят в камере сгорания этап сжигания под давлением смеси сжатого окислителя и горючего;
(c) используют, по меньшей мере, часть горячих газов, полученных при сжигании под давлением, для осуществления обмена с внешней установкой, отличающемуся тем, что
(d) проводят, по меньшей мере, один этап дожигания смеси горячих газов, полученных в результате сжигания с горючим, до проведения обмена, и по меньшей мере, один другой этап дожигания смеси горячих газов, полученных после обмена, с горючим для получения горячих газов, подаваемых в секцию расширения.
Другой этап дожигания может быть проведен путем подачи горючего, количество которого подобрано таким образом, чтобы получить температуру горячих газов на входе секции расширения, близкую к начальной температуре ввода или подачи в отсутствие обмена.
Можно также осуществлять этап дожигания путем ввода горячих газов, количество которых подобрано таким образом, чтобы получить температуру горячих газов на входе секции расширения, почти близкую к начальной температуре ввода в отсутствие обмена.
Операция получения пара или операция конверсии сырья может быть проведена путем обмена с внешней установкой.
Изобретение относится также к устройству для совместного производства тепловой и электрической энергии турбиной, а именно газовой турбиной, содержащей одну секцию сжатия, по меньшей мере, одну секцию расширения, камеру сгорания и устройство обмена между горячими газами, выходящими со стадии сжигания, и нагреваемой жидкостью, отличающемуся тем, что устройство содержит, по меньшей мере, одну камеру дожигания, питаемую горячими газами, выходящими из устройства обмена, и, по меньшей мере, еще одну камеру дожигания, питаемую горячими газами, выходящими из устройства обмена.
Устройство может также включать в себя короткозамкнутую линию, позволяющую регулировать температуру горячих газов на выходе из камеры сгорания и/или камеры дожигания.
Устройство обмена может содержать теплообменник и/или реактор.
Устройство может содержать первую секцию расширения и вторую секцию расширения и линию горячих газов, соединяющую первую секцию со второй.
Другие преимущества и характеристики изобретения обнаружатся после чтения нижеследующего описания, данного исключительно с целью иллюстрации, а не ограничения, к которому приложены чертежи, на которых:
Фиг.1 иллюстрирует пример конфигурации устройства согласно изобретению;
Фиг.2 – первый вариант устройства, показанного на фигуре 1;
Фиг.3 – вариант устройства согласно фигуре 2;
Фиг.4 – схему размещения устройства согласно изобретению в установке конверсии сырья;
Фиг.5 – другой вариант конфигурации устройства согласно фигуре 1; и
Фиг.6 – вариант конфигурации устройства согласно изобретению.
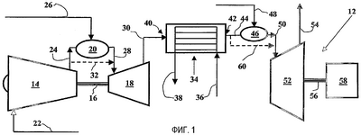
Пример, представленный на фигуре 1 показывает устройство с особым типом газовой турбины, называемым двухосевой турбиной.
В этой конфигурации газовая турбина содержит одну камеру расширения-сжатия 10, в которой на первом этапе расширения обеспечивают сжатие первичного воздуха, и расширительную камеру 12, реализующую второй этап расширения, позволяющий генерировать механическую и/или электрическую мощность.
Камера расширения-сжатия 10 содержит компрессор 14, соединенный через вал 16 с первой секцией расширения с расширительной турбиной 18 и камерой сгорания 20. Флюид, содержащий кислород, обычно наружный воздух, впускается по линии 22 в компрессор 14, оттуда он снова выводится в сжатом состоянии по линии 24. Камера сгорания 20 снабжается горючим, таким как природный газ, через линию 26 и окислителем, который в настоящем случае является, полностью или частично, сжатым воздухом, переносимым по линии 24. Горячие газы, образованные от сжигания смеси горючего со сжатым воздухом в камере сгорания 20, направляются по линии 28 в расширительную турбину 18, где они расширяются, а затем отводятся по линии 30. В примере, показанном на фигуре 1, часть сжатого воздуха, выходящего из компрессора, проводится в камеру сгорания 20 по линии 24, а оставшаяся часть направляется сразу к линии горячих газов 28 по короткозамкнутой линии 32, работа которой будет раскрыта ниже.
Устройство содержит также устройство обмена, в частности теплообменник 34, например трубчатый теплообменник с паровой камерой, через который протекает нагреваемый флюид, который входит по линии впуска 36 и снова выходит из этого теплообменника по выпускной линии 38. Теплообменник включает в себя подвод 40 горячих топочных газов, проводимых по линии 30. Эти горячие газы проходят через теплообменник 34, чтобы передать свое тепло нагреваемому флюиду. По завершении теплообмена горячие газы выводятся из теплообменника по отводу 42, связанному линией 44 с камерой дожигания 46, которая снабжается горючим по линии 48, причем это горючее может быть тем же, которое питает камеру сгорания 20. Камера дожигания 46 будет в дальнейшем называться нижней камерой дожигания, так как она расположена ниже устройства обмена 34, с точки зрения циркуляции горячих газов, выходящих из камеры сгорания 20. Горячие газы, полученные в результате дожигания смеси горючего и горячих топочных газов с линии 44, направляются по линии 50 на вторую секцию расширения с расширительной турбиной 52, которая включает в себя расширительную ячейку 12, откуда они снова выходят после расширения по линии 54. Эта турбина соединена через вал 56 с каким-либо устройством, производящим механическую и/или электрическую энергию, таким, например, как генератор 58 переменного тока. Как показано на фигуре 1, горячие газы, выходящие из теплообменника 34, частично проводятся по линии 44 в камеру дожигания 46, а оставшаяся часть этих газов направляется непосредственно к линии 50 отвода горячих газов дожигания по короткозамкнутой линии 60, работа которой станет ясна из дальнейшего описания.
Указанная установка работает следующим образом.
Воздух, введенный по линии 22, сжимается в компрессоре 14, откуда он выходит в сжатом состоянии по линии 24. Часть этого сжатого воздуха проводится в камеру сгорания 20, в которой он смешивается с горючим, поступающим по линии 26. В результате сжигания в камере сгорания образуются горячие топочные газы, которые смешиваются на выходе из этой камеры сгорания 20 со сжатым воздухом, вышедшим из компрессора, который не был проведен в камеру сгорания и который поступил по короткозамкнутой линии 32. Это позволяет довести температуру горячих газов, полученных при сжигании, до уровня, сравнимого с температурой, требуемой на входе первой расширительной турбины 18, например между 1000 и 1300°С.
Горячие газы, выходящие из турбины 18 по линии 30, при температуре, близкой к 650°С, направляются затем в теплообменник 34, в котором они охлаждаются, нагревая наружный флюид, например воду, который входит в теплообменник по линии 36 и снова выходит по линии 38 в требуемом состоянии, например в виде водяного пара. Эти горячие газы находятся под давлением, например при давлении, близком к 4 бар.
В этих условиях обычно возможно провести теплообмен в значительно меньшем объеме по сравнению с объемом, который необходим, когда использованные горячие газы поступают с конечного расширения до давления, близкого к атмосферному. Действительно, при той же скорости прохождения объем отделения, которое должно быть занято горячими газами, приблизительно обратно пропорционален давлению. Поскольку допустимая потеря давления будет существенно большей, скорость прохождения может быть увеличена, что позволит еще существенней уменьшить объем секции прохождения и увеличить коэффициент теплопередачи.
На выходе из теплообменника 34 горячие газы находятся при температуре, заметно меньшей температуры на входе, причем отличие от температуры на входе 40 составляет, например, более 100°С. Затем эти горячие газы проводятся в нижнюю камеру дожигания 46. При условии, что количество воздуха, входящего в компрессор 14 по линии 22, намного выше стехиометрического количества воздуха, необходимого для сжигания горючего, поступающего по линии 48, можно провести дожигание в камере 46, используя в качестве окислителя часть горячих газов, выходящих из теплообменника 34, причем оставшаяся часть проходит по короткозамкнутой линии 60, чтобы довести температуру смеси горячих газов, полученных при дожигании, до уровня, сравнимого с температурой, требуемой на входе второй расширительной турбины 52. Количество горючего, используемого для осуществления этого дожигания и поступающего по линии 48, также подбирается в комбинации с количеством горячих газов, циркулирующих в короткозамкнутой линии 60, так чтобы на входе второй расширительной турбины 52 получить температуру, близкую к температуре, требуемой в отсутствие обмена, проводимого в теплообменнике 34, которая составляет, например, от 1000 до 1300°С. Полученные таким образом горячие газы дожигания расширяются в расширительной турбине 52, производя механическую мощность, близкую к той, которая получается в отсутствие обмена, проводимого в теплообменнике 34. Эту механическую мощность используют в описанном примере для приведения в действие генератора 58 переменного тока.
После расширения горячие газы отводятся при давлении, близком к атмосферному давлению, по линии 54.
На фигуре 2 показан вариант осуществления согласно фигуре 1, поэтому он имеет одни и те же обозначения.
В этом варианте, когда необходимо доставить тепло в теплообменник 34 при относительно повышенной температуре, также возможно реализовать два этапа дожигания.
Более конкретно, предусматривается провести один этап дожигания перед этапом, проводимым в камере дожигания 46, как было описано ранее.
Этот предварительный этап проводится в камере дожигания 62, которая позволяет нагреть горячие газы, выходящие из первой расширительной турбины 18, до того, как они поступят в теплообменник 34. Эта камера дожигания называется верхней камерой дожигания, так как она расположена выше устройства обмена 34 с точки зрения циркуляции горячих газов, поступающих из камеры сгорания 20.
Чтобы осуществить это дожигание, верхняя камера дожигания снабжается горючим, таким как природный газ, по линии 64 и горячими газами по линии 30, соединяющей расширительную турбину 18 с этой камерой. Горячие газы, выходящие из камеры дожигания 62, направляются по линии 66 на вход 40 теплообменника 34. Как уже было указано в отношении камер 20 и 46, предусмотрена короткозамкнутая линия 68, роль которой идентична роли короткозамкнутых линий 32 и 60.
Таким образом, проведен первый этап дожигания в камере сгорания 62 с сжиганием горючего, поступающего по линии 64, и части горячих газов, выходящих из расширительной турбины 18 по линии 30, причем оставшаяся часть горячих газов проходит по короткозамкнутой линии 68 для проведения регулирования температуры горячих газов, выходящих из этой камеры, до того, как они поступят в теплообменник 34. Второй этап дожигания проводится в камере дожигания 46 с горячими газами, выходящими из теплообменника 34, и горючим, поступающим по линии 48, количество которого подбирается таким образом, чтобы получить температуру, требуемую на входе расширительной турбины 52.
Пример компоновки, представленный на фигуре 2, позволяющий получить относительно высокую температуру, особенно хорошо адаптирован для осуществления нагрева эндотермической реакции, такой, например, как реакция паровой конверсии для получения водорода из сырья на основе газа, в частности природного газа.
Это позволяет генерировать механическую или электрическую мощность, производя тепло для осуществления этой эндотермической реакции. Если диоксид углерода, который получается в смеси с водородом, отделяют и удаляют, потом можно использовать, по меньшей мере, часть водорода, полученного таким образом, для осуществления сжигания и/или дожигания, не выпуская диоксид углерода.
Такая эндотермическая реакция может также применяться и на другом сырье, таком как нефтяные фракции, спирты, как метанол, или при желании с каким-либо другим сырьем.
Такой случай применения проиллюстрирован на фиг.3 схемой установки для реакции конверсии водяного пара для получения водорода из сырья на основе газа. Эта установка содержит устройство, которое имеет в основном те же элементы, что и установка по фигуре 2, и поэтому имеет те же обозначения.
В этой установке устройство обмена является реактором 70 типа реактор-теплообменник, который включает в себя линию 72 для подвода газа, предпочтительно природного газа, и линию 74 для подвода флюида, в частности водяного пара. Эти два флюида смешиваются на стыке двух линий и проводятся по линии 76 на вход реактора. Полученный синтез-газ выводится по линии 78, по которой он проводится на какое-либо известное устройство обработки. Этот реактор содержит также впуск 80 горячих газов, подводимых из верхней камеры дожигания 62 по линии 66 и отвод 82 горячих газов к нижней камере дожигания 46 по линии 44.
При работе установки природный газ поступает по линии 72. Его предварительно нагревают в теплообменнике (не показан). Водяной пар поступает по линии 74 и смешивается с природным газом в точке соединения этих двух линий. Мольное отношение количества воды, введенной по линии 74, к количеству природного газа, введенного по линии 72, составляет от 2 до 4. Полученная смесь вводится по линии 76 в реактор 70. Эндотермическая реакция конверсии, которая осуществляется в реакторе 70, позволяет получить смесь оксида углерода СО и водород H2. Газовая смесь действует в трубах, в присутствии катализатора, который может быть, например, катализатором на основе либо никеля, нанесенного на алюмосиликат кальция или магния, легированного гидроксидом калия, либо никеля на подложке окиси алюминия. Температура, достигнутая на выходе из зоны реакции, составляет от 850 до 940°С. Реакция проводится при давлении, составляющем от 20 до 40 бар. Нагрев реактора обеспечивается горячими газами, поступающими по линии 66, при давлении, например, близком к 4 бар, циркулирующими в паровой камере, в целом в противотоке. Можно также осуществлять нагрев прямоточно, чтобы ограничить температуру стенок труб. Полученную смесь оксида углерода и водорода отводят по линии 78.
Чтобы увеличить производство водорода, можно в таком случае провести второй этап конверсии в присутствии водяного пара. На выходе второго этапа конверсии диоксид углерода может быть отделен различными способами, известными специалисту в данной области техники, например промывкой с помощью растворителя. Полученный водород может затем очищаться путем адсорбции или с помощью мембран, путем отделения непрореагировавших углеводородов, которые могут возвращаться ко входу природного газа.
Полученный таким образом водород может применяться, по меньшей мере, частично, для питания газовой турбины в качестве горючего и производства электричества генератором переменного тока со значительным снижением выделения диоксида углерода.
Вместо воздуха в качестве окислителя в линии 22 можно также применять смесь кислорода и возвращенного диоксида углерода. Если горючее является углеводородом, например природным газом, это позволит получить отходящие газы, обогащенные диоксидом углерода, и таким образом даст возможность легко разделить диоксид углерода.
Описанный выше способ включает в себя следующие этапы:
(a) сжатие окислителя, содержащего кислород, в секции сжатия 14 турбины;
(b) сжигание под давлением смеси горючего и сжатого окислителя;
(c) использование, по меньшей мере, части горячих газов, полученных сжиганием под давлением, для проведения обмена с внешней установкой 34 или 70;
(d) проведение одного этапа дожигания смеси горячих газов, поступивших после сжигания с горючим, до проведения обмена и, по меньшей мере, один другой этап дожигания смеси горячих газов, поступивших после обмена, с горючим для получения горячих газов, направляемых на секцию расширения 52.
Благодаря этому горячие газы, которые проводятся на турбину 52, находятся в режимах температуры и давления, близких к условиям, реализуемым в отсутствие этапа (с).
Таким образом, способ позволяет использовать горячие газы под давлением, образованные в процессе получения механической энергии, с сохранением характеристик газовой турбины. Кроме того, можно поддерживать почти постоянной мощность, генерированную газовой турбиной. К тому же, с целью минимизировать потерю давления между входом и выходом устройства обмена можно предусмотреть размещение на выходе этого устройства обмена устройства увеличения давления, например вспомогательный компрессор.
Данный способ можно применять вместе с установкой конверсии, показанной в качестве примера на схеме фигуры 4.
В этом примере турбина является газовой турбиной типа GE Frame 7, если применять терминологию производителя – General Electric. Такая машина способна производить механическую мощность, доходящую до 80 МВт в изо-условиях. Аксиальный компрессор 14 всасывает по линии 22 около 958 т/ч окружающего воздуха, сжатого до давления около 18 бар. Сжатый таким образом воздух, циркулирующий в линии 24, смешивается в камере сгорания 20 с примерно 7 т/ч горючего, обогащенного водородом, поступающего по линии 26, и полученная смесь сжигается в камере сгорания 20. На выходе из камеры сгорания 20 получают смесь горячих газов при температуре около 1200°С. Затем горячие газы транспортируются по линии 28 в первую расширительную турбину 18, откуда они снова выводятся по линии 30 при давлении около 4 бар и температуре около 750°С. Затем в верхней камере дожигания 62 они смешиваются с дополнительным количеством, примерно 4 т/ч, горючего, обогащенного водородом, поступающим по линии 64. Таким образом, на выходе из камеры дожигания 62 получают смесь горячих газов при температуре около 1150°С, которые используются по линии 66, для нагрева реактора 70, типа реактора-теплообменника. После обмена горячие газы, выходящие из реактора-теплообменника 70 по линии 44, смешиваются в нижней камере дожигания 46 с третьей фракцией горючего, представляющего собой около 1 т/ч горючего, обогащенного водородом, поступающего по линии 48. На выходе из нижней камеры дожигания 46 горячие газы, циркулирующие в линии 50, снова имеют температуру около 750°С. Затем они расширяются во второй расширительной турбине 52, откуда они выходят по линии 54 при давлении около 1,3 бар и температуре около 565°С. Мощность, генерируемая в расширительной турбине, равна 55 МВт.
Горючее, обогащенное водородом, производится конверсией около 50 т/ч природного газа, поступающего по линии 72, в присутствии около 170 т/ч водяного пара, поступающего по линии 74. Этот водяной пар производится в котле-утилизаторе 84 путем рекуперации тепла горячими газами, выходящими из второй расширительной турбины 52 по линии 54. Водяной пар производится из деминерализованной воды, поступающей по линии 86 и рециркулирующей в контуре обмена 88.
После выхода из реактора-теплообменника 70 полученный синтез-газ, циркулирующий в линии 78, проходит на второй этап конверсии, называемой специалистами в данной области “гидрированием окиси углерода”, на которой он реагирует в присутствии водяного пара, чтобы получить дополнительное количество водорода, превращая часть полученного СО в диоксид углерода. Для этого по линии 90 вводят воду при расходе 56 т/ч, которая расходуется в реакции гидрирования окиси углерода в реакторе 92. Реакция гидрирования окиси углерода должна проводиться при температуре ниже той, которая требуется для проведения основной реакции конверсии. Температура поддерживается на уровне около 400°С, производя 46 т/ч водяного пара.
Пар, произведенный в контуре рекуперации 88, составляет 164 т/ч, из которого 124 т/ч используется для получения синтез-газа. Расход в 40 т/ч, не используемый для производства синтез-газа, может или выводиться, или использоваться в цикле конденсации.
Синтез-газ, выходящий из реактора 92 по линии 94, проводится затем в секцию мытья и очистки водорода (не показана).
Таким образом, получают 25 т/ч чистого водорода, часть которого может быть использована непосредственно для питания газовой турбины, а также на этапах дожигания. Другая часть может подвергаться дополнительной очистке в установке, которая является, например, установкой очистки адсорбцией типа PSA.
Согласно фигуре 5, которая является вариантом фигуры 3 и на которой горячие газы, полученные в результате сжигания в камере сгорания 20, выводят по линии 96 непосредственно на вход 80 реактора 70 при давлении, которое может составлять, например, от 10 до 40 бар. В этом благоприятном случае можно проводить реакцию, которая осуществляется в реакторе 70 при давлении по меньшей мере немного выше этого, чтобы избежать риска прохождения газа, содержащего кислород, к реагентам. Горячие газы, выходящие из реактора 70 по линии 44, направляются затем в нижнюю камеру дожигания 46. Количество горючего, подаваемого по линии 48, подбирается так, чтобы получить на входе в первую расширительную турбину 18 горячие газы, проходящие по линии 98, связывающей нижнюю камеру дожигания и первую расширительную турбину 18, при температуре, требующейся для получения механической мощности, близкой к максимальной мощности, которая может быть выработана турбиной. Горячие газы, выходящие из расширительной турбины 18, проводятся затем по линии 100 на вторую расширительную турбину 52, приводящую в движение генератор переменного тока 58.
Пример конфигурации, представленный на предшествующих фигурах, применяется также в случае турбины с одним валом, как это схематически показано на фигуре 6.
В этом случае единственная турбина 102 связана одним и тем же валом 16 с одной стороны с компрессором 14 и с другой стороны с генератором 58 переменного тока.
В этом варианте, повторяющем в качестве примера конфигурацию фигуры 5, горячие газы, выходящие из нижней камеры сгорания 46, проводятся по линии 98 на расширительную турбину 102, которая задействует не только компрессор 14, но также и генератор 58 переменного тока.
Принцип, на котором основан способ согласно изобретению, можно применять также в случае, когда производят не только теплообмен в устройстве обмена, но также массообмен между двумя газовыми потоками, циркулирующими в устройстве обмена, таком как реактор-теплообменник.
Первый возможный случай применения относится к переносу кислорода. В таком случае реактор-теплообменник может быть выполнен с применением труб из керамического материала, избирательно проницаемых для кислорода. Для этого можно применять, в частности, керамику типа перовскита, в которой могут перемещаться ионы кислорода. Такая компоновка может быть выгодной для получения синтез-газа из относительно тяжелого углеводородного сырья или для получения смеси СО и водорода, содержащей адекватную долю СО, например, для питания реакции синтеза Фишера-Тропша.
Второй возможный случай относится к переносу водорода. В этом случае реактор-теплообменник может быть выполнен с применением труб, избирательно проницаемых для водорода, например труб, содержащих слой, селективный по палладию.
Это позволяет облегчить протекание реакции и увеличить степень конверсии по водороду.
Таким образом, водород может быть отделен и смешан с окислителем с целью проведения этапа дожигания.
Формула изобретения
1. Способ совместного производства тепловой и электрической энергии турбиной, а именно газовой турбиной, содержащей секцию сжатия (14), по меньшей мере, одну секцию расширения (18, 52) и камеру сгорания (20), согласно которому осуществляют (а) сжатие окислителя, содержащего кислород, в секции сжатия (14); (b) проводят в камере сгорания (20) один этап сжигания под давлением смеси сжатого окислителя с горючим; (с) используют, по меньшей мере, часть горячих газов, полученных сжиганием под давлением, для осуществления обмена с внешней установкой (34, 70), отличающийся тем, что (d) проводят, по меньшей мере, один этап дожигания смеси горячих газов, полученных в результате сжигания с горючим, перед осуществлением обмена и, по меньшей мере, один другой этап дожигания смеси горячих газов, полученных после обмена, с горючим для получения горячих газов, подаваемых в секцию расширения (18, 52).
2. Способ по п.1, отличающийся тем, что проводят другой этап дожигания путем подачи горючего, количество которого подобрано таким образом, чтобы получить температуру горячих газов на входе секции расширения (18, 52), близкую к начальной температуре подачи в отсутствия обмена.
3. Способ по п.1, отличающийся тем, что проводят другой этап дожигания путем подачи горячих газов, количество которых подобрано таким образом, чтобы получить температуру горячих газов на входе секции расширения (18, 52), близкую к начальной температуре ввода в отсутствия обмена.
4. Способ по п.2, отличающийся тем, что проводят другой этап дожигания путем подачи горячих газов, количество которых подобрано таким образом, чтобы получить температуру горячих газов на входе секции расширения (18б 52), близкую к начальной температуре ввода в отсутствии обмена.
5. Способ по одному из пп.1-4, отличающийся тем, что операцию получения пара проводят путем обмена с внешней установкой (34).
6. Способ по одному из пп.1-4, отличающийся тем, что операцию конверсии сырья проводят путем обмена с внешней установкой (70).
7. Устройство совместного производства тепловой и электрической энергии турбиной, в частности, газовой турбиной, содержащей секцию сжатия (14), по меньшей мере, одну секцию расширения (18, 52, 102), камеру сгорания (20) и устройство обмена (34, 70) между горячими газами, вышедшими со сжигания, и нагреваемым флюидом, отличающееся тем, что содержит, по меньшей мере, одну камеру дожигания (62), питаемую горячими газами устройства обмена (34, 70), и, по меньшей мере, одну другую камеру дожигания (46), питаемую горячими газами, вышедшими из устройства обмена.
8. Устройство по п.7, отличающееся тем, что содержит короткозамкнутую линию (32, 60), позволяющую регулировать температуру горячих газов на выходе из камеры сгорания (20) и/или камеры дожигания (46, 62).
9. Устройство по п.7, отличающееся тем, что средство обмена содержит теплообменник (34).
10. Устройство по п.8, отличающееся тем, что средство обмена содержит теплообменник (34).
11. Устройство по одному из пп.7-10, отличающееся тем, что средство обмена содержит реактор (70).
12. Устройство по одному из пп.7-10, содержащее первую секцию расширения (52) и вторую секцию расширения (52), отличающееся тем, что оно содержит линию горячих газов (100), соединяющую первую секцию (18) со второй секцией (52).
13. Устройство по п.11, содержащее первую секцию (18) и вторую секцию расширения (52), отличающееся тем, что оно содержит линию горячих газов (100), соединяющую первую секцию (18) со второй секцией (52).
РИСУНКИ
|
|