|
|
(21), (22) Заявка: 2005140532/06, 23.12.2005
(24) Дата начала отсчета срока действия патента:
23.12.2005
(43) Дата публикации заявки: 27.06.2007
(46) Опубликовано: 27.10.2007
(56) Список документов, цитированных в отчете о поиске:
RU 2237813 С1, 10.10.2004. RU 2220294 С1, 27.12.2003. RU 2259484 С1, 27.08.2005. RU 2249705 С1, 10.04.2005. DE 3726786 А, 23.02.1982.
Адрес для переписки:
432027, г.Ульяновск, Северный Венец, 32, ГОУ ВПО “Ульяновский государственный технический университет”, проректору по научной работе
|
(72) Автор(ы):
Шарапов Владимир Иванович (RU), Макарова Елена Владимировна (RU), Маликов Михаил Александрович (RU)
(73) Патентообладатель(и):
Государственное образовательное учреждение высшего профессионального образования “Ульяновский государственный технический университет” (RU)
|
(54) СПОСОБ РАБОТЫ ТЕПЛОВОЙ ЭЛЕКТРИЧЕСКОЙ СТАНЦИИ
(57) Реферат:
Изобретение предназначено для определения мест присосов воздуха и может быть использовано на тепловых электростанциях. Способ работы тепловой электрической станции заключается в том, что вырабатываемый в котле пар направляют в турбину и конденсируют в конденсаторе, затем основной конденсат турбин конденсатным насосом подают в деаэратор питательной воды. Для определения мест присосов воздуха используют датчики рН, которыми измеряют уровень рН в основном конденсате турбины за конденсатным насосом и в конденсате подогревателя исходной добавочной воды и нижнего и верхнего сетевых подогревателей, а места присосов воздуха определяют по абсолютным величинам показаний датчиков рН и по разности этих показаний. Изобретение обеспечивает повышение экономичности и надежности тепловой электрической станции. 1 з.п.ф-лы, 1 ил.
Изобретение относится к области теплоэнергетики и может быть использовано на тепловых электростанциях.
Известен аналог – способ работы тепловой электрической станции, по которому вырабатываемый в котле пар направляют в турбину и конденсируют в конденсаторе, затем основной конденсат турбин конденсатным насосом подают в деаэратор питательной воды (патент №2237813, БИ 2004, №28). Этот аналог принят в качестве прототипа.
Недостатками аналога и прототипа является пониженная экономичность и надежность тепловых электростанций из-за низких точности определения и оперативности обнаружения и устранения мест присосов воздуха. Низкая точность определения присосов воздуха обусловлена тем, что основная часть кислорода успевает прореагировать с металлом конденсатопровода до места установки кислородомера.
Техническим результатом, достигаемым настоящим изобретением, является повышение экономичности и надежности тепловой электрической станции путем повышения точности определения и оперативности обнаружения и устранения мест присосов воздуха.
Для достижения этого результата предложен способ работы тепловой электрической станции, по которому вырабатываемый в котле пар направляют в турбину и конденсируют в конденсаторе, затем основной конденсат турбин конденсатным насосом подают в деаэратор питательной воды.
Особенность заключается в том, что для определения мест присосов воздуха используют датчики рН, которыми измеряют уровень рН в основном конденсате турбины за конденсатным насосом и в конденсате подогревателя исходной добавочной воды и нижнего и верхнего сетевых подогревателей, а места присосов воздуха определяют по абсолютным величинам показаний датчиков рН и по разности этих показаний. Для определения мест присосов воздуха датчики подключают к многоканальному рН-метру.
Новый способ работы тепловой электрической станции позволяет повысить точность определения и оперативность обнаружения и устранения мест присосов воздуха, а значит, повысить надежность и экономичность работы тепловой электрической станции за счет снижения интенсивности внутренней коррозии трубопроводов конденсата и питательной воды, вызванной присосами воздуха.
Далее рассмотрим сведения, подтверждающие возможность осуществления изобретения с получением искомого технического результата.
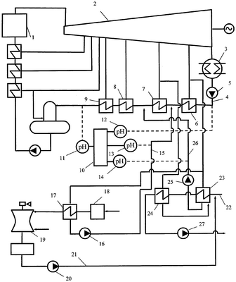
На чертеже изображена принципиальная схема тепловой электрической станции, поясняющая предложенный способ. Станция содержит котел 1, паровую турбину 2 с регенеративными отборами, конденсатор 3, трубопровод основного конденсата турбины 4 со включенными в него конденсатным насосом 5 и регенеративными подогревателями низкого давления 6, 7, 8, 9. В качестве устройства для проверки герметичности установлен многоканальный рН-метр 10, один датчик 11 которого установлен на трубопроводе питательной воды котлов, например, за четвертым подогревателем низкого давления 9, второй датчик 12 установлен на трубопроводе основного конденсата 4 за конденсатным насосом 5, третий датчик 13 установлен на конденсатопроводе 15 за конденсатным насосом 16 подогревателя исходной добавочной воды 17, а четвертый датчик установлен на трубопроводе конденсатопроводе 26 за конденсатным насосом 25 нижнего 23 и верхнего 24 сетевых подогревателей сетевой воды. Подогреватель исходной добавочной воды 17, водоподготовительная установка 18, вакуумный деаэратор 19 и насос добавочной воды 20 включены в трубопровод исходной добавочной воды 21, который связан с трубопроводом сетевой воды 22. В трубопровод сетевой воды 22, кроме сетевого насоса 27, также включены нижний 23 и верхний 24 сетевые подогреватели.
Рассмотрим пример реализации заявленного способа работы тепловой электрической станции. Вырабатываемый в котле 1 пар направляют в турбину 2 и конденсируют в конденсаторе 3, основной конденсат турбин конденсатным насосом 5 подают в регенеративные подогреватели низкого давления 6, 7, 8, 9 и далее в деаэратор питательной воды, после которого основной конденсат турбины питательным насосом прокачивают через подогреватели высокого давления и подают в паровой котел. Периодическую проверку герметичности проводят по величине уровня рН потоков основного конденсата турбин за пределами вакуумной системы турбоустановки, например, за четвертым подогревателем низкого давления 9, за конденсатным насосом 5 и по величине уровня рН потоков конденсата за подогревателем исходной добавочной воды 17, за нижнем 23 и верхним 24 подогревателями сетевой воды.
Места присосов воздуха определяют по абсолютным величинам показаний датчиков рН 11, 12, 13, 14 многоканального рН-метра 10 и по разности этих величин. Поскольку свободный диоксид углерода, поступающий с присосами воздуха, определяющий величину уровня рН потоков конденсата, менее активно взаимодействует с металлом (по сравнению с кислородом), повышается точность определения присосов воздуха.
Таким образом, новый способ позволяет продлить срок службы трубопроводов и оборудования за счет повышения точности определения и оперативности обнаружения и устранения мест присосов воздуха и снижения интенсивности внутренней коррозии, вызванной присосами воздуха, т.е. повысить надежность и экономичность работы тепловой электрической станции.
Формула изобретения
1. Способ работы тепловой электрической станции, по которому вырабатываемый в котле пар направляют в турбину и конденсируют в конденсаторе, затем основной конденсат турбин конденсатным насосом подают в деаэратор питательной воды, отличающийся тем, что для определения мест присосов воздуха используют датчики рН, которыми измеряют уровень рН в основном конденсате турбины за конденсатным насосом и в конденсате подогревателя исходной добавочной воды и нижнего и верхнего сетевых подогревателей, а места присосов воздуха определяют по абсолютным величинам показаний датчиков рН и по разности этих показаний.
2. Способ работы тепловой электрической станции по п.1, отличающийся тем, что для определения мест присосов воздуха датчики подключают к многоканальному рН-метру.
РИСУНКИ
MM4A – Досрочное прекращение действия патента СССР или патента Российской Федерации на изобретение из-за неуплаты в установленный срок пошлины за поддержание патента в силе
Дата прекращения действия патента: 24.12.2007
Извещение опубликовано: 20.05.2009 БИ: 14/2009
|
|