|
(21), (22) Заявка: 2006109995/09, 28.03.2006
(24) Дата начала отсчета срока действия патента:
28.03.2006
(46) Опубликовано: 20.10.2007
(15) Информация о коррекции:
Версия коррекции № 1 (
Изобретение относится к области автоматизированных систем управления, а именно к цифровым системам управления электроприводом, и может быть использовано в микропроцессорных системах автоматического управления электроприводами для импульсного регулирования напряжения питания электродвигателя.
Известен цифровой широтно-импульсный модулятор [1], недостатком которого является выраженный гармонический состав выходного сигнала. В случае использования этого устройства в системах управления электроприводом могут наблюдаться повышенный уровень вибраций и шума на частоте основной гармоники широтно-импульсного модулятора.
Наиболее близким по технической сущности устройством, выбранным в качестве прототипа, является широтно-импульсный модулятор [2], который содержит генератор синхронизирующих импульсов (ГСИ), источник опорного напряжения (ИОН), компаратор, первый ключ (К1), интегратор, устройство выборки-хранения (УВХ), распределитель импульсов (РИ), второй ключ К2 и цифровой накапливающий формирователь ШИМ-сигнала (ЦНФ). Выход К1 соединен с входом интегратора, выход которого соединен с информационным входом УВХ, выход ИОН соединен с информационным входом первого К1. Выход УВХ объединен с информационным входом второго К2 и инвертирующим входом компаратора, неинвертирующий вход которого является входом ШИМ. Выход компаратора соединен с информационным входом ЦНФ, выход которого является выходом ШИМ и объединен с входом синхронизации РИ, три выхода которого подключены к управляющим входам соответственно первого К1, второго К2 и УВХ. Выходы К1 и К2 объединены, а выход ГСИ соединен с входом синхронизации ЦНФ.
Недостатком данного устройства является выраженный гармонический состав выходного сигнала и возможный повышенный уровень вибраций и шума на частоте основной гармоники широтно-импульсного модулятора (при использовании в системе управления электроприводом).
Целью технического решения является распределение спектра виброшумовых характеристик электропривода за счет расширения спектральной характеристики широтно-импульсного модулятора. Поставленная цель достигается за счет того, что период широтно-импульсной модуляции изменяется по случайному закону с равномерным распределением в заданном диапазоне.
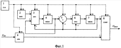
На фиг.1 приведена структурная схема широтно-импульсного модулятора.
На фиг.2 приведена временная диаграмма, поясняющая работу широтно-импульсного модулятора.
Широтно-импульсный модулятор (фиг.1) содержит генератор синхронизирующих импульсов 1, генератор псевдослучайных чисел 2, первый блок переключения 3, первый регистр памяти 4, сумматор 5, второй блок переключения 6, второй регистр памяти 7, компаратор 8, блок ограничения 9. Выход генератора синхронизирующих импульсов 1 соединен с тактовыми входами генератора псевдослучайных чисел 2, первого блока переключения 3, первого регистра памяти 4, сумматора 5, второго блока переключения 6, второго регистра памяти 7, компаратора 8, блока ограничения 9. Выход генератора псевдослучайных чисел 2 подключен к первому входу первого блока переключения 3, выход которого соединен с входом первого регистра памяти 4. Выход первого регистра памяти 4 соединен с первым входом сумматора 5 и вторым входом первого блока переключения 3. Выход сумматора 5 подключен к первому входу второго блока переключения 6, выход которого подключен к второму регистру памяти 7. Выход второго регистра памяти 7 подключен к третьему входу первого блока переключения 3, второму входу сумматора 5, второму входу второго блока переключения 6 и к первому входу компаратора 8. К второму входу компаратора 8 подключен выход блока ограничения 9. Вход блока ограничения 9 является входом широтно-импульсного модулятора. Выход компаратора 8 является выходом широтно-импульсного модулятора.
Устройство работает следующим образом.
Генератор псевдослучайных чисел 2 (RND) формирует псевдослучайный числовой код D с равномерным распределением в некотором заранее заданном диапазоне DMIN-DMAX. Первый блок переключения 3 (SW1) передает значение этого кода в первый регистр памяти 4 (МЕМ1) в случае, если значение на его третьем входе не меньше заданного значения RMAX (амплитуда пилообразного сигнала), иначе в первый регистр памяти 4 (МЕМ1) записывается значение с второго входа первого блока переключения 3 (SW1) (выход МЕМ1). Первый блок переключения 3 (SW1) реализует следующую математическую зависимость:

где SW1OUT – выходной сигнал первого блока переключения SW1;
SW1IN1 – входной сигнал первого входа первого блока переключения SW1;
SW1IN2 – входной сигнал второго входа первого блока переключения SW1;
SW1IN3 – входной сигнал третьего входа первого блока переключения SW1.
В начальный момент времени в первый регистр памяти 4 (МЕМ1) должно быть записано значение из диапазона DMIN-DMAX. Из второго регистра памяти 7 (МЕМ2) значение (которое в начальный момент времени равно нулю) поступает на сумматор 5 (S), где оно суммируется со значением первого регистра памяти 4 (МЕМ1) (приращение пилообразного сигнала). Значение с выхода сумматора 5 (S) через второй блок переключения 6 (SW2) поступает во второй регистр памяти 7 (МЕМ2), в случае, если на второй вход второго блока переключения 6 (SW2) поступает значение меньше заданного Rmax (амплитуда пилообразного сигнала), иначе второй регистр памяти 7 (МЕМ2) обнуляется. Второй блок переключения 6 (SW2) реализует следующую математическую зависимость:

где SW2OUT – выходной сигнал второго блока переключения SW2;
SW2IN1 – входной сигнал первого входа второго блока переключения SW2;
SW2IN2 – входной сигнал второго входа второго блока переключения SW2.
Таким образом, с каждым тактом работы системы значение во втором регистре памяти 6 (МЕМ2) дискретно возрастает на величину, хранящуюся в первом регистре памяти 4 (МЕМ1). Величина, хранящаяся в первом регистре памяти 4 (МЕМ1), остается при этом постоянной. При достижении значения во втором регистре памяти 7 (МЕМ2) заданного значения RMAX, второй регистр памяти 7 (МЕМ2) обнуляется, а первый регистр памяти 4 (МЕМ1) перезаписывается новым значением с генератора псевдослучайных чисел 2 (RND). Таким образом, значение, хранящееся в первом регистре памяти 4 (МЕМ1), изменяется случайным образом и изменяется скорость возрастания значения, хранящегося во втором регистре памяти 7 (МЕМ2). Так на выходе второго регистра памяти 7 (МЕМ2) генерируется пилообразный сигнал R(t) постоянной амплитуды RMAX, с периодом, меняющимся в соответствии с настройкой генератора псевдослучайных чисел 2 (RND). Входной сигнал широтно-импульсного модулятора поступает на блок ограничения 9 (LIM), где он ограничивается на уровне RMAX. С выхода блока 9 (LIM) сигнал поступает на компаратор 8 (СОМР), где он сравнивается с выходным сигналом второго регистра памяти 7 (МЕМ2). В случае если выходной сигнал сумматора больше выходного сигнала блока ограничения 9 (LIM), компаратор 8 (СОМР) выдает значение, равное логическому нулю, иначе компаратор 8 (СОМР) выдает значение, равное логической единице. Генератор синхронизирующих импульсов 1 (CLK) вырабатывает импульсный сигнал UCLK(t) с частотой fCLK (период следования импульсов ТCLK), тактирующий работу всех блоков устройства. Таким образом, период импульсов широтно-импульсного модулятора определяется как

Эта величина постоянно изменяется по случайному закону в диапазоне TШИМ.MIN-ТШИМ.МАХ, определяемом диапазоном DMIN-DMAX:

при этом относительная длительность (скважность) импульсов выходного сигнала широтно-импульсного модулятора UВЫХ(t) остается постоянной и определяется только соотношением входного сигнала UBX(t) широтно-импульсного модулятора и амплитуды пилообразного сигнала RMAX. Временная диаграмма, поясняющая работу устройства, приведена на фиг.2. На временной диаграмме приведены графики UВЫХ(t), UBX(t), UCLK(t), R(t) на интервале трех периодов работы широтно-импульсного модулятора. Величины D и ТШИМ различны для каждого периода в соответствии с работой генератора псевдослучайных чисел.
Все блоки, входящие в состав устройства, могут быть алгоритмически и аппаратно реализованы на базе высокопроизводительного 16-разрядного микроконтроллера, например, серии MCS-196 (производства Intel) или микроконтроллера с функциями цифровой обработки сигналов, например, серии TMS320x24x (производства Texas Instruments). Для алгоритмической реализации генератора псевдослучайных чисел RND могут быть использованы методики, изложенные в [3]. Алгоритмическая реализация остальных функциональных блоков общеизвестна.
Таким образом, за счет того, что период импульсов широтно-импульсного модулятора изменяется в заданных пределах, спектральная характеристика широтно-импульсного модулятора не имеет выраженного гармонического состава, энергия колебаний равномерно распределяется по заданному частотному диапазону. Это позволяет улучшить виброшумовые характеристики электропривода в диапазоне частот широтно-импульсной модуляции, т.к. составляющие его виброшумовых характеристик, обусловленные влиянием широтно-импульсной модуляции, также будут равномерно распределены по заданному частотному диапазону.
Источники информации
1. Патент РФ на изобретение №2172062 РФ. МПК Н03К 7/08. Цифровой широтно-импульсный модулятор /Стариков А.В., Стариков А.В./ Изобретения. Полезные модели. 2001, №22.
2. Патент РФ на изобретение №2171011 РФ. МПК Н03К 7/08. Широтно-импульсный модулятор /Сафьянников Н.М., Муравник Д.Л./ Изобретения. Полезные модели. 2001, №20.
3. Кнут Д.Э. Искусство программирования, т.2. Получисленные методы. – М.: Изд. Дом “Вильямс”, 2000, с.29-57.
Формула изобретения
Широтно-импульсный модулятор, содержащий генератор синхронизирующих импульсов (1) и компаратор (8), отличающийся тем, что дополнительно введены генератор псевдослучайных чисел (2), первый блок переключения (3), первый регистр памяти (4), сумматор (5), второй блок переключения (6), второй регистр памяти (7), блок ограничения (9), при этом выход генератора псевдослучайных чисел (2) подключен к первому входу первого блока переключения (3), выход которого соединен с входом первого регистра памяти (4), выход которого одновременно соединен с первым входом сумматора (5) и вторым входом первого блока переключения (3), выход сумматора (5) подключен к первому входу второго блока переключения (6), выход которого подключен ко второму регистру памяти (7), выход которого одновременно соединен с третьим входом первого блока переключения (3), вторым входом сумматора (5), вторым входом второго блока переключения (6) и с первым входом компаратора (8), выход которого является выходом широтно-импульсного модулятора, при этом ко второму входу компаратора (8) подключен выход блока ограничения (9), вход которого является входом широтно-импульсного модулятора, а выход генератора синхронизирующих импульсов (1) одновременно соединен с тактовыми входами генератора псевдослучайных чисел (2), первого блока переключения (3), первого регистра памяти (4), сумматора (5), второго блока переключения (6), второго регистра памяти (7), компаратора (8) и блока ограничения (9).
РИСУНКИ
TH4A – Переиздание описания изобретения к патенту Российской Федерации
Причина переиздания: Коррекция библиографических данных
Извещение опубликовано: 20.12.2007 БИ: 35/2007
|
|