|
(21), (22) Заявка: 2006106030/09, 26.02.2006
(24) Дата начала отсчета срока действия патента:
26.02.2006
(46) Опубликовано: 20.10.2007
(56) Список документов, цитированных в отчете о поиске:
:RU 2260193 C1, 10.09.2005. RU 2231926 С1, 27.06.2004. RU 94030763 А1, 20.08.1996. RU 2003181 C1, 15.11.1993. US 4904930, 27.02.1990.
Адрес для переписки:
197082, Санкт-Петербург, П-82, ул. Ждановская, 13, Военно-космическая академия
|
(72) Автор(ы):
Дикарев Виктор Иванович (RU), Зайцев Игорь Евгеньевич (RU), Свистунов Фёдор Николаевич (RU), Панкратов Алексей Владимирович (RU)
(73) Патентообладатель(и):
Военно-космическая академия имени А.Ф. Можайского (RU)
|
(54) УЧЕБНЫЙ ПРИБОР ПО РАДИОТЕХНИКЕ
(57) Реферат:
Изобретение относится к учебным приборам и тренажерам по радиотехнике и может быть использовано для наглядной демонстрации режимов последовательного поиска импульсных сигналов по частоте, принципов образования дополнительных каналов приема в панорамном приемнике и методов, и средств их подавления. Технический результат – расширение диапазона частотного поиска без расширения диапазона частотной перестройки гетеродина путем использования дополнительных каналов приема в панорамном приемнике. Прибор позволяет демонстрировать три режима: в первом режиме демонстрируются процессы поиска сигналов по частоте панорамным приемником, во втором – наличие дополнительных каналов приема в панорамном приемнике, в третьем – методы и средства использования дополнительных каналов приема. 4 ил.
Предлагаемое устройство относится к учебным приборам и тренажерам по радиотехнике и позволяет наглядно демонстрировать режимы последовательного поиска импульсных сигналов по частоте, принципы образования дополнительных каналов приема в панорамном приемнике, методы и средства их использования.
Известны устройства, используемые в качестве учебных приборов (авт. свид. СССР №№1495720, 1770974; патенты РФ №№2003181, 2051425, 2260193 и другие).
Из известных устройств наиболее близким к предлагаемому является «Учебный прибор по радиотехнике» (патент РФ №2260193, G01S 7/40, 2004), который и выбран в качестве прототипа.
Указанное устройство позволяет имитировать входные сигналы РЛС с различными временными параметрами, демонстрировать процессы поиска сигналов по частоте панорамным приемником, исследовать режимы последовательного поиска сигналов, демонстрировать процесс образования дополнительных каналов приема в панорамном приемнике, методы и средства их подавления.
Одной из проблем, возникающих при разработке панорамных приемников, является создание перестраиваемых в широком частотном диапазоне гетеродинов. Трудности решения этой проблемы вынуждают на практике вместо одного широкополосного панорамного приемника использовать несколько отдельных узкополосных панорамных приемников, перекрывающих требуемую полосу частот.
Однако решение данной проблемы в какой-то степени возможно и путем использования дополнительных каналов приема.
Следовательно, с точки зрения расширения диапазона частотного поиска сигналов без расширения диапазона частотной перестройки гетеродина целесообразно не подавлять, а использовать дополнительные каналы приема.
Технической задачей изобретения является демонстрация учебным прибором по радиотехнике расширения диапазона частотного поиска сигналов без расширения диапазона частотной перестройки гетеродина путем использования дополнительных каналов приема.
Поставленная задача решается тем, что учебный прибор по радиотехнике, содержащий последовательно включенные первый высокочастотный генератор, модулятор и первый счетчик, последовательно подключенные к выходу модулятора первый переключатель, первый сумматор, второй вход которого через второй переключатель соединен с выходом второго высокочастотного генератора, третий вход – через третий переключатель соединен с выходом третьего высокочастотного генератора, четвертый вход – через четвертый переключатель соединен с выходом четвертого высокочастотного генератора, первый смеситель, второй вход которого через гетеродин соединен с первым выходом генератора развертки, первый усилитель промежуточной частоты, второй сумматор, первый перемножитель, второй вход которого через пятый переключатель соединен с выходом первого сумматора, первый узкополосный фильтр, второй амплитудный детектор, первый ключ, второй вход которого соединен с выходом второго сумматора, первый амплитудный детектор, первый видеоусилитель и вертикально отклоняющие пластины первой электронно-лучевой трубки, горизонтально отклоняющие пластины которой соединены с вторым выходом генератора развертки, последовательно подключенные к второму выходу гетеродина первый фазовращатель на +90°, второй смеситель, второй вход которого соединен с выходом первого сумматора, второй усилитель промежуточной частоты и второй фазовращатель на +90°, выход которого соединен со вторым входом второго сумматора, при этом к первому выходу генератора развертки подключен второй счетчик, к выходу первого видеоусилителя подключен третий счетчик, снабжен фазовращателем на -90°, шестым переключателем, третьим сумматором, вторым перемножителем, вторым, третьим и четвертым узкополосными фильтрами, третьим, четвертым, пятым, шестым, седьмым и восьмым амплитудными детекторами, вторым третьим и четвертым ключами, вторым третьим и четвертым видеоусилителями, второй, третьей и четвертой электронно-лучевыми трубками, причем к выходу второго усилителя промежуточной частоты последовательно подключены фазовращатель на -90°, третий сумматор, второй вход которого через шестой переключатель соединен с выходом первого сумматора, второй узкополосный фильтр, шестой амплитудный детектор, второй ключ, второй вход которого соединен с выходом третьего сумматора, третий амплитудный детектор, второй видеоусилитель и вертикально отклоняющие пластины второй электронно-лучевой трубки, горизонтально отклоняющие пластины которой соединены с вторым выходом генератора развертки, к выходу второго перемножителя последовательно подключены третий узкополосный фильтр, седьмой амплитудный детектор, третий ключ, второй вход которого соединен с выходом третьего сумматора, четвертый амплитудный детектор, третий видеоусилитель и вертикально отклоняющие пластины третьей электронно-лучевой трубки, горизонтально отклоняющие пластины которой соединены со вторым выходом генератора развертки, к выходу первого перемножителя последовательно подключены четвертый узкополосный фильтр, восьмой амплитудный детектор, четвертый ключ, второй вход которого соединен с выходом второго сумматора, пятый амплитудный детектор, четвертый видеоусилитель и вертикально отклоняющие пластины четвертой электронно-лучевой трубки, горизонтально отклоняющие пластины которой соединены со вторым выходом генератора развертки.
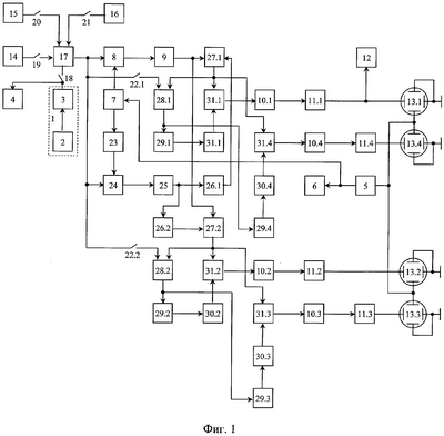
Структурная схема предлагаемого прибора представлена на фиг.1. Частотная диаграмма, поясняющая принцип образования дополнительных каналов приема, показана на фиг.2. Частотно-временные диаграммы, поясняющие режимы последовательного поиска импульсных сигналов по частоте, изображены на фиг.3 и 4.
Учебный прибор по радиотехнике содержит модель РЛС 1, последовательно включенные первый высокочастотный генератор 2, модулятор 2, первый переключатель 18, первый сумматор 17, второй вход которого через второй переключатель 19 соединен с выходом второго высокочастотного генератора 15, четвертый вход – через четвертый переключатель 21 соединен с выходом четвертого высокочастотного генератора 16, первый смеситель 8, второй вход которого через гетеродин 7 соединен с первым выходом генератора 5 развертки, первый усилитель 9 промежуточной частоты, второй сумматор 27.1, первый перемножитель 28.1, второй вход которого через пятый переключатель 22.1 соединен с выходом первого сумматора 17, первый узкополосный фильтр 29.1, второй амплитудный детектор 30.1, первый ключ 31.1, второй вход которого соединен с выходом второго сумматора 27.1, первый амплитудный детектор 10.1, первый видеоусилитель 11.1 и вертикально отклоняющие пластины первой электронно-лучевой трубки 13.1, горизонтально отклоняющие пластины которой соединены со вторым выходом генератора 5 развертки, последовательно подключенные ко второму выходу гетеродина 7 первый фазовращатель 23 на +90°, второй смеситель 24, второй вход которого соединен с выходом первого сумматора 17, второй усилитель 25 промежуточной частоты и второй фазовращатель 26.1 на +90°, выход которого соединен с вторым входом сумматора 27.1, последовательно подключенные к выходу второго усилителя 25 промежуточной частоты фазовращатель 26.2 на -90°, третий сумматор 27.2, второй вход которого соединен с выходом первого усилителя 9 промежуточной частоты, второй перемножитель 28.2, второй вход которого через шестой переключатель 22.2 соединен с выходом первого сумматора 17, второй узкополосный фильтр 29.2, шестой амплитудный детектор 30.2, второй ключ 31.2, второй вход которого соединен с выходом третьего сумматора 27.2, шестой амплитудный детектор 10.2, второй видеоусилитель 11.2 и вертикально отклоняющие пластины второй электронно-лучевой трубки 13.2, горизонтально отклоняющие пластины которой соединены со вторым выходом генератора 5 развертки, последовательно подключенные к выходу второго перемножителя 28.2 третий узкополосный фильтр 29.3, амплитудный детектор 30.3, третий ключ 31.3, второй вход которого соединен с выходом сумматора 27.2, четвертый амплитудный детектор 10.3, третий видеоусилитель 11.3 и вертикально отклоняющие пластины третьей электронно-лучевой трубки 13.3, горизонтально отклоняющие пластины которой соединены со вторым выходом генератора 5 развертки, последовательно подключенные к выходу первого перемножителя 28.1 четвертый узкополосный фильтр 29.4, восьмой амплитудный детектор 30.4, четвертый ключ 31.4, второй вход которого соединен с выходом второго сумматора 27.1, пятый амплитудный детектор 10.4, четвертый видеоусилитель 11.4 и вертикально отклоняющие пластины четвертой электронно-лучевой трубки 13.4, горизонтально отклоняющие пластины которой соединены со вторым выходом генератора 5 развертки, при этом к выходу модулятора 2 подключен первый счетчик 4, к первому выходу генератора 5 развертки подключен второй счетчик 6, к выходу первого видеоусилителя 11.1 подключен третий счетчик 12.
Учебный прибор по радиотехнике работает следующим образом.
Прибор позволяет демонстрировать три режима.
В первом режиме прибор позволяет демонстрировать процессы поиска сигналов по частоте панорамным приемником и исследовать режимы последовательного поиска сигналов.
Во втором режиме прибор позволяет демонстрировать наличие дополнительных каналов приема в панорамном приемнике.
В третьем режиме прибор позволяет демонстрировать методы и средства использования дополнительных каналов приема с целью расширения диапазона частотного поиска сигналов без расширения диапазона частотной перестройки гетеродина.
В первом режиме прибор позволяет воспроизвести процесс обнаружения серий импульсных сигналов РЛС кругового обзора панорамным приемником. При этом переключатель 18 замыкается.
Высокочастотный сигнал
Uc(t)=Uccos(2 ·fc·t+ c),
где Uc, fc, c – амплитуда, несущая частота и начальная фаза высокочастотного сигнала;
с выхода генератора 2 поступает на модулятор 3. Модель РЛС 1, состоящая из последовательно включенных высокочастотного генератора 2 и модулятора 3, позволяет моделировать три различных периода обращения T1, T2, T3 РЛС кругового обзора и, соответственно, три различных длительности импульсных пачек 1, 2, 3, попадающих в зону обзора приемного устройства.
Далее промодулированный сигнал поступает через переключатель 18 и сумматор 17 на первые входы смесителей 8 и 24, на вторые входы которых подаются напряжения генератора 7 линейно изменяющейся частоты:
UГ1(t)=UГcos(2 ·fГ·t+ · ·t2+ Г),
UГ1(t)=UГcos(2 ·fГ·t+ · ·t2+ Г+90°), 0 t TП,
где UГ, fГ, Г, ТП – амплитуда, начальная частота, начальная фаза и период повторения напряжения гетеродина;
– скорость перестройки частоты гетеродина 7 в заданном диапазоне частот Дf;
ТП – период перестройки напряжения гетеродина (фиг.3, 4).
Изменение частоты гетеродина 7 по линейному закону осуществляется с помощью генератора 5 развертки, в качестве которого используется генератор пилообразного напряжения. Генератор 5 развертки формирует горизонтальную развертку ЭЛТ 13.1-13.4. Это же напряжение поступает на считчик 6 для регистрации числа перестроек гетеродина 7.
На выходах смесителей 8 и 24 образуются напряжения комбинационных частот. Усилителями 9 и 25 выделяются напряжения промежуточной (разностной) частоты:
Uпр1(t)=Uпр1cos(2 ·fпр·t- · ·t2+ пр),
Uпр2(t)=Uпр1cos(2 ·fпр·t- · ·t2+ пр-90°), 0 t TП,
где 
K1 – коэффициент передачи смесителей;
Fпр=fC-fГ – промежуточная частота;
пр= С– Г.
Напряжение Uпр2(t) с выхода усилителя 25 промежуточной частоты поступает на вход фазовращателей 26.1 на +90° и 26.2 на -90°, на выходе которых образуются напряжения:
Uпр3(t)=Uпр1cos(2 ·fпр·t- · ·t2+ пр-90°+90°)
=Uпр1cos(2 ·fпр·t- · ·t2+ пр);
Uпр4(t)=Uпр1cos(2 ·fпр·t- · ·t2+ пр-90°-90°)
=-Uпр1cos(2 ·fпр·t- · ·t2+ пр).
Напряжения Uпр1(t) и Uпр3(t) поступают на два входа сумматора 27.1, на выходе которого образуется суммарное напряжение
U 1(t)=U 1cos(2 ·fпр·t- · ·t2+ пр),
где U 1=2Uпр1.
Напряжения Uпр1(t) и Uпр4(t), поступающие на два входа сумматора 27.2, на его выходе компенсируются.
Напряжение U 1(f) с выхода сумматора 27.1 подается на первый вход перемножителя 28.1, на второй вход которого через замкнутый переключатель 22.1 поступает высокочастотный сигнал Uc(t) с выхода сумматора 17.
На выходе перемножителя 28.1 образуется напряжение
U1(t)=U1cos(2 ·fГ·t+ · ·t2+ Г),
где 
K2 – коэффициент передачи перемножителя,
которое выделяется узкополосным фильтром 29.1, детектируется амплитудным детектором 30.1 и поступает на управляющий вход ключа 31.1, открывая его. В исходном состоянии ключи 31.1, 31.2, 31.3 и 31.4 всегда закрыты.
Частота настройки узкополосных фильтров 29.1 и 29.2 выбирается равной начальной частоте fГ гетеродина 7 (fН1=fГ).
Частота настройки узкополосных фильтров 29.3 и 29.4 выбирается равной второй гармонике начальной частоты 2fГ гетеродина 7 (fН2=2fГ).
При этом напряжение U 1(t) с выхода сумматора 27.1 через открытый ключ 31.1 поступает на вход амплитудного детектора 10.1, где выделяется модулирующий сигнал, который после усиления в видеоусилителе 11.1 поступает на вертикально отклоняющие пластины ЭЛТ 13.1 и счетчик 12. В счетчике 12 фиксируются импульсы совпадения входной серии импульсов, попадающих в полосу пропускания приемника при его периодической перестройке с периодом ТП (фиг.4).
Период повторения ТП можно изменить, изменяя режим развертки генератора 5, а следовательно, можно изменять и скорость изменения частоты гетеродина 7.
Тем самым при фиксированных величинах Т1, 1 и Дf можно демонстрировать достижение границ быстрого и медленного поисков. Визуально эти границы наблюдаются при следующих совпадениях показаний счетчиков на некоторых интервалах наблюдения Тнабл(Тнабл>ТП).
Граница быстрого поиска соответствует совпадению показаний счетчиков 4 и 12. (N4=N12, где N4 – число, зафиксированное счетчиком 4; N12 – число, зафиксированное счетчиком 12) на Тнабл.
Граница медленного поиска соответствует совпадению показаний счетчиков 6 и 12. (N6=N12, где N6 – число, зафиксированное счетчиком 6; N12 – число, зафиксированное счетчиком 12) на Тнабл.
Между этими границами находится область вероятностного поиска (поиска со средней скоростью).
Предусмотренная в приборе возможность имитации сигналов РЛС с различающимися временными параметрами Т1, 1; Т2, 2; Т3, 3 – позволяет продемонстрировать изменение границ достоверных поисков при фиксированных диапазоне поиска Дf и ширине полосы пропускания fП приемника путем перехода к анализу процесса формирования импульсов совпадения для входных сигналов с различными временными параметрами. При этом переключатели 18 и 22.1 замкнуты.
Второй режим обеспечивается тем, что переключатель 18 размыкается, а переключатель 22.2 замыкается, переключатели 19, 20 и 21 последовательно замыкаются и размыкаются.
Описанная выше работа прибора соответствует приему сигналов по основному каналу на частоте fс (фиг.2). При этом частотные метки наблюдаются на экране ЭЛТ 13.1.
Если переключатели 18, 20 и 21 размыкаются, а переключатели 19, 22.1 и 22.2 замыкаются, то высокочастотный сигнал
Uз(t)=Uзcos(2 fзt+ з),
формируемый генератором 14 и имитируемый зеркальным каналом приема, через сумматор 17 поступает на первые входы смесителей 8 и 24. Усилителями 9 и 25 промежуточной частоты в этом случае выделяются следующие напряжения:
Uпр5(t)=Uпр5cos(2 ·fпр·t- · ·t2+ пр5),
Uпр6(t)=Uпр5cos(2 ·fпр·t- · ·t2+ пр5),
где 
fпр=fГ-fз – промежуточная частота
пр5= Г– з.
Напряжение Uпр6(t) с выхода усилителя 25 промежуточной частоты поступает на вход фазовращателей 26.1 на +90° и 26.2 на -90°, на выходе которых образуются следующие напряжения:
Uпр7(t)=Uпр5cos(2 ·fпр·t- · ·t2+ пр5+90°+90°)
=-Uпр5cos(2 ·fпр·t- · ·t2+ пр5),
Uпр8(t)=Uпр5cos(2 ·fпр·t- · ·t2+ пр5+90°-90°)
=Uпр5cos(2 ·fпр·t- · ·t2+ пр5).
Напряжения Uпр5(t) и Uпр7(t), поступающие на два входа сумматора 27.1, на его выходе компенсируются.
Напряжения Uпр5(t) и Uпр8(t) поступают на два входа сумматора 27.2, на выходе которого образуется суммарное напряжение
U 2(t)=U 2cos(2 ·fпр·t- · ·t2+ пр5),
где U 2=2Uпр5.
Это напряжение подается на второй вход перемножителя 28.2, на первый вход которого через замкнутый переключатель 22.2 поступает высокочастотный сигнал Uз(t) с выхода сумматора 17.
На выходе перемножителя 28.2 образуется напряжение
U2(t)=U2cos(2 ·fГ·t- · ·t2+ Г),
где 
которое выделяется узкополосным фильтром 29.2, детектируется амплитудным детектором 30.2 и поступает на управляющий вход ключа 31.2 открывая его. При этом напряжение U 2(t) с выхода сумматора 27.2 через открытый ключ 31.2 поступает на вход амплитудного детектора 10.2, где выделяется огибающая сигнала, которая после усиления в видеоусилителе 11.2 поступает на вертикально отклоняющие пластины электронно-лучевой трубки 13.2. На экране электронно-лучевой трубки 13.2 образуется импульс (частотная метка), положение которого на горизонтальной развертке однозначно определяет несущую частоту fз сигнала, принимаемого по зеркальному каналу.
Для демонстрации приема сигнала по первому комбинационному каналу переключатель 19 размыкается, а переключатель 20 замыкается. При этом высокочастотный сигнал
Uк1(t)=Uк1cos(2 ·fк1·t+ к1)
с выхода высокочастотного генератора 15 через замкнутый переключатель 20 и сумматор 17 поступает на первые входы смесителей 8 и 24. В этом случае усилителями 9 и 25 промежуточной частоты выделяются следующие напряжения:
Uпр9(t)=Uпр9cos(2 ·fпр·t- · ·t2+ пр9),
Uпр10(t)=Uпр9cos(2 ·fпр·t- · ·t2+ пр9+90°),
где 
fпр=2fГ-fк1 – промежуточная частота
пр9= Г– к1.
Напряжение Uпр10(t) с выхода усилителя 25 промежуточной частоты поступает на вход фазовращателей 26.1 на +90° и 26.2 на -90°, на выходе которых образуются следующие напряжения:
Uпр11(t)=Uпр9cos(2 ·fпр·t- · ·t2+ пр9+90°+90°)
=-Uпр9cos(2 ·fпр·t- · ·t2+ пр9),
Uпр12(t)=Uпр9cos(2 ·fпр·t- · ·t2+ пр9+90°-90°)
=Uпр9cos(2 ·fпр·t- · ·t2+ пр9).
Напряжения Uпр9(t) и Uпр11(t), поступающие на два входа сумматора 27.1, на его выходе компенсируются.
Напряжения Uпр9(t) и Uпр12(t) поступают на два входа сумматора 27.2, на выходе которого образуется суммарное напряжение
U 3(t)=U 3cos(2 ·fпр·t- · ·t2+ пр9),
где U 3=2Uпр9.
Это напряжение подается на первый вход перемножителя 28.2, на второй вход которого через замкнутый переключатель 22.2 поступает высокочастотный сигнал Uк1(t) с выхода сумматора 17.
На выходе перемножителя 28.2 образуется напряжение
U3(t)=U3cos(4 ·fГ·t-2 · ·t2+ Г),
где 
которое выделяется узкополосным фильтром 29.3, детектируется амплитудным детектором 30.3 и поступает на управляющий вход ключа 31.3, открывая его. При этом напряжение U 3(t) с выхода сумматора 27.2 через открытый ключ 31.3 поступает на вход амплитудного детектора 10.3, где выделяется огибающая сигнала, которая после усиления в видеоусилителе 11.3 поступает на вертикально отклоняющие пластины электронно-лучевой трубки 13.3. На экране электронно-лучевой трубки 13.3 образуется импульс (частотная метка), положение которого на горизонтальной развертке однозначно определяет несущую частоту fк1 сигнала, принимаемого по первому комбинационному каналу.
Для демонстрации приема сигнала по второму комбинационному каналу переключатель 20 размыкается, а переключатель 21 замыкается. При этом высокочастотный сигнал
Uк2(t)=Uк2cos(2 ·fк2·t+ к2)
с выхода высокочастотного генератора 16 через замкнутый переключатель 21 и сумматор 17 поступает на первые входы смесителей 8 и 24. В этом случае усилителями 9 и 25 промежуточной частоты выделяются следующие напряжения:
Uпр13(t)=Uпр13cos(2 ·fпр·t- · ·t2+ пр13),
Uпр14(t)=Uпр13cos(2 ·fпр·t- · ·t2+ пр13-90°),
где 
fпр=fк2-2fГ – промежуточная частота
пр13= Г– к2.
Напряжение Uпр14(t) с выхода усилителя 25 промежуточной частоты поступает на вход фазовращателей 26.1 на +90° и 26.2 на -90°, на выходе которых образуются следующие напряжения:
Uпр15(t)=Uпр13cos(2 ·fпр·t- · ·t2+ пр13-90°+90°)
=Uпр13cos(2 ·fпр·t- · ·t2+ пр13),
Uпр16(t)=Uпр13cos(2 ·fпр·t- · ·t2+ пр13-90°-90°)
=-Uпр13cos(2 ·fпр·t- · ·t2+ пр13).
Напряжения Uпр13(t) и Uпр16(t), поступающие на два входа сумматора 27.2, на его выходе компенсируются.
Напряжения Uпр13(t) и Uпр15(t), поступают на два входа сумматора 27.1, на выходе которого образуется суммарное напряжение
U 4(t)=U 4cos(2 ·fпр·t- · ·t2+ пр13),
где U 4=2Uпр13.
Это напряжение подается на первый вход перемножителя 28.1, на второй вход которого через замкнутый переключатель 22.1 поступает высокочастотный сигнал Uк2(t) с выхода сумматора 17.
На выходе перемножителя 28.1 образуется напряжение
U4(t)=U4cos(4 ·fГ·t+2 · ·t2+ Г),
где 
которое выделяется узкополосным фильтром 29.4, детектируется амплитудным детектором 30.4 и поступает на управляющий вход ключа 31.4, открывая его. При этом напряжение U 4(t) с выхода сумматора 27.1 через открытый ключ 31.4 поступает на вход амплитудного детектора 10.4, где выделяется огибающая сигнала, которая после усиления в видеоусилителе 11.4 поступает на вертикально отклоняющие пластины электронно-лучевой трубки 13.4. На экране электронно-лучевой трубки 13.4 образуется импульс (частотная метка), положение которого на горизонтальной развертке однозначно определяет несущую частоту fк2 сигнала, принимаемого по второму комбинационному каналу.
В описанном выше режиме демонстрируется возможность раздельного приема сигналов по основному каналу на частоте fc, по зеркальному каналу на частоте fз, по первому комбинационному каналу на частоте fк1 и по второму комбинационному каналу на частоте fк2.
В третьем режиме все переключатели замыкаются, и все блоки прибора находятся в рабочем состоянии. Этот режим демонстрирует возможность расширения диапазона частотного поиска сигналов без расширения диапазона частотной перестройки гетеродина. Это достигается путем использования дополнительных каналов приема, характерных для супергетеродинного панорамного приемника.
Таким образом, предлагаемый учебный прибор по сравнению с прототипом позволяет не только имитировать входные сигналы РЛС с различающимися временными параметрами, демонстрировать процессы поиска сигналов по частоте панорамным приемником и исследовать режимы последовательного поиска сигналов по частоте, но и демонстрировать процесс образования дополнительных каналов приема в панорамном приемнике, возможность раздельного приема сигналов по основному, зеркальному и комбинационным каналам.
Тем самым обеспечивается демонстрация учебным прибором по радиотехнике расширения диапазона частотного поиска сигналов без расширения диапазона частотной перестройки гетеродина путем использования дополнительных каналов приема.
Формула изобретения
Учебный прибор по радиотехнике, содержащий последовательно включенные первый высокочастотный генератор, модулятор и первый счетчик, последовательно подключенные к выходу модулятора первый переключатель, первый сумматор, второй вход которого через второй переключатель соединен с выходом второго высокочастотного генератора, третий вход – через третий переключатель соединен с выходом третьего высокочастотного генератора, четвертый вход – через четвертый переключатель соединен с выходом четвертого высокочастотного генератора, первый смеситель, второй вход которого через гетеродин соединен с первым выходом генератора развертки, первый усилитель промежуточной частоты, второй сумматор, первый перемножитель, второй вход которого через пятый переключатель соединен с выходом первого сумматора, первый узкополосный фильтр, второй амплитудный детектор, первый ключ, второй вход которого соединен с выходом второго сумматора, первый амплитудный детектор, первый видеоусилитель и вертикально отклоняющие пластины первой электронно-лучевой трубки, горизонтально отклоняющие пластины которой соединены с вторым выходом генератора развертки, последовательно подключенные к второму выходу гетеродина первый фазовращатель на +90°, второй смеситель, второй вход которого соединен с выходом первого сумматора, второй усилитель промежуточной частоты и второй фазовращатель на +90°, выход которого соединен со вторым входом второго сумматора, при этом к первому выходу генератора развертки подключен второй счетчик, к выходу первого видеоусилителя подключен третий счетчик, отличающийся тем, что он снабжен фазовращателем на -90°, шестым переключателем, третьим сумматором, вторым перемножителем, вторым, третьим и четвертым узкополосными фильтрами, третьим, четвертым, пятым, шестым, седьмым и восьмым амплитудными детекторами, вторым, третьим и четвертым ключами, вторым третьим и четвертым видеоусилителями, второй, третьей и четвертой электронно-лучевыми трубками, причем к выходу второго усилителя промежуточной частоты последовательно подключены фазовращатель на -90°, третий сумматор, второй вход которого соединен с выходом первого усилителя промежуточной частоты, второй перемножитель, второй вход которого через шестой переключатель соединен с выходом первого сумматора, второй узкополосный фильтр и шестой амплитудный детектор, выход которого подключен к управляющему входу второго ключа, вход которого соединен с выходом третьего сумматора, к выходу второго ключа подключены последовательно третий амплитудный детектор, второй видеоусилитель и вертикально отклоняющие пластины второй электроннолучевой трубки, горизонтально отклоняющие пластины которой соединены с вторым выходом генератора развертки, к выходу второго перемножителя последовательно подключены третий узкополосный фильтр и седьмой амплитудный детектор выход которого подключен к управляющему входу третьего ключа, вход которого соединен с выходом третьего сумматора, к выходу третьего ключа подключены последовательно четвертый амплитудный детектор, третий видеоусилитель и вертикально-отклоняющие пластины третьей электроннолучевой трубки, горизонтально отклоняющие пластины которой соединены со вторым выходом генератора развертки, к выходу первого перемножителя последовательно подключены четвертый узкополосный фильтр и восьмой амплитудный детектор, выход которого подключен к управляющему входу четвертого ключа, вход которого соединен с выходом второго сумматора, к выходу четвертого ключа подключены последовательно пятый амплитудный детектор, четвертый видеоусилитель и вертикально отклоняющие пластины четвертой электронно-лучевой трубки, горизонтально-отклоняющие пластины которой соединены с вторым выходом генератора развертки.
РИСУНКИ
MM4A – Досрочное прекращение действия патента СССР или патента Российской Федерации на изобретение из-за неуплаты в установленный срок пошлины за поддержание патента в силе
Дата прекращения действия патента: 27.02.2008
Извещение опубликовано: 27.09.2009 БИ: 27/2009
|