|
|
(21), (22) Заявка: 2006114189/09, 25.04.2006
(24) Дата начала отсчета срока действия патента:
25.04.2006
(46) Опубликовано: 20.10.2007
(56) Список документов, цитированных в отчете о поиске:
RU 2175149 С2, 20.10.2001. RU 2107946 C1, 27.03.1998. RU 2099787 C1, 20.12.1997. SU 1647614 A1, 07.05.1991. SU 1142853 A1, 28.02.1985. GB 2135387 А, 30.08.1984. US 6298290 B1, 02.10.2001. FR 2460010 А1, 20.02.1981. DE 2925131 C3, 12.12.1991. WO 00/60547 A1, 12.10.2000.
Адрес для переписки:
390014, г.Рязань, Рязанский военный автомобильный институт, НИО, А.Д. Герасимову
|
(72) Автор(ы):
Новосадов Сергей Юрьевич (RU), Пузевич Николай Леонидович (RU), Метик Владимир Викторович (RU), Овсянников Виталий Александрович (RU), Кукин Александр Викторович (RU), Балакирев Александр Николаевич (RU)
(73) Патентообладатель(и):
РЯЗАНСКИЙ ВОЕННЫЙ АВТОМОБИЛЬНЫЙ ИНСТИТУТ имени генерала армии В.П. ДУБЫНИНА (RU)
|
(54) УСТРОЙСТВО ДЛЯ ДИАГНОСТИРОВАНИЯ СИЛОВЫХ УСТАНОВОК И ОПРЕДЕЛЕНИЯ ЭКСПЛУАТАЦИОННЫХ ПАРАМЕТРОВ ТРАНСПОРТНЫХ СРЕДСТВ
(57) Реферат:
Изобретение относится к контрольно-измерительной технике и может быть использовано при испытаниях, исследованиях и эксплуатации мобильных сельскохозяйственных агрегатов, автотранспортных средств, гусеничных машин и других подвижных объектов, оснащенных дизельными двигателями, а также комплексном диагностировании их технического состояния в процессе эксплуатации. В устройство введены датчик количества и качества примесей в масле смазочной системы, два датчика напора охлаждающей жидкости, пятый и шестой первичные преобразователи и информационное табло неисправностей силовой установки. Датчик количества и качества примесей в масле смазочной системы через пятый первичный преобразователь связан с третьим входом блока аналого-цифрового преобразования. Два датчика напора охлаждающей жидкости через шестой первичный преобразователь связаны с четвертым входом блока аналого-цифрового преобразования. Второй вход блока аналого-цифрового преобразования соединен с третьим выходом блока управления приемопередатчиком, а выход соединен с входом элемента сравнения. Первый выход элемента сравнения соединен с ключом, а второй – с информационным табло неисправностей силовой установки. В результате повышается эксплуатационная надежность силовых установок транспортных средств за счет расширения диапазона диагностируемых параметров, снижается трудоемкость измерений при регистрации эксплуатационных параметров, расширяются функциональные возможности устройства. 1 ил.
Изобретение относится к контрольно-измерительной технике и может быть использовано при испытаниях, исследованиях и эксплуатации мобильных сельскохозяйственных агрегатов, автотранспортных средств, гусеничных машин и других подвижных объектов, оснащенных дизельными двигателями, а также комплексном диагностировании их технического состояния в процессе эксплуатации.
Известно устройство для определения эксплуатационных параметров транспортных средств [Патент РФ №2107946 С1, МПК С07С 5/08, 1998 г.], содержащее датчик топлива и датчик пути, соединенные с входами первого и второго первичных преобразователей соответственно, счетчики, инвертор, буферные элементы И, детекторы, делители, датчик частоты вращения коленчатого вала двигателя, третий первичный преобразователь, генератор временных импульсов, блок идентификации транспортного средства, программируемый интерфейс, состоящий из приемопередатчика, блока управления приемопередатчиком, регистра адреса сигнала, дешифратора адреса сигнала, блоки ключей, блоки согласования уровней сигналов. Выход датчика оборотов коленчатого вала двигателя соединен с входом третьего первичного преобразователя, выходы первичных преобразователей через соответствующие делители подключены к первым входам второго, четвертого и пятого буферных элементов И, выходы первого и третьего первичных преобразователей подключены к входам первого и второго детекторов соответственно, выход первого из которых соединен с входом генератора временных импульсов, выход второго подключен к второму входу второго буферного элемента И и через инвертор к второму входу третьего буферного элемента И, один выход генератора временных импульсов соединен с первыми входами первого буферного элемента И и блока управления интерфейса, первый выход которого соединен с вторыми входами первого, четвертого и пятого и третьими входами второго и третьего буферных элементов И, второй и третий выходы подключены к управляющим входам регистра адреса сигнала и приемопередатчика соответственно, входы и выходы которого подключены соответственно к выходам первого и входам второго блоков согласования уровней сигналов. Шина данных приемопередатчика соединена с выходами блоков ключей и информационными входами регистра адреса сигнала, выходы которого подключены к входам дешифратора адреса сигнала, выходы первого, второго, третьего, четвертого и пятого буферных элементов И соответственно через счетчик времени, счетчик частоты вращения коленчатого вала работы двигателя на месте, счетчик пройденного пути и выход блока идентификации транспортного средства непосредственно подключены к входам одноименных блоков ключей программируемого интерфейса, управляющие входы которых подключены к соответствующим выходам дешифратора адреса сигнала, запускающий вход блока управления приемопередатчиком объединен с одним из выходов первого блока согласования уровней сигналов.
Однако данное устройство не учитывает возможность неисправности топливной аппаратуры силовых установок транспортных средств, и существует возможность снятия параметров по расходу топлива с заведомо неисправной топливной аппаратурой из-за отсутствия динамического контроля за ее техническим состоянием.
Наиболее близким техническим решением, выбранным в качестве прототипа, является устройство для диагностирования топливной аппаратуры и определения эксплуатационных параметров транспортных средств [Патент РФ №2175149 С2 МПК, 7 G07С 5/08, 1999 г.], содержащее датчик оборотов коленчатого вала двигателя, датчик пути, датчик топлива, соединенные с входами первого, второго и третьего первичных преобразователей соответственно, выходы первичных преобразователей через соответствующие делители подключены к первым входам второго, четвертого и пятого буферных элементов И, выходы первого и третьего первичных преобразователей подключены к входам первого и второго детекторов соответственно, выход первого из которых соединен с входом генератора временных импульсов, выход второго подключен к второму входу второго буферного элемента И и через инвертор к второму входу третьего буферного элемента И, один выход генератора временных импульсов соединен с первыми входами первого буферного элемента И и блока управления приемопередатчиком программируемого интерфейса, первый выход которого соединен с вторыми входами первого, четвертого и пятого и третьими входами второго и третьего буферных элементов И, второй и третий выходы подключены к управляющим входам регистра адреса сигнала и приемопередатчика соответственно, входы группы и выходы группы которого подключены соответственно к выходам группы первого и входам группы второго блоков согласования уровней сигналов, шина данных приемопередатчика соединена с выходами блоков ключей и информационными входами регистра адреса сигнала, выходы которого подключены к входам дешифратора адреса сигнала, выходы первого, второго, третьего, четвертого и пятого буферных элементов И соответственно через счетчик времени, счетчик частоты вращения коленчатого вала работы двигателя на месте, счетчик пройденного пути и выход блока идентификации транспортного средства непосредственно подключены к входам одноименных блоков ключей программируемого интерфейса, управляющие входы которых подключены к соответствующим выходам дешифратора адреса сигнала, запускающий вход блока управления приемопередатчиком объединен с одним из выходов первого блока согласования уровней сигналов, датчик давления, четвертый первичный преобразователь, блок аналого-цифрового преобразования, причем датчик давления, устанавливаемый на линии высокого давления топливной аппаратуры силовых установок, через четвертый первичный преобразователь связан с первым входом блока аналого-цифрового преобразования, второй вход которого соединен с третьим выходом блока управления приемопередатчиком, а выход соединен с входом элемента сравнения, выход которого соединен с ключом.
Однако данное устройство не позволяет производить комплексный динамический контроль технического состояния в целом силовой установки в процессе эксплуатации транспортного средства.
Технический результат направлен на повышение эксплуатационной надежности силовых установок транспортных средств за счет расширения диапазона диагностируемых параметров, на снижение трудоемкости измерений при регистрации эксплуатационных параметров, а также на увеличение функциональных возможностей устройства.
Технический результат достигается тем, что в устройство для диагностирования силовых установок и определения эксплуатационных параметров транспортных средств, содержащее датчик частоты вращения коленчатого вала двигателя, датчик пути, датчик топлива, соединенные с входами первого, второго и третьего первичных преобразователей соответственно, выходы первичных преобразователей через соответствующие делители подключены к первым входам второго, четвертого и пятого буферных элементов И, выходы первого и третьего первичных преобразователей подключены к входам первого и второго детекторов соответственно, выход первого из которых соединен с входом генератора временных импульсов, выход второго подключен к второму входу второго буферного элемента И и через инвертор к второму входу третьего буферного элемента И, один выход генератора временных импульсов соединен с первыми входами первого буферного элемента И и блока управления приемопередатчиком программируемого интерфейса, первый выход которого соединен с вторыми входами первого, четвертого и пятого и третьими входами второго и третьего буферных элементов И, второй и третий выходы подключены к управляющим входам регистра адреса сигнала и приемопередатчика соответственно, входы группы и выходы группы которого подключены соответственно к выходам группы первого и входам группы второго блоков согласования уровней сигналов, шина данных приемопередатчика соединена с выходами блоков ключей и информационными входами регистра адреса сигнала, выходы которого подключены к входам дешифратора адреса сигнала, выходы первого, второго, третьего, четвертого и пятого буферных элементов И соответственно через счетчик времени, счетчик частоты вращения коленчатого вала работы двигателя на месте, счетчик пройденного пути и выход блока идентификации транспортного средства непосредственно подключены к входам одноименных блоков ключей программируемого интерфейса, управляющие входы которых подключены к соответствующим выходам дешифратора адреса сигнала, запускающий вход блока управления приемопередатчиком объединен с одним из выходов первого блока согласования уровней сигналов, датчик давления, четвертый первичный преобразователь, блок аналого-цифрового преобразования, причем датчик давления, устанавливаемый на линии высокого давления топливной аппаратуры силовых установок, через четвертый первичный преобразователь связан с первым входом блока аналого-цифрового преобразования, второй вход которого соединен с третьим выходом блока управления приемопередатчиком, а выход соединен с входом элемента сравнения, первый выход которого соединен с ключом, дополнительно введены датчик количества и качества примесей в масле смазочной системы, два датчика напора охлаждающей жидкости, пятый и шестой первичные преобразователи и информационное табло неисправностей силовой установки, причем датчик количества и качества примесей в масле смазочной системы, устанавливаемый в маслоприемнике, через пятый первичный преобразователь связан с третьим входом блока аналого-цифрового преобразования, два датчика напора охлаждающей жидкости, устанавливаемые во всасывающем и нагнетательном патрубках системы охлаждения, через шестой первичный преобразователь связаны с четвертым входом блока аналого-цифрового преобразования, а второй выход элемента сравнения соединен с информационным табло неисправностей силовой установки.
Отличительными признаками является то, что в устройство для диагностирования силовых установок и определения эксплуатационных параметров транспортных средств дополнительно введены датчик количества и качества примесей в масле смазочной системы, два датчика напора охлаждающей жидкости, пятый и шестой первичные преобразователи и информационное табло неисправностей силовой установки, причем датчик количества и качества примесей в масле смазочной системы, устанавливаемый в маслоприемнике, через пятый первичный преобразователь связан с третьим входом блока аналого-цифрового преобразования, два датчика напора охлаждающей жидкости, устанавливаемые во всасывающем и нагнетательном патрубках системы охлаждения, через шестой первичный преобразователь связаны с четвертым входом блока аналого-цифрового преобразования, а второй выход элемента сравнения соединен с информационным табло неисправностей силовой установки.
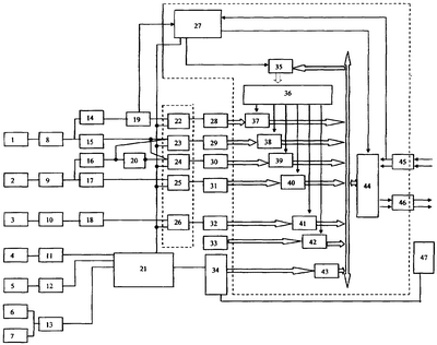
На чертеже приведена структурная схема предлагаемого устройства.
Устройство для диагностирования силовых установок и определения эксплуатационных параметров транспортных средств содержит датчик 1 частоты вращения коленчатого вала двигателя, датчик 2 пути /для транспортных средств с электроприводом тахометра и спидометра могут отсутствовать/, датчик 3 топлива, датчик 4 давления, датчик 5 количества и качества примесей в масле смазочной системы, датчики 6, 7 напора охлаждающей жидкости, первичные преобразователи 8, 9, 10, 11, 12 и 13, детекторы 14 и 16, делители 15, 17 и 18, генератор 19 временных импульсов, инвертор 20, блок 21 аналого-цифрового преобразования, буферные элементы И 22-26, блок 27 управления приемопередатчиком, который состоит из комбинации микросхем, счетчик 28 времени, счетчик 29 частоты вращения коленчатого вала работы двигателя в движении, счетчик 30 частоты вращения коленчатого вала работы двигателя на месте, счетчик 31 пройденного пути, счетчик 32 расхода топлива, блок 33 идентификации транспортного средства, элемент 34 сравнения, регистр 35 адреса сигнала и дешифратор 36 адреса сигнала, состоящие из набора микросхем, ключи 37-43, приемопередатчик 44, представляющий собой большую интегральную схему, блоки 45, 46 согласования уровней сигналов, включающих в себя полупроводниковые элементы, информационное табло 47 неисправностей силовой установки. При этом выход датчика 1 частоты вращения коленчатого вала двигателя соединен через первичный преобразователь 8 с входами детектора 14 и делителя 15, выход детектора 14 подключен к входу генератора 19 временных импульсов, а выход делителя 15 подключен к первым входам второго и третьего буферных элементов И 23 и 24, выходы которых соединены соответственно со счетчиком 29 частоты вращения коленчатого вала работы двигателя в движении и со счетчиком 30 частоты вращения коленчатого вала работы двигателя на месте, первый выход генератора 19 временных импульсов подключен к входу первого буферного элемента И 22, выход которого соединен с входом счетчика 31 времени, второй выход генератора 19 временных импульсов подключен к второму входу блока 27 управления приемопередатчиком. Выход датчика 2 пути через первичный преобразователь 6 подключен к входам детектора 16 и делителя 17, выход детектора 16 соединен с входом инвертора 20 и с вторым входом второго буферного элемента И 23, выход делителя 17 соединен с входом буферного элемента И 25, выход которого подключен к входу счетчика 31 пройденного пути. Выход датчика 3 топлива соединен через первичный преобразователь 10 с входом делителя 18, выход которого подключен к входу буферного элемента И 26, выход которого соединен с входом счетчика 32 расхода топлива, вход и выход блока 33 идентификации транспортного средства соединены соответственно через ключ 42 и шину соединения с приемопередатчиком 44, первый вход приемопередатчика 44 соединен с первым выходом блока 27 управления приемопередатчиком, второй вход приемопередатчика 44 подключен к выходу блока согласования уровней сигнала 45. Датчик 4 давления через первичный преобразователь 11 соединен с первым входом блока 21 аналого-цифрового преобразования, датчик 5 количества и качества примесей в масле смазочной системы через первичный преобразователь 12 соединен с третьим входом блока 21 аналого-цифрового преобразования, датчики напора охлаждающей жидкости 6 и 7 через первичный преобразователь 13 соединены с четвертым входом блока 21 аналого-цифрового преобразования, выход которого соединен с входом элемента сравнения 34, первый выход которого соединен с ключом 43, а второй с информационным табло 47 неисправностей силовой установки. Кроме того, первый выход приемопередатчика 44 соединен с блоком согласования уровней сигнала 46, выход которого является выходом устройства, второй и третий выходы приемопередатчика 44 подключены соответственно к первому входу регистра 35 адреса сигнала и через ключ 42 к входу блока 33 идентификации транспортного средства, третий, четвертый, пятый, шестой, седьмой и восьмой входы приемопередатчика 44 подключены к выходам соответственно первой, второй, третьей, четвертой, ключей 37-43, первый вход блока 27 управления приемопередатчиком соединен с выходом блока согласования уровней сигнала 45. Второй и третий выходы блока 27 управления приемопередатчиком соединены соответственно со вторым входом регистра 35 адреса сигнала, с управляющими входами пяти буферных элементов И 22-26 и с входом блока 21 аналого-цифрового преобразования, выход регистра 35 адреса сигнала соединен с входом дешифратора 36 адреса сигнала, шесть выходов которого подключены соответственно к управляющим входам шести ключей 37-42. Входы ключей 37-41 соединены соответственно с выходами счетчика 28 времени, счетчика 29 частоты вращения коленчатого вала работы двигателя в движении, счетчика 30 частоты вращения коленчатого вала работы двигателя на месте, счетчика 31 пути, счетчика 32 расхода топлива, первый вход и первый выход ключа 42 подключены к блоку 43 идентификации транспортного средства. Выходы ключей 37-41 и второй выход ключа 42 соединены соответственно с третьим, четвертым, пятым, шестым, седьмым и восьмым входами приемопередатчика 44 через шину соединения, а второй вход ключа 42 подключен через шину соединения к третьему выходу приемопередатчика 44, вход блока 45 соединяется при обмене информацией с внешним вычислительным устройством /например, с ПЭВМ/, являясь управляющим входом устройства, выход блока согласования уровней сигнала 46 подключается к внешнему вычислительному устройству при обмене информацией и является выходом устройства, а его вход соединен с первым выходом приемопередатчика 44.
Устройство работает следующим образом.
Датчиком 1 частоты вращения коленчатого вала двигателя формируются импульсы, поступающие через первичный преобразователь 8 и детектор 14 на вход генератора временных импульсов. Генератор включается, и сигналы с него через первый буферный элемент И 22 поступают на счетчик 28 времени работы двигателя транспортного средства. Одновременно импульсы с датчика 1 частоты вращения коленчатого вала двигателя подаются через первичный преобразователь 8 и делитель 15 на информативные входы второго и третьего буферных элементов И 23 и 24. Если автомобиль не двигается, то сигнал с датчика 1 частоты вращения коленчатого вала двигателя через первичный преобразователь 8, делитель 11 и третий буферный элемент И 24 поступает на счетчик 30 частоты вращения коленчатого вала работы двигателя на месте. При этом второй буферный элемент И 23 заблокирован и импульсы на счетчик 29 частоты вращения коленчатого вала работы двигателя в движении не поступают. Если автомобиль двигается, то импульсы с датчика 2 пути через первичный преобразователь 9 и детектор 16 поступают на вход инвертора 20, который блокирует третий буферный элемент И 24 и открывает второй буферный элемент И 23. В результате этого сигналы с датчика 1 частоты вращения коленчатого вала двигателя перестают поступать на счетчик 30 частоты вращения коленчатого вала работы двигателя на месте, а через открытый второй буферный элемент И 23 подаются на счетчик 29 частоты вращения коленчатого вала работы двигателя в движении. При этом информация с датчика 2 пути через первичный преобразователь 9, делитель 17 и четвертый буферный элемент И 25 поступает на счетчик 31 пройденного пути, а информация с датчика 3 расхода топлива через первичный преобразователь 10, делитель 16 и пятый буферный элемент И 26 поступает на счетчик 32 топлива. Датчиком 4 давления формируются импульсы, которые через первичный преобразователь 11 и блок 21 аналого-цифрового преобразования поступают на элемент 34 сравнения, где происходит их сравнение с сигналами исправной топливной аппаратуры, хранящимися в памяти. Если топливная аппаратура исправна, то устройство работает в обычном режиме, в случае неисправности топливной аппаратуры подается сигнал на информационное табло 47 неисправностей силовой установки, информация о виде неисправности через ключ 43 и приемопередатчик 44 передается на ПЭВМ. Датчик 5 количества и качества примесей в масле смазочной системы подает сигнал через первичный преобразователь 12 и блок 21 аналого-цифрового преобразования на элемент 34 сравнения, где происходит его анализ и сравнение с уровнем и качеством аналогового сигнала, хранящегося в памяти, в случае возникновения различных неисправностей и появления в масле различных примесей: металлической стружки, жидкости из системы охлаждения и т.д., подается сигнал на информационное табло 47 неисправностей силовой установки, информация о виде неисправности через ключ 43 и приемопередатчик 44 передается на ПЭВМ. Датчики 6, 7 напора охлаждающей жидкости, установленные во всасывающем и нагнетательном патрубке системы охлаждения, формируют сигналы, которые через первичный преобразователь 13 и блок 21 аналого-цифрового преобразования поступают на элемент 34 сравнения, где происходит их сравнительная обработка. В случае возникновения неисправностей, появления кавитационных явлений и других отклонений от нормальной работы системы охлаждения подается сигнал на информационное табло 47 неисправностей силовой установки, информация о виде неисправности через ключ 43 и приемопередатчик 44 передается на ПЭВМ. Накопленная на счетчиках при работе устройства информация передается на внешнее вычислительное устройство при обмене, для совершения которого устройство соединяется с внешним вычислительным устройством информационным кабелем. Обмен начинается с активации линий приемопередатчика Стык С2 со стороны внешнего вычислительного устройства. При этом запускается блок 27 управления приемопередатчиком 44 к шинам питания, а затем производящий программирование приемопередатчика 44 на заданный режим обмена. Запрограммированный приемопередатчик активизирует свои линии Стык С2 и подает по ним сигнал. Проанализировав полученный сигнал, внешнее вычислительное устройство начинает передавать команды в приемопередатчик 44 в последовательном виде. Приемопередатчик 44 принимает их и преобразует в параллельный код, который записывается в регистр 35 адреса сигнала и дешифруется дешифратором 36 адреса сигнала. В этом случае открывается один из ключей 37-43. Ключ подключает определенное количество разрядов с группы счетчиков 28-32 на вход приемопередатчика 44. Приемопередатчик 44 преобразует эту информацию в последовательный вид и по линиям Стык С2 передает на внешнее вычислительное устройство. Внешнее вычислительное устройство, приняв эту информацию, передает новый адрес для открытия другого ключа. Обмен продолжается до тех пор, пока вся информация не будет считана. Во избежание сбоев при обмене входы счетчиков 28-32 блокируются соответствующими буферными элементами И 22-26 на время обмена и поступление на них информации прекращается. Проанализировав поступившую информацию, внешнее вычислительное устройство (например, ПЭВМ) производит расчет эксплуатационных параметров транспортного средства:
– средняя скорость движения на маршруте;
– среднее эксплуатационное число оборотов коленчатого вала двигателя транспортного средства при работе на установленном маршруте;
– средняя используемая эксплуатационная мощность двигателя транспортного средства при работе на установленном маршруте;
– среднее число оборотов коленчатого вала двигателя транспортного средства на 1 км пробега;
– средняя сила тяги, подводимая к колесам за время движения;
– средний коэффициент сопротивления движению на маршруте;
– теоретически ожидаемый расход топлива за поездку;
– расход топлива на1 км пробега;
– среднее количество оборотов коленчатого вала двигателя транспортного средства на 1 л израсходованного топлива;
– средний эксплуатационный КПД транспортного средства;
– усредненная масса груза, перевезенная транспортным средством за поездку;
– наличие неисправности топливной аппаратуры и ее вид;
– наличие неисправности системы охлаждения и ее вид;
– наличие неисправностей в парах трения;
– качество смазочного материала.
Повышенная информативность устройства за счет расширения диапазона диагностируемых параметров силовых установок, а также регистрация параметров транспортных средств в более тесной взаимосвязи между собой позволяют более точно определять эксплутационные параметры транспортных средств, регистрировать информацию о режимах работы подвижного объекта, а также диагностировать техническое состояние силовой установки, что позволяет избежать преждевременного выхода из строя силовой установки за счет своевременного информирования водителя о наличии неисправности, а при наличие соответствующего программного обеспечения для ЭВМ о виде и степени неисправности. Оснащение автомобильного парка устройствами подобного типа позволяет в значительной мере автоматизировать процесс управления эксплуатацией транспортных средств и высвободить людей, непосредственно им занятых, повысить при этом эффективность использования транспортных средств.
Формула изобретения
Устройство для диагностирования силовых установок и определения эксплуатационных параметров транспортных средств, содержащее датчик частоты вращения коленчатого вала двигателя, датчик пути, датчик топлива, соединенные с входами первого, второго и третьего первичных преобразователей соответственно, выходы первичных преобразователей через соответствующие делители подключены к первым входам второго, четвертого и пятого буферных элементов И, выходы первого и третьего первичных преобразователей подключены к входам первого и второго детекторов соответственно, выход первого из которых соединен с входом генератора временных импульсов, выход второго подключен к второму входу второго буферного элемента И и через инвертор к второму входу третьего буферного элемента И, один выход генератора временных импульсов соединен с первыми входами первого буферного элемента И и блока управления приемопередатчиком программируемого интерфейса, первый выход которого соединен с вторыми входами первого, четвертого и пятого и третьими входами второго и третьего буферных элементов И, второй и третий выходы подключены к управляющим входам регистра адреса сигнала и приемопередатчика соответственно, входы группы и выходы группы которого подключены соответственно к выходам группы первого и входам группы второго блоков согласования уровней сигналов, шина данных приемопередатчика соединена с выходами блоков ключей и информационными входами регистра адреса сигнала, выходы которого подключены к входам дешифратора адреса сигнала, выходы первого, второго, третьего, четвертого и пятого буферных элементов И соответственно через счетчик времени, счетчик частоты вращения коленчатого вала работы двигателя на месте, счетчика пройденного пути и выход блока идентификации транспортного средства непосредственно подключены к входам одноименных блоков ключей программируемого интерфейса, управляющие входы которых подключены к соответствующим выходам дешифратора адреса сигнала, запускающий вход блока управления приемопередатчиком объединен с одним из выходов первого блока согласования уровней сигналов, датчик давления, четвертый первичный преобразователь, блок аналого-цифрового преобразования, причем датчик давления, устанавливаемый на линии высокого давления топливной аппаратуры силовых установок, через четвертый первичный преобразователь связан с первым входом блока аналого-цифрового преобразования, второй вход которого соединен с третьим выходом блока управления приемопередатчиком, а выход соединен с входом элемента сравнения, выход которого соединен с ключом, отличающееся тем, что в устройство введены: датчик количества и качества примесей в масле смазочной системы, два датчика напора охлаждающей жидкости, пятый и шестой первичные преобразователи и информационное табло неисправностей силовой установки, причем датчик количества и качества примесей в масле смазочной системы, устанавливаемый в маслоприемнике, через пятый первичный преобразователь связан с третьим входом блока аналого-цифрового преобразования, два датчика напора охлаждающей жидкости, устанавливаемые во всасывающем и нагнетательном патрубках системы охлаждения, через шестой первичный преобразователь связаны с четвертым входом блока аналого-цифрового преобразования, а второй выход элемента сравнения соединен с информационным табло неисправностей силовой установки.
РИСУНКИ
MM4A – Досрочное прекращение действия патента СССР или патента Российской Федерации на изобретение из-за неуплаты в установленный срок пошлины за поддержание патента в силе
Дата прекращения действия патента: 26.04.2008
Извещение опубликовано: 10.01.2010 БИ: 01/2010
|
|