|
|
(21), (22) Заявка: 2006120205/09, 08.06.2006
(24) Дата начала отсчета срока действия патента:
08.06.2006
(46) Опубликовано: 20.10.2007
(56) Список документов, цитированных в отчете о поиске:
SU 1437888 A1, 26.01.1987. RU 2071115 C1, 27.12.1996. RU 2009543 C1, 15.03.1994. US 2005149341 A1, 07.07.2005.
Адрес для переписки:
197082, Санкт-Петербург, П-82, ул. Красного Курсанта, 16, Зам. начальника по учебной и научной работе, ВКА им. А.Ф.Можайского
|
(72) Автор(ы):
Гришин Владимир Дмитриевич (RU), Петрошенко Александр Васильевич (RU), Красноруцкий Сергей Николаевич (RU)
(73) Патентообладатель(и):
Государственное образовательное учреждение высшего профессионального образования Военно-Космическая академия имени А.Ф. Можайского Министерства обороны РФ (RU)
|
(54) УСТРОЙСТВО ДЛЯ ОПРЕДЕЛЕНИЯ ОПТИМАЛЬНОГО ПЕРИОДА ТЕХНИЧЕСКОГО ОБСЛУЖИВАНИЯ СИСТЕМЫ
(57) Реферат:
Изобретение относится к вычислительной технике, в частности к устройствам контроля, и может быть использовано в научных исследованиях и технике, где требуется определить оптимальные сроки технического обслуживания сложных систем, а также время простоя каждой подсистемы, связанного с восстановлением работоспособности в случае отказа и с проведением предупредительной профилактики. Техническим результатом является расширение области применения и информативности. Устройство содержит датчик времени, m вычислителей коэффициента простоя (по числу подсистем, входящих в обслуживаемую систему), причем каждый вычислитель включает в себя функциональный преобразователь, два умножителя, два сумматора, два вычитателя, интегратор и делитель. В устройство также входит блок задержки, включающий в себя m-2 элемента задержки; анализатор, реализующий выбор максимальной из m переменных; элемент задержки, элемент сравнения, ключ и блок из m выходных цепей, каждая из которых представляет собой последовательно соединенные элемент задержки и ключ. 1 ил.
Изобретение относится к устройствам контроля и может быть использовано в научных исследованиях и технике, где требуется находить оптимальные по критерию минимума простоя периоды технического обслуживания систем и значения времени вынужденного простоя средств, составляющих систему.
Известны устройства [1, 2], позволяющие определять периоды обслуживания, обеспечивающие минимизацию коэффициентов простоя изделий. Их общим недостатком является узкая область применения, так как они ориентированы на отдельные изделия, не входящие непосредственно в состав системы. Известно также устройство [3], предназначенное для определения оптимального периода технического обслуживания сложной системы. Его недостатком является узкая область применения, так как оно ориентировано на системы, в которых не предусмотрено проведение плановой, предупредительной профилактики средств. Кроме того, в это устройство включен ряд элементов, представляющих собой сложные конструкции, требующие определенной детализации. К их числу относятся: сумматор 10, выполняющий одновременно операции сложения и вычитания; функциональный преобразователь, реализующий две функции Р( ) и [1-Р( )], причем в описании его работы имеется опечатка; проблематичной представляется корректность решения задачи выбора анализатором 1 минимальной из m переменных при отсутствии задержек входных сигналов, поступающих от вычислителей 9-3 по 9-m.
Наиболее близким по технической сущности к заявляемому является устройство [4], содержащее датчик времени, анализатор, выполняющий выбор минимальной из m переменных, элементы задержки, ключи, элемент сравнения, регистратор, а также m вычислителей коэффициентов простоя подсистем, каждый из которых включает в себя функциональный преобразователь, реализующий функцию Pj( ), интегратор, три сумматора, делитель и умножитель. Его недостатком является узкая область применения, так как оно не может быть использовано для широкого класса изделий и систем, техническое обслуживание которых включает в себя проведение плановой, предупредительной профилактики.
Целью заявляемого технического решения является расширение области применения и информативности устройства. Область применения расширяется за счет реализации математической модели, позволяющей учитывать время пребывания каждого средства (подсистемы) сложной системы в различных состояниях, включая состояние плановой, предупредительной профилактики. Информативные возможности расширяются путем выдачи в качестве выходных параметров времени простоя каждой из подсистем при оптимальной периодичности обслуживания системы в целом.
Процесс технического обслуживания имеет циклический характер Средняя продолжительность цикла обслуживания любой из подсистем выражается следующим соотношением:

где – период обслуживания;
– среднее время контроля работоспособности;
– среднее время плановой, предупредительной профилактики;
– среднее время аварийно-восстановительных работ;
Р( ) – вероятность безотказной работы за время .
Если контроль состояния и техническое обслуживание средств системы проводятся в плановые сеансы с периодичностью , то на интервале времени между сеансами каждая подсистема может находиться не только в работоспособном состоянии, но и в состоянии скрытого отказа. При этом будет справедливо следующее соотношение:

где – среднее время работоспособного состояния, а – среднее время пребывания средства в отказе.
Значение определяется по формуле

При проведении операции контроля, профилактики и аварийно-восстановительных работ, а также в случае отказа любого из средств системы, эта система не может применяться по назначению.
Техническое обслуживание целесообразно проводить в сроки, обеспечивающие требуемое качество функционирования всех средств системы. Комплексным показателем качества является коэффициент простоя, который выражается следующим соотношением:

где – среднее время вынужденного простоя, связанного с обслуживанием технических средств, т.е

с учетом этого и используя (1) и (4) запишем

Как показывают результаты исследований, функция Kп( ) имеет единственный экстремум. При некотором значении периода обслуживания коэффициент простоя имеет минимальное значение.
Техническая система включает в себя множество различных по сложности и надежности средств (подсистем). Каждое средство характеризуется индивидуальными значениями всех составляющих цикла обслуживания (1). Поэтому для каждого i-го средства системы можно определить оптимальное значение . Множество соответствующее числу подсистем сложной системы, образует такую временную программу обслуживания системы, практическая реализация которой может оказаться неприемлемой. Конструктивным решением является применение максиминной стратегии обслуживания. При этом все подсистемы сложной системы будут обслуживаться одновременно с периодичностью, определяемой следующим образом:

С учетом соотношений (2), (3), (6) и (7) задачу определения оптимального периода технического обслуживания системы запишем в следующем виде:

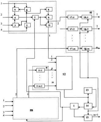
Предложенная модель может быть реализована аппаратурно с помощью устройства, схема которого показана на чертеже.
Устройство содержит датчик времени 1, задающий возможные значения периода контроля и технического обслуживания системы, m вычислителей коэффициентов простоя подсистем (по числу подсистем, входящих в обслуживаемую систему). Каждый вычислитель содержит функциональный преобразователь 2, реализующий функцию Рj( ), умножители 3 и 6, сумматоры 4 и 7, вычитатели 5 и 9, интегратор 8 и делитель 10. В устройство также входят блок задержки 11, включающий в себя m-2 элемента задержки 11c анализатор 12, реализующий выбор максимальной из m переменных (аналогичен блоку 13 устройства [4]), элемент задержки 13, элемент сравнения 14, ключ 15, блок из m выходных цепей 16, при этом каждая цепь представляет собой соединенные последовательно элемент задержки 17i и ключ 18i 
Устройство работает следующим образом.
Датчик времени 1 с шагом  задает в порядке нарастания последовательность значений j периода контроля и технического обслуживания сложной системы j= j-1+ ,(j=1, 2, …). Сигнал, соответствующий j, с первого выхода датчика 1 времени подается на вторые входы вторых сумматоров 7i и функциональных преобразователей 2i вычислителей коэффициентов простоя подсистем. В каждом таком вычислителе выполняется вычисление коэффициента простоя Кпj соответствующей подсистемы.
Процесс вычисления коэффициентов простоя подсистемы рассмотрим на примере одного, например первого вычислителя.
При каждом очередном значении j в функциональном преобразователе 2 формируется функция Pj( )=ехр{- j} – вероятность безотказной работы подсистемы. При этом значение величины поступает в преобразователь 2 с четвертого входа вычислителя. Вычисленное значение Pj( ) передается в умножители 3 и 6 и в интегратор 8. В последнем функция Рj( ) интегрируется, причем верхний предел интегрирования определяется текущим значением j. Результат интегрирования соответствующий среднему времени полезного функционирования подсистемы на периоде j, с выхода интегратора 8 передается во второй вычитатель 9.
В то же время в умножителе 6 величина Pj( ) перемножается с величиной – среднего времени аварийно-востановительных работ, поступающей с первого входа вычислителя коэффициента постоя подсистемы. Результат перемножения с выхода первого умножителя 6 передается в первый вычитатель 5, где вычисляется разность и передается в первый сумматор 4. Во втором умножителе 3 перемножаются значения , поступающие с третьего входа вычислителя и Рj( ). Результат перемножения с выхода умножителя 3 передается в первый сумматор 4. Кроме того, в первый сумматор 4 со второго входа вычислителя коэффициента простоя поступает заданное значение величины .
Итог сложения с выхода первого сумматора 4 передается в второй сумматор 7, где реализуется сумма и передается во второй вычитатель 9 и в делитель 10. В вычитателе 9 формируется сигнал, соответствующий времени простоя подсистемы, т.е. и передается в делитель 10, а также в блок выходных цепей 16. В делителе 10 формируется значение коэффициента простоя подсистемы, соответствующее текущему значению периода контроля и технического обслуживания j, т.е:

Вычисленное значение Кп( ) с выхода делителя 10 передается на первый выход вычислителя коэффициента простоя подсистемы. Таким образом, при каждом значении j на первом выходе каждого вычислителя появляется сигнал Kпj, а на втором выходе – сигнал, соответствующий вычисленному значению прj. С первых выходов первого и второго вычислителей коэффициентов простоя подсистем непосредственно, а начиная с третьего и до последнего аналогичных вычислителей через соответствующие элементы задержки группы 11 вычисленные значения Кпij передаются на соответствующие входы элементов сравнения анализатора 12 [3]. При этом временная задержка, которую должны обеспечивать элементы задержки группы 11, определяется временем распространения сигналов в цепях анализатора 12.
С выхода анализатора 12 наибольшее значение коэффициента простоя

поступает на вход первого элемента задержки 13 и на первый вход элемента сравнения 14. При этом ранее вычисленное значение

с выхода элемента задержки 13 поступает на второй вход элемента сравнения 14.
В исходном состоянии перед началом работы устройства элемент задержки 13 переводится в нулевое состояние.
В элементе сравнения 14 сравниваются между собой величины Kпj и Kпj-1, одна из которых соответствует текущему значению j, а другая предшествующему j-1. Если в результате сравнения окажется, что Кпj-1 Кпj. то с первого выхода блока сравнения 14 выдается управляющий сигнал датчику времени 1 на выдачу очередного значения j+1, и процесс вычисления Кп системы повторится, но уже при новом j+1 значении периода. В противном случае, т.е. при Kпj-1пj, управляющий сигнал со второго выхода блока сравнения 14 поступает на разрешающий вход ключа 15 и значение j-1, соответствующее оптимальному периоду контроля и технического обслуживания сложной системы, со второго выхода датчика времени 1 через ключ 15 поступает на m+1 выход устройства. В то же время, управляющий сигнал со второго выхода блока сравнения 14 поступает на разрешающие входы ключей 18i блока выходных цепей 16. При этом, сигнал пpi со второго выхода каждого вычислителя коэффициента простоя через соответствующую пару соединенных последовательно элемента задержки 17i и ключа 18i блока выходных цепей 16 поступит на определенный (i) выход устройства.
Таким образом на m+1 выходе устройства будет величина  а на выходах блока выходных цепей – величины соответствующих подсистем. На этом работа устройства заканчивается.
Положительный эффект, который дает предлагаемое техническое решение, состоит в том, что устройство позволяет определять оптимальный период технического обслуживания системы с учетом временных затрат на контроль состояния, планово-предупредительную профилактику и ремонтно-восстановительные работы каждой из подсистем обслуживаемой системы. Вместе с тем оно обеспечивает вычисление среднего времени простоя по техническим причинам подсистем при оптимальных сроках обслуживания системы в целом.
При составлении описания и формулировании изобретения использованы следующие источники информации.
1. В.Д.Гришин, Ю.С.Мануйлов, А.Н.Щенев. Патент №2206123, М. Кл.7 G07С 3/08, 2003 г.
2. Г.Н.Воробьев, В.Д.Гришин, В.А.Денченков. А.с. СССР №1320825, М. Кл.4 G07С 3/08, 1987 г.
3. Г.Н.Воробьев, В.Д.Гришин, А.Н.Тимофеев. А.с. СССР №1679512, М. Кл.5 G07С 3/02, 1991 г.
4. Г.Н.Воробьев, В.Д.Гришин, Д.И.Марков. А.с. СССР №1437888, М. Кл.4 G07С 3/02, 1988 г.
5. И.М.Тетельбаум, Ю.Р.Шрейдер. 400 схем для АВМ. – М., 1978 г.
Формула изобретения
Устройство для определения оптимального периода технического обслуживания системы, содержащее датчик времени, m вычислителей коэффициентов простоя подсистем, каждый из которых содержит функциональный преобразователь, выход которого соединен с входом интегратора и вторым входом первого умножителя, выход которого подключен ко второму входу первого вычитателя, а первый вход вместе с первым входом вычитателя является первым входом вычислителя коэффициента простоя, второй вход которого через соединенные последовательно первый сумматор, второй сумматор и делитель связан с первым выходом вычислителя коэффициента простоя, пятый вход которого соединен со вторым входом функционального преобразователя и с первым выходом датчика времени, второй выход которого подключен к информационному входу ключа, выход которого является m+1 выходом устройства, а разрешающий вход подключен ко второму выходу элемента сравнения, первый выход которого соединен с входом датчика времени, первый вход непосредственно, а второй вход через элемент задержки подключены к выходу анализатора на m входов, первый вход которого соединен непосредственно с первым выходом первого вычислителя коэффициента простоя, второй вход – непосредственно с первым выходом второго вычислителя коэффициента простоя, а входы от третьего по m – через индивидуальные элементы задержки блока задержки связаны соответственно с первыми выходами остальных m-2 вычислителей коэффициентов простоя подсистем, отличающееся тем, что в него введен блок выходных цепей, а в каждый вычислитель коэффициента простоя включены второй умножитель и второй вычитатель, при этом выход первого вычитателя соединен с третьим входом первого сумматора, второй вход которого подключен к выходу второго умножителя, первый вход которого является третьим входом вычислителя коэффициента простоя, четвертый вход которого соединен с первым входом функционального преобразователя, выход которого связан со вторым второго умножителя, а второй вход соединен со вторым входом второго сумматора, выход которого подключен ко второму входу второго вычитателя, первый вход которого соединен с выходом интегратора, а выход – со вторым выходом вычислителя коэффициента простоя и с первым входом делителя, вторые выходы вычислителей коэффициентов простоя соединены индивидуально с соответствующими входами блока выходных цепей, включающего в себя m цепей по числу вычислителей коэффициентов простоя, каждая из которых состоит из соединенных последовательно элемента задержки и ключа, при этом разрешающие входы ключей блока выходных цепей запараллелены и соединены со вторым выходом элемента сравнения, выходы являются соответствующими m выходам устройства, а информационные входы через элементы задержки соединены индивидуально с соответствующими m входами блока входных цепей.
РИСУНКИ
MM4A – Досрочное прекращение действия патента СССР или патента Российской Федерации на изобретение из-за неуплаты в установленный срок пошлины за поддержание патента в силе
Дата прекращения действия патента: 09.06.2008
Извещение опубликовано: 20.03.2010 БИ: 08/2010
|
|