|
|
(21), (22) Заявка: 2004130471/09, 06.03.2003
(24) Дата начала отсчета срока действия патента:
06.03.2003
(30) Конвенционный приоритет:
15.03.2002 EP 02405203.7
(43) Дата публикации заявки: 10.04.2005
(46) Опубликовано: 20.10.2007
(56) Список документов, цитированных в отчете о поиске:
FR 2803939 А, 20.07.2001. RU 2127671 C1, 20.03.1999. SU 1799331 A3, 28.02.1993. US 6082778 A, 04.07.2000. US 5876068 A, 02.03.1999.
(85) Дата перевода заявки PCT на национальную фазу:
15.10.2004
(86) Заявка PCT:
IB 03/00831 (06.03.2003)
(87) Публикация PCT:
WO 03/079283 (25.09.2003)
Адрес для переписки:
129010, Москва, ул. Б.Спасская, 25, стр.3, ООО “Юридическая фирма Городисский и Партнеры”, пат.пов. С.А.Дорофееву
|
(72) Автор(ы):
ЖИОРИ Фаусто (CH), БОМОН Оливье (CH), МОРО Венсан (CH)
(73) Патентообладатель(и):
КБА-ЖИОРИ С.А. (CH)
|
(54) ЗАЩИТНЫЙ ЭЛЕМЕНТ ДЛЯ НОСИТЕЛЯ ДАННЫХ
(57) Реферат:
Изобретение относится к элементу защиты для такого носителя данных, как банковские билеты, ценные бумаги, чеки, кредитные карточки, карточки удостоверения личности и аналогичные документы. Основа защитного элемента содержит первый слой материала и по меньшей мере первый непрозрачный слой материала, покрывающий, частично или полностью первый слой материала. Первый слой имеет, по меньшей мере, две прилегающие друг к другу зоны разного цвета. Элемент также имеет рисунок, сформированный частичным гравированием непрозрачного слоя. Рисунок проходит по меньшей мере частично по каждой из указанных зон, в результате чего рисунок имеет прилегающие друг к другу части разного цвета в совершенной приводке, видимые через указанный непрозрачный слой. Технический результат заключается в создании элемента защиты, который осуществляется с помощью имеющегося оборудования, используемого для изготовления носителей данных, содержащих элементы защиты. 3 и 18 з.п. ф-лы, 6 ил.
Настоящее изобретение относится к элементу защиты для носителя данных, такого как банковские билеты, ценные бумаги, чеки, кредитные карточки, удостоверения личности и аналогичные документы.
Изобретение также относится к носителю данных, содержащему этот элемент защиты, и к способу создания носителя данных, имеющего элемент защиты согласно настоящему изобретению.
В области банковских билетов и ценных бумаг существует становящаяся все более настоятельной необходимость обеспечения средств защиты от подделки. Действительно, за последние годы компьютеры, сканеры и копировальные машины значительно усовершенствовались, и сегодня можно купить очень качественные и производительные устройства по разумной цене. Поскольку эти устройства становятся все более эффективными, существует необходимость разрабатывать новые и усовершенствованные средства защиты для таких ценных бумаг, как банковские билеты, чеки, карточки (т.е. кредитные карточки), удостоверения личности, паспорта и пр., которые исключат возможность их копирования обычными компьютерами или сканерами, или даже современными машинами для многоцветного копирования.
Эти средства защиты включают в себя специальную краску, т.н. оптически изменяющуюся краску (ОИК) или другие краски со свойствами радужности, использующиеся для печати определенных рисунков на основе банковского билета; оптически изменяющиеся средства (ОИС) в виде металлизированных участков или голограмм, или также в виде особых рисунков, таких как муар и другие подобные рисунки, копировать которые с помощью имеющихся устройств очень трудно, если вообще возможно, но, с другой стороны, визуальное контролирование которых легкое.
Прочими средствами защиты являются сочетания налагающихся друг на друга линий и/или рисунков, цвет которых виден только в определенных условиях, например в ультрафиолетовом излучении или на просвет. Особенность этих средств защиты состоит в том, что их можно легко напечатать или разместить на защищаемом документе и также контролировать простыми устройствами даже визуально, но их невозможно воспроизвести имеющимися принтерами, сканерами или копировальными машинами.
Еще один метод предусматривает использование водяных знаков, в которых бумажная основа помечена линиями или рисунками, видимыми только на просвет. Другая разновидность этого метода представляет собой псевдоводяные знаки, представляющие собой окно в основе, особенно в бумажной основе, обычно непрозрачной, но окно является прозрачным.
Патент США № 6082778, содержание которого включено в данный документ посредством ссылки, раскрывает карточку удостоверения личности, защищенную от недозволенного воспроизведения копировальной машиной. Согласно этому патенту, основная идея изобретения заключается в создании элемента защиты путем комбинирования эффекта защиты, обеспечиваемого тонким металлическим слоем, с физическими, в частности оптическими, свойствами еще одного слоя, взаимодействие которых предотвращает воспроизведение удостоверения личности. Под прозрачным слоем покрытия карточки находится металлический слой над слоем, имеющим особые оптические свойства. Согласно первому осуществлению, металлический слой локально деметаллизирован, открывая слой, имеющий особые оптические свойства, т.е. делающие его видимым в деметаллизированной области. Разный контраст этих слоев обеспечивает легкую визуальную узнаваемость знаков. Согласно предпочтительному осуществлению, слой с особыми оптическими свойствами темный, в частности черный. Действительно, комбинация непосредственного отражения металлизированной области и слоя сильного поглощения (например, черного слоя) не дает фотоприемнику копировальной машины отличить разность контраста и поэтому помеченная информация полностью исчезает.
Еще одно осуществление, раскрываемое в этом патенте, предусматривает слой с особыми оптическими свойствами и содержащий флуоресцирующие или фосфоресцирующие вещества, которые под световым излучением копировальной машины не излучают свет с длиной волны в оптически видимом диапазоне спектра. Таким образом, помеченный участок не воспроизводится копировальной машиной.
Помимо этого, при офсетной печати несколько цветов комбинируются с получением напечатанных цветных изображений. Этими цветами обычно являются голубой, красный, желтый и черный, и соответствующая комбинация этих цветов позволяет напечатать любой цвет. В стандартных группах офсетной печати каждый из указанных цветов печатается автономно, т.е. разные последовательные группы печати (по одной для каждого цвета), и поэтому очень трудно получить должную приводку цветов либо на каждой стороне напечатанного материала либо в двухсторонней приводке.
Задача настоящего изобретения заключается в создании обладающего новизной элемента для носителей данных.
В частности, задача настоящего изобретения заключается в обеспечении элемента защиты, который очень трудно скопировать или подделать обычными современными сканерами, копировальными машинами или прочими эквивалентными устройствами, и также отпечатать существующим типографским оборудованием.
Еще одна задача настоящего изобретения заключается в обеспечении элемента защиты, который легко обеспечить с помощью имеющегося оборудования, используемого для изготовления носителей данных, содержащих элементы защиты.
Еще одна задача настоящего изобретения заключается в обеспечении таких носителей данных, как банковские билеты, ценные бумаги, чеки, кредитные карточки, удостоверения личности и подобные документы с усовершенствованным элементом защиты; при этом указанный носитель данных скопировать или воспроизвести современными копировальными устройствами, такими как сканеры, копированные машины или эквивалентные устройства, и также имеющимся типографским оборудованием очень трудно, если вообще возможно.
Еще одна задача настоящего изобретения заключается в обеспечении способа формирования элемента защиты согласно изобретению.
Одна из особенностей защищенной печати заключается в изменяемости информации на элементе защиты. Например, порядковый номер на банковском билете. Но отдельные порядковые номера сами по себе не обеспечивают защиты от копирования или воспроизведения. Напротив, способ формирования элемента защиты согласно настоящему изобретению обеспечивает оба аспекта защиты: аспект изменяемости и аспект присущей невозможности копирования и воспроизведения.
Эти задачи решаются с помощью обладающих новизной и изобретательским уровнем признаков согласно п.п. 1-18.
Элемент защиты согласно настоящему изобретению проявил себя как очень эффективный, не поддающийся копированию и очень трудно подделываемый с помощью обычного типографского оборудования, поскольку хорошую приводку цветов обеспечить невозможно. Получаемый эффект аналогичен т.н. методу Орлова, обеспечиваемому машиной, раскрытой в патенте США № 5036763 (одновременная многоцветная двухсторонняя печать), содержание которого включено в настоящую заявку посредством ссылки.
Элемент защиты согласно настоящему изобретению использует принцип, противоположный принципу упоминаемого патента США № 6082778. Согласно этому патенту, используется высокий контраст между неудаленным слоем (металлизированный слой) и нижним слоем, выполненным из поверхности темного цвета, например черной, которая открывается при удалении металлизированного слоя.
Причем согласно настоящему изобретению важно видеть оба слоя, особенно зоны разного цвета, и чтобы можно было непосредственно контролировать непосредственно приводку рисунка. Поскольку форма рисунка может быть очень тонкой, становится невозможным сохранить совершенную приводку цветов при копировании элемента защиты сканером, копировальной машиной или при печатании обычным типографским оборудованием, и поэтому совершенная приводка возможна только при наличии оригинальных элементов защиты.
Дополнительную защиту можно обеспечить путем соотнесения изменяющейся информации элемента защиты согласно изобретению с другой изменяющейся информацией, например с порядковым номером. Эту соотносимую информацию можно шифровать и кодировать с помощью известных способов.
Прочие отличительные признаки и преимущества настоящего изобретения станут очевидными из приводимого ниже подробного описания, излагаемого в качестве неограничивающих примеров и поясняемого прилагаемыми чертежами, на которых
Фиг. 1А-1D показывают первое осуществление элемента защиты согласно настоящему изобретению.
Фиг. 2 – второе осуществление элемента защиты согласно изобретению.
Фиг. 3 – третье осуществление элемента защиты согласно настоящему изобретению.
Фиг. 4 – первый тип носителя данных, содержащего элемент защиты согласно настоящему изобретению.
Фиг. 5 – еще один тип носителя данных, содержащего элемент защиты согласно настоящему изобретению.
Фиг. 6 – блок-схема способа согласно настоящему изобретению.
Первое осуществление элемента защиты согласно настоящему изобретению описывается со ссылкой на фиг. 1А-1С.
Фиг. 1А показывает две зоны 1, 2 первого слоя, причем обе зоны 1, 2 имеют разные цвета, схематически представленные светлой зоной 1 и темной зоной 2. Обе указанные зоны представлены прямоугольной формой, но возможны и другие эквивалентные формы, такие как круглые формы, или комбинация любого вида форм (прямоугольных и круглых, например). Этот слой формирует фон, который можно напечатать на основе, например, офсетной печатью – известным техническим способом. Разумеется, возможны и другие методы печати.
Фиг. 1В: обе зоны 1 и 2, формирующие первый слой, представлены пунктирами, и указанный первый слой покрыт непрозрачным слоем 3. Для наглядности непрозрачный слой 3 показан прозрачным, но на самом деле этот слой 3 фактически непрозрачный. Этот непрозрачный слой 3 выполнен из краски, содержащей металлические частицы, например из оптически изменяющейся краски (т.н. «ОИК»), известной из уровня техники, или в виде оптически изменяющегося средства (т.н. «ОИС»). Предпочтительно, чтобы краска, помимо прочего, была нанесена шелкотрафаретной печатью. Аналогичный радужный тип красок можно также нанести флексографской или глубокой печатью.
На фиг. 1С: рисунок 4 сформирован в элементе защиты, показанном на фиг. 1В, гравированием непрозрачного слоя 3 вдоль заданной траектории, чтобы делать видимым первый слой (зоны 1 и 2). Рисунок представляет цифру «1», но это представление не является ограничивающим и возможно любое представление, т.е. буквенно-цифровые знаки и/или геометрические формы. Для ясности обе зоны 1 и 2 представлены так, как если бы слой 3 был прозрачным, но реальный результат представлен на фиг. 1D, где второй слой 3 представлен как непрозрачный. При этом рисунок 4 содержит две части: 5 и 6 разного цвета, то есть цвет соответствующей зоны 1 или 2 формирует фон.
Поскольку обе части 5 и 6 не напечатаны отдельно, а являются результатом гравирования части непрозрачного слоя, поэтому приводка совершенная и ее нельзя было бы получить, если обе части 5, 6 были бы напечатаны отдельно.
Для гравирования непрозрачного слоя 3 используется лазерное устройство, например лазер на иттрий-алюминиевом гранате известного уровня техники. Лазер гравирует слой 3, содержащий материал, реагирующий с лазером в зависимости от коэффициента поглощения указанного материала, и луч не реагирует с зонами 1, 2 первого слоя, который формирует фон. Лазерный луч нужно контролировать либо непосредственно перемещением лазера по заданной траектории либо косвенно посредством зеркал, чтобы следовать заданной траектории и формировать нужный рисунок. Этот рисунок может формировать неизменяющуюся информацию, одинаковую для каждого создаваемого элемента защиты, или изменяющуюся информацию (например, последовательность цифр и/или букв), которая изменяется для каждого создаваемого элемента защиты. Гравирование выполняется выжиганием или сублимацией, или с помощью другого похожего способа, осуществляемого лазерным излучением. Гравирование может изменяться от одного носителя данных к другому. Гравирование можно соотносить с другой изменяющейся информацией на носителе, и также ее можно шифровать и кодировать известными средствами.
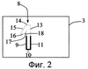
Согласно второму осуществлению, представленному на фиг. 2, рисунок 8 (номер «1») можно сформировать гравированием непрозрачного слоя 3 вдоль тонкой линии, которая повторяет периметр нужного рисунка. В этом случае рисунок 8 формируется из нескольких сегментов: сегментов 9, 10, 11, имеющих зону 2 (см. фиг. 1В) в качестве фона и поэтому – цвет зоны; и из сегментов 13-18, имеющих зону 1 в качестве фона и поэтому – цвет указанной зоны 1. Это осуществление особо целесообразно в том отношении, что тонкие линии трудно копировать как таковые и еще труднее обеспечить совершенную приводку между сегментами и цветами из-за их небольшого размера.
Третье осуществление согласно фиг. 3 содержит первый слой с двадцатью одной зоной (Z1-Z21) по меньшей мере двух разных цветов, первый непрозрачный слой 3, аналогичный слою, описываемому в других осуществлениях; и второй непрозрачный слой 19, покрывающий по меньшей мере частично первый непрозрачный слой 3 и зоны первого слоя. Например, указанный второй непрозрачный слой 19 может быть выполнен из еще одного элемента защиты, такого как оптически изменяющееся средство, сделанное из любого материала, реагирующего с лазерным лучом, как указано выше (т.н. ОИС), являющееся известным уровнем техники и выполненное в виде метки. Эта метка является металлизированной поверхностью, которая отражает свет и которую почти невозможно воспроизвести с помощью копировальных машин или воспроизвести с помощью сканеров. Поскольку этот второй непрозрачный слой 19 выполнен из материала, отличающегося от материала первого непрозрачного слоя 3, поэтому он может реагировать иным образом при воздействии на него лазерным лучом. Например, один и тот же лазерный луч может создать рисунок другой ширины в первом непрозрачном слое 3 и во втором непрозрачном слое 19. Поэтому возможно изменять ширину частей рисунка одним и тем же лазерным лучом, и это еще больше затрудняет копирование элемента защиты. Обеспечивается не только совершенная приводка разных цветов, но при этом также части разной ширины тоже имеют совершенную приводку. Но оба непрозрачных слоя могут быть выполнены из одинакового материала, но в разных цветах. В осуществлении согласно фиг. 3: первый рисунок 20 (номер «1») выгравирован в первом непрозрачном слое 3 и проходит по зонам Z4, Z5, Z6, Z7 и Z8. Второй рисунок 21 сформирован из трех параллельных и горизонтальных линий и выгравирован на обоих слоях 3 и 19, которые проходят соответственно по зонам Z7, Z10 и Z13; Z8, Z11 и Z14; Z9, Z12 и Z15. Третий рисунок 22 (буква «А») также выгравирован в слое 19 на зонах Z16, Z17, Z18, Z19, Z20 и Z21.
Это осуществление особо целесообразно в том отношении, что комбинирует несколько зон разных цветов, два непрозрачных слоя, которые могут быть выполнены из двух разных материалов, и рисунки, выгравированные в каждом непрозрачном слое и в части, в которой непрозрачные слои перекрывают друг друга.
Разумеется, в зависимости от материала, выбираемого для формирования слоев: ширина рисунка может быть большей или меньшей; и рисунок на фиг. 3 представлен как неограничивающий пример.
На фиг.4 носитель данных представлен в виде ценной бумаги 23, такой как банковский билет или чек. Билет 23 выполнен согласно известному уровню техники: из основы 23а, такой как бумажная основа или полимерная основа, или пластмассовая основа, на которой напечатан элемент 24 защиты согласно настоящему изобретению. Этот билет 23 содержит элемент защиты, раскрываемый в одном из осуществлений согласно фиг.1D, 2 или 3. Элемент 24 защиты содержит цифру «1» и букву «X». Поэтому элемент защиты согласно настоящему изобретению можно использовать для последовательной нумерации билетов, когда каждый билет получает другой номер. Это особо целесообразно для печатания изменяющейся информации, такой как порядковые номера: поскольку устройство, используемое для гравирования второго слоя 3, например лазерный луч, можно направлять для формирования любого рисунка, поэтому очень легко его использовать для нумерации последовательных билетов – в дополнение к классическим устройствам, печатающим номера. Лазерный луч может гравировать информацию, соотносящуюся с другой изменяющейся информацией, такой как порядковый номер, и эту гравируемую информацию можно шифровать и кодировать известными средствами.
Для наглядности элемент 24 защиты соответствует осуществлению согласно фиг.1D; но возможны и другие осуществления согласно фиг.2 и 3 как отдельно, так и в любом сочетании на одном и том же билете. Эта комбинация схематически показана на фиг.4, где, как сказано выше, элемент 24 может соответствовать осуществлению согласно фиг.1D, элементы 25 и 26 могут соответствовать осуществлению согласно фиг.2, и элемент 27 может соответствовать осуществлению согласно фиг. 3, например. Любая комбинация в еще большей степени улучшит характеристики билета в том отношении, что будет еще труднее копировать подделку, поскольку на нем будут разные осуществления элемента защиты. Также возможно комбинирование элементов защиты на обеих сторонах основы, с помощью одного элемента на одной стороне, и другого (того же или иного) – на другой стороне.
В еще одном осуществлении согласно фиг. 5 фон по меньшей мере с двумя зонами разного цвета может быть и не напечатан на основе, а может быть сформирован самой основой. Это особо целесообразно для основы, выполненной из пластмассы или аналогичной продукции, используемой, например, для карточек удостоверений личности, кредитных карточек и карточек электронной торговли, которые можно легко изготовить с многоцветной основой. Разумеется, этот принцип можно применить ко всем основам.
В примере, показанном на фиг. 5, основа 28 содержит две части 29 и 30 разного цвета, как это схематически представлено светлой частью 29 и темной частью 30. Части 29, 30 эквивалентны зонам 1 и 2, показанным на фиг. 1.
Элемент 31 защиты представлен на основе 28, при этом указанный элемент 31 содержит, как упомянуто выше, непрозрачный слой 32, например слой оптически изменяющейся краски, в котором рисунок создан удалением слоя 32 вдоль данной траектории. Например, рисунок имеет форму цифры «1» в двух цветах: верхняя часть 33 имеет цвет части 30 и нижняя часть 34 имеет цвет части 29.
Принципы, описываемые выше для осуществлений фиг. 2 или 3 на основе согласно фиг. 4, можно использовать для этой основы. Также возможно последующее комбинирование в этом осуществлении элемента 31 защиты с помощью разных цветов самой основы в качестве фона с другим элементом защиты, в котором фон из двух или более цветов напечатан на подложке, т.е. для применения элемента защиты, аналогичного элементам 24 или 25, или 26, или 27 согласно фиг. 4 на основе 28 осуществления согласно фиг. 5. Этот вариант схематически изображен элементом 35 на фиг. 5 и соответствует схематически элементу, показываемому на фиг. 1В, где определенный рисунок еще не обозначен. Разумеется, возможна любая комбинация не только на одной и той же стороне основы, но и на обеих сторонах основы.
Способ, соответствующий изготовлению элемента защиты согласно настоящему изобретению, схематически показан на блок-схеме фиг. 6.
Первыми двумя этапами являются: обеспечение основы с первым слоем, имеющим по меньшей мере две прилегающие друг к другу зоны разного цвета. Как указано выше, указанные две зоны можно напечатать на основе, или их можно сформировать самой основой, либо их можно напечатать на основе и частично сформировать самой основой.
Вторым этапом является покрытие, по меньшей мере частичное, указанных прилегающих друг к другу зон первым слоем, являющимся непрозрачным.
На третьем этапе указанный непрозрачный слой гравируют, предпочтительно с помощью луча лазера на иттрий-алюминиевом гранате, чтобы сформировать рисунок, например цифру, последовательность цифр, букву, последовательность букв или сочетание и того и другого, чтобы сделать первый слой видимым. Как указано выше, возможно выгравировать непрозрачный слой, соответствующий точному формируемому рисунку (см. фиг. 1D), или согласно другому варианту выполнить рисунок гравированием тонких линий, соответствующих периметру формируемого рисунка (см. фиг. 2).
Описываемые выше осуществления даны как примеры и не являются ограничивающими.
В качестве еще одного осуществления можно использовать три или более цветов для фона, в результате чего получатся рисунки с частями из трех или более разных цветов согласно принципу настоящего изобретения.
Формула изобретения
1. Элемент защиты для такого носителя данных, как банковские билеты, ценные бумаги, чеки, кредитные карточки, карточки удостоверения личности и аналогичные документы, имеющий основу (23а, 28), содержащую первый слой материала и по меньшей мере первый непрозрачный слой (3) материала, покрывающего, частично или полностью, первый слой материала, отличающийся тем, что первый слой имеет по меньшей мере две прилегающие друг к другу зоны (1, 2) разного цвета; при этом указанный элемент также имеет рисунок (4, 8), сформированный частичным гравированием непрозрачного слоя (3), причем рисунок (4, 8) проходит по меньшей мере частично по каждой из указанных зон (1, 2), в результате чего рисунок (4, 8) имеет прилегающие друг к другу части разного цвета в приводке, видимые через указанный непрозрачный слой (3).
2. Элемент защиты по п.1, отличающийся тем, что первый слой напечатан на основе (23а).
3. Элемент защиты по п.1, отличающийся тем, что первый слой сформирован указанной основой (28).
4. Элемент защиты по п.1, отличающийся тем, что первый слой частично сформирован основой (28) и частично напечатан на основе (28).
5. Элемент защиты по п.1, отличающийся тем, что содержит второй непрозрачный слой (19), покрывающий по меньшей мере частично первый слой и первый непрозрачный слой (3), причем рисунок сформирован частичным гравированием первого и второго непрозрачного слоев.
6. Элемент защиты по п.1, отличающийся тем, что непрозрачный слой (3) выполнен из оптически изменяющейся краски, или в виде оптически изменяющегося средства, или в виде сочетания того и другого.
7. Элемент защиты по п.5, отличающийся тем, что непрозрачные слои (3, 19) выполнены из оптически изменяющейся краски, или в виде оптически изменяющегося средства, или в виде сочетания того и другого.
8. Элемент защиты по п.5, отличающийся тем, что рисунок (4, 8) сформирован гравированием непрозрачного слоя (3) или слоев (3, 19) вдоль формы, соответствующей рисунку.
9. Элемент защиты по п.1, отличающийся тем, что заданный рисунок (4, 8) формирует изменяющуюся информацию, которая изменяется от одного носителя данных к другому.
10. Элемент защиты по п.9, отличающийся тем, что рисунок соотносится с другой изменяющейся информацией на носителе данных.
11. Элемент защиты по п.10, отличающийся тем, что соотносимый рисунок шифруется и кодируется.
12. Элемент защиты по п.1, отличающийся тем, что рисунок сформирован из буквенно-цифровых знаков и/или геометрических фигур.
13. Носитель (23) данных, такой как банковские билеты, ценные бумаги, чеки, кредитные карточки или карточки удостоверения личности, имеющий элемент защиты по любому из предыдущих пп.
14. Способ формирования носителя данных по п.13 с элементом защиты, отличающийся тем, что включает следующие этапы, в соответствии с которыми обеспечивают основу с первым слоем материала, имеющим по меньшей мере две прилегающие друг к другу зоны разного цвета, и с первым непрозрачным слоем материала, покрывающим по меньшей мере частично первый слой материала; гравируют первый непрозрачный слой, чтобы сформировать рисунок, проходящий по меньшей мере частично по каждой из указанных зон, в результате чего рисунок содержит прилегающие друг к другу части разного цвета в приводке, видимые через указанный непрозрачный слой.
15. Способ по п.14, отличающийся тем, что первый слой напечатан на основе.
16. Способ по п.14, отличающийся тем, что первый слой сформирован основой.
17. Способ по п.14, отличающийся тем, что основа имеет второй непрозрачный слой, покрывающий по меньшей мере частично первый слой и первый непрозрачный слой, при этом указанный рисунок формируют гравированием первого и второго непрозрачного слоев.
18. Способ по п.14, отличающийся тем, что указанный непрозрачный слой выполнен из оптически изменяющейся краски, или в виде оптически изменяющегося средства, или в виде сочетания и того, и другого.
19. Способ по п.17, отличающийся тем, что указанные непрозрачные слои выполнены из оптически изменяющейся краски, или в виде оптически изменяющегося средства, или в виде сочетания и того, и другого.
20. Способ по п.14, отличающийся тем, что рисунок формируют гравированием непрозрачного слоя или слоев вдоль формы, соответствующей рисунку.
21. Способ по п.20, отличающийся тем, что гравирование непрозрачных слоев выполняют лазером.
РИСУНКИ
|
|