|
|
(21), (22) Заявка: 2006109795/09, 27.03.2006
(24) Дата начала отсчета срока действия патента:
27.03.2006
(46) Опубликовано: 20.10.2007
(56) Список документов, цитированных в отчете о поиске:
SU 1251048 A1, 15.08.1986. SU 729581 A1, 25.04.1980. JP 2001060120 A, 06.03.2006.
Адрес для переписки:
634050, г.Томск, пр. Кирова, 56″в”, ОАО “НПЦ “Полюс”
|
(72) Автор(ы):
Казанцев Юрий Михайлович (RU), Шиняков Юрий Александрович (RU), Лекарев Анатолий Федорович (RU), Гордеев Константин Георгиевич (RU), Эльман Виктор Олегович (RU), Черданцев Сергей Петрович (RU)
(73) Патентообладатель(и):
Открытое акционерное общество “Научно-производственный центр “Полюс” (ОАО “НПЦ “Полюс”) (RU)
|
(54) СПОСОБ УПРАВЛЕНИЯ ПОТРЕБЛЕНИЕМ ЭНЕРГИИ СОЛНЕЧНОЙ БАТАРЕИ В РЕЖИМЕ МАКСИМАЛЬНОЙ МОЩНОСТИ
(57) Реферат:
Заявляемое техническое решение относится к преобразовательной технике и предназначено для управления потреблением энергии солнечной батареи в режиме максимальной мощности и может найти широкое применение в системах электропитания с ограниченными по мощности источниками энергии. Технический результат – повышение быстродействия и за счет этого расширение функциональных возможностей для работы при изменяющихся параметрах нагрузки или солнечной батареи. Элемент формирования монотонного характера изменения потребляемой мощности на входе импульсного преобразователя напряжения задает монотонный характер изменения тока (напряжения) солнечной батареи при коммутации ключевого элемента импульсного преобразователя напряжения, что позволяет отслеживать переход через максимум мощности солнечной батареи и переключать ключевой элемент импульсного преобразователя напряжения после смены знака полярности производной по времени сигнала, пропорционального текущему значению мощности солнечной батареи, с положительного на отрицательный. 4 ил.
Заявляемое техническое решение относится к преобразовательной технике и предназначено для управления потреблением энергии солнечной батареи в режиме максимальной мощности и может найти широкое применение в системах электропитания с ограниченными по мощности источниками энергии.
Известен способ управления потреблением энергии солнечной батареи в режиме максимальной мощности посредством импульсного преобразователя напряжения, основанный на поддержании напряжения солнечной батареи на уровне расчетного оптимального значения [1].
Недостатком известного способа управления является низкая точность управления из-за сложности учета влияния многих параметров на значение оптимального напряжения солнечной батареи.
Наиболее близким по технической сущности к заявляемому изобретению является способ управления потреблением энергии солнечной батареи в режиме максимальной мощности, основанный на измерении мощности, потребляемой от солнечной батареи, формировании сигнала, пропорционального среднему за период измерения значению мощности солнечной батареи, и пошаговом изменении скважности включения ключевых элементов импульсного преобразователя напряжения, подключенного к выводам солнечной батареи через элемент формирования монотонного характера изменения потребляемой мощности, при этом направление изменения скважности включения ключевых элементов меняют при уменьшении среднего за период измерения значения мощности солнечной батареи и не меняют при ее увеличении [2].
Известный способ управления обеспечивает эксплуатацию солнечной батареи в режиме максимальной мощности при работе на нагрузку с постоянным током потребления, либо с постоянным напряжением, либо с постоянным сопротивлением.
Недостатком известного способа управления является низкое быстродействие, так как длительность периода измерения среднего значения мощности солнечной батареи должна быть больше длительности переходного процесса от изменения скважности включения ключевых элементов, а длительность периода пошагового изменения скважности включения ключевых элементов должна быть больше длительности периода измерения. Поэтому при изменении параметров нагрузки или солнечной батареи со скоростью, превышающей скорость пошагового отслеживания, невозможно обеспечить эксплуатацию солнечной батареи в режиме максимальной мощности.
Цель технического решения – повышение быстродействия и за счет этого расширение функциональных возможностей для работы при изменяющихся параметрах нагрузки или солнечной батареи.
Поставленная цель достигается тем, что в способе управления потреблением энергии солнечной батареи в режиме максимальной мощности, основанном на измерении мощности потребляемой от солнечной батареи и управлении потреблением энергии посредством импульсного преобразователя напряжения, подключенного к выводам солнечной батареи через элемент формирования монотонного характера изменения потребляемой мощности, формируют сигнал, пропорциональный текущему значению мощности солнечной батареи, переключение ключевого элемента импульсного преобразователя напряжения осуществляют после смены знака полярности производной по времени сигнала, пропорционального текущему значению мощности солнечной батареи, с положительного на отрицательный.
Сущность технического решения заключается в том, что элемент формирования монотонного характера изменения потребляемой мощности на входе импульсного преобразователя напряжения задает монотонный характер изменения тока (напряжения) солнечной батареи при коммутации ключевого элемента импульсного преобразователя напряжения, что позволяет отслеживать переход через максимум мощности солнечной батареи и переключать ключевой элемент импульсного преобразователя напряжения после смены знака полярности производной по времени сигнала, пропорционального текущему значению мощности солнечной батареи, с положительного на отрицательный.
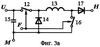
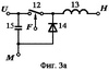
На фиг.1 приведена схема устройства, реализующего предложенный способ управления, на фиг.2 – схема системы электропитания, обеспечивающая эксплуатацию солнечной батареи в режиме максимальной мощности, на фиг.3 – схема силовой части импульсного преобразователя напряжения (а – понижающего, б – повышающего, в – понижающе-повышающего) с элементом формирования монотонного характера изменения мощности на входе, на фиг.4 – вольт-амперная и вольт-ватная характеристики солнечной батареи.
Устройство, реализующее предложенный способ управления (фиг.1), содержит измеритель мощности 1, формирователь знака полярности производной по времени 2, генератор импульсов 3, счетчик импульсов 4, Т-триггер 5. Вход напряжения измерителя мощности 1 соединен с выводом «U» устройства, токовый вход измерителя мощности 1 соединен с выводом «I» устройства, выход измерителя мощности 1 соединен с входом формирователя знака полярности производной по времени 2, счетный вход счетчика импульсов 4 соединен с генератором импульсов 3, инверсный вход сброса в нулевое состояние счетчика импульсов 4 соединен с выходом формирователя знака полярности производной по времени 2, выход счетчика импульсов 4 соединен с входом Т-триггера 5, выход Т-триггера 5 соединен с выводом «F» устройства.
Потребление энергии солнечной батареи в режиме максимальной мощности обеспечивает система электропитания (фиг.2), состоящая из солнечной батареи 6, устройства 7, реализующего предложенный способ управления, импульсного преобразователя напряжения 8, конденсатора выходного фильтра 9 и нагрузки 10. Солнечная батарея 6, конденсатор выходного фильтра 9 и нагрузка 10 имеют по два силовых вывода, первый силовой вывод солнечной батареи 6 соединен с шиной «С» системы электропитания, первый силовой вывод конденсатора выходного фильтра 9 и нагрузки 10 соединены с шиной «H» системы электропитания, второй силовой вывод солнечной батареи 6, конденсатора выходного фильтра 9 и нагрузки 10 соединены с общей шиной «М» системы электропитания. Импульсный преобразователь напряжения 8 имеет три силовых вывода «U», «Н», «М» и вывод управления «F», силовой вывод «U» импульсного преобразователя напряжения 8 соединен с шиной «С» системы электропитания, силовой вывод «Н» импульсного преобразователя напряжения 8 соединен с шиной «H» системы электропитания, силовой вывод «М» импульсного преобразователя напряжения 8 соединен с общей шиной «М» системы электропитания, вывод управления «F» импульсного преобразователя напряжения 8 соединен с выводом «F» устройства 7, вывод «U» устройства 7 соединен с шиной «С» системы электропитания, вывод «I» устройства 7 соединен с выходом датчика тока 11, включенного в силовую цепь солнечной батареи 6.
Тип импульсного преобразователя напряжения 8 – понижающий, повышающий или понижающе-повышающий – зависит от соотношения параметров солнечной батареи 6 и нагрузки 9.
При значениях оптимального напряжения солнечной батареи 6 выше требуемого напряжения на нагрузке 10, либо оптимального тока солнечной батареи 6 ниже тока нагрузки 10, либо сопротивления нагрузки 10 ниже отношения оптимального напряжения солнечной батареи 6 к оптимальному току солнечной батареи 6 в качестве импульсного преобразователя напряжения 8 используется импульсный преобразователь напряжения понижающего типа (фиг.3а), содержащий ключевой элемент 12, дроссель 13, диод 14 и конденсатор 15. Первый вывод конденсатора 15 и первый силовой вывод ключевого элемента 12 соединены с выводом «U» импульсного преобразователя напряжения понижающего типа, второй вывод конденсатора 15 и второй вывод диода 14 соединены с выводом «М» импульсного преобразователя напряжения понижающего типа, второй вывод дросселя 13 соединен с выводом «H» импульсного преобразователя напряжения понижающего типа, второй силовой вывод ключевого элемента 12, первый вывод диода 14 и первый вывод дросселя 13 соединены между собой, управляющий вывод ключевого элемента 12 соединен с выводом «F» импульсного преобразователя напряжения понижающего типа.
При значениях оптимального напряжения солнечной батареи 6 ниже требуемого напряжения на нагрузке 10, либо оптимального тока солнечной батареи 6 выше тока нагрузки 10, либо сопротивления нагрузки 10 выше отношения оптимального напряжения солнечной батареи 6 к оптимальному току солнечной батареи 6 в качестве импульсного преобразователя напряжения 8 используется импульсный преобразователь напряжения повышающего типа (фиг.3б), содержащий ключевой элемент 16, дроссель 13 и диод 17. Первый вывод дросселя 13 соединен с выводом «U» импульсного преобразователя напряжения повышающего типа, второй силовой вывод ключевого элемента 16 соединен с выводом «М» импульсного преобразователя напряжения повышающего типа, второй вывод диода 17 соединен с выводом «H» импульсного преобразователя напряжения повышающего типа, второй вывод дросселя 13, первый вывод диода 17 и первый силовой вывод ключевого элемента 16 соединены между собой, управляющий вывод ключевого элемента 16 соединен с выводом «F» импульсного преобразователя напряжения повышающего типа.
При значениях оптимального напряжения солнечной батареи 6 как выше, так и ниже требуемого напряжения на нагрузке 10, либо оптимального тока солнечной батареи 6 как ниже, так и выше тока нагрузки 10, либо сопротивления нагрузки 10 как ниже, так и выше отношения оптимального напряжения солнечной батареи 6 к оптимальному току солнечной батареи 6 в качестве импульсного преобразователя напряжения 8 используется импульсный преобразователь напряжения понижающе-повышающего типа (фиг.3в), содержащий два ключевых элемента 12 и 16, дроссель 13, конденсатор 15 и два диода 14 и 17. Первый вывод конденсатора 15 и первый силовой вывод ключевого элемента 12 соединены с выводом «U» импульсного преобразователя напряжения понижающе-повышающего типа, второй вывод конденсатора 15, второй вывод диода 14 и второй силовой вывод ключевого элемента 16 соединены с выводом «М» импульсного преобразователя напряжения понижающе-повышающего типа, второй вывод диода 17 соединен с выводом «Н» импульсного преобразователя напряжения понижающе-повышающего типа, второй вывод дросселя 13, первый вывод диода 17 и первый силовой вывод ключевого элемента 16 соединены между собой, второй силовой вывод ключевого элемента 12, первый вывод диода 14 и первый вывод дросселя 13 соединены между собой, управляющий вывод ключевых элементов 12 и 16 соединены с выводом «F» импульсного преобразователя напряжения понижающего типа.
Система электропитания (фиг.2) обеспечивает потребление энергии солнечной батареи 6 в режиме максимальной мощности следующим образом. При включении ключевого элемента импульсного преобразователя напряжения 8 происходит монотонное увеличение тока солнечной батареи I6 и монотонное уменьшение ее напряжения U6 в соответствии с вольт-амперной характеристикой солнечной батареи 6 (фиг.4). При использовании импульсного преобразователя напряжения понижающего типа (фиг.3а) или импульсного преобразователя напряжения понижающе-повышающего типа (фиг.3в) элементом формирования монотонного характера изменения напряжения U6 является конденсатор 15, а при использовании импульсного преобразователя напряжения повышающего типа (фиг.3б) элементом формирования монотонного характера изменения тока I6 является дроссель 13. Если при этом мощность Р6, выдаваемая солнечной батареей 6, растет, значит растет и сигнал U1 на выходе измерителя мощности 1 (фиг.1), на выходе формирователя знака полярности производной по времени 2 формируется сигнал U2 высокого уровня, который сбрасывает счетчик импульсов 4 в нулевое состояние. После увеличения тока солнечной батареи 6 выше оптимального I6>Iопт и соответственно уменьшения напряжения солнечной батареи 6 ниже оптимального U6опт происходит уменьшение мощности, выдаваемой солнечной батареей P6, и сигнала U1 на выходе измерителя мощности 1, на выходе формирователя знака полярности производной по времени 2 формируется сигнал U2 низкого уровня, который отменяет сброс в нулевое состояние счетчика импульсов 4, разрешая счет импульсов генератора импульсов 3, при заполнении счетчика импульсов 4 на его выходе формируется сигнал переноса, который переключает состояние Т-триггера 5, соответственно выходной сигнал «F» Т-триггера 5 отключает ключевой элемент импульсного преобразователя напряжения 8, при этом ток I6 солнечной батареи 6 уменьшается, а ее напряжение U6 увеличивается. Мощность P6, выдаваемая солнечной батареей 6, растет, соответственно на выходе формирователя знака полярности производной по времени 2 формируется сигнал U2 высокого уровня, который сбрасывает счетчик импульсов 4 в нулевое состояние. После уменьшения тока солнечной батареи 6 ниже оптимального I6опт и соответственно увеличения напряжения U6 солнечной батареи 6 выше оптимального U6>Uопт происходит уменьшение мощности Р6, выдаваемой солнечной батарей 6. На выходе формирователя знака полярности производной по времени 2 формируется сигнал U2 низкого уровня, который отменяет сброс в нулевое состояние счетчика импульсов 4, разрешая счет импульсов генератора импульсов 3, при заполнении счетчика импульсов 4 на его выходе формируется сигнал переноса, который переключает состояние Т-триггера 5, соответственно выходной сигнал «F» Т-триггера 15 включает ключевой элемент импульсного преобразователя напряжения 8 и т.д.
Емкость счетчика импульсов 4 определяет длительность задержки на переключение ключевого элемента импульсного преобразователя напряжения 8 после перехода значения тока и напряжения солнечной батареи 6 через оптимальное. Эта задержка необходима для ограничения частоты переключения ключевого элемента импульсного преобразователя 8.
Таким образом, в системе электропитания с предлагаемым способом управления потреблением энергии солнечной батареи в режиме максимальной мощности переключение ключевого элемента импульсного преобразователя напряжения 8 происходит после перехода значения выдаваемой мощности солнечной батареи 6 через максимум, что обеспечивает поддержание режима максимальной мощности солнечной батареи 6 при любых параметрах солнечной батареи 6 и нагрузки 9.
Литература
Формула изобретения
Способ управления потреблением энергии солнечной батареи в режиме максимальной мощности, основанный на измерении потребляемой от солнечной батареи мощности и управлении потреблением энергии посредством импульсного преобразователя напряжения, подключенного к выводам солнечной батареи через элемент формирования монотонного характера изменения мощности, отличающийся тем, что переключение ключевого элемента импульсного преобразователя напряжения осуществляют после смены знака полярности производной по времени сигнала, пропорционального текущему значению потребляемой от солнечной батареи мощности, с положительного на отрицательный.
РИСУНКИ
|
|