|
|
(21), (22) Заявка: 2003130651/28, 16.10.2003
(24) Дата начала отсчета срока действия патента:
16.10.2003
(43) Дата публикации заявки: 10.04.2005
(46) Опубликовано: 20.10.2007
(56) Список документов, цитированных в отчете о поиске:
RU 2157039 C1, 27.09.2000. RU 2155424 C1, 27.08.2000. SU 534010 А, 30.10.1976. SU 907669 А, 23.02.1982. US 6381110 А, 30.04.2002. ЕР 1312929 A1, 21.05.2003.
Адрес для переписки:
618905, Пермская обл., г. Лысьва, ул. Пожарского, 8, ХК ОАО “Привод”
|
(72) Автор(ы):
Лазарьков Николай Александрович (RU)
(73) Патентообладатель(и):
Холдинговая компания Открытое акционерное общество “Привод” (RU)
|
(54) УСТРОЙСТВО ДЛЯ БЕСКОНТАКТНОГО КОНТРОЛЯ ИЗОЛЯЦИИ ЦЕПИ ВОЗБУЖДЕНИЯ СИНХРОННОЙ МАШИНЫ
(57) Реферат:
Предложенное изобретение относится к области электроэнергетики и может быть использовано в электрических машинах, работающих в энергосистемах. Данное изобретение направлено на упрощение конструктивного исполнения устройства контроля изоляции, повышение эксплуатационной надежности и улучшение обслуживания. Устройство для бесконтактного контроля изоляции цепи возбуждения синхронной машины содержит бесщеточный возбудитель с многофазной якорной обмоткой и вращающимся диодным выпрямителем, подключенный к обмотке возбуждения синхронной машины, двухобмоточный динамический трансформатор, при этом между выводами фаз якорной обмотки включены цепи из последовательно соединенных конденсатора и стабилитрона, а их точки соединения через разделительные диоды подключены к выводу вращающейся первичной обмотки динамического трансформатора, другой вывод которой подсоединен к массиву ротора синхронной машины, а неподвижная вторичная обмотка динамического трансформатора подключена к исполнительному органу через формирователь сигналов, на который дополнительно поступает напряжение, пропорциональное току возбуждения возбудителя. 1 ил.
Предлагаемое изобретение относится к области электроэнергетики и может быть использовано в электрических машинах, работающих в энергосистемах.
Известны турбогенераторы с бесщеточными возбудителями, в которых для контроля изоляции в цепях возбуждения используется измерительное щеточно-контактное устройство, содержащее контактные кольца, щеточную траверсу и измерительную схему (Устройства возбудительные бесщеточные БВУГ, ИБЖК.651441.003 ТО, Внешторгиздат, Изд. №1057 СО, СССР, Москва).
Недостатком известного щеточно-контактного узла является загрязнение возбудителя угольной пылью, снижение эксплуатационной надежности и неудобство обслуживания.
Известен также электромашинный агрегат, в котором контроль изоляции цепи возбуждения осуществляется посредством выявления сигналов, пропорциональных сопротивлению изоляции и напряжению возбуждения, и передачи их через два динамических трансформатора на формирователь сигнала сопротивления изоляции, и далее на исполнительный орган (Описание изобретения к патенту РФ №2119674, G01R 31/34, 1996 г.).
Недостатком этого технического решения является сложность конструктивного исполнения, обусловленная наличием двух динамических трансформаторов, повышенные требования к их изоляции и необходимость применения элементов схемы с высоким номинальным напряжением.
Предлагаемое изобретение направлено на упрощение конструктивного исполнения устройства контроля изоляции, повышение эксплуатационной надежности и улучшение обслуживания.
Сущность предлагаемого изобретения состоит в том, что в устройстве бесконтактного котроля изоляции цепи возбуждения синхронной машины, содержащем бесщеточный возбудитель с многофазной якорной обмоткой и вращающимся диодным выпрямителем, подключенный к обмотке возбуждения синхронной машины, а также двухобмоточный динамический трансформатор, введены цепи, состоящие из последовательно соединенных конденсатора и стабилитрона, включенные между выводами фаз якорной обмотки. Точки соединения конденсатора и стабилитрона каждой цепи через разделительные диоды подключены к одному из выводов вращающейся первичной I обмотки динамического трансформатора, а другой вывод подсоединен к массиву ротора синхронной машины. Неподвижная вторичная II обмотка динамического трансформатора подключена к исполнительному органу через формирователь сигналов, на который дополнительно поступает напряжение, пропорциональное току возбуждения возбудителя.
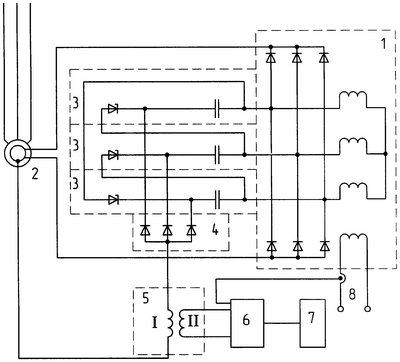
На чертеже представлена схема устройства.
Устройство бесконтактного контроля изоляции цепи возбуждения синхронной машины содержит бесщеточный возбудитель 1 с многофазной якорной обмоткой и вращающимся диодным выпрямителем, подключенным к обмотке возбуждения синхронной машины 2. Между выводами фаз якорной обмотки включены цепи 3 из последовательно соединенных конденсатора и стабилитрона. Точки соединения конденсатора и стабилитрона каждой цепи через разделительные диоды 4 подключены к одному из выводов вращающейся первичной I обмотки динамического трансформатора 5, другой вывод подсоединен к массиву ротора синхронной машины. Неподвижная вторичная II обмотка динамического трансформатора 5 подключена к исполнительному органу 7 через формирователь сигналов 6, на который дополнительно поступает напряжение от датчика 8, пропорциональное току возбуждения возбудителя.
Устройство работает следующим образом.
При работе возбудителя 1 на выводах фаз якорной обмотки возникает переменное напряжение, обуславливающее протекание тока через цепи 3 из последовательно соединенных конденсатора и стабилитрона. Поскольку вольт-амперная характеристика стабилитрона различна для разных направлений тока, то на стабилитронах появляется пульсирующее напряжение со стабильной амплитудой в широком диапазоне работы возбудителя. Пульсирующее напряжение с каждого стабилитрона через разделительные диоды 4 поступает на вывод вращающейся первичной I обмотки динамического трансформатора 5. Второй вывод этой обмотки подключен к массиву ротора синхронной машины. При работе возбудителя по вращающейся первичной I обмотке динамического трансформатора протекает пульсирующий ток, величина которого в широком диапазоне обратно пропорциональна величине сопротивления изоляции цепи возбуждения синхронной машины. Пульсирующий ток, протекающий по первичной I обмотке динамического трансформатора, индуцирует во вторичной II обмотке напряжение, обратно пропорциональное сопротивлению изоляции, которое поступает на формирователь сигналов 6. Для расширения диапазона работы на формирователь сигналов 6 дополнительно поступает напряжение от датчика 8, величина которого пропорциональна току возбуждения возбудителя. Сигнал с формирователя сигналов 6 поступает на исполнительный орган 7 для воздействия на информационно-коммутационную аппаратуру.
Проведенные экспериментальные исследования подтвердили положительные технические характеристики устройства контроля изоляции.
Использование предлагаемого технического решения дает возможность своевременно выявлять дефекты в цепи возбуждения синхронной машины и обеспечивать ее высокую эксплуатационную надежность.
Формула изобретения
Устройство бесконтактного контроля изоляции цепи возбуждения синхронной машины, содержащее бесщеточный возбудитель с многофазной якорной обмоткой и вращающимся диодным выпрямителем, подключенный к обмотке возбуждения синхронной машины, двухобмоточный динамический трансформатор, отличающееся тем, что между выводами фаз якорной обмотки включены цепи из последовательно соединенных конденсатора и стабилитрона, а их точки соединения через разделительные диоды подключены к выводу вращающейся первичной обмотки динамического трансформатора, другой вывод которой подсоединен к массиву ротора синхронной машины, а неподвижная вторичная обмотка динамического трансформатора подключена к исполнительному органу через формирователь сигналов, на который дополнительно поступает напряжение, пропорциональное току возбуждения возбудителя.
РИСУНКИ
PD4A – Изменение наименования обладателя патента СССР или патента Российской Федерации на изобретение
(73) Новое наименование патентообладателя:
Общество с ограниченной ответственностью «Лысьвенский завод тяжелого электрического машиностроения «Привод» (RU)
Адрес для переписки:
618911, г. Лысьва, ул. Пожарского, 8, ООО «Электротяжмаш-Привод»
Извещение опубликовано: 10.11.2008 БИ: 31/2008
|
|