|
|
(21), (22) Заявка: 2006110427/28, 31.03.2006
(24) Дата начала отсчета срока действия патента:
31.03.2006
(46) Опубликовано: 20.10.2007
(56) Список документов, цитированных в отчете о поиске:
RU 2156472 С2, 20.09.2000. RU 2231801 C1, 27.06.2004. SU 1800393 A1, 07.03.1993. SU 1725158 A1, 07.04.1992. SU 1629877 A1, 23.02.1991. SU 1803883 A1, 23.03.1993. US 4617512 A, 14.10.1986. JP 57-070404 A, 30.04.1982. WO 80/02600 A1, 27.11.1980.
Адрес для переписки:
194021, Санкт-Петербург, ул. Карбышева, 15, ФГУП “НПО “АВРОРА”, комплексный отдел
|
(72) Автор(ы):
Никулин Эдуард Сергеевич (RU), Пахоменков Юрий Михайлович (RU)
(73) Патентообладатель(и):
Федеральное государственное унитарное предприятие “Научно-производственное объединение “АВРОРА” (RU)
|
(54) УСТРОЙСТВО ДЛЯ ИЗМЕРЕНИЯ ЭЛЕКТРИЧЕСКОЙ ЕМКОСТИ
(57) Реферат:
Предложенное изобретение относится к измерительной технике и может применяться в различных областях техники для измерения электрической емкости. Задачей данного изобретения является повышение точности и линейности статической характеристики устройства для измерения электрической емкости. Устройство для измерения электрической емкости содержит два одновибратора, включенных по схеме кольцевого автогенератора, измеряемый и эталонный конденсаторы, включенные во времязадающие RC-цепи одновибраторов, блок индикации с интегрирующим звеном на входе, сумматор, источник опорного напряжения и два перекидных ключа, вход управления каждого из которых соединен с выходом соответствующего одновибратора, а выходы – с входами интегрирующего звена, первые входы перекидных ключей подключены к шине нулевого потенциала, а вторые входы – к выходу сумматора, первый вход которого соединен с выходом блока индикации, а второй вход – с выходом источника опорного напряжения. 1 ил.
Предлагаемое изобретение относится к измерительной технике и может применяться в различных областях техники для измерения электрической емкости.
Известно устройство для измерения емкости, в котором измеряемый и эталонный конденсаторы заряжаются от генератора однополярных импульсов (со скважностью более двух) через диоды и разряжаются через входные сопротивления дифференциального усилителя, выходное напряжение которого является мерой разности емкостей измеряемого и эталонного конденсаторов (см. авт. свид. SU 1803883 А1, МПК G01R 27/26). Недостатком этого устройства является зависимость его выходного сигнала от частоты генератора, нелинейных и температурных свойств диодов.
Известен измеритель электрической емкости (см. авт. св. SU 1629877 А1, МПК G01R 27/26), содержащий генератор тактовых импульсов, два выполненных на одном кристалле ждущих мультивибратора, во времязадающие цепи которых включены измеряемая и компенсирующая (эталонная) емкости, логическую схему и блок индикации. В этом устройстве длительности выходных импульсов ждущих мультивибраторов пропорциональны величинам измеряемой и компенсирующей емкостей, а знак разности величины емкостей определяется с помощью логической схемы. Недостатком этого устройства является сложность схемы и низкая чувствительность к величине измеряемой емкости, что обусловлено необходимостью применения в одном из ждущих мультивибраторов относительно большой емкости эталонного конденсатора (по сравнению с диапазоном изменения измеряемой емкости).
Прототипом заявленного технического решения является устройство для измерения электрической емкости (см. патент RU 2156472 С2, МПК 7 G01R 27/26, опубл. 20.09.2000), содержащее два одновибратора, включенные по схеме кольцевого автогенератора, измеряемый и эталонный конденсаторы, включенные во времязадающие RC-цепи одновибраторов, блок индикации с интегрирующими звеньями на входе и резисторы обратной связи.
В этом устройстве за счет применения в нем соответствующим образом включенных интегрирующих звеньев и резисторов обратной связи обеспечено повышение его чувствительности к изменению величины измеряемой емкости.
Задачей предлагаемого изобретения является повышение точности и линейности статической характеристики устройства для измерения электрической емкости.
Для решения указанной задачи в устройство для измерения электрической емкости, содержащее два одновибратора, включенные по схеме кольцевого автогенератора, измеряемый и эталонный конденсаторы, включенные во времязадающие RC-цепи одновибраторов, и блок индикации с интегрирующим звеном на входе, введены сумматор, источник опорного напряжения и два перекидных ключа, входы управления которых соединены с выходами одновибраторов, а выходы – с входами интегрирующего звена, первые входы перекидных ключей подключены к шине нулевого потенциала, а вторые входы – к выходу сумматора, первый вход которого соединен с выходом блока индикации, а второй вход – с выходом источника опорного напряжения.
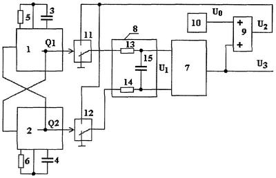
На чертеже представлена функциональная схема предлагаемого устройства для измерения электрической емкости.
Устройство содержит выполненные на одном кристалле одновибраторы 1 и 2, включенные по схеме кольцевого автогенератора, измеряемый 3 (C1) и эталонный 4 (С2) конденсаторы, включенные во времязадающие RC-цепи одновибраторов с резисторами 5 (R1) и 6 (R2), блок 7 индикации с интегрирующим звеном 8 на входе. Устройство включает в себя также сумматор 9, источник 10 опорного напряжения и два перекидных ключа 11 и 12, входы управления которых соединены с выходами одновибраторов 1 и 2, а выходы – с входами интегрирующего звена 8. Первые входы перекидных ключей 11 и 12 подключены к шине нулевого потенциала, а вторые входы – к выходу сумматора 9, первый вход которого соединен с выходом блока 7 индикации, а второй вход – с выходом источника 10 опорного напряжения. Интегрирующее звено 8 образовано резисторами 13 (R3) и 14 (R4) и конденсатором 15.
Устройство работает следующим образом.
Одновибраторы 1 и 2, включенные по схеме кольцевого автогенератора, вырабатывают на выходах Q1 и Q2 последовательности прямоугольных импульсов, длительности которых составляют соответственно t1=kR1C1 и t2=kR2C2 где k – постоянный коэффициент, одинаковый для одновибраторов 1 и 2, поскольку они выполнены на одном кристалле. Период генерируемых импульсов определяется как T=t1+t2.
При условии (R3+R4)>R7, где R7 – входное сопротивление блока 7 индикации, среднее значение выходного напряжения U1 интегрирующего звена 8 составляет

где U2 – выходное напряжение сумматора 9.
Выходное напряжение U3 блока 7 индикации и выходное напряжение сумматора 9 связаны соотношениями


где U0 – напряжение на выходе источника 10 опорного напряжения;
K1 – коэффициент передачи блока 7 индикации;
К2 – коэффициент передачи сумматора 9 по напряжению U3.
Из выражений (1, 2, 3) следует, что напряжение U3 составляет

Из соотношения (4) при практически выполняемых условиях R1=R2 и K1·K2=1 вытекает выражение, описывающее статическую характеристику предлагаемого устройства

Как следует из выражения (5), в предлагаемом устройстве отсутствует погрешность, обусловленная значениями выходных напряжений одновибраторов, а статическая характеристика этого устройства является линейной.
Эффективность повышения точности и линейности статической характеристики предлагаемого устройства можно показать на конкретном примере.
Погрешность преобразования устройства-прототипа зависит от уровней (высокого и низкого) выходных сигналов одновибраторов, определяемых не только напряжением питания, но и технологическими и температурными погрешностями. Даже при использовании источника питания повышенной точности (что энергетически нерационально) и применении цепей настройки для уменьшения влияния технологических составляющих температурная погрешность преобразования в устройстве-прототипе может достигать 5%. Погрешность преобразования предлагаемого устройства определяется, как следует из выражений (4) и (5), погрешностями опорного напряжения и коэффициентов передачи блока 7 индикации и сумматора 9 и при использовании резистивных матриц, отличающихся высокой относительной идентичностью параметров, практически не превышает 0,3%.
Нелинейность статической характеристики устройства-прототипа в диапазоне изменения измеряемой емкости от C1=C2 до C1=2·С2 достигает 5% даже при отсутствии резисторов для повышения чувствительности устройства, а при их введении существенно возрастает. Статическая характеристика предлагаемого устройства, как следует из формулы (5), является методически линейной.
Таким образом, в предложенном устройстве для измерения электрической емкости за счет введения в него соответствующим образом соединенных сумматора, источника опорного напряжения и перекидных ключей достигается повышение точности и линейности статической характеристики устройства.
Формула изобретения
Устройство для измерения электрической емкости, содержащее два одновибратора, включенных по схеме кольцевого автогенератора, измеряемый и эталонный конденсаторы, включенные во времязадающие RC-цепи одновибраторов, блок индикации с интегрирующим звеном на входе, отличающееся тем, что в него введены сумматор, источник опорного напряжения и два перекидных ключа, входы управления которых соединены с выходами одновибраторов, а выходы – с входами интегрирующего звена, первые входы перекидных ключей подключены к шине нулевого потенциала, а вторые входы – к выходу сумматора, первый вход которого соединен с выходом блока индикации, а второй вход – с выходом источника опорного напряжения.
РИСУНКИ
Другие изменения, связанные с зарегистрированными изобретениями
Изменения:
Зарегистрирован переход исключительного права без заключения договора Дата и номер государственной регистрации перехода исключительного права: 13.01.2010/РП0000471 Патентообладатель: Открытое акционерное общество «Концерн «Научно-производственное объединение «Аврора» Прежний патентообладатель: Государственное унитарное предприятие «Научно-производственное объединение «АВРОРА»; Федеральное государственное унитарное предприятие «Научно-производственное объединение «АВРОРА»
Номер и год публикации бюллетеня: 29-2007
Извещение опубликовано: 20.02.2010 БИ: 05/2010
|
|