|
|
(21), (22) Заявка: 2006116963/28, 17.05.2006
(24) Дата начала отсчета срока действия патента:
17.05.2006
(46) Опубликовано: 20.10.2007
(56) Список документов, цитированных в отчете о поиске:
SU 1553885 A1, 30.03.1990. SU 1390565 A1, 23.04.1988. SU 1073634 A, 15.02.1984. SU 1427241 A1, 30.09.1988.
Адрес для переписки:
153000, г.Иваново, пр. Ф. Энгельса, 21, ИГТА, комн.Г359
|
(72) Автор(ы):
Метелева Ольга Викторовна (RU), Нефедова Елена Вячеславовна (RU)
(73) Патентообладатель(и):
Государственное образовательное учреждение высшего профессионального образования “Ивановская государственная текстильная академия” (ИГТА) (RU)
|
(54) СПОСОБ ОПРЕДЕЛЕНИЯ ВОДОПРОНИЦАЕМОСТИ МАТЕРИАЛОВ ДЛЯ ШВЕЙНЫХ ИЗДЕЛИЙ И УСТРОЙСТВО ДЛЯ ЕГО ОСУЩЕСТВЛЕНИЯ
(57) Реферат:
Устройство содержит узел для крепления образца, средство подачи воды на образец и средство определения момента проницаемости воды через материал, средство создания воздушного потока на образец, средство измерения температуры по слоям пакета образца. Узел для крепления образца представляет собой металлическую разборную конструкцию. В отверстие нижнего кольца помещен датчик для измерения поверхностного электрического сопротивления, соединенный с тераомметром. Средство подачи воды выполнено в виде емкости-термостата с возможностью регулирования ее положения по высоте. Средство создания воздушного потока представляет собой вентилятор с возможностью регулирования его положения по высоте, углу наклона и температуре воздушного потока. Способ определения водопроницаемости, осуществляемый с помощью устройства, включает кондиционирование образца при постоянных температуре и влажности, нанесение жидкости на образец и создание перепада температур по толщине пакета образца. При этом одновременно на образец направляют поток воздуха. В процессе испытания одновременно с регистрацией поверхностного электрического сопротивления регистрируют потенциометром температуру внешней и внутренней поверхностей образца, а также внутри пакета. О времени промокания судят по показаниям самописцев потенциометра и тераомметра. Техническим результатом изобретения является: повышение точности определения момента проницаемости; возможность исследования одно- и многослойных пакетов материалов, деталей, швов и узлов швейных изделий. 2н. и 2 з.п. ф-лы, 7 ил., 2 табл.
Изобретение относится к легкой промышленности и может быть использовано для измерения и оценки водозащитной способности ткани в текстильной промышленности, а также пакетов материалов, узлов, швов и участков готовых изделий в швейной промышленности.
Известно устройство [1] для определения проницаемости материалов жидкостями, содержащее приспособление для закрепления образца над ванной с жидкостью и расположенный внутри приспособления чувствительный элемент, выполненный в виде кассеты из набора концентрично расположенных электродов с закругленной контактной кромкой, и регистратор времени, что позволяет регистрировать во времени поверхностное электрическое сопротивление изнаночной поверхности образца и по данному измерению определяют момент проникновения жидкости.
Недостатком данного устройства является то, что оно не позволяет имитировать реальные условия эксплуатации изделия с учетом его пространственного расположения и различных погодных условий.
Известен способ определения проницаемости жидкостей через материалы [2], заключающийся в нанесении жидкости на поверхность закрепленного образца и регистрации зависимости температуры противоположной поверхности образца по времени. По моменту снижения температуры определяют момент появления жидкости.
Недостатком данного способа является то, что он основан на общепринятом подходе в регистрации факта проникновения жидкости на противоположную сторону пористых материалов, при этом момент проникновения жидкости определяют по появлению капель жидкости на противоположной стороне образца, приводящий к снижению ее температуры без учета изменения температурно-влажностного режима в пододежном пространстве швейного изделия. Изменение температурно-влажностного режима не связано с появлением воды внутри пакета материалов. Также недостатком данного способа является то, что на исследуемый образец воздействуют только жидкостью при комнатной температуре, не учитывая при этом влияние других агрессивных факторов: ветра, перепада температур между окружающим воздухом и пододежным пространством, кроме этого, способ не позволяет испытывать материалы с незначительным увлажнением, не приводящим к появлению капель жидкости на противоположной поверхности образца. Для пакетов материалов различной структуры и гигроскопичности при одном и том же объеме увлажнения момент промокания некоторых пакетов может никогда не наступить. Намокший, но еще не промокший окончательно пакет материалов швейного изделия уже очень быстро отдает тепло, и значит, время промокания должно характеризоваться во взаимосвязи с изменением перепада температуры на внешней и внутренней поверхностях пакета материалов и внутри него.
Наиболее близким к изобретению является прибор для определения водопроницаемости текстильных материалов [3], содержащий пяльцы для крепления образца, образованные токопроводящей опорной плитой и прижимом в виде емкости, форсунку, помещенную в емкость, приспособление для подачи жидкости в форсунку, датчик водопроницаемости, размещенный на опорной плите и электрически соединенный со средством для определения времени начала и продолжительности водопроницаемости, пороговые элементы и токопроводящее звено. Замыкание электродов датчика при проникании через образец капли жидкости приводит к выключению через пороговый элемент первого секундомера, определяющего время начала водопроницаемости и включение второго секундомера, определяющего продолжительность водопроницаемости. По показаниям первого секундомера определяют водоупорность (водонепроницаемость), а по показаниям второго секундомера – водопроницаемость.
Недостатками данного прибора является то, что он не позволяет имитировать реальные условия эксплуатации изделия с учетом его пространственного расположения и различных погодных условий, а также необходимость настраивания пороговых элементов в зависимости от используемых материалов, а следовательно, неточность измерений.
За прототип способа взят способ определения проницаемости материалов жидкостями [4], при котором регистрируют изменение во времени поверхностной проводимости противоположной стороны равномерно растянутого образца и по ее изменению судят о степени проникновения жидкости.
Недостатком данного способа является то, что изменение поверхностной электрической проводимости происходит во времени плавно без наличия каких-либо критических точек и момент проникновения жидкости определяют субъективно. Для более точной характеристики момента проникновения жидкости недостаточно использования только одной характеристики поверхностной электрической проводимости. На исследуемый образец воздействуют только жидкостью при комнатной температуре, не учитывая при этом влияние других агрессивных факторов.
Техническим результатом изобретения является: повышение точности определения момента проницаемости; возможность исследования одно- и многослойных пакетов материалов, деталей, швов и узлов швейных изделий.
Указанный технический результат достигается тем, что в способе определения водопроницаемости материалов для швейных изделий, включающем кондиционирование образца материала при постоянных температуре и влажности, нанесение жидкости на испытуемый образец материала, регистрацию изменения во времени поверхностной проводимости противоположной стороны образца материала, согласно изобретению создают перепад температур по толщине пакета образца, на образец направляют поток воздуха, после чего одновременно с регистрацией поверхностного электрического сопротивления регистрируют температуру внешней и внутренней поверхностей образца, а также внутри пакета. О времени промокания судят по показаниям самописцев потенциометра и тераомметра. А в устройстве для определения водопроницаемости материалов для швейных изделий, содержащем узел для крепления образца, средство подачи воды на образец и средство определения момента проницаемости воды через материал, согласно изобретению узел для крепления образца выполнен в виде двух горизонтально размещенных друг над другом колец, верхнее из которых установлено с возможностью вертикального перемещения и фиксации, а на его поверхности по периметру расположены иглы для закрепления образца. В нижнем кольце размещен датчик измерения поверхностного электрического сопротивления, на поверхности которого закреплен один из датчиков температуры, остальные датчики температуры расположены на образце и соединены с потенциометром. Датчик измерения поверхностного электрического сопротивления связан с тераомметром, соединенным с самописцем для фиксации во времени поверхностного электрического сопротивления. Средство подачи воды выполнено в виде емкости-термостата, закрепленного на конце консоли, другой конец которой установлен на вертикальном штативе с возможностью перемещения, при этом в емкости-термостате размещен нагревательный элемент, подключенный к терморегулятору. В непосредственной близости от узла для крепления образца на консоли, расположенной под верхней консолью, размещены вентилятор с нагревательным элементом, электродвигателем и реостатом, при этом вентилятор подключен к терморегулятору. Емкость-термостат для подачи воды соединен с водопроводом и системой нагнетания воздуха. Вентилятор по отношению к внешней поверхности пакета образца расположен под острым углом с учетом положения верхнего кольца.
Повышение точности достигается тем, что в процессе испытания регистрируются поверхностное электрическое сопротивление и перепад температуры по слоям пакета образца, на внешней и внутренней поверхностях каждого слоя пакета и в результате точно определяется момент проницаемости воды через слои пакета, когда температуры внешней и внутренней поверхностей пакета выравниваются. Возможность исследования одно- и многослойных пакетов материалов, деталей, швов и узлов швейных изделий обеспечивается за счет особой конструкции зажимного устройства, которое регулируется путем перемещения верхнего кольца вдоль вертикальных стоек с учетом толщины пакета образца, условий взаимодействия воды и потока воздуха с внешней поверхностью пакета образца, а закрепление пакета образца осуществляется с помощью жестко закрепленных иголок по периметру верхнего кольца, позволяющие проводить испытания в любом месте пакетов материалов, деталей, швов и узлов швейных изделий.
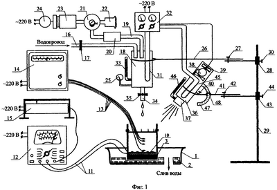
На фиг.1 показан общий вид заявляемого устройства.
На фиг.2 изображено зажимное устройство для фиксации образца.
На фиг.3 показан один из вариантов расположения пакета материалов в зажимном устройстве.
На фиг.4 представлен график зависимости изменения поверхностного электрического сопротивления внутренней поверхности и изменения температур внешней и внутренней поверхностей от времени пакета материалов утепленного изделия при температуре воды 0°С.
На фиг.5 показан график зависимости изменения поверхностного электрического сопротивления внутренней поверхности и изменения температур внешней и внутренней поверхностей от времени пакета материалов утепленного изделия при температуре воды 40°С.
На фиг.6 представлен график зависимости изменения поверхностного электрического сопротивления внутренней поверхности и изменения температур внешней и внутренней поверхностей от времени пакета материалов утепленного изделия при температуре воды 50°С.
На фиг.7 показаны графики зависимости изменения поверхностного электрического сопротивления внутренней поверхности и изменения температур внешней и внутренней поверхностей от времени пакета материалов утепленного изделия при температуре воды 0°С без и при одновременном воздействии потока воздуха со скоростью 0,5 м/с при температуре 16°С.
Устройство для определения водопроницаемости текстильных материалов состоит из поддона 1 (фиг.1), на дне которого по всей поверхности размещен слой теплоизолирующего материала 2. Поддон 1 и слой теплоизолирующего материала 2 имеют соосное отверстие для слива воды. В центре поддона 1 на теплоизолирующем материале 2 размещено зажимное устройство 3 для фиксации образца. Зажимное устройство 3 (фиг.2) представляет собой металлическую разборную конструкцию, выполненную открытой с возможностью испытания образцов неограниченных размеров со свободным доступом к любой зоне детали и узла швейного изделия. Зажимное устройство 3 состоит из двух колец: нижнего 4 и верхнего 5, размещенных горизонтально друг над другом. К нижнему кольцу 4 жестко прикреплены две вертикальные стойки 6 со сквозными отверстиями равномерно расположенными по длине стоек 6. Верхнее кольцо 5 имеет ушки 7 для фиксации его на стойках 6 с помощью винтов 8. Верхнее кольцо 5 может быть закреплено на разной высоте по отношению к нижнему кольцу 4 с помощью ушек 7 и винтов 8. На верхней поверхности верхнего кольца 5 жестко закреплены иглы 9 для фиксации образца. В отверстие нижнего кольца 4 помещен датчик 10 для измерения поверхностного электрического сопротивления. Датчик 10 с помощью проводов 11 подключен к тераомметру 12 (фиг.1). На поверхности датчика 10 (фиг.2) располагается один из датчиков температуры 13 для измерения температуры на внутренней поверхности образца. Минимально используют в испытаниях два датчика температуры 13: один на внешней поверхности исследуемого пакета образца, другой на внутренней поверхности. Максимальное количество датчиков температуры 13 зависит от условий проведения испытания и структуры пакета образца. Остальные датчики температуры 13, предназначенные для размещения в пакете образца (фиг.1), подключенные к потенциометру 14, находятся в незафиксированном перед испытанием положении. К тераомметру 12 подключен самописец 15, который на диаграммной ленте фиксирует результаты измерения поверхностного электрического сопротивления во времени. Приборы: тераомметр 12, потенциометр 14, самописец 15 подключены к электрической сети переменного тока.
Водопровод 16 с запирающим вентилем 17 соединен с источником воды (на схеме не показан) и емкостью-термостатом 18 для воды.
Система нагнетания воздуха предназначена для создания необходимого давления воды в емкости-термостате 18. Емкость-термостат 18 соединен посредством воздухопровода 19 с краном давления 20, являющегося дозирующим механизмом, открывающим и закрывающим подачу воздуха. Кран давления 20 соединен с ресивером 21, в котором создается необходимое давление воздуха, и который, в свою очередь, соединен с клапаном давления 22, предназначенным для спуска излишков воздуха и поддержания необходимого давления до подачи воздуха в емкость термостат 18. В ресивер 21 воздух подается от компрессора 23, который качает воздух и позволяет поддерживать постоянное давление воздуха во время работы. Система нагнетания воздуха работает от электродвигателя 24, имеющего индивидуальный привод.
Контроль давления воды в емкости-термостате 18 осуществляется по манометру 25. Емкость-термостат 18 закреплен соосно с зажимным устройством 3 с помощью консоли 26, длина которой регулируется винтом 27. Консоль 26 с помощью втулки 28 перемещается по высоте штатива 29 и фиксируется винтом 30. В емкость-термостат 18 помещен нагревательный элемент 31, подключенный через терморегулятор 32 к источнику питания. Контроль температуры воды в емкости-термостате 18 осуществляется по термометру 33. Из емкости-термостата 18 вода через кран 34 с запирающим вентилем 35 подается на образец в соответствии с выбранным условием взаимодействия воды с образцом.
Направленный поток воздуха создает вентилятор 36 через сопло 37, подключенный через терморегулятор 32 к источнику переменного тока. Управление скоростью воздушного потока осуществляется изменением скорости работы электродвигателя 38 реостатом 39. Вентилятор 36 с помощью регулировочного винта 40 на консоли 41 в определенном положении фиксируется. Длина консоли 41 регулируется винтом 42. Консоль 41 перемещается по высоте штатива 29 посредством втулки 43 и фиксируется винтом 44. Поток воздуха, создаваемый вентилятором 36, нагревается нагревательным элементом 45, подключенным через терморегулятор 32 к источнику переменного тока. Контроль температуры потока воздуха осуществляется по термометру 46. Угол наклона вентилятора регулируется при ослаблении винта 40 в пределах от 0 до 75° по отношению к внешней поверхности пакета образца. Для измерения угла наклона вентилятора 36 к внешней поверхности его корпуса жестко прикреплена одним концом дуговая шкала 47, другой конец которой свободно перемешается через кольцо 48 в консоли 41. Дуговая шкала 47 проградуирована до 90°.
Устройство для определения водопроницаемости текстильных материалов работает следующим образом.
Подключают необходимые приборы к источнику питания: терраомметр 12, самописец 15, потенциометр 14, электродвигатель 24 системы нагнетания воздуха и терморегулятор 32.
Емкость-термостат 18 наполняют водой открытием вентиля 17 водопровода 16.
Перед началом испытаний задают температуру и давление воздействия воды и воздушного потока на образец, угол наклона воздушного потока по отношению к образцу и скорость его воздействия на образец, условие взаимодействия образца с водой, центрируют положение емкости-термостата 18 над образцом.
Условия взаимодействия воды с пакетом образца создают за счет воздействия воды заданной температуры и давления капельно дискретно, или капельно непрерывно, либо струйно непрерывно, без или при одновременном воздействии направленного потока воздуха заданной температуры и скорости на образец. Контакт воды с исследуемым пакетом образца может осуществляться однократно или многократно, непрерывно или прерывисто, точечно, при постоянном удалении воды с поверхности пакета, либо по поверхности за счет создания объема воды над поверхностью пакета. Температуру воды и воздуха задают терморегулятором 32. Температуру воды в емкости-термостате 18 контролируют по термометру 33.
Давление воды в емкости-термостате может быть задано регулированием объема подаваемой по водопроводу 16 воды большим или меньшим открытием вентиля 17. Дополнительно необходимое давление воды в емкости-термостате 18 задают с помощью изменения давления воздуха клапаном давления 22, контролируемого по манометру ресивера 21. Открытием крана давления 20 обеспечивают подачу воздуха заданного давления в емкость-термостат 18. Давление воды в емкости-термостате 18 контролируют по манометру 25.
Угол наклона воздушного потока, создаваемого вентилятором 36, задают его поворотом по шкале 47 при ослаблении винта 40 на консоли 41. Расположение емкости-термостата 18 по высоте задают перемещением втулки 28 с консолью 26 по штативу 29, ослаблением винта 30 и закреплением в нужном положении. Расположение вентилятора 36 по высоте задают перемещением втулки 43 с консолью 41 по штативу 29, ослаблением винта 44 и закреплением в нужном положении. Скорость воздушного потока задают изменением скорости работы электродвигателя 38 перемещением ручки реостата 39.
Верхнее кольцо 5 в зависимости от выбранного условия взаимодействия воды с образцом и вида исследуемого пакета материалов устанавливают в определенное положение по отношению к датчику 10, для этого ослабляют винты 8, перемещают верхнее кольцо 5 вдоль стоек 6 и в выбранном положении фиксируют верхнее кольцо 5 с помощью ушек 7 и винтов 8. Положение верхнего кольца 5 устанавливают, в том числе, с учетом угла наклона воздушного потока, создаваемого вентилятором 36. Например, при горизонтальном направлении воздушного потока (при минимальном угле наклона вентилятора 36-0° по дуговой шкале 47) внешняя поверхность пакета образца должна быть открыта для воздействия. Для этого верхнее кольцо 5 зажимного устройства 3 перемещают по вертикальным стойкам 6 при ослаблении винтов 8 в крайнее нижнее положение.
Возможность задавать различную температуру и давление воды и воздушного потока позволяет имитировать определенные условия воздействия воды и ветра в реальных условиях действия атмосферных осадков или вредных производственных факторов.
Возможность изменения и точного фиксирования параметров температуры и давления воды и воздушного потока на образец, угла наклона воздушного потока, условия взаимодействия образца с водой значительно расширяют исследовательский диапазон заявляемого устройства.
Испытуемый образец или сформированный пакет материалов фиксируют в зажимном устройстве 3 с помощью игл 9 таким образом, чтобы внутренняя поверхность образца или пакета соприкасалась с поверхностью датчика 10.
При испытании однослойного пакета один из свободно расположенных датчиков температуры 13 помещают на внешнюю поверхность образца.
При испытании многослойных пакетов без ограничения количества слоев свободно расположенные датчики температуры 13 располагают в выбранных точках между слоями пакета, в том числе один на внешней его поверхности (фиг.3).
При выборе условия взаимодействия воды с образцом: без создания объема воды над внешней поверхностью образца (капельно непрерывно и струйно непрерывно), один конец, фрагмент или угол образца не фиксируют на зажимном устройстве 3, а опускают в сток для слива воды.
Открытием вентиля 35 обеспечиваем подачу воды через кран 34 на поверхность образца.
При одновременном воздействии воды и направленного потока воздуха на образец при открытии вентиля 35 включают в работу электродвигатель 38 вентилятора 36. В процессе проведения испытания контролируют температуру потока воздуха по термометру 46.
Изменения поверхностного электрического сопротивления образца, измеренного датчиком 10, контролируют по шкале тераомметра 12 и по диаграмме самописца 15. Температура по слоям пакета фиксируется на диаграммной ленте потенциометра 14.
При выборе условия взаимодействия воды с поверхностью образца капельно дискретно или постоянно поддерживаемого над поверхностью объема воды после подачи воды на образец закрывают вентиль 35 крана 34.
При достижении минимального изменения поверхностного электрического сопротивления и одновременно выравнивания температуры на внешней и внутренней поверхности пакета заканчивают испытание: закрытием вентиля 35 прекращают подачу воды из емкости-термостата 18 и выключают электродвигатель вентилятора 36 выключением соответствующего выключателя на терморегуляторе 32.
Пример практического осуществления способа.
Для осуществления способа использовали пакет материалов утепленного швейного изделия. В качестве ткани верха использовали хлопколавсановую ткань с водоотталкивающей отделкой “Лидер 250” артикула П81408ГМВО, в качестве утеплителей – ватин холстопрошивной хлопчатобумажный поверхностной плотностью 215 г/м2 или полотно объемное из синтетических нитей артикула 935601 поверхностной плотностью 160 г/м2, в качестве подкладочных тканей – бязь хлопчатобумажную артикула 142 или ткань подкладочную из химических волокон артикула 52468.
Перед испытанием кондиционировали пакеты материалов по ГОСТ 10681-75 не менее 24 ч.
Охлаждали или нагревали дистиллированную воду до определенной температуры.
Заправляли пакет материалов в предварительно отрегулированное зажимное устройство, при этом подкладочная ткань пакета материалов соприкасалась с датчиком температуры и датчиком поверхностного электрического сопротивления, а на ткани верха пакета материалов закрепляли другой датчик температуры.
Наносили распылением воду объемом 0,5-3,0 мл на ткань верха пакета материалов и закрывали зажимное устройство с образцом изолирующим колпаком.
Регистрировали изменение поверхностного электрического сопротивления внутренней поверхности (ПЭС) по обратно пропорциональной шкале от 106 до 1014 Ом тераомметра марки Е6-13А и записывали на диаграммную ленту самописца. Скорость движения диаграммной ленты самописца 2400 мм/ч.
Изменения температур на внешней (ТВШ) и внутренней (ТВН) поверхностях пакета материалов регистрировали по шкале потенциометра марки КСП-4-005. Шкалу потенциометра расширили с помощью дополнительного магазина сопротивлений Р 32. Точность измерения температуры до 0,1°С. Скорость движения диаграммной ленты потенциометра 2400 мм/ч.
Выполняли обработку результатов экспериментальных исследований и строили совместные графики зависимости изменения поверхностного электрического сопротивления и изменения температур на внешней и внутренней поверхностях от времени и определяли по ним момент промокания.
Пример 1.
Использовали пакет материалов утепленного швейного изделия, состоящий из хлопколавсаиовой ткани с водоотталкивающей отделкой “Лидер 250” артикула П81408ГМВО, ватина холстопрошивного хлопчатобумажного поверхностной плотностью 215 г/м2 и бязевой хлопчатобумажной подкладки артикула 142. Пакет сформирован наложением материалов друг на друга в соответствии с пакетом швейного изделия:
– ткань верха;
– утеплитель;
– подкладка.
Кондиционировали пакет материалов.
Исследовали пакет материалов данной структуры при действии воды разной температуры: 0, 40 и 50°С.
Заправляли пакет материалов в предварительно отрегулированное зажимное устройство таким образом, чтобы он образовывал емкость глубиной 3 см.
Наносили распылением охлажденную до 0°С или нагретую, до 40 или 50°С воду объемом 0,5 мл и закрывали изолирующим колпаком.
Регистрировали и записывали изменение поверхностного электрического сопротивления внутренней поверхности и изменения температур на внешней и внутренней поверхностях пакета образца, обрабатывали результаты и строили совместные графики зависимости изменения поверхностного электрического сопротивления внутренней поверхности и изменения температур на внешней и внутренней поверхностях в зависимости от времени и определяли по ним момент промокания (фиг.4, 5, 6).
Пример 2.
Использовали пакет материалов утепленного швейного изделия, состоящий из хлопколавсановой ткани с водоотталкивающей отделкой “Лидер 250” артикула П81408ГМВО, полотна объемного из синтетических нитей артикула 935601 поверхностной плотностью 160 г/м2 и подкладочной ткани из химических волокон артикула 52468. Пакет сформирован наложением материалов друг на друга в соответствии с пакетом швейного изделия:
– ткань верха;
– утеплитель;
– подкладка.
Кондиционировали пакет материалов.
Заправляли пакет материалов в предварительно отрегулированное зажимное устройство таким образом, чтобы он образовывал плоскость.
Исследовали пакет материалов данной структуры при воздействии воды температурой 0°С без и при одновременном воздействии потока воздуха температурой 16°С со скоростью 0,5 м/с.
Направляли поток воздуха параллельно плоскости пакета материалов, т.е. под углом 0°.
Наносили распылением охлажденную до 0°С воду объемом 3,0 мл и закрывали изолирующим колпаком.
Регистрировали и записывали изменение поверхностного электрического сопротивления внутренней поверхности и изменения температур на внешней и внутренней поверхностях пакета образца, обрабатывали результаты и строили совместные графики зависимости изменения поверхностного электрического сопротивления и изменения температур на внешней и внутренней поверхностях в зависимости от времени и определяли по ним момент промокания (фиг.7).
В таблице 1 представлены результаты испытаний пакетов материалов примера 1 и примера 2.
Время промокания может быть определено приблизительно по резкому снижению поверхностного электрического сопротивления пакета материалов и его стабилизации на конечном участке.
Анализ зависимостей температур внешней и внутренней поверхностей от времени показывает, что с течением времени перепад температуры от внешней поверхности к внутренней уменьшается и достигает нуля. Причем выравнивание температур на внешней и внутренней поверхностях пакета материалов происходит в момент значительного снижения скорости намокания, о чем свидетельствует уменьшение скорости изменения поверхностного электрического сопротивления внутренней поверхности. Момент времени, в который температуры внешней и внутренней поверхностей пакета материалов выравниваются, а изменение поверхностного электрического уменьшает свою скорость, может быть принят за время промокания. Это время промокания может быть использовано в качестве характеристики водозащитной способности швейного изделия. Оно свидетельствует об изменении защитных способностей швейного изделия и о нарушении температурно-влажностного режима в пододежном пространстве.
Зависимость поверхностного электрического сопротивления от времени имеет одну и ту же характерную кривую (фиг.4, 5, 6, 7). Скорость промокания в значительной степени зависит от величины и направления градиента температуры, который появляется при создании на внешней и внутренней сторонах исследуемого пакета образца разного температурного режима. Так, при воздействии на внешнюю сторону пакета холодной водой (температура 0°С) объемом 0,5 мл градиент температуры направлен навстречу градиенту влагосодержания и замедляет процесс распространения влаги по толщине пакета – время промокания равно 3480 с (пример 1, фиг.4). А при действии на внешнюю сторону пакета нагретой воды (температура 40, 50°С), градиент температуры способствует интенсификации движения воды по толщине пакета: время промокания сокращается до 1590 с при температуре воды 40°С (пример 1, фиг.5) и до 690 с при температуре воды 50°С (пример 1, фиг.6).
При сочетании двух одновременно воздействующих на внешнюю сторону пакета образца факторов воды и потока воздуха результаты продолжительности процесса промокания также различны и зависят не только от условий воздействия воды, но и от параметров воздушного потока. Так при воздействии холодной воды (температура 0°С) объемом 3,0 мл на внешнюю поверхность пакета образца продолжительность времени промокания составила 750 с (пример 2, фиг.7). Но при воздействии на такой же пакет материалов воды тех же параметров при одновременном воздействии потока воздуха температурой 16°С скоростью 0,5 м/с параллельно плоскости образца (угол наклона потока воздуха 0°) время промокания увеличилось до 840 с. Это объясняется тем, что воздействие потока воздуха на пакет материалов параллельно его плоскости способствует более быстрому испарению и удалению влаги с внешней поверхности пакета, охлаждению его поверхности, уменьшая тем самым активность и диффузионную способность молекул воды, что, в свою очередь, способствует более медленному проникновению воды в структуру пакета.
При этом ни в первом, ни во втором примерах не произошло видимого проникновения воды на противоположную сторону пакета образца.
В таблице 2 представлена сравнительная характеристика пакетов материалов по известному и разработанному способам.
Более точное определение времени промокания достигается за счет одновременной регистрации трех показателей и представления результатов: поверхностного электрического сопротивления внутренней поверхности, температуры внешней и температуры внутренней поверхностей пакета образца с последующим их сопоставлением. Испытания могут быть, при этом, проведены при воздействии воды с температурой широкого диапазона от 0 до 99°С как при незначительных, так и при значительных объемах увлажнения. Небольшой объем увлажнения (в примерах порядка 0,5; 3,0 мл) не приводит к видимому появлению капель воды на противоположной стороне образца, и поэтому при использовании способа по прототипу представляется сложным установить точное время промокания, что и подтверждают результаты экспериментальных исследований.
Заявляемый способ позволяет осуществлять исследования при воздействии воды и направленного потока воздуха. Поток воздуха создает либо дополнительный градиент давления, способствуя более быстрому проникновению воды по толщине пакета образца, либо препятствие намоканию пакета образца. Автономное регулирование температуры потока воздуха влияет на процесс промокания, усиливая или замедляя его. Различные комбинации условий воздействия воды и потока воздуха разных параметров позволяют создать дифференцированные условия испытаний, моделируя определенные условия эксплуатации швейных изделий, например воздействие атмосферных осадков. В способе по прототипу воздействие воды одновременно с направленным потоком воздуха не предусмотрено.
| Таблица 1 |
| Результаты исследований пакетов материалов |
| Время, с |
Пакет материалов по примеру 1 |
Пакет материалов по примеру 2 |
| Температура воды, °С (температура потока воздуха, °С) |
| 0 |
40 |
50 |
0 |
0 (16) |
R·108, Ом |
Твш, °С |
Твн, °С |
R·108, Ом |
Твш, °С |
Твн, °С |
R·108, Ом |
Твш, °С |
Твн, °С |
R1·108, Ом |
Т1вш, °С |
Т1вн, °С |
R2·108, Ом |
Т2вш, °С |
Т2вн, °С |
| 1 |
2 |
3 |
4 |
5 |
6 |
7 |
8 |
9 |
10 |
11 |
12 |
13 |
14 |
15 |
16 |
| 0 |
138,00 |
7,5 |
20,0 |
100,0 |
28,7 |
28,7 |
112,0 |
36,4 |
26,2 |
101,00 |
6,2 |
22,1 |
106,00 |
17,3 |
18,7 |
| 30 |
135,00 |
7,5 |
15,0 |
95,0 |
28,7 |
28,7 |
102,0 |
35,1 |
28,1 |
101,00 |
3,5 |
18,5 |
106,00 |
6,8 |
16,2 |
| 60 |
134,00 |
7,2 |
15,0 |
95,0 |
28,7 |
28,7 |
95,0 |
35,8 |
29,7 |
101,00 |
4,1 |
14,1 |
105,00 |
7,2 |
14,4 |
| 90 |
134,00 |
7,5 |
14,0 |
92,0 |
28,3 |
28,7 |
95,0 |
34,5 |
29,9 |
101,00 |
5,0 |
13,1 |
106,00 |
7,1 |
13,7 |
| 120 |
134,00 |
7,5 |
14,0 |
92,0 |
27,5 |
28,3 |
92,0 |
33,5 |
30,1 |
105,00 |
5,1 |
13,0 |
106,00 |
7,3 |
13,5 |
| 150 |
134,00 |
8,0 |
14,0 |
92,0 |
27,9 |
28,1 |
90,0 |
32,5 |
30,1 |
103,00 |
5,2 |
12,9 |
106,00 |
7,2 |
13,4 |
| 180 |
134,00 |
8,0 |
14,0 |
91,0 |
27,5 |
28,1 |
89,0 |
33,0 |
30,6 |
101,50 |
5,3 |
12,8 |
106,00 |
7,0 |
13,0 |
| 210 |
134,00 |
8,0 |
14,0 |
89,0 |
27,5 |
28,3 |
88,0 |
32,9 |
30,8 |
102,00 |
5,5 |
12,9 |
105,00 |
7,3 |
12,9 |
| 240 |
134,00 |
8,1 |
14,0 |
88,0 |
27,5 |
28,3 |
87,0 |
32,8 |
30,9 |
105,50 |
5,8 |
12,5 |
105,00 |
7,5 |
12,8 |
| 270 |
134,00 |
8,5 |
14,0 |
87,0 |
27,3 |
27,8 |
85,0 |
32,8 |
31,3 |
102,00 |
6,0 |
12,3 |
106,00 |
7,8 |
12,8 |
| 300 |
134,00 |
8,9 |
14,0 |
85,0 |
27,2 |
28,1 |
84,0 |
32,6 |
31,6 |
101,00 |
6,0 |
12,3 |
106,00 |
7,9 |
12,9 |
| 330 |
134,00 |
8,5 |
14,0 |
83,0 |
27,3 |
28,2 |
83,0 |
32,7 |
31,9 |
100,50 |
6,1 |
12,3 |
106,00 |
8,0 |
12,7 |
| 360 |
134,00 |
8,9 |
14,0 |
80,0 |
27,3 |
28,2 |
82,0 |
32,3 |
31,9 |
97,00 |
6,2 |
11,9 |
107,00 |
8,3 |
12,7 |
| 390 |
134,00 |
8,8 |
14,0 |
77,0 |
27,3 |
28,2 |
80,0 |
31,9 |
31,0 |
95,00 |
6,5 |
11,5 |
106,00 |
8,5 |
12,7 |
| 420 |
134,00 |
9,2 |
13,8 |
75,0 |
27,3 |
28,2 |
78,0 |
31,8 |
31,9 |
94,00 |
6,8 |
11,2 |
105,00 |
8,8 |
12,6 |
| 450 |
134,00 |
9,1 |
14,0 |
73,0 |
27,3 |
28,2 |
77,0 |
31,8 |
31,7 |
93,00 |
7,1 |
11,0 |
105,00 |
8,7 |
12,5 |
| 480 |
134,00 |
9,5 |
14,0 |
70,0 |
27,3 |
28,2 |
75,0 |
31,8 |
31,3 |
92,00 |
7,5 |
10,9 |
105,00 |
8,9 |
12,3 |
| 510 |
134,00 |
9,1 |
14,0 |
68,0 |
27,3 |
28,2 |
74,0 |
31,0 |
30,9 |
92,00 |
7,9 |
10,9 |
103,00 |
9,4 |
12,2 |
| 540 |
134,00 |
9,2 |
14,0 |
66,0 |
27,8 |
28,1 |
73,0 |
30,8 |
30,4 |
88,00 |
8,1 |
10,8 |
99,00 |
9,7 |
12,1 |
| 570 |
134,00 |
9,3 |
14,1 |
63,0 |
27,5 |
28,0 |
72,0 |
30,3 |
30,0 |
86,00 |
8,4 |
10,8 |
98,00 |
9,8 |
11,9 |
| 600 |
133,00 |
10,0 |
14,1 |
61,0 |
27,5 |
27,9 |
71,0 |
30,0 |
29,8 |
85,00 |
8,8 |
10,7 |
97,00 |
10,3 |
12,3 |
| 630 |
133,00 |
10,4 |
14,1 |
59,0 |
27,5 |
27,9 |
70,0 |
29,5 |
29,6 |
83,00 |
9,0 |
10,6 |
94,00 |
10,8 |
12,3 |
| 660 |
133,00 |
10,0 |
13,9 |
55,0 |
27,5 |
27,9 |
67,0 |
29,5 |
29,6 |
82,00 |
9,5 |
10,5 |
90,00 |
11,0 |
12,5 |
| 690 |
133,00 |
10,0 |
13,9 |
53,0 |
27,5 |
27,9 |
66,0 |
29,4 |
29,4 |
71,00 |
9,7 |
10,4 |
78,00 |
11,5 |
12,7 |
| 720 |
132,00 |
10,0 |
13,9 |
51,0 |
27,5 |
27,9 |
66,0 |
29,3 |
29,5 |
59,00 |
10,0 |
10,4 |
65,00 |
11,3 |
13,0 |
| 750 |
132,00 |
10,0 |
13,9 |
48,5 |
27,9 |
28,0 |
65,0 |
29,4 |
29,1 |
37,50 |
10,5 |
10,5 |
62,00 |
11,9 |
13,2 |
| 780 |
132,00 |
10,0 |
13,9 |
46,5 |
27,9 |
28,1 |
63,0 |
29,0 |
29,1 |
17,25 |
11,0 |
10,7 |
60,00 |
12,5 |
13,1 |
| 810 |
131,00 |
9,9 |
13,8 |
45,0 |
27,9 |
28,1 |
63,0 |
29,0 |
29,3 |
14,40 |
11,6 |
11.2 |
57,00 |
13,0 |
13,2 |
| 840 |
131,00 |
9,1 |
13,5 |
43,5 |
27,8 |
28,0 |
62,0 |
29,0 |
29,3 |
11,50 |
11,5 |
11,5 |
50,00 |
13,6 |
13,5 |
| 870 |
131,00 |
10,0 |
14,0 |
42,0 |
27,8 |
27,9 |
60,0 |
29,0 |
29,3 |
10,20 |
11,8 |
12,0 |
43,00 |
14,2 |
14,1 |
| 900 |
131,00 |
10,0 |
13,6 |
40,0 |
27,8 |
27,9 |
59,0 |
29,0 |
29,4 |
9,60 |
12,4 |
12,6 |
35,00 |
15,0 |
14,6 |
| 930 |
131,00 |
10,9 |
13,9 |
38,5 |
27,8 |
27,9 |
57,0 |
29,3 |
29,4 |
8,00 |
12,5 |
12,7 |
32,00 |
15,4 |
15,2 |
| 960 |
131,00 |
9,8 |
13,4 |
37,0 |
27,8 |
27,9 |
56,0 |
29,3 |
29,2 |
7,20 |
12,7 |
12,8 |
30,00 |
15,7 |
15,5 |
| 990 |
131,00 |
9,8 |
13,9 |
35,5 |
27,8 |
28,0 |
55,0 |
29,0 |
29,2 |
6,80 |
12,9 |
13,0 |
24,00 |
15,9 |
15,7 |
| 1020 |
131,00 |
9,9 |
13,8 |
34,0 |
27,8 |
28,1 |
53,5 |
29,0 |
29,5 |
6,30 |
13,1 |
13,2 |
20,00 |
16,4 |
16,0 |
| 1050 |
131,00 |
9,9 |
13,9 |
32,5 |
27,8 |
28,1 |
52,5 |
29,0 |
29,2 |
5,95 |
13,5 |
13,7 |
18,00 |
16,4 |
16,5 |
| 1080 |
131,00 |
10,0 |
13,9 |
31,0 |
27,8 |
28,0 |
52,0 |
29,0 |
29,2 |
5,55 |
13,6 |
13,6 |
17,00 |
16,5 |
16,6 |
| 1110 |
131,00 |
10,0 |
14,0 |
32,0 |
27,8 |
28,0 |
50,5 |
29,1 |
29,1 |
5,25 |
13,8 |
13,8 |
16,50 |
16,5 |
16,6 |
| 1140 |
131,00 |
10,0 |
13,9 |
31,0 |
27,8 |
28,0 |
49,5 |
29,0 |
29,2 |
4,95 |
13,9 |
13,9 |
16,00 |
16,5 |
16,6 |
| 1170 |
129,00 |
9,9 |
14,0 |
30,0 |
27,8 |
28,0 |
48,5 |
29,1 |
29,2 |
4,70 |
14,3 |
14,2 |
14,50 |
16,5 |
16,6 |
| 1200 |
129,00 |
10,0 |
13,9 |
28,5 |
27,8 |
28,0 |
47,5 |
29,0 |
29,2 |
4,50 |
14,5 |
14,6 |
13,00 |
16,5 |
16,5 |
| 1230 |
128,00 |
10,1 |
14,0 |
28,0 |
27,8 |
28,0 |
46,5 |
29,1 |
29,3 |
4,32 |
14,7 |
14,8 |
12,00 |
16,6 |
16,5 |
| 1260 |
127,00 |
10,0 |
13,4 |
27,0 |
27,8 |
28,0 |
45,5 |
29,1 |
29,2 |
4,14 |
14,8 |
14,9 |
11,00 |
16,5 |
16,5 |
| 1290 |
124,00 |
10,1 |
14,0 |
26,0 |
27,8 |
28,0 |
44,5 |
29,0 |
29,1 |
3,92 |
14,9 |
15,0 |
10,00 |
16,6 |
16,5 |
| 1320 |
124,00 |
10,0 |
13,8 |
25,0 |
27,8 |
28,0 |
43,5 |
29,0 |
29,1 |
3,72 |
14,9 |
15,1 |
9,50 |
16,6 |
16,5 |
| 1350 |
124,00 |
10,1 |
13,8 |
24,0 |
27,8 |
28,0 |
43,0 |
28,9 |
29,0 |
3,58 |
15,2 |
15,1 |
9,30 |
16,7 |
16,5 |
| 1380 |
120,00 |
10,1 |
13,5 |
23,2 |
27,8 |
28,0 |
42,0 |
28,9 |
29,0 |
3,42 |
15,3 |
15,3 |
9,00 |
16,7 |
16,6 |
| 1410 |
120,00 |
10,2 |
13,9 |
22,5 |
27,8 |
28,0 |
41,0 |
28,9 |
29,0 |
3,30 |
15,4 |
15,5 |
8,40 |
16,7 |
16,6 |
| 1440 |
120,00 |
10,2 |
14,0 |
21,5 |
27,8 |
28,0 |
40,5 |
28,9 |
28,9 |
3,24 |
15,5 |
15,7 |
8,00 |
16,7 |
16,6 |
| 1470 |
120,00 |
10,1 |
13,9 |
20,8 |
27,8 |
27,9 |
39,7 |
28,9 |
29,0 |
3,12 |
15,6 |
15,7 |
7,70 |
16,7 |
16,6 |
| 1500 |
120,00 |
10,1 |
14,0 |
20,0 |
27,8 |
27,8 |
39,0 |
28,9 |
29,1 |
3,06 |
15,7 |
15,8 |
7,50 |
16,7 |
16,6 |
| 1530 |
120,00 |
10,2 |
14,0 |
19,5 |
28,0 |
28,1 |
38,5 |
28,9 |
29,0 |
2,73 |
15,9 |
16,0 |
7,40 |
16,7 |
16,7 |
| 1560 |
120,00 |
10,2 |
14,0 |
18,7 |
27,9 |
28,0 |
38,0 |
28,9 |
29,0 |
2,70 |
16,0 |
16,1 |
7,50 |
16,7 |
16,8 |
| 1590 |
119,00 |
10,2 |
14,0 |
18,2 |
28,0 |
28,0 |
37,0 |
28,9 |
29,0 |
2,56 |
16,2 |
16,2 |
7,50 |
16,7 |
16,9 |
| 1620 |
118,00 |
10,2 |
14,0 |
17,6 |
28,0 |
28,0 |
36,3 |
28,8 |
29,0 |
2,34 |
16,3 |
16,3 |
7,50 |
16,7 |
16,8 |
| 1650 |
115,00 |
10,3 |
14,0 |
17,2 |
28,0 |
28,0 |
35,7 |
28,8 |
29,0 |
2,02 |
16,4 |
16,5 |
7,10 |
16,7 |
16,8 |
| 1680 |
115,00 |
10,4 |
14,0 |
16,5 |
28,0 |
28,0 |
35,0 |
28,8 |
28,9 |
1,84 |
16,5 |
16,5 |
6,80 |
16,7 |
16,8 |
| 1710 |
113,00 |
10,3 |
14,0 |
16,0 |
28,0 |
28,0 |
34,5 |
28,7 |
28,8 |
1,71 |
16,6 |
16,7 |
6,60 |
16,7 |
16,8 |
| 1740 |
112,00 |
10,2 |
14,0 |
15,7 |
28,0 |
28,0 |
33,8 |
28,7 |
28,7 |
1,57 |
16,7 |
16,9 |
6,50 |
16,8 |
16,8 |
| 1770 |
111,00 |
10,1 |
14,0 |
15,2 |
28,0 |
28,0 |
33,0 |
28,5 |
28,7 |
1,54 |
16,9 |
17,0 |
6,30 |
16,7 |
16,8 |
| 1800 |
110,00 |
10,2 |
14,0 |
14,8 |
28,0 |
28,0 |
32,5 |
28,5 |
28,7 |
1,53 |
17,1 |
17,2 |
6,20 |
16,7 |
16,8 |
| 1830 |
109,00 |
10,2 |
14,0 |
14,4 |
28,0 |
28,0 |
34,0 |
28,9 |
28,6 |
1,51 |
17,2 |
17,3 |
6,10 |
16,7 |
16,8 |
| 1860 |
106,00 |
10,2 |
13,9 |
14,0 |
28,0 |
28,0 |
33,5 |
28,5 |
28,7 |
1,50 |
17,4 |
17,4 |
|
| 1890 |
105,00 |
10,2 |
14,1 |
13,7 |
28,0 |
28,0 |
33,0 |
28,6 |
28,9 |
|
| 1920 |
103,00 |
10,8 |
14,0 |
13,4 |
28,1 |
28,2 |
33,0 |
28,7 |
28,8 |
| 1950 |
101,00 |
10,4 |
14,0 |
13,0 |
28,3 |
28,4 |
32,0 |
28,7 |
28,9 |
| 1980 |
100,00 |
10,3 |
14,0 |
12,7 |
28,3 |
28,3 |
31,5 |
28,7 |
28,8 |
| 2010 |
98,00 |
10,6 |
14,0 |
12,3 |
28,3 |
28,3 |
31,0 |
28,6 |
29,0 |
| 2040 |
96,00 |
10,7 |
13,9 |
12,0 |
28,3 |
28,3 |
30,5 |
28,9 |
29,0 |
| 2070 |
94,00 |
10,3 |
14,0 |
11,7 |
28,3 |
28,3 |
30,0 |
28,9 |
29,0 |
| 2100 |
92,00 |
10,8 |
14,0 |
11,5 |
28,3 |
28,3 |
29,5 |
28,9 |
29,0 |
| 2130 |
91,00 |
10,6 |
14,0 |
11,2 |
28,3 |
28,3 |
29,0 |
28,9 |
28,9 |
| 2160 |
89,00 |
10,6 |
13,9 |
11,0 |
28,3 |
28,3 |
28,5 |
28,8 |
28,9 |
| 2190 |
87,00 |
10,8 |
14,0 |
10,8 |
28,3 |
28,3 |
28,2 |
28,8 |
28,8 |
| 2220 |
85,00 |
11,0 |
14,0 |
10,5 |
28,3 |
28,3 |
27,7 |
28,7 |
28,7 |
| 2250 |
84,00 |
11,0 |
14,0 |
10,1 |
28,3 |
28,3 |
27,2 |
28,6 |
28,8 |
| 2280 |
83,00 |
11,3 |
14,0 |
9,80 |
28,3 |
28,3 |
27,0 |
28,7 |
29,2 |
| 2310 |
81,00 |
11,2 |
14,1 |
9,70 |
28,3 |
28,3 |
26,5 |
29,0 |
29,2 |
|
|
|
|
|
|
| 2340 |
78,00 |
11,3 |
14,0 |
9,60 |
28,3 |
28,3 |
26,0 |
29,1 |
29,2 |
|
|
|
|
|
|
| 2370 |
76,00 |
11,3 |
14,1 |
9,30 |
28,3 |
28,3 |
25,5 |
29,1 |
29,1 |
|
|
|
|
|
|
| 2400 |
74,00 |
11,6 |
14,1 |
|
|
|
|
|
|
|
|
|
|
|
|
| 2430 |
72,00 |
11,4 |
14,2 |
| 2460 |
70,00 |
11,6 |
14,0 |
| 2490 |
68,00 |
11,7 |
14,2 |
| 2520 |
67,00 |
11,8 |
14,2 |
| 2550 |
64,00 |
11,8 |
14,2 |
| 2580 |
62,00 |
11,9 |
14,2 |
| 2610 |
58,00 |
11,9 |
14,2 |
| 2640 |
56,00 |
11,7 |
14,2 |
| 2670 |
55,00 |
11,9 |
14,2 |
| 2700 |
52,00 |
12,0 |
14,5 |
| 2730 |
51,00 |
12,0 |
14,5 |
| 2760 |
48,00 |
12,0 |
14,5 |
| 2790 |
47,00 |
12,2 |
14,5 |
| 2820 |
45,00 |
12,3 |
14,8 |
| 2850 |
42,00 |
12,4 |
14,9 |
| 2880 |
40,00 |
12,5 |
15,0 |
| 2910 |
38,00 |
13,0 |
15,0 |
| 2940 |
36,00 |
13,3 |
15,0 |
| 2970 |
34,00 |
13,7 |
15,0 |
| 3000 |
32,00 |
13,9 |
15,1 |
| 3030 |
30,00 |
14,0 |
15,2 |
| 3060 |
29,00 |
13,9 |
15,1 |
| 3090 |
27,00 |
14,0 |
15,0 |
| 3120 |
24,00 |
14,1 |
15,1 |
| 3150 |
22,00 |
14,2 |
15,1 |
|
|
|
|
|
|
|
|
|
|
|
|
| 3180 |
20,00 |
14,4 |
15,1 |
| 3210 |
18,00 |
14,4 |
15,9 |
| 3240 |
16,00 |
14,9 |
15,9 |
| 3270 |
14,00 |
14,9 |
15,8 |
| 3300 |
12,00 |
14,9 |
15,8 |
| 3330 |
10,00 |
15,0 |
16,0 |
| 3360 |
8,00 |
15,1 |
16,0 |
| 3390 |
6,00 |
15,3 |
16,3 |
| 3420 |
4,00 |
15,8 |
16,0 |
| 3450 |
3,00 |
16,0 |
16,2 |
| 3480 |
1,00 |
16,0 |
16,1 |
| 3510 |
0,99 |
16,0 |
16,2 |
| 3540 |
0,98 |
16,1 |
16,2 |
| 3570 |
0,97 |
16,2 |
16,3 |
| 3600 |
0,96 |
16,8 |
16,9 |
| 3630 |
0,94 |
16,9 |
17,1 |
| 3660 |
0,94 |
16,9 |
17,2 |
| 3690 |
0,92 |
17 |
17,1 |
| 3720 |
0,91 |
17 |
17,1 |
| 3750 |
0,90 |
17,1 |
17,2 |
| 3780 |
0,90 |
17,1 |
17,2 |
| 3810 |
0,88 |
17,2 |
17,3 |
| 3840 |
0,87 |
17,2 |
17,3 |
| 3870 |
0,86 |
17,5 |
17,6 |
| 3900 |
0,85 |
17,8 |
17,9 |
| Таблица 2 |
| Сравнительная характеристика результатов испытания пакетов материалов по известному и разработанному способам |
| Исследуемый показатель |
Способ по прототипу |
Заявляемый способ |
Улучшение показателя |
| Время промокания при разбрызгивании воды объемом 0,5 мл температурой: |
|
|
|
| 0°С |
Не промокло |
3480 с |
100% |
| 40°С |
Не промокло |
1590 с |
100% |
| 50°С |
Не промокло |
690 с |
100% |
| Время промокания при разбрызгивании воды объемом 3,0 мл температурой 0°С |
|
|
|
| без воздействия потока воздуха |
Не промокло |
750 с |
100% |
| с воздействием потока воздуха скоростью 0,5 м/с и температурой 16°С параллельно плоскости образца |
Не предусмотрено |
840 с |
100% |
Источники информации
1. А.С. СССР №1553885. Способ определения проницаемости материалов жидкостями и устройство для его осуществления, МКИ5 G01N 15/08; заявлено 25.05.87, №4273763/24-25; опубликовано 30.03.90 в БИ №12.
2. А.С. СССР №1073634. Способ определения проницаемости жидкостей через материалы, МКИ5 G01N 15/08; заявлено 06.01.83, №3531185/18-25; опубликовано 15.02.84 в БИ №6.
3. А.С. СССР №1390569. Прибор для определения водопроницаемости текстильных материалов, МКИ3 G01N 33/36; заявлено 01.09.86, №4112230/28-12; опубликовано 23.04.88 в БИ №15.
4. А.С. СССР №1553885. Способ определения проницаемости материалов жидкостями и устройство для его осуществления, МКИ5 G01N 15/08; заявлено 25.05.87, №4273763/24-25; опубликовано 30.03.90. в БИ №12.
Формула изобретения
1. Способ определения водопроницаемости материалов для швейных изделий, включающий кондиционирование образца материала при постоянных температуре и влажности, нанесение жидкости на испытуемый образец материала, регистрацию изменения во времени поверхностной проводимости противоположной стороны образца материала, отличающийся тем, что создают перепад температур по толщине пакета образца, на образец направляют поток воздуха, после чего одновременно с регистрацией поверхностного электрического сопротивления регистрируют температуру внешней и внутренней поверхностей образца, а также внутри пакета, после чего о времени промокания судят по показаниям самописцев потенциометра и тераомметра.
2. Устройство для определения водопроницаемости материалов для швейных изделий, содержащее узел для крепления образца, средство подачи воды на образец и средство определения момента проницаемости воды через материал, отличающееся тем, что узел для крепления образца выполнен в виде двух горизонтально размещенных друг над другом колец, верхнее из которых установлено с возможностью вертикального перемещения и фиксации, а на его поверхности по периметру расположены иглы для закрепления образца, в нижнем кольце размещен датчик измерения поверхностного электрического сопротивления, на поверхности которого закреплен один из датчиков температуры, остальные датчики температуры расположены в пакете образца и соединены с потенциометром, а датчик измерения поверхностного электрического сопротивления связан с тераомметром, соединенным с самописцем для фиксации во времени поверхностного электрического сопротивления, средство подачи воды выполнено в виде емкости-термостата, закрепленного соосно с зажимным устройством на конце консоли, другой конец которой установлен на вертикальном штативе с возможностью перемещения, при этом в емкости-термостате размещен нагревательный элемент, подключенный к терморегулятору, в непосредственной близости от узла для крепления образца на консоли, расположенной под верхней консолью, размещены вентилятор с нагревательным элементом, двигателем и реостатом, при этом вентилятор подключен к терморегулятору.
3. Устройство для определения водопроницаемости материалов для швейных изделий по п.2, отличающееся тем, что емкость-термостат для подачи воды соединен с водопроводом и системой нагнетания воздуха.
4. Устройство для определения водопроницаемости материалов для швейных изделий по п.2, отличающееся тем, что вентилятор по отношению к внешней поверхности пакета образца расположен под острым углом с учетом положения верхнего кольца.
РИСУНКИ
MM4A – Досрочное прекращение действия патента СССР или патента Российской Федерации на изобретение из-за неуплаты в установленный срок пошлины за поддержание патента в силе
Дата прекращения действия патента: 18.05.2008
Извещение опубликовано: 10.06.2010 БИ: 16/2010
|
|