|
(21), (22) Заявка: 2005104200/28, 16.02.2005
(24) Дата начала отсчета срока действия патента:
16.02.2005
(46) Опубликовано: 20.10.2007
(56) Список документов, цитированных в отчете о поиске:
RU 2229704 C1, 27.05.2004. RU 2209439 C2, 27.07.2003. RU 2023053 C1, 15.11.1994. RU 20054678 C1, 20.02.1996. HU 193896 A, 28.12.1987. DE 3135639 A1, 15.07.1992.
Адрес для переписки:
450075, г.Уфа, а/я 18, А.Р.Юнусову
|
(72) Автор(ы):
Распопов Евгений Викторович (RU), Юнусов Андрей Рифович (RU), Балахонцев Вячеслав Егорович (RU), Филиппов Вячеслав Олегович (RU)
(73) Патентообладатель(и):
Распопов Евгений Викторович (RU), Юнусов Андрей Рифович (RU), Балахонцев Вячеслав Егорович (RU), Филиппов Вячеслав Олегович (RU)
|
(54) УСТРОЙСТВО ИЗМЕРЕНИЯ ПОТЕНЦИАЛОВ ЭЛЕКТРОХИМИЧЕСКОЙ ЗАЩИТЫ
(57) Реферат:
Изобретение относится к технике электрохимической защиты от коррозии подземных металлических сооружений, в частности к средствам катодной защиты и коррозионного мониторинга подземных трубопроводов. Устройство измерения потенциалов электрохимической защиты подземного металлического объекта 1 содержит электрод сравнения 2, вспомогательный электрод 3, ключ поляризации 4 и измерительный блок 5 с функцией измерения входных потенциалов на входах 51 и 52 относительно общей шины 6. Устройство отличается тем, что электроды 2 и 3 соединены с измерительными входами блока 5, общая шина блока 5 соединена с объектом, при этом блок снабжен функциями вычисления потенциалов электрохимической защиты объекта на основе данных измерения входных потенциалов. Предложенная конструкция обеспечивает снижение уровня помех, наведенных на общей шине измерительного блока, уменьшение негативного влияния токов утечки и импеданса общей шины измерительного блока на точность измерений, а также упрощение реализации средств защиты от перегрузок, вызванных атмосферным электричеством и блуждающими токами. Устройство обладает повышенной помехозащищенностью, точностью и надежностью. 10 з.п. ф-лы, 7 ил.
Область техники
Изобретение относится к технике электрохимической защиты от коррозии подземных металлических сооружений, в частности к средствам катодной защиты и коррозионного мониторинга подземных трубопроводов.
Уровень техники
Известен способ измерения суммарного и поляризационного защитных потенциалов защищаемого подземного металлического объекта с помощью неполяризующегося медно-сульфатного электрода сравнения и вспомогательного электрода (датчика потенциала), периодически подключаемого с помощью коммутатора (ключа поляризации) к защищаемому объекту (ГОСТ 9.602-89 «Сооружения подземные. Общие требования к защите от коррозии»). В данном способе суммарный защитный потенциал измеряется как разность потенциалов между электродом сравнения и защищаемым объектом, а поляризационный защитный потенциал – как разность потенциалов между электродом сравнения и вспомогательным электродом в фазе отключения последнего от объекта защиты. При этом суммарный защитный потенциал отличается от поляризационного потенциала на величину омической составляющей, вызванной прохождением токов (катодной защиты и блуждающих) через грунт. Данный способ достаточно широко используется в различных устройствах и системах, где требуется измерение потенциалов электрохимической защиты – в станциях катодной защиты, в системах коррозионного мониторинга, в автономных измерительных приборах.
По структурному построению известные устройства и системы, реализующие описанный выше способ измерений потенциалов электрохимической защиты, можно условно разделить на две группы, соответствующие структурным схемам, приведенным на фиг.1 и 2.
Основными элементами обеих схем являются объект защиты 1, электрод сравнения 2, вспомогательный электрод 3, коммутатор 4 и измерительный блок 5, измерительные входы которого могут быть снабжены буферными элементами 551 и 552. Управление коммутатором осуществляется от измерительного блока. Выборка значения потенциала вспомогательного электрода в требуемый момент времени и его хранение в течение цикла измерения производится с помощью устройств выборки и хранения, входящих в состав блока измерения и вычисления потенциалов, либо с помощью накопительного конденсатора Сн, подключаемого непосредственно к выходу коммутатора.
Особенностью устройств первой группы (схема фиг.1) является то, что их общая шина 6 через ключ коммутатора подключена к вспомогательному электроду. Устройства данной группы являются преимущественно аналоговыми и позволяют получать минимум информации (как правило, только поляризационный защитный потенциал). К этой группе можно отнести устройство по патенту Нидерландов №8005148 (патент-аналог Франции №8117164, патент-аналог Германии №3135639). Устройство содержит первый буферный усилитель-повторитель, вход которого соединен непосредственно с электродом сравнения и через балластный резистор – с общим проводом устройства, а выход через нормально разомкнутый ключ и резистор – с накопительным конденсатором и входом второго буферного усилителя-повторителя, выход которого является выходом устройства. Вспомогательный электрод соединен через нормально замкнутый ключ с защищаемым объектом, а через нормально разомкнутый ключ – с общей шиной устройства. Все ключи устройства управляются синхронно от общего тактового генератора.
К первой группе можно также отнести и устройство по патенту США №5216370. Устройство содержит буферный элемент, вход которого соединен с электродом сравнения, а выход – с устройством выборки и хранения, выход которого через согласующий каскад подключен к вольтметру. Вспомогательный электрод так же, как и в предыдущем устройстве, через нормально замкнутый ключ соединен с объектом, а через нормально разомкнутый ключ – с общей шиной устройства. Все ключи и устройство выборки и хранения управляются синхронно от общего тактового генератора.
Особенностью устройств второй группы (схема фиг.2) является то, что в них общая шина соединена с электродом сравнения. В устройствах данной группы наряду с аналоговыми элементами широко используются и цифровые элементы – аналого-цифровые преобразователи и микропроцессоры, что позволяет расширить функциональные возможности и получить больший объем выходных данных. К этой группе относится преобразователь защитного потенциала ПЗП-2 (паспорт и инструкция по эксплуатации ЛЮКС.421000.002РЭ). Он содержит аналого-цифровой преобразователь, сопряженный с микропроцессором, и коммутатор, подключающий вспомогательный электрод попеременно к объекту и к входу аналого-цифрового преобразователя, при этом электрод сравнения соединяется с общей шиной данного устройства.
К этой же группе относится и наиболее близкий аналог предлагаемого изобретения, выбранный в качестве прототипа – устройство для измерения потенциалов подземных трубопроводов по патенту РФ №2229704 (реализовано в измерителе потенциалов цифровом ОРИОН ИП-01 ТУ 3435-003-5 1996521-2002). Данное устройство содержит электронный коммутатор, к входам которого подключены электрод сравнения, датчик потенциала (в терминологии настоящей заявки – вспомогательный электрод) и защищаемый объект. Выход коммутатора подключен к накопительному конденсатору и входному буферу поляризационного защитного потенциала, при этом электрод сравнения соединен с общей шиной устройства. Для выделения суммарного защитного потенциала в устройстве присутствует второй буфер, соединенный с объектом защиты. Сигналы с выходов обоих буферов предварительно обрабатываются аналоговыми устройствами, оцифровываются с помощью аналого-цифрового преобразователя и поступают в микропроцессор, осуществляющий цифровую обработку измеренных сигналов и управление ключами коммутатора. Наличие средств аналоговой и цифровой обработки сигналов и программного управления коммутатором расширяет функциональные возможности устройства и позволяет применить аналоговую и цифровую фильтрацию помех по сигнальным цепям, а также оптимизировать режим коммутации датчика потенциала с целью снижения погрешности измерения.
Устройствам обеих групп присущи следующие недостатки.
1. Повышенная чувствительность к наводкам от внешних и внутренних источников электромагнитных помех, обусловленная отсутствием качественного заземления общей шины измерительного блока.
В первой группе устройств заземление отсутствует вообще. Во второй группе заземление осуществляется через электрод сравнения, однако такое заземление неэффективно ввиду высокого переходного сопротивления электрода Rэс (ориентировочно от 200 Ом до 15×103 Ом).
Помехи на общей шине, вызванные наводками от промышленного оборудования, высоковольтных линий электропередачи, силовых преобразователей станций катодной защиты, собственных вторичных источников питания и др., могут явиться источниками дополнительной погрешности, а также вызвать нестабильную работу применяемых в составе измерительного блока цифровых устройств, например аналого-цифровых преобразователей и микропроцессоров.
2. Наличие дополнительной погрешности измерения, вызванной током утечки Iу с общей шины измерительного блока на землю через подключенный электрод.
На емкости Cвэ вспомогательного электрода ток утечки создает паразитный заряд, а на переходном сопротивлении электрода сравнения Rэс – паразитное падение напряжения.
3. Сложность обеспечения необходимого высокого входного сопротивления измерительного блока (не менее 10×106 Ом) для электрода, подключенного к общей шине.
Входное сопротивление измерительного блока для электрода, подключенного к общей шине, всегда ниже, чем для электрода, подключенного к измерительному входу. Это обусловлено шунтирующим действием сопротивления изоляции «общая шина – земля», которое может сильно уменьшаться (до единиц мОм и ниже) в условиях повышенной влажности, что характерно для станций катодной защиты, работающих в полевых условиях.
4. Сложность реализации защиты входных цепей измерительного блока от перегрузок по напряжению, вызванных атмосферным электричеством и блуждающими токами.
При отсутствии качественного заземления общей шины, кроме защиты от перегрузок по напряжению измерительных входов, необходимо также обеспечить защиту и самой общей шины. При этом схема защиты должна иметь связь с землей, что может еще больше снизить входное сопротивление по цепи общей шины.
Раскрытие изобретения.
Сущность предлагаемого изобретения заключается в том, что в устройстве измерения потенциалов электрохимической защиты подземного металлического объекта, содержащем электрод сравнения, вспомогательный электрод, ключ поляризации, включенный между вспомогательным электродом и объектом, и измерительный блок с функцией измерения потенциалов на его измерительных входах относительно его общей шины, имеющий управляющий выход, соединенный с управляющим входом ключа поляризации, и выходную шину данных с аналоговой или цифровой формой представления информации, являющуюся выходом устройства, названные электроды соединены с измерительными входами измерительного блока, а общая шина измерительного блока соединена с объектом, при этом измерительный блок снабжен функциями вычисления потенциалов электрохимической защиты объекта вида:
Uэхз = f(Uвэ, Uэс), где
Uэхз – вычисленное значение потенциала электрохимической защиты объекта;
Uвэ – потенциал на измерительном входе блока, подключенном к вспомогательному электроду, при разомкнутом ключе поляризации;
Uэс – потенциал на измерительном входе блока, подключенном к электроду сравнения, при замкнутом или разомкнутом ключе поляризации.
Измерительный блок может быть снабжен функцией вычисления поляризационного защитного потенциала объекта, имеющей вид:
Uп = Uвэ – Uэс,
где Uп – вычисленное значение поляризационного защитного потенциала объекта.
Измерительный блок может быть снабжен функцией вычисления суммарного защитного потенциала объекта, имеющей вид:
Uc=-Uэс,
где Uc – вычисленное значение суммарного защитного потенциала объекта.
Измерительный блок может быть снабжен функцией вычисления омической составляющей защитного потенциала объекта, имеющей вид:
UR=Uвэ,
где UR – вычисленное значение омической составляющей защитного потенциала объекта.
Последовательно с ключом поляризации может быть включен токоограничивающий элемент, например балластный резистор.
Общая шина и ключ поляризации могут быть соединены с объектом общим проводником.
Измерительный блок может представлять собой аналого-цифровой преобразователь с мультиплексором на входе, сопряженный с программируемым цифровым вычислительным устройством, например микропроцессором, однокристальной микроЭВМ, технологическим контроллером или персональным компьютером, при этом между мультиплексором и входом аналого-цифрового преобразователя может быть установлено устройство выборки и хранения.
Аналого-цифровой преобразователь может иметь характеристику преобразования четырехквадрантную.
Измерительный блок может представлять собой аналоговое устройство, реализованное с использованием устройств выборки и хранения и элементов аналоговой вычислительной техники.
Измерительные входы измерительного блока могут быть снабжены элементами буферизации и защиты.
Каждый из элементов буферизации и защиты может представлять собой повторитель на операционном усилителе с интегрирующим RC-фильтром на входе, при этом параллельно входу повторителя подключен двусторонний ограничитель напряжения, например диодный ограничитель.
Такое построение системы обеспечивает следующие преимущества.
1. Поскольку защищаемый объект имеет относительно земли малое сопротивление на переменном токе (вследствие большой емкости «объект – земля», а также низкого выходного дифференциального сопротивления выпрямителя станции катодной защиты), то он обеспечивает эффективное заземление общей шины по переменной составляющей, следствием чего является снижение уровня наведенных на общей шине помех.
2. Поскольку в предлагаемом изобретении, в отличие от описанных выше прототипов, ни один из электродов не соединен с общей шиной, то ни на одном из электродов не присутствует паразитный потенциал, вызванный протеканием через электрод тока утечки с общей шины на землю. В результате повышается точность измерений.
3. В связи с тем, что электроды подключены к измерительным входам измерительно-вычислительного блока, для каждого из электродов может быть обеспечено высокое входное сопротивление, например, путем оснащения каждого измерительного входа буферным элементом.
4. В связи с тем, что общая шина соединена с объектом, имеющим большую электрическую емкость и средства защиты от атмосферного электричества (например, в выходных цепях станций катодной защиты), необходимость в соответствующих средствах защиты общей шины устройства измерения потенциалов отсутствуют. При этом защита измерительных входов достигается установкой по входам простых двухсторонних диодных ограничителей с регулируемыми порогами ограничения в сочетании с высокочастотным RC фильтром. Такое решение позволяет упростить схему защиты, исключить применение во входных цепях варисторов или стабилитронов, существенно снижающих входное сопротивление, а также выбрать оптимальные уровни ограничения и тем самым обеспечить требуемый диапазон измерений защитных потенциалов в условиях наличия смещения, вызванного блуждающими токами.
Таким образом, основной технический результат предлагаемого изобретения заключается в снижении уровня помех, наведенных помех на общей шине измерительного блока, а также в уменьшении негативного влияния токов утечки и импеданса общей шины измерительного блока на точность измерений. Дополнительным техническим результатом является упрощение реализации средств защиты устройства от перегрузок по напряжению, вызванных атмосферным электричеством и блуждающими токами.
Конечным результатом от применения предлагаемого изобретения является повышение помехозащищенности, точности и надежности устройства.
Краткое описание чертежей.
На фиг.1 представлена структурная схема первой группы известных устройств, в которых общая шина соединена через ключ со вспомогательным электродом.
На фиг.2 представлена структурная схема второй группы известных устройств, в которых общая шина соединена с электродом сравнения.
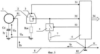
На фиг.3 представлена структурная схема предлагаемого устройства измерения потенциалов электрохимической защиты.
На фиг.4 представлена структурная схема измерительного блока с цифровой формой представления информации.
На фиг.5 представлена структурная схема измерительного блока с аналоговой формой представления информации.
На фиг.6 представлена функциональная схема элемента буферизации и защиты, предназначенного для оснащения измерительных входов измерительного блока.
На фиг.7 представлена временная диаграмма работы устройства.
Осуществление изобретения
Структурная схема устройства измерения потенциалов электрохимической защиты приведена на фиг.3. Основными элементами устройства являются электрод сравнения 2, вспомогательный электрод 3, ключ поляризации 4 и измерительный блок 5, который имеет измерительные входы 51 и 52, предназначенные для измерения присутствующих на них потенциалов электродов относительно потенциала общей шины 6. Данные входы подключены соответственно к электродам 2 и 3, а общая шина 6 соединена с объектом защиты 1. Вспомогательный электрод 3 при этом соединен с объектом защиты 1 через ключ поляризации 4, управляющий вход которого соединен с управляющим выходом 53 измерительного блока 5. Конструктивно ключ поляризации 4 и общая шина 6 соединены с объектом защиты 1 общим проводником 8, подключенным к точкам 81 и 82. Последовательно с ключом поляризации 4 может быть включен токоограничивающий резистор 7.
Структурная схема измерительного блока 5 с цифровой формой обработки информации приведена на фиг.4. Измерительные входы 51 и 52, предназначенные для подключения электродов 2 и 3, снабжены элементами буферизации и защиты 551 и 552, которые обеспечивают повышение входного сопротивления блока 5, фильтрацию высокочастотных и импульсных помех и защиту измерительных входов 51 и 52 от перегрузок по напряжению. Сам процесс измерения потенциалов электродов и вычисления защитных потенциалов объекта реализуется измерительно-вычислительным трактом 56, основой которого является программируемое цифровое вычислительное устройство 564, сопряженное с аналого-цифровым преобразователем 563. В качестве программируемого цифрового вычислительного устройства 564 могут использоваться, например, микропроцессор, однокристальная микроЭВМ, персональный компьютер, технологический контроллер и др. В качестве аналого-цифрового преобразователя 563 может использоваться, например, аналого-цифровой преобразователь поразрядного уравновешивания, при этом его характеристика преобразования должна быть четырехквадрантной, т.к. в условиях наличия блуждающих токов измеряемые потенциалы электродов могут быть знакопеременными. Для снижения апертурной погрешности преобразования на входе аналого-цифрового преобразователя может быть установлено устройство выборки и хранения 562. Выбор измеряемого входного сигнала осуществляется с помощью мультиплексора 561, выход которого соединяется со входом устройства выборки и хранения 562, а при его отсутствии – непосредственно со входом аналого-цифрового преобразователя 563. Входы мультиплексора 561 подключены к выходам элементов буферизации и защиты 551 и 552 соответственно. При отсутствии жестких требований по входному сопротивлению и защите входных цепей элементы буферизации и защиты могут отсутствовать, при этом входы мультиплексора 561 непосредственно являются измерительными входами 51 и 52 измерительного блока 5. Управление циклограммой работы измерительно-вычислительного тракта, в том числе управление мультиплексором 561, стробирование устройства выборки и хранения 562 и аналого-цифрового преобразователя 563, а также формирование внешнего сигнала 63 управления ключом поляризации 4 осуществляется цифровым программируемым вычислительным устройством 564.
Структурная схема измерительно-вычислительного блока 5 с аналоговой формой обработки информации приведена на фиг.5. Измерительные входы 51 и 52 так же, как и в предыдущей схеме, могут быть снабжены элементами буферизации и защиты 551 и 552, выполняющими те же функции. Сам процесс измерения потенциалов электродов и вычисления защитных потенциалов объекта реализуется измерительно-вычислительным трактом 57, основу которого составляет аналоговое вычислительное устройство 573. Канал измерения потенциала вспомогательного электрода измерительного тракта 57 содержит устройство выборки и хранения 572 (например, запоминающий конденсатор с ключом), выход которого соединен со входом 5732 аналогового вычислительного устройства 573, а вход – с выходом элемента буферизации и защиты 552. Канал измерения потенциала электрода сравнения, при необходимости измерения потенциала электрода сравнения в заданный момент времени, тоже может содержать устройство выборки и хранения 571, аналогичное устройству выборки и хранения 572, выход которого соединяется при этом со входом 5731 аналогового вычислительного устройства 573, а вход – с выходом элемента буферизации и защиты 551. При отсутствии устройства выборки и хранения 571 вход 5731 аналогового вычислительного устройства 573 непосредственно является входом измерительно-вычислительного тракта 57. Управление циклограммой работы измерительно-вычислительного тракта, в том числе стробирование устройств выборки и хранения 571 и 572, а также формирование внешнего сигнала 53 управления ключом поляризации 4 осуществляется генератором 574. Так же, как и в случае цифровой реализации, при отсутствии жестких требований по входному сопротивлению и защите входных цепей элементы буферизации и защиты 551 и 552 могут отсутствовать, при этом входы измерительно-вычислительного тракта 57 служат непосредственно измерительными входами 51 и 52 измерительного блока 5.
Функциональная схема элемента буферизации и защиты приведена на фиг.6. Элементом, обеспечивающим буферизацию входного сигнала, является повторитель на операционном усилителе 5505. Параллельно входу повторителя включен двухсторонний ограничитель на диодах 5503 и 5504, предназначенный для защиты входа от перегрузок по напряжению. Пороги ограничения задаются опорными напряжениями U1 и U2. На входе повторителя установлен также высокочастотный фильтр, образованный резистором 5501 и конденсатором 5502, предназначенный для фильтрации импульсных помех. Кроме того, резистор 5501 выполняет роль ограничителя тока диодов 5503 и 5504 при перегрузках по напряжению.
На фиг.7 приведена диаграмма работы устройства с цифровой реализацией измерительного блока 5, где
91 – сигнал управления ключом поляризации 4;
92 – потенциал Uвэ вспомогательного электрода на входе 52 измерительного блока;
93 – ток поляризации вспомогательного электрода;
94 – потенциал Uc электрода сравнения на входе 51 измерительного блока;
95 – напряжение на выходе устройства выборки и хранения 562;
96 – сигнал стробирования устройства выборки и хранения 562;
97 – сигнал стробирования аналого-цифрового преобразователя 563.
Процесс измерения происходит циклически с заданным периодом Т, который включает интервал поляризации Тп и интервал измерения Ти. В течение интервала поляризации Тп ключ поляризации 4 замкнут (высокий уровень сигнала 91) и вспомогательный электрод 3 поляризуется потенциалом объекта защиты 1. В начале интервала ток поляризации максимален, а в конце интервала спадает до нуля, при этом поляризационный потенциал вспомогательного электрода (на диаграмме не показан) достигает установившегося значения и становится равным поляризационному защитному потенциалу объекта Uп.
В течение интервала измерения Ти ключ поляризации 4 разомкнут (низкий уровень сигнала 91) и вспомогательный электрод 3 отключен от объекта. В этом интервале производится измерение потенциалов электродов, причем потенциалы измеряются относительно потенциала объекта.
В начале интервала измерения потенциал вспомогательного электрода относительно объекта принимает значение:
(1) Uвэ = -(Uп + UR) + Uп = -UR,
где UR – омическая составляющая защитного потенциала объекта, т.е. становится равным омической составляющей поляризационного потенциала объекта с обратным знаком. Затем по причине деполяризации электрода Uвэ изменяется, стремясь к потенциалу электрода сравнения Uэс.
Непосредственно после размыкания ключа поляризации 4 вследствие переходных процессов на потенциал Uвэ накладывается напряжение помехи, поэтому измерение данного потенциала производится с задержкой T относительно начала интервала Ти, необходимой для завершения переходного процесса. Зафиксированное устройством выборки и хранения 562 значение Uвэ преобразуется аналого-цифровым преобразователем 563 в код, который поступает в цифровое вычислительно устройство 564.
Измерение потенциала Uэс электрода сравнения также производится в интервале Ти с целью исключения погрешности, вызванной падением напряжения на проводнике 8 от протекания тока поляризации Iп в интервале поляризации Тп. При этом значение Uэс равно:
(2) Uэс = -(Uп + UR) = -Uc,
где Uc – суммарный защитный потенциал объекта.
Зафиксированное значение Uвэ также преобразуется аналого-цифровым преобразователем 563 в код, который поступает в цифровое вычислительное устройство 564.
На основании измеренных значений потенциалов Uвэ и Uэс цифровое вычислительное устройство 564 вычисляет значения потенциалов электрохимической защиты объекта – поляризационного защитного потенциала Uп, суммарного защитного потенциала Uc и омической составляющей UR защитного потенциала по следующим соотношениям, которые являются производными от соотношений (1) и (2):
(3) Uп = Uвэ – Uэс;
(4) Uc = -Uэс;
(5) UR = -Uвэ.
Вычисленные устройством 564 значения потенциалов передаются по выходной шине данных 54 потребителям.
Работа устройства с аналоговой реализацией измерительно-вычислительного блока 5 полностью аналогична описанной работе блока с цифровой реализацией, за исключением отсутствия этапа аналого-цифрового преобразования, т.к. все необходимые вычисления производятся путем операций с аналоговыми сигналами.
Основное преимущество предложенной схемы заключается в том, что общая шина 6 устройства по переменному току эффективно заземлена через емкость Со, представляющую собой распределенную емкость объекта относительно земли, а также через низкое выходное дифференциальное сопротивления станций катодной защиты, что снижает уровень наведенных на общей шине помех, тем самым повышая помехозащищенность устройства.
Кроме того, ток утечки Iу с общей шины 6 замыкается на объект 1, а не на какой-либо из электродов, как это имеет место в известных аналогах. В результате повышается точность устройства, т.к. отсутствует погрешность, обусловленная протеканием тока утечки через электрод. Так, например, в случае соединения общей шины с электродом сравнения даже при минимальном объемном сопротивлении электрода, равном 200 Ом, и токе утечки, равном всего 100 мкА (реальные значения токов утечки могут достигать единиц и десятков миллиампер) погрешность составит 20 мВ или около 1%, что является пределом допустимой погрешности измерения для устройства в целом.
Подключение общей шины устройства к объекту и использование потенциала объекта в качестве точки отсчета при проведении измерений позволяет также обеспечить каждому из электродов статус датчика первичной информации, что позволяет подключить каждый из электродов через элемент буферизации и защиты, обеспечивающий требуемое входное сопротивление. Тем самым полностью исключается негативное влияние импеданса общей шины измерительного блока на точность измерений.
Дополнительным преимуществом является то, что при соединении общей шины измерительного блока с объектом исключается необходимость в средствах защиты от перегрузок по напряжению самой общей шины. При этом защита измерительных входов обеспечивается использованием простых диодных ограничителей.
Формула изобретения
1. Устройство измерения потенциалов электрохимической защиты подземного металлического объекта, содержащее электрод сравнения, вспомогательный электрод, ключ поляризации, включенный между вспомогательным электродом и объектом, и измерительный блок с функцией измерения потенциалов на его измерительных входах относительно его общей шины, имеющий управляющий выход, соединенный с управляющим входом ключа поляризации, и выходную шину данных с аналоговой или цифровой формой представления информации, являющуюся выходом устройства, отличающееся тем, что названные электроды соединены с измерительными входами измерительного блока, а общая шина измерительного блока соединена с объектом, при этом измерительный блок снабжен функциями вычисления потенциалов электрохимической защиты объекта вида
Uэхз = f(Uвэ, Uэс),
где Uэхз – вычисленное значение потенциала электрохимической защиты объекта;
Uвэ – потенциал на измерительном входе блока, подключенном к вспомогательному электроду, при разомкнутом ключе поляризации;
Uэс – потенциал на измерительном входе блока, подключенном к электроду сравнения, при замкнутом или разомкнутом ключе поляризации.
2. Устройство по п.1, отличающееся тем, что измерительный блок снабжен функцией вычисления поляризационного защитного потенциала объекта, имеющей вид
Uп = Uвэ – Uэс,
где Uп – вычисленное значение поляризационного защитного потенциала объекта.
3. Устройство по п.1, отличающееся тем, что измерительный блок снабжен функцией вычисления суммарного защитного потенциала объекта, имеющей вид
Uc=-Uэс,
где Uc – вычисленное значение суммарного защитного потенциала объекта.
4. Устройство по п.1, отличающееся тем, что измерительный блок снабжен функцией вычисления омической составляющей защитного потенциала объекта, имеющей вид
UR=-Uвэ,
где UR – вычисленное значение омической составляющей защитного потенциала объекта.
5. Устройство по п.1, отличающееся тем, что последовательно с ключом поляризации включен токоограничивающий элемент, например балластный резистор.
6. Устройство по п.1, отличающееся тем, что его общая шина и ключ поляризации соединены с объектом общим проводником.
7. Устройство по п.1, отличающееся тем, что измерительный блок представляет собой аналого-цифровой преобразователь с мультиплексором на входе, сопряженный с программируемым цифровым вычислительным устройством, например микропроцессором, однокристальной микроЭВМ, технологическим контроллером или персональным компьютером, при этом между мультиплексором и входом аналого-цифрового преобразователя может быть установлено устройство выборки и хранения.
8. Устройство по п.7, отличающееся тем, что аналого-цифровой преобразователь имеет четырехквадрантную характеристику преобразования.
9. Устройство по п.1, отличающееся тем, что измерительный блок представляет собой аналоговое устройство, реализованное с использованием устройств выборки и хранения и элементов аналоговой вычислительной техники.
10. Устройство по п.1, отличающееся тем, что измерительные входы измерительного блока снабжены элементами буферизации и защиты.
11. Устройство по п.10, отличающееся тем, что каждый из элементов буферизации и защиты представляет собой повторитель на операционном усилителе с интегрирующим RC-фильтром на входе, при этом параллельно входу повторителя подключен двусторонний ограничитель напряжения, например диодный ограничитель.
РИСУНКИ
PC4A – Регистрация договора об уступке патента СССР или патента Российской Федерации на изобретение
Прежний патентообладатель:
Распопов Евгений Викторович, Юнусов Андрей Рифович, Балахонцев Вячеслав Егорович, Филиппов Вячеслав Олегович
(73) Патентообладатель:
Федеральное государственное унитарное предприятие “Уфимское научно-производственное предприятие “Молния”
Договор № РД0035022 зарегистрирован 14.04.2008
Извещение опубликовано: 27.05.2008 БИ: 15/2008
|