|
|
(21), (22) Заявка: 2006110024/28, 28.03.2006
(24) Дата начала отсчета срока действия патента:
28.03.2006
(46) Опубликовано: 20.10.2007
(56) Список документов, цитированных в отчете о поиске:
Лужин О.В., Злочевский А.Б. и др. Обследование и испытание сооружений. – М.: Стройиздат, 1987, стр.163-168. SU 1748009 A1, 15.07.1992. RU 2020456 C1, 30.09.1994. SU 1796985 A1, 23.02.1993. SU 1481628 A1, 23.05.1989. US 4446733, 08.05.1984.
Адрес для переписки:
302020, г.Орел, Наугорское ш., 29, ОрелГТУ
|
(72) Автор(ы):
Коробко Виктор Иванович (RU), Турков Андрей Викторович (RU), Гвоздков Павел Александрович (RU), Бояркина Ольга Владимировна (RU)
(73) Патентообладатель(и):
Государственное образовательное учреждение высшего профессионального образования “Орловский государственный технический университет” (ОрелГТУ) (RU)
|
(54) СПОСОБ ОПРЕДЕЛЕНИЯ МАКСИМАЛЬНОГО ПРОГИБА ОДНОПРОЛЕТНЫХ СОСТАВНЫХ ДЕРЕВЯННЫХ БАЛОК С УКРУПНИТЕЛЬНЫМИ СТЫКАМИ
(57) Реферат:
Изобретение относится к области строительства и предназначено для динамического контроля жесткости составных деревянных конструкций. Техническим результатом является расширение технологических возможностей. Способ заключается в закреплении балки на опорах испытательного стенда, возбуждении в ней поперечных колебаний на основной или первой резонансной частоте, измерении этой частоты и определении с ее помощью максимального прогиба балки от действия равномерно распределенной нагрузки. Изготавливают несколько балок одинакового сечения с постепенно уменьшающимся отношением изгибных жесткостей стыка и цельного сечения, для каждой из этих балок определяют резонансную частоту колебаний в ненагруженном состоянии и максимальный статический прогиб от равномерно распределенной нагрузки, строят эталонную зависимость «максимальный прогиб – основная или первая резонансная частота колебаний». Для определения максимального прогиба балки с неизвестной жесткостью стыка находят ее основную или первую резонансную частоту колебаний в ненагруженном состоянии и с помощью построенной эталонной зависимости вычисляют значение максимального прогиба. 2 ил., 1 табл.
Изобретение относится к области строительства и предназначено для динамического контроля жесткости составных деревянных конструкций.
Известен способ определения максимального прогиба балок путем их статического испытания заданной нагрузкой [1, с.163-168].
Этот способ определения максимального прогиба составных деревянных балок является весьма трудоемким, поскольку для каждого типа балок и конструкции стыкового соединения требует проведение индивидуальных испытаний.
Известен также способ определения перемещения элемента конструкции под нагрузкой по основной (или первой резонансной) частоте их поперечных колебаний [2], принятый в качестве прототипа, который заключается в установке элемента на стенде, закреплении его концов соответственно условиям эксплуатации, возбуждении в элементе колебаний на основной (или первой резонансной) частоте, измерении этой частоты и аналитическом определении с ее помощью максимального прогиба с использованием закономерности о взаимосвязи «максимальный статический прогиб – основная частота колебаний» [3].
Недостаток этого способа заключатся в том, что его нельзя применить к составным балкам с вертикальными стыками в пролете и с изгибной жесткостью стыков, отличной от изгибной жесткости балки постоянного сечения, так как указанная в [3, с.346-349] закономерность распространяется на упругие балки только с постоянной изгибной жесткостью.
Задача, на решение которой направлено изобретение, состоит в распространении известного способа определения максимального прогиба балок постоянного сечения на деревянные составные балки с укрупнительными стыками, изгибная жесткость которых отличается от изгибной жесткости балки постоянного сечения.
Это достигается тем, что в способе определения максимального прогиба деревянной составной балки с укрупнительными стыками, заключающемся в закреплении балки на опорах испытательного стенда, возбуждении в ней поперечных колебаний на основной или первой резонансной частоте, измерении этой частоты и определении с ее помощью максимального прогиба балки от действия равномерно распределенной нагрузки, изготавливают несколько балок одинакового сечения с постепенно уменьшающимся отношением изгибных жесткостей стыка и цельного сечения, для каждой из этих балок определяют резонансную частоту колебаний в ненагруженном состоянии и максимальный статический прогиб от равномерно распределенной нагрузки, строят эталонную зависимость “максимальный прогиб – основная или первая резонансная частота колебаний”, а для определения максимального прогиба балки с неизвестной жесткостью стыка находят ее основную или первую резонансную частоту колебаний в ненагруженном состоянии и с помощью построенной эталонной зависимости вычисляют значение максимального прогиба.
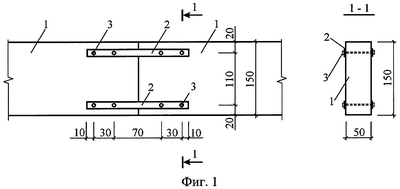
Осуществление заявляемого способа поясняется чертежами. На фиг.1 представлена схема вертикального укрупнительного стыка деревянной балки, включающая соединяемые части балки 1, металлические накладки 2, которые крепятся к отдельным частям балки 1 с помощью металлических нагелей 3.
На фиг.2 представлен график изменения максимального прогиба составной балки в зависимости от резонансной частоты колебаний.
При выполнении укрупнительного стыка балки стремятся к тому, чтобы его изгибная жесткость была не ниже изгибной жесткости основного сечения. Однако это не всегда получается, особенно в деревянных балках, поскольку стыковое соединение обладает существенной податливостью при ее нагружении, снижая основную (или первую резонансную) частоту колебаний и увеличивая максимальный прогиб под действием заданной нагрузки.
Для упругих балок постоянного сечения в строительной механике [3] известна закономерность о взаимосвязи максимального прогиба w0 под действием равномерно распределенной нагрузки q с основной (или первой резонансной) частотой колебаний 0, которая записывается в виде аналитической зависимости

где m – погонная масса балки.
Для балок переменной жесткости эта закономерность нарушается. Однако функциональная связь между указанными физическими характеристиками сохраняется, поскольку увеличение максимального прогиба влечет за собой снижение основной частоты колебаний. Если такая зависимость будет известна, то с ее помощью по основной частоте колебаний можно определить величину максимального прогиба балки, что в отличие от выполнения статического нагружения значительно проще. Поэтому для реализации предлагаемого способа определения максимального прогиба составных балок необходимо теоретически или экспериментально построить зависимость w0– 0 в широком диапазоне изменения отношения изгибных жесткостей стыка и основного сечении балки (EI)с/(EI)б (где Е модуль упругости материала, I – момент инерции сечения).
Способ осуществляется следующим образом. Изготавливают несколько (8…10 штук) однотипных моделей деревянных балок из одной и той же древесины с укрупнительным стыком (или стыками), расположенными в заданных сечениях. Одну из балок выполняют без стыков, а остальные – с уменьшающейся изгибной жесткостью стыка. Все балки испытывают динамическим и статическим методами. При динамических испытаниях определяют основную (или первую резонансную) частоту колебаний балок 0 в ненагруженном состоянии, а при статических испытаниях – величину максимального прогиба w0 от действия равномерно распределенной нагрузки q. По полученным данным строят аналитическую зависимость w0– 0.
Для контролируемой балки с неизвестной изгибной жесткостью стыка определяют основную или первую резонансную частоту колебаний и с помощью полученной аналитической зависимости определяют величину ее максимального прогиба.
Пример реализации способа.
Для шарнирно опертой по концам деревянной составной балки с поперечным сечением b·h=50·150 мм, длиной 2,9 м и вертикальным стыком в середине пролета были теоретически с помощью метода конечных элементов вычислены значения ее максимального прогиба w0 от действия равномерно распределенной нагрузки q и основной частоты колебаний в ненагруженном состоянии. При расчете балку разбивали на 55 конечных элементов. Изгибную жесткость элемента, расположенного в середине пролета (жесткость стыка), варьировали в широких пределах от 140 кН·м2, что соответствовало изгибной жесткости цельного сечения балки (балки без укрупнительного стыка), до 1 кН·м2.
Величина максимального прогиба составной балки определяли от нагрузки интенсивностью q=82,8 Н/м, а при определении основной частоты колебаний балки в узлы конечных элементов прикладывали сосредоточенные массы от собственного веса балки m=0,185 кг/м.
Модуль упругости древесины, принятый в теоретическом расчете, определялся экспериментально по образцам, взятым из древесины изготовленных балок, по ГОСТ 16483.9-73 и составил 12003 МПа.
Результаты теоретического расчета балки приведены в таблице (колонки 4 и 5).
| Таблица – Результаты теоретического расчета деревянных балок с переменной изгибной жесткостью вертикального укрупнительного стыка в середине пролета |
| №№ п/п |
Жесткость стыка (EI)c, кНм2 |
Отношение жесткостей, (EI)с/(EI)б |
Круговая частота колебаний основного тона 0, с-1 |
Максимальный прогиб W0, мм |
Максимальный прогиб W0, по (2), мм |
Разница, % |
| 1 |
2 |
3 |
4 |
5 |
6 |
8 |
| 1 |
140 |
1,000 |
241,7 |
0,54 |
0,542 |
0,37 |
| 2 |
100 |
0,714 |
239,8 |
0,55 |
0,552 |
0,36 |
| 3 |
80 |
0,571 |
238,1 |
0,56 |
0,562 |
0,36 |
| 4 |
60 |
0,429 |
235,5 |
0,58 |
0,576 |
0,69 |
| 5 |
40 |
0,286 |
230,5 |
0,60 |
0,605 |
0,83 |
| 6 |
20 |
0,143 |
217,3 |
0,69 |
0,692 |
0,29 |
| 7 |
10 |
0,071 |
196,4 |
0,87 |
0,866 |
0,46 |
| 8 |
8 |
0,057 |
187,9 |
0,96 |
0,954 |
0,63 |
| 9 |
6 |
0,043 |
176,0 |
1,10 |
1,100 |
0 |
| 10 |
4 |
0,029 |
157,6 |
1,40 |
1,393 |
0,50 |
| 11 |
2 |
0,014 |
124,8 |
2,27 |
2,274 |
0,18 |
| 12 |
1 |
0,007 |
94,5 |
4,03 |
4,030 |
0 |
По данным, приведенным в колонках 4 и 5, построен график изменения максимального прогиба балки в зависимости от резонансной частоты колебаний, который представлен на фиг.2. Кроме того, по этим данным построена эмпирическая зависимость

Затем была изготовлена балка с указанными выше размерами. Для создания жесткого укрупнительного стыка использовались стальные полосы сечением 20·1 мм, крепление которых осуществлялось стальными нагелями 4 мм (фиг.1). Для этой балки были экспериментально определены резонансная частота колебаний в ненагруженном состоянии ( =218,6 с-1) и максимальный прогиб (w0=0,0071 м) от нагрузки q=82,8 Н/м.
При определении резонансной частоты колебаний балки поперечные колебания возбуждали электродвигателем постоянного тока с дисбалансом 15 г, скорость вращения вала двигателя регулировали при помощи блока питания. Частоту колебаний определяли при помощи электронного частотомера марки ЧЗ-63/1, а момент наступления резонанса контролировали осциллографом марки С1-65-А по максимальной амплитуде входного сигнала.
Статические испытания балки осуществлялись путем приложения равномерно распределенной нагрузки интенсивностью q=82,8 Н/м.
Подставляя резонансную частоту колебаний в формулу (2), получим

что отличается от результата, полученного экспериментально, на 4,22%.
Таким образом, технический результат (расширение технологических возможностей известного способа для контроля максимального прогиба деревянных составных балок с укрупнительными стыками) достигается за счет построения аналитической зависимости “максимальный прогиб – основная или первая резонансная частота колебаний” для балок с переменной изгибной жесткостью укрупнительного стыка.
Источники информации
1. Лужин О.В., Злочевский А.Б. и др. Обследование и испытание сооружений. – М., Стройиздат, 1987. – 264 с.
2. А.с. №1394110, Кл.4 G01N 19/04, CCCH, 1988.
3. Коробко В.И. Изопериметрический метод в строительной механике: Теоретические основы изопериметрического метода. – М.: Изд-во АСВ, 1997. – 390 с.
Формула изобретения
Способ определения максимального прогиба деревянной составной балки с укрупнительными стыками, заключающийся в закреплении балки на опорах испытательного стенда, возбуждении в ней поперечных колебаний на основной или первой резонансной частоте, измерении этой частоты и определении с ее помощью максимального прогиба балки от действия равномерно распределенной нагрузки, отличающийся тем, что изготавливают несколько балок одинакового сечения с постепенно уменьшающимся отношением изгибных жесткостей стыка и цельного сечения, для каждой из этих балок определяют резонансную частоту колебаний в ненагруженном состоянии и максимальный статический прогиб от равномерно распределенной нагрузки, строят эталонную зависимость “максимальный прогиб – основная или первая резонансная частота колебаний”, а для определения максимального прогиба балки с неизвестной жесткостью стыка находят ее основную или первую резонансную частоту колебаний в ненагруженном состоянии и с помощью построенной эталонной зависимости вычисляют значение максимального прогиба.
РИСУНКИ
TK4A – Поправки к публикациям сведений об изобретениях в бюллетенях “Изобретения (заявки и патенты)” и “Изобретения. Полезные модели”
Напечатано: (72) …, Гвоздков Павел Александрович (RU), …
Следует читать: (72) …, Гвозков Павел Александрович (RU), …
Номер и год публикации бюллетеня: 29-2007
Код раздела: FG4A
Извещение опубликовано: 20.03.2008 БИ: 08/2008
MM4A – Досрочное прекращение действия патента СССР или патента Российской Федерации на изобретение из-за неуплаты в установленный срок пошлины за поддержание патента в силе
Дата прекращения действия патента: 29.03.2008
Извещение опубликовано: 27.03.2010 БИ: 09/2010
|
|