|
|
(21), (22) Заявка: 2006105726/28, 26.02.2006
(24) Дата начала отсчета срока действия патента:
26.02.2006
(46) Опубликовано: 20.10.2007
(56) Список документов, цитированных в отчете о поиске:
RU 2250444 С2, 20.04.2005. RU 2240551 С2, 20.11.2004. SU 1534390 A1, 07.01.1990. US 5784338, 21.07.1998.
Адрес для переписки:
127994, Москва, ул. Образцова, 15, МИИТ
|
(72) Автор(ы):
Крутиков Олег Владимирович (RU), Матвеев Игорь Константинович (RU), Шамров Михаил Иванович (RU), Дрыгин Роман Михайлович (RU), Шестаков Алексей Евгеньевич (RU)
(73) Патентообладатель(и):
Государственное образовательное учреждение высшего профессионального образования Московский государственный университет путей сообщения (МИИТ) (RU)
|
(54) СПОСОБ МОНИТОРИНГА МОСТОВОГО ПЕРЕХОДА В ПРОЦЕССЕ ЕГО ЭКСПЛУАТАЦИИ И УСТРОЙСТВО ДЛЯ ЕГО РЕАЛИЗАЦИИ
(57) Реферат:
Изобретение относится к контрольно-измерительной технике. Сущность: обследуют конструкцию мостового перехода. Выявляют конструктивные особенности и видимые дефекты. Вырабатывают зафиксированные исходные показатели конструкции. Инструментально контролируют за счет установки датчиков на конструкциях. Регистрируют сигналы с датчиков и измерительной аппаратуры и сравнивают их с заранее зафиксированными исходными показателями. Предварительно разрабатывают расчетную модель и осуществляют расчетный анализ конструкций, по результатам которого получают исходные данные, на основании которых выбирают типы датчиков и определяют места их размещения на конструкции. После монтажа датчиков и измерительных усилителей их объединяют между собой в локальные сети и организуют непрерывную передачу поступающих от них сигналов в измерительно-управляющий блок. Разрабатывают программное обеспечение, обеспечивающее преобразование сигналов от датчиков. Затем производят калибровку параметров состояния моста путем загружения конструкций мостового перехода испытательной подвижной нагрузкой и снятия начальных отсчетов. В процессе мониторинга исходные данные, полученные на расчетной модели, и начальные отсчеты, полученные при калибровке, непрерывно сравнивают с показаниями сигналов датчиков, полученными в процессе эксплуатации конструкций. Одновременно с инструментальным контролем производят видеонаблюдение конструкций мостового перехода и данные от инструментального контроля и видеонаблюдения синхронизируют по времени и вводят в память сервера. Производят комплексный анализ состояния конструкции, в том числе и при динамических воздействиях. Устройство включает подсистему сбора информации, состоящую из установленных на мостовой конструкции датчиков контролируемых параметров – перемещения, наклона, ускорения, деформации мостовой конструкции и метеорологических данных, соединенных с измерительными усилителями, и подсистему обработки информации, соединенную с помощью линии связи с центральным постом управления, а также подсистему видеомониторинга, подключенную к подсистеме обработки информации. Технический результат: повышение оперативности и точности мониторинга 2 н.п. ф-лы, 2 ил.
Изобретение относится к контрольно-измерительной технике и может быть использовано для непрерывного мониторинга технического состояния конструкции мостового перехода в течение всего периода его эксплуатации.
Известен способ мониторинга мостового перехода в процессе его эксплуатации, включающий визуальный контроль с выявлением видимых дефектов и инструментальный контроль путем измерения параметров мостовых конструкций до начала эксплуатации и во время эксплуатации, расчет по всем измеряемым параметрам пороговых значений и оценку состояния мостовых конструкций по итогам сравнения значений каждого измеренного параметра до начала эксплуатации и в процессе эксплуатации с соответствующими расчетными пороговыми значениями [1].
Недостатком известного способа мониторинга мостового перехода в процессе его эксплуатации является невозможность непрерывного контроля за состоянием мостовых конструкций одновременно по всем измеряемым параметрам, что приводит к низкой оперативности контроля и его невысокой точности. Указанные недостатки устранены в заявляемом объекте. Известный способ [1] и взят за прототип.
Известно устройство для осуществления мониторинга состояния конструкций и инженерных сооружений, включающее подсистему сбора информации, содержащую блоки измерения, выполненные в виде датчиков контролируемых параметров, размещенных на метрологически аттестованном элементе конструкции, и соединенных с ними измерительных усилителей, и подсистему обработки информации, содержащую преобразователи, контроллер и модем, подсоединенные с помощью линии связи к центральному посту управления [2].
Недостатком этого устройства является сложность врезки метрологически аттестованного элемента, изготовленного из того же материала, в мостовую конструкцию. Кроме того, предложенный принцип мониторинга не предусматривает синхронизации измерений между различными измерительными устройствами в разных местах конструкции и, следовательно, не обеспечивает одновременного опроса состояний датчиков и точного определения состояния конструкции. Это особенно важно при динамических воздействиях, в условиях которых оценка состояния моста требует высокой частоты опроса датчиков.
Техническим результатом настоящего изобретения является повышение оперативности и точности мониторинга мостовых конструкций.
Технический результат достигается за счет того, что в способе мониторинга мостового перехода в процессе его эксплуатации, состоящем в обследовании конструкций мостового перехода, выявлении их конструктивных особенностей и видимых дефектов, выработке зафиксированных исходных показателей мостовых конструкций, инструментальном контроле за счет установки датчиков контролируемых параметров на мостовых конструкциях, регистрации сигналов от датчиков и измерительной аппаратуры о параметрах конструкции в процессе эксплуатации мостового перехода и сравнении их с заранее зафиксированными исходными показателями мостовых конструкций, предварительно разрабатывают расчетную модель и осуществляют расчетный анализ конструкций мостового перехода, по результатам которого формируют исходные данные, на основании которых определяют типы датчиков контролируемых параметров и места их размещения на мостовых конструкциях, после монтажа датчики контролируемых параметров объединяют в локальные сети и организуют непрерывную передачу поступающих от датчиков сигналов в измерительно-обрабатывающий блок, разрабатывают программное обеспечение, обеспечивающее преобразование сигналов от датчиков контролируемых параметров в величины, в наибольшей степени подготовленные для восприятия обслуживающим мостовой переход персоналом, а затем производят калибровку параметров состояния моста путем загружения конструкций мостового перехода испытательной подвижной нагрузкой и снятия начальных отсчетов, причем в процессе мониторинга исходные данные, полученные на расчетной модели, и начальные отсчеты, полученные при калибровке, непрерывно сравнивают с показаниями сигналов датчиков, полученных в процессе эксплуатации мостовых конструкций, при этом одновременно с инструментальным контролем производят видеонаблюдение конструкций мостового перехода и данные от инструментального контроля и видеонаблюдения синхронизируют по времени и вводят в память сервера, затем производят комплексный анализ состояния конструкции с использованием динамических синхронизированных измерений и результаты сравнения предоставляют персоналу, осуществляющему оперативный контроль мостового сооружения.
Технический результат также достигается за счет того, что устройство для осуществления мониторинга мостового перехода в процессе его эксплуатации, включающее подсистему сбора информации, состоящую из установленных на мостовой конструкции датчиков контролируемых параметров – перемещения, наклона, ускорения, деформации мостовой конструкции и метеорологических данных, соединенных с измерительными усилителями, и подсистему обработки информации, соединенную с помощью линии связи с центральным постом управления, снабжено подсистемой видеомониторинга, подключенной к подсистеме обработки информации и состоящей из видеокамер, установленных на мосту, видеопередатчиков, видеоприемников, видеорегистраторов и видеомониторов, объединенных между собой кабелем, подсистема сбора информации снабжена измерительно-управляющим блоком, состоящим из концентратора, конвертера и объединенных между собой внутренней шиной контроллера, коммуникационного процессора и промежуточных преобразователей, к которым подключены датчики контролируемых параметров – ускорения, деформации и температуры, а измерительные усилители объединены между собой и контроллером в кабельную локальную сеть, причем коммуникационный процессор снабжен последовательно соединенными с ним концентратором и конвертером, а подсистема обработки информации состоит из объединенных между собой серверов, концентраторов и конверторов, при этом вход конвертера подсистемы обработки информации соединен с выходом конвертера подсистемы сбора информации с помощью оптоволоконного кабеля.
На фиг.1 изображен мостовой переход и схема размещения на нем датчиков контролируемых параметров.
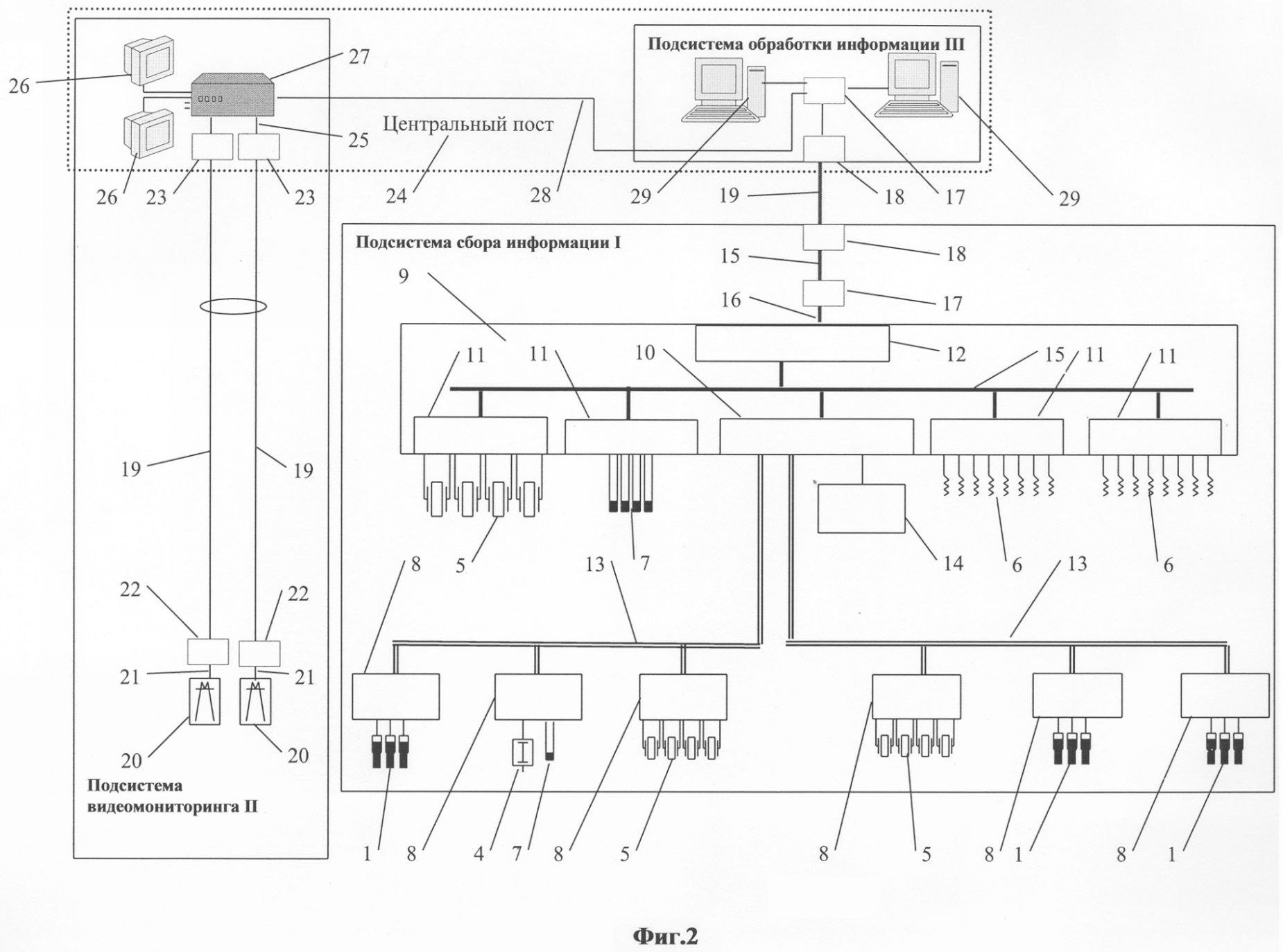
На фиг.2 изображена блок-схема устройства для мониторинга мостового перехода в процессе его эксплуатации.
Устройство для осуществления мониторинга мостового перехода в процессе его эксплуатации состоит из подсистемы сбора информации I, подсистемы видеомониторинга II и подсистемы обработки информации III.
Подсистема сбора информации I состоит из датчиков контролируемых параметров: датчиков перемещения 1, установленных в узлах опирания пролетных строений 2 на опоры 3 и преобразующих перемещения точек пролетного строения 2 относительно опор 3 в измерительный сигнал, датчиков наклона 4, установленных на стойках тела опор 3 и преобразующих в измерительный сигнал угловые перемещения (наклоны) стоек опор, датчиков ускорения (акселерометров) 5, датчиков деформации 6 и датчиков температуры 7, установленных на пролетном строении 2 и преобразующих в измерительные сигналы колебания, деформацию (напряжение) и температуру в соответствующих точках пролетного строения 2. Измерительные сигналы от датчиков 1, 4, 5 и 7 поступают по линии связи в измерительные усилители 8, размещенные на конструкциях мостового перехода в непосредственной близости от этих датчиков. Измерительные усилители 8 усиливают сигналы от датчиков 1, 4, 5 и 7 и преобразуют их в цифровую форму. Подсистема сбора информации оснащена также измерительно-управляющим блоком 9, который имеет контроллер 10, промежуточные преобразователи 11 и коммуникационный процессор 12. Измерительные усилители 8 объединены между собой и контроллером 10 кабелем 13 в кабельную локальную сеть. К контроллеру 10 также подсоединена метеостанция 14, которая установлена в зоне моста и производит с помощью датчиков измерение скорости и направления ветра, температуры, влажности воздуха, атмосферного давления, осадков.
Промежуточные преобразователи 11, входящие в состав измерительно-управляющего блока 9, воспринимают сигналы подключенных к ним датчиков ускорения (акселерометров) 5, датчиков деформации (тензометров) 6 и датчиков температуры 7 и преобразуют колебания, деформации (напряжения) и температуру в измерительный сигнал в заданных точках пролетного строения 2, в непосредственной близости от которых расположен измерительно-управляющий блок 9. Промежуточные преобразователи 11, контроллер 10 и коммуникационный процессор 12 объединены между собой внутренней шиной 15. К коммуникационному процессору 12 с помощью кабеля 16 подключен концентратор 17, являющийся узлом сети, и к которому в свою очередь подключен конвертер 18, изменяющий среду передачи с кабеля 15 на оптоволоконный кабель 19.
Подсистема видеомониторинга II состоит из видеокамер 20, установленных на мостовом переходе и фиксирующих конструкции мостового перехода, а также проезжающую по нему подвижную нагрузку. Сигнал от видеокамер 20 поступает по кабелю 21 к видеопередатчикам 22, для преобразования и передачи по оптоволоконному кабелю 19 на видеоприемник 23, размещенный на центральном посту 24. Из видеоприемников 23 сигнал по кабелю 25 подается в видеорегистратор 27 и на видеомониторы 26. Видеорегистратор 27 производит круглосуточную запись видеосигналов и передает по кабелю 28 накапливаемую информацию в подсистему обработки информации III, а также по запросу диспетчера воспроизводит записанную ранее информацию.
Подсистема обработки информации III расположена на центральном посту 24 и состоит из серверов 29, которые подключены к размещенному там же концентратору 17. Концентратор 17, в свою очередь, подключен к конвертеру 18, присоединенному к оптоволоконному кабелю 19, который другим концом подключен к конвертеру 18 подсистемы сбора информации I. Применение оптоволоконных кабелей 15 и 19 позволяет располагать центральный пост 24 на расстоянии нескольких километров от моста при сохранении высокой скорости передачи данных.
Подсистемы сбора информации I, видеомониторинга II и обработки информации III взаимодействуют следующим образом.
В подсистеме видеомониторинга II производят съемку ситуации на мостовом переходе и его проезжей части, передачу видеоинформации на центральный пост 24, предоставление информации на видеомониторах 26 и запись в видеорегистраторе 27, а также передачу видеоинформации в подсистему обработки информации III.
В подсистеме сбора информации I синхронно с заданной частотой производят измерения и преобразования параметров работы мостового перехода и передачу этих параметров в подсистему обработки информации.
В подсистеме обработки информации III предоставляют полученную от подсистем сбора информации I и видеомониторинга II информацию диспетчеру на экранах серверов 29, синхронизируют и записывают в запоминающее устройство серверов 29. На основании предварительного расчетного анализа конструкций моста, выполненного с использованием расчетной модели, и результатов калибровочных испытаний серверами 29 производят комплексный анализ состояния конструкций моста, в том числе и при динамических воздействиях, путем сравнения показаний сигналов датчиков, полученных в процессе эксплуатации, с контрольными значениями, и результаты анализа в режиме реального времени предоставляют диспетчеру и оформляют в виде протоколов.
Способ мониторинга мостового перехода в процессе его эксплуатации осуществляется следующим образом.
Предварительно разрабатывают расчетную модель конструкций мостового перехода и осуществляют расчетный анализ этих конструкций. По результатам расчетного анализа формируют исходные данные, на основании которых выбирают типы датчиков контролируемых параметров и определяют места их размещения на конструкциях мостового перехода. Затем осуществляют обследование конструкций мостового перехода, выявляют их конструктивные особенности и видимые дефекты и вырабатывают исходные показатели конструкций мостового перехода.
На конструкциях мостового перехода производят инструментальный контроль путем установки датчиков контролируемых параметров в местах, определенных расчетным анализом: датчиков перемещения 1, датчиков наклона 4, датчиков ускорения (акселерометров) 5, датчиков деформации (тензометров) 6 и датчиков температуры 7. На пролетном строении 2 монтируют метеостанцию 14 с датчиками скорости и направления ветра, атмосферного давления, влажности и интенсивности осадков (не показаны). Датчики контролируемых параметров, присоединенные к измерительным усилителям, объединяют в кабельные (локальные) сети для непрерывной передачи поступающих от датчиков сигналов в измерительно-управляющий блок 9. Разрабатывают программное обеспечение, выполняющее преобразование сигналов от датчиков контролируемых параметров в величины, в наибольшей степени подготовленные для восприятия обслуживающим персоналом мостового перехода. Затем производят калибровку параметров состояния конструкций мостового перехода испытательной подвижной нагрузкой и снятие начальных отсчетов. В процессе мониторинга исходные данные, полученные на расчетной модели, и начальные отсчеты, полученные при калибровке, вводят в память серверов 29, размещенных на центральном посту управления 24, где исходные данные непрерывно сравнивают с показаниями сигналов датчиков, полученных в процессе эксплуатации конструкций мостового перехода, производят комплексный анализ состояния конструкций, в том числе и при динамических воздействиях. Результаты сравнения предоставляют персоналу, осуществляющему оперативный контроль мостового сооружения.
Одновременно с инструментальным контролем производят видеонаблюдение конструкций мостового перехода и данные видеонаблюдения передают по кабельной системе на центральный пост управления 24, где их демонстрируют на мониторах и записывают на видеорегистраторе 27 для возможности повторного просмотра. Данные видеонаблюдения вводят в серверы 29, где их синхронизируют по времени с сигналами датчиков контролирующих параметров и записывают в память серверов 29 для последующего повторного просмотра и анализа.
Источники информации
1. Патент РФ №2250444, МКИ G01М 5/00, приоритет от 25.06.2002.
2. Патент РФ №2247958, МКИ G01М 5/00, приоритет от 28.03.2003.
Формула изобретения
1. Способ мониторинга мостового перехода в процессе его эксплуатации, состоящий в обследовании конструкций мостового перехода, выявлении их конструктивных особенностей и видимых дефектов, выработке зафиксированных исходных показателей мостовых конструкций, инструментальном контроле за счет установки датчиков контролируемых параметров на мостовых конструкциях, регистрации сигналов с этих датчиков и измерительной аппаратуры о параметрах конструкции в процессе эксплуатации мостового перехода и сравнении их с заранее зафиксированными исходными показателями мостовых конструкций, отличающийся тем, что предварительно разрабатывают расчетную модель и осуществляют расчетный анализ конструкций мостового перехода, по результатам которого получают исходные данные, на основании которых выбирают типы датчиков контролируемых параметров и определяют места их размещения на мостовых конструкциях, после монтажа датчиков контролируемых параметров и измерительных усилителей их объединяют между собой в кабельные локальные сети и организуют непрерывную передачу поступающих от них сигналов в измерительно-управляющий блок, разрабатывают программное обеспечение, обеспечивающее преобразование сигналов от датчиков контролируемых параметров в величины, в наибольшей степени подготовленные для восприятия обслуживающим мостовой переход персоналом, а затем производят калибровку параметров состояния моста путем загружения конструкций мостового перехода испытательной подвижной нагрузкой и снятия начальных отсчетов, причем в процессе мониторинга исходные данные, полученные на расчетной модели, и начальные отсчеты, полученные при калибровке, непрерывно сравнивают с показаниями сигналов датчиков, полученных в процессе эксплуатации мостовых конструкций, при этом одновременно с инструментальным контролем производят видеонаблюдение конструкций мостового перехода и данные от инструментального контроля и видеонаблюдения синхронизируют по времени и вводят в память сервера, производят комплексный анализ состояния конструкции, в том числе и при динамических воздействиях, и предоставляют результаты сравнения персоналу, осуществляющему оперативный контроль мостового сооружения.
2. Устройство для осуществления мониторинга мостового перехода в процессе его эксплуатации, включающее подсистему сбора информации, состоящую из установленных на мостовой конструкции датчиков контролируемых параметров – перемещения, наклона, ускорения, деформации мостовой конструкции и метеорологических данных, соединенных с измерительными усилителями, и подсистему обработки информации, соединенную с помощью линии связи с центральным постом управления, отличающееся тем, что оно снабжено подсистемой видеомониторинга, подключенной к подсистеме обработки информации и состоящей из видеокамер, установленных на мосту, видеопередатчиков, видеоприемников, видеорегистраторов и видеомониторов, объединенных между собой кабелями, подсистема сбора информации снабжена измерительно-управляющим блоком, состоящим из объединенных между собой внутренней шиной контроллера, коммуникационного процессора и промежуточных преобразователей, к которым подключены датчики контролируемых параметров – ускорения, деформации и температуры, а измерительные усилители объединены между собой и контроллером с помощью кабеля в кабельную локальную сеть, причем коммуникационный процессор снабжен последовательно соединенными с ним концентратором и конвертером, а подсистема обработки информации состоит из объединенных между собой серверов, концентраторов и конверторов, при этом вход конвертера подсистемы обработки информации соединен с выходом конвертера подсистемы сбора информации с помощью оптоволоконного кабеля.
РИСУНКИ
|
|