|
|
(21), (22) Заявка: 2006122468/28, 23.06.2006
(24) Дата начала отсчета срока действия патента:
23.06.2006
(46) Опубликовано: 20.10.2007
(56) Список документов, цитированных в отчете о поиске:
RU 2002100228 А, 20.03.2004. RU 43068 U1, 27.12.2004. US 5793216 А, 11.08.1998. US 6915707 В2, 12.07.2005. WO 90/04167 А1, 19.04.1990.
Адрес для переписки:
197046, Санкт-Петербург, Каменноостровский пр., 1/3, оф.30, ООО “Юридическая фирма Городисский и Партнеры”, Директору В.М.Станковскому (для пат.пов. Н.В.Потаниной, рег.№ 486)
|
(72) Автор(ы):
Фурмаков Евгений Федорович (RU), Петров Олег Федорович (RU), Маслов Юрий Викторович (RU), Новиков Андрей Юрьевич (RU)
(73) Патентообладатель(и):
Открытое акционерное общество “Техприбор” (RU)
|
(54) СИСТЕМА ИЗМЕРЕНИЯ РАСХОДА КОМПОНЕНТОВ ГАЗОЖИДКОСТНОГО ПОТОКА НЕФТЯНЫХ СКВАЖИН
(57) Реферат:
Система содержит три открытых радиоволновых цилиндрических высокочастотных (ВЧ) резонатора для измерения относительного содержания компонентов потока, соосно размещенные на наружной поверхности диэлектрической трубы, установленной внутри трубчатого металлического корпуса. Каждый резонатор представляет собой короткозамкнутый проводник в форме прямоугольного меандра и снабжен двумя взаимно-ортогональными вводами-выводами. В состав системы также входят управляемые ВЧ генератор и коммутатор, два входных усилителя, контроллер режимов течения газожидкостного потока и шесть экранированных приемо-передающих трактов, подключенных к соответствующим вводам-выводам резонаторов и ко входам вычислительно-управляющего блока. На концевых участках трубы установлены короткозамкнутые ограничительные витки, а между резонаторами – короткозамкнутые ограничительно-разделительные витки. По содержанию компонентов и скорости потока, определяемой методом автокорреляционного измерения, вычисляется покомпонентный объемный расход, а с использованием информации от датчиков давления и температуры – массовый расход. Изобретение повышает точность измерения при двух крайних режимах течения газожидкостной среды – неустановившемся и полностью установившемся течении. 5 ил.
Предлагаемое изобретение относится к измерительной технике и может быть использовано в нефтедобывающей промышленности для контроля дебита нефтяных скважин.
Известна система измерения покомпонентного расхода многофазного потока нефтяных скважин, содержащего нефть, газ и воду (см. патент РФ №2270981, МПК G01F 15/08, G01F 1/74, G01F 1/84, Е21В 47/10).
Эта система содержит сепаратор, обеспечивающий разделение газового и жидкого компонентов контролируемого потока, а также микроволновый влагомер, определяющий содержание воды в жидком компоненте методом радиоволнового зондирования.
Недостатком данной системы является невозможность определения компонентного состава многофазного потока без его предварительного сепарирования: механического разделения на газовую и жидкую фракции.
От этого недостатка свободны системы измерения покомпонентного расхода трехкомпонентного газожидкостного потока, содержащие радиоволновый датчик покомпонентного состава потока, СВЧ-генератор и вычислительно-управляющий блок (см. патент РФ №2063615, МПК G01F 1/56, патент РФ №43068, МПК G01F 1/74 и патент РФ №2275604, МПК G01F 1/74). Указанные системы не требуют сепарирования газожидкостного потока, однако обладают другим недостатком: невозможностью достоверного радиоволнового зондирования контролируемого потока при наличии в нем соленой воды. Этот недостаток обусловлен затуханием микроволнового радиоизлучения СВЧ-генератора известных систем в существенно электропроводной соленой воде. Поскольку содержание растворенных в скважинной воде солей составляет десятки граммов на литр, скважинная вода обладает высокой электропроводностью, что делает ее фактически нерадиопрозрачной для микроволнового излучения и не дает возможности достоверного радиоконтроля водосодержания на сверхвысоких частотах.
Наиболее близкой к предлагаемому изобретению по технической сущности и достигаемому результату является известная система измерения покомпонентного расхода многокомпонентного газожидкостного потока, в состав которой входят радиоволновый датчик, содержащий высокочастотные резонаторы, каждый из которых представляет собой зигзагообразный проводник в виде обмотки из медного провода, и электронное вычислительно-управляющее устройство, содержащее вычислительно-управляющий блок и управляемый высокочастотный генератор, в качестве которого использован управляемый синтезатор частоты (см. заявку на изобретение РФ №2002100228/26, МПК G01F 1/00, G01F 5/00). Данная система принята за ближайший аналог (прототип) предлагаемого изобретения.
В основу работы известной системы положены два метода измерения. Для измерения покомпонентного состава потока выбран метод высокочастотного радиоволнового зондирования контролируемой среды с помощью высокочастотного резонатора; в этом методе в качестве информативных параметров сигнала о покомпонентном составе контролируемой среды используются параметры резонансного поглощения этой средой высокочастотного электромагнитного поля на нескольких резонансных частотах, например на двух резонансных частотах Fрез1, Fрез2, лежащих в ВЧ-диапазоне.
Для измерения скорости контролируемого потока в известной системе выбран автокорреляционный метод измерения скорости, основанный на измерении времени прохождения некоторой базовой длины радиоволнового датчика локальной неоднородностью компонентного состава потока; указанное время определяется либо по максимуму взаимной корреляционной функции (ВКФ) временных реализации двух радиоволновых ВЧ-сигналов, характеризующих данную неоднородность, либо по минимуму дискриминационной характеристики, представляющей собой ВКФ первой производной временной реализации одного из указанных сигналов и временной реализации другого из этих сигналов.
В состав радиоволнового датчика данной системы входят последовательно установленные первый и второй открытые радиоволновые цилиндрические высокочастотные резонаторы, каждый из которых снабжен отдельным вводом и отдельным выводом, а в состав электронного вычислительно-управляющего устройства этой системы входят вычислительно-управляющий блок, управляемый высокочастотный генератор, входной усилитель, а также два передающих тракта, каждый из которых представляет собой последовательно соединенные входной усилитель, амплитудный детектор и аналого-цифровой преобразователь.
Вывод первого и вывод второго открытых радиоволновых цилиндрических резонаторов известной системы подключены каждый к одному из соответствующих входов вычислительно-управляющего блока через один из соответствующих передающих трактов, а ввод первого и ввод второго резонаторов соединены с выходом управляемого высокочастотного генератора через входной усилитель, причем ввод и вывод каждого из упомянутых резонаторов подсоединены каждый к одной из двух различных, диаметрально противоположно расположенных точек зигзагообразного короткозамкнутого проводника соответствующего резонатора. Каждый из двух открытых радиоволновых цилиндрических высокочастотных резонаторов известной системы представляет собой обмотку из медной проволоки, зигзагообразно размещенной на наружной цилиндрической поверхности диэлектрической трубы данного высокочастотного резонатора, которая соосно установлена внутри трубчатого металлического корпуса данного высокочастотного резонатора.
В связи с тем что в известной системе в качестве зондирующего радиоволнового сигнала используется высокочастотное электромагнитное поле, она позволяет зондировать газожидкостный поток на относительно низкой, по сравнению с микроволновым излучением, частоте и тем самым дает возможность достоверно контролировать параметры газожидкостного потока даже при наличии в нем соленой воды.
Однако недостатком данной системы является высокая погрешность измерения покомпонентного расхода, возникающая в каждом из двух крайних режимов течения контролируемого потока: при неустановившемся течении и, наоборот, при установившемся течении.
При существенно неустановившемся течении газожидкостной среды, характерном для большинства отечественных нефтяных скважин, компонентный состав и скорость потока быстро и хаотически изменяются во времени, в результате чего погрешность, вызванная быстрыми и хаотическими изменениями режима течения, может достигать существенных величин.
Что же касается скважин, функционирующих в режиме полностью установившегося течения, при котором компонентный состав и скорость потока остаются практически неизменными, а контролируемая среда представляет собой практически однородную мелкодисперсную смесь отдельных компонентов, то на подобных скважинах использование известной системы затруднительно, поскольку положенный в основу ее работы автокорреляционный радиоволновый метод измерения скорости потока с использованием однонаправленного радиоволнового зондирования контролируемой среды является достоверным только при наличии в контролируемом потоке ярко выраженных локальных неоднородностей компонентного состава, которые отсутствуют при установившемся течении.
Задачей предлагаемого изобретения является повышение достоверности и точности измерения покомпонентного расхода при неустановившемся и установившемся течениях контролируемой среды.
Для решения поставленной задачи система измерения расхода компонентов газожидкостного потока нефтяных скважин, в состав которой входят соосно расположенные первый и второй резонаторы, каждый из которых представляет собой короткозамкнутый зигзагообразный проводник, имеющий форму прямоугольного меандра, размещенный на наружной цилиндрической поверхности диэлектрической трубы, установленной внутри трубчатого металлического корпуса соосно ему, управляемый высокочастотный генератор, входной усилитель, вычислительно-управляющий блок, два передающих тракта, датчик давления и датчик температуры, установленные в корпусе, выход каждого из которых соединен с соответствующим ему входом вычислительно-управляющего блока, причем каждый из двух резонаторов через принадлежащий ему передающий тракт подключен к одному из входов вычислительно-управляющего блока, выход которого соединен со входом управляемого высокочастотного генератора, а каждый из передающих трактов представляет собой последовательно соединенные выходной усилитель, амплитудный детектор и аналого-цифровой преобразователь.
Новым по отношению к прототипу является то, что в систему дополнительно введен третий резонатор, установленный соосно первому и второму резонаторам на диэлектрической трубе внутри корпуса, каждый из трех резонаторов снабжен первым вводом-выводом и ортогонально ему расположенным вторым вводом-выводом, причем первый ввод-вывод и второй ввод-вывод каждого резонатора лежат в диаметральных взаимно-перпендикулярных плоскостях. Помимо этого, в систему дополнительно введены четыре передающих тракта, идентичных двум первым передающим трактам, контроллер режимов, входной усилитель и управляемый коммутатор, соединенный с выходом управляемого высокочастотного генератора, снабженный двумя выходами, каждый из которых соединен со входом одного из входных усилителей, и подключенный своим управляющим входом к вычислительно-управляющему блоку. Каждый из шести передающих трактов системы дополнительно снабжен входом и двумя соединенными между собой в общей точке разделительными конденсаторами, один из которых подключен ко входу выходного усилителя, а другой – ко входу данного передающего тракта, при этом каждый из передающих трактов совместно с введенными в его состав разделительными конденсаторами отдельно заэкранирован и образует приемо-передающий тракт. Каждый ввод-вывод каждого резонатора системы подключен только к одному из приемо-передающих трактов – к общей точке его разделительных конденсаторов, при этом выходом каждого приемо-передающего тракта является выход аналого-цифрового преобразователя, подключенный к одному из входов вычислительно-управляющего блока. Каждый из приемо-передающих трактов, подключенный к первому вводу-выводу одного из резонаторов, соединен своим входом с одним из входных усилителей, а каждый из остальных приемо-передающих трактов – с другим входным усилителем, при этом выход каждого из приемо-передающих трактов третьего резонатора дополнительно подключен к одному из входов контроллера режимов, выход которого подключен к вычислительно-управляющему блоку. Для четкой фиксации пространственных границ электромагнитного поля, возбуждаемого в каждом из резонаторов, на концевых участках диэлектрической трубы установлено по ограничительному витку, а между резонаторами – по ограничительно-разделительному витку, при этом поперечное сечение ограничительного витка, ограничительно-разделительного витка и зигзагообразного проводника каждого резонатора имеет прямоугольную форму.
Работа предложенной системы поясняется фиг.1-5.
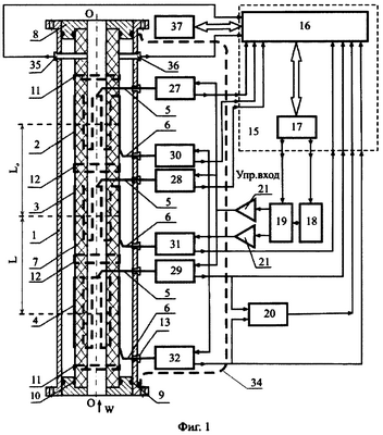
На фиг.1 представлена функциональная схема предложенной системы, на фиг.2 – развертка резонаторов, на фиг.3 – сечение зигзагообразного проводника резонатора, на фиг.4 – поперечный разрез резонатора, а на фиг.5 – структурная схема приемо-передающего тракта.
На фиг.1-5 введены следующие обозначения: 1 – корпус, 2 – первый резонатор, 3 – второй резонатор, 4 – третий резонатор, 5 – первый ввод-вывод резонатора, 6 – второй ввод-вывод резонатора, 7 – диэлектрическая труба, 8 – центрирующий фиксатор, 9 – наружное уплотнительное кольцо, 10 – внутреннее уплотнительное кольцо, 11 – ограничительный виток, 12 – ограничительно-разделительный виток, 13 – диэлектрическая втулка, 14 -диэлектрическая подложка, 15 – вычислительно-управляющий блок, 16 -вычислитель, 17 – блок управления, 18 – управляемый высокочастотный генератор, 19 – управляемый коммутатор, 20 – контроллер режимов, 21 – входной усилитель, 22 – входной разделительный конденсатор, 23 – выходной разделительный конденсатор, 24 – выходной усилитель, 25 – амплитудный детектор, 26 – аналого-цифровой преобразователь, 27 – первый приемо-передающий тракт первого резонатора, 28 – первый приемо-передающий тракт второго резонатора, 29 – первый приемо-передающий тракт третьего резонатора, 30 – второй приемо-передающий тракт первого резонатора, 31 – второй приемо-передающий тракт второго резонатора, 32 – второй приемо-передающий тракт третьего резонатора, 33 – экранирующий кожух, 34 – общий экранирующий кожух, 35 – датчик давления, 36 – датчик температуры, 37 – внешние системы.
Система включает в себя корпус 1, представляющий собой отрезок металлической трубы с фланцами на ее концах, предназначенными для присоединения корпуса 1 к внешнему трубопроводу, и три последовательно, один за другим, установленных внутри корпуса 1 открытых радиоволновых цилиндрических высокочастотных резонатора: первый резонатор 2, второй резонатор 3 и третий резонатор 4 (см. фиг.1). Каждый из резонаторов 2, 3, 4 представляет собой короткозамкнутый зигзагообразный проводник, имеющий форму прямоугольного меандра, размещенного на цилиндрической поверхности (см. фиг.2 и 4).
К одной из точек зигзагообразного проводника каждого из резонаторов 2, 3, 4 присоединен первый ввод-вывод 5, а к другой точке упомянутого проводника каждого из резонаторов 2, 3, 4 присоединен второй ввод-вывод 6, причем точки присоединения каждого первого ввода-вывода 5 каждого из резонаторов 2, 3, 4 и точки присоединения каждого второго ввода-вывода каждого из этих резонаторов лежат во взаимно-ортогональных плоскостях с углом 0,5 между ними (см. фиг.4). При этом указанные точки присоединения первого ввода-вывода 5 и второго ввода-вывода 6 к зигзагообразному проводнику могут располагаться либо на противоположных концах каждого из резонаторов 2, 3, 4, как это показано на фиг.1 и 2, либо обе могут находиться на одном и том же конце соответствующего им резонатора 2, 3, 4.
Резонаторы 2, 3, 4 последовательно, один за другим, соосно расположены на наружной цилиндрической поверхности диэлектрической трубы 7, осесимметрично установленной внутри корпуса 1 с помощью двух металлических центрирующих фиксаторов 8, каждый из которых снабжен двумя уплотнительными кольцами: наружным уплотнительным кольцом 9 и внутренним уплотнительным кольцом 10.
Помимо резонаторов 2, 3, 4 на наружной поверхности диэлектрической трубы 7 также установлены две пары металлических короткозамкнутых витков: два ограничительных витка 11 и два ограничительно-разделительных витка 12, причем один из ограничительных витков 11 установлен у внешнего конца первого резонатора 2, другой – у внешнего конца третьего резонатора 4, один из ограничительно-разделительных витков 12 – между первым и вторым резонаторами 2 и 3 соответственно, а другой – между вторым и третьим резонаторами 3 и 4 соответственно.
Каждый из первых вводов-выводов 5 и вторых вводов-выводов 6 каждого из резонаторов 2, 3, 4 проходит сквозь соответствующее ему отверстие в стенке корпуса 1 и изолирован от корпуса 1 с помощью диэлектрической втулки 13. Диэлектрические втулки 13 и уплотнительные кольца 9, 10 обеспечивают герметичность внутренней газонаполненной полости радиоволнового датчика покомпонентного расхода, ограниченной корпусом 1, диэлектрической трубой 7 и центрирующими фиксаторами 8.
Поперечное сечение каждого из короткозамкнутых зигзагообразных проводников каждого из резонаторов 2, 3, 4 представляет собой прямоугольник, а развертка этого проводника имеет форму прямоугольного меандра (см. фиг.2, 3); в качестве материала зигзагообразного проводника может быть выбрана электротехническая медь.
Выбор для зигзагообразного короткозамкнутого проводника прямоугольного сечения дает возможность существенно снизить электроемкостные связи между соседними параллельными участками этого проводника по сравнению с межвитковыми электроемкостными связями обмотки резонатора известной системы, выполненной медным проводом, и тем самым существенно повысить добротность резонатора.
Ограничительные и ограничительно-разделительные витки 11, 12 соответственно применены в предложенной системе с целью четкой фиксации пространственных границ электромагнитного поля у торцевых концов каждого из резонаторов 2, 3, 4 и независимости положения этих границ от влияния близрасположенных металлических элементов конструкции радиоволнового датчика.
Все упомянутые рабочие элементы и витки изготовлены методом, обеспечивающим их взаимную идентичность, например методом фотопечати рисунка развертки зигзагообразного проводника каждого из резонаторов 2, 3, 4 и каждого из витков 11, 12 на металлической поверхности металлофольгированной гибкой диэлектрической подложки 14 шириной 2 R (см. фиг.2). После электрохимической обработки указанной металлической поверхности диэлектрическая подложка 14 с образованными на ней развертками меандроподобных проводников резонаторов 2, 3, 4 и витков 11, 12 устанавливается диэлектрическим слоем внутрь на наружную цилиндрическую поверхность диэлектрической трубы 7 и закрепляется на ней, причем взаимно соответствующие конечные точки ni каждого из меандроподобных проводников каждого резонатора 2, 3, 4 и взаимно соответствующие конечные точки mi каждого из витков 11, 12 гальванически соединяются между собой таким образом, чтобы каждая из точек соединения ni соответствовала точке соединения mi, где i=1, 2, … 7 – порядковый номер точки соединения.
Осевые расстояния L0 и L между геометрическими центрами первого и второго резонаторов 2, 3 и второго и третьего резонаторов 3, 4 используются в алгоритмах вычисления покомпонентного расхода в качестве постоянных величин.
Следует указать, что предложенная в заявленной системе замена отдельного ввода и отдельного вывода резонатора известной системы на единый ввод-вывод резонатора дает возможность гальванически подсоединить каждый из первых вводов-выводов 5 и каждый из вторых вводов-выводов 6 к соответствующему резонатору 2, 3, 4 только в одной точке его зигзагообразного проводника, что обеспечивает полную взаимную идентичность входного и выходного импедансов каждого из упомянутых вводов-выводов, в то время как в известной системе указанные импедансы отличаются между собой, поскольку каждый ввод и каждый вывод каждого из резонаторов этой системы гальванически подсоединен к соответствующему зигзагообразному проводнику в его двух различных, неизбежно отличающихся между собой, точках.
Предложенная система имеет в своем составе также вычислительно-управляющий блок 15, в котором для удобства рассмотрения работы предлагаемой системы на фиг.1 выделены вычислитель 16 и блок управления 17, управляемый высокочастотный генератор 18, управляемый коммутатор 19, контроллер режимов 20, два входных усилителя 21, шесть входных разделительных конденсаторов 22, шесть выходных разделительных конденсаторов 23, а также шесть передающих трактов, каждый из которых включает в себя последовательно соединенные выходной усилитель 24, амплитудный детектор 25 и аналого-цифровой преобразователь 26.
Для исключения взаимного влияния каждый из шести вышеуказанных передающих трактов совместно с относящимися к нему входным и выходным разделительными конденсаторами 22 и 23 заэкранирован и образует приемо-передающий тракт, а именно: первый приемо-передающий тракт первого резонатора, первый приемо-передающий тракт второго резонатора, первый приемо-передающий тракт третьего резонатора, а также второй приемо-передающий тракт первого резонатора, второй приемо-передающий тракт второго резонатора и второй приемо-передающий тракт третьего резонатора.
Входные разделительные конденсаторы 22 и выходные разделительные конденсаторы 23 применены с целью одновременного подключения каждого из первых вводов-выводов 5 и вторых вводов-выводов 6 к двум различным электрическим цепям: через входной разделительный конденсатор 22 – к цепи возбуждения резонаторов 2, 3, 4, содержащей один из входных усилителей 21, управляемый коммутатор 19 и управляемый высокочастотный генератор 18, а через выходной разделительный конденсатор 23 – к измерительно-вычислительной цепи, содержащей передающий тракт одного из приемо-передающих трактов 27, 28, 29, 30, 31, 32 и вычислительно-управляющий блок 15.
Каждый из первых приемо-передающих трактов 27, 28, 29 и вторых приемо-передающих трактов 30, 31, 32 содержит вход, выход и общую точку, причем в состав каждого из упомянутых приемо-передающих трактов 27, 28, 29, 30, 31, 32 входят входной и выходной разделительные конденсаторы 22 и 23 соответственно, выходной усилитель 24, амплитудный детектор 25 и аналого-цифровой преобразователь 26, установленные внутри одного из экранирующих кожухов 33, гальванически соединенного с общим экранирующим кожухом 34, который в свою очередь заземлен на корпус 1.
Общая точка каждого из первых приемо-передающих трактов 27, 28 и 29 и общая точка каждого из вторых приемо-передающих трактов 30, 31 и 32 через соответствующие ей выходной разделительный конденсатор 23, выходной усилитель 24, амплитудный детектор 25 и аналого-цифровой преобразователь 26 соединена с выходом данного тракта, а через соответствующий ей входной разделительный конденсатор 22 упомянутая общая точка соединена с входом данного тракта.
Каждый из первых вводов-выводов 5 каждого из резонаторов 2, 3 и 4 соединен с общей точкой соответствующего ему первого приемо-передающего тракта 27, 28 и 29: первый ввод-вывод 5 первого резонатора 2 – с общей точкой первого приемо-передающего тракта 27, первый ввод-вывод 5 второго резонатора 3 – с общей точкой первого приемо-передающего тракта 28 и первый ввод-вывод 5 третьего резонатора 4 – с общей точкой первого приемо-передающего тракта 29, а каждый из вторых вводов-выводов 6 резонаторов 2, 3 и 4 аналогичным образом соединен с общей точкой соответственно второго приемо-передающего тракта 30, второго приемо-передающего тракта 31 и второго приемо-передающего тракта 32.
Каждый из выходов каждого из упомянутых приемо-передающих трактов 27, 28, 29 и 30, 31, 32 подключен через соответствующий ему вход вычислительно-управляющего блока 15 к одному из входов вычислителя 16, а выход первого приемо-передающего тракта 29 и выход второго приемо-передающего тракта 32, кроме того, подключены каждый соответственно к первому и второму входу контроллера режимов 20.
Выход контроллера режимов 20 соединен с одним из входов вычислительно-управляющего блока 15, подключен к соответствующему входу вычислителя 16. Один из выходов блока управления 17 через соответствующий ему выход вычислительно-управляющего блока 15 соединен с управляющим входом управляемого коммутатора 19, а другой выход блока управления 17 через соответствующий ему выход вычислительно-управляющего блока 15 соединен со входом управляемого высокочастотного генератора 18.
Управляемый коммутатор 19 содержит два выхода: первый и второй, причем упомянутый первый выход через один из входных усилителей 21 подсоединен ко входам первых приемо-передающих трактов 27, 28, 29, а упомянутый второй выход через другой входной усилитель 21 – ко входам вторых приемо-передающих трактов 30, 31, 32.
Блок управления 17 соединен двусторонней информационной связью с вычислителем 16.
Система содержит также датчик давления 35 и датчик температуры 36, установленные в корпусе 1, выход каждого из этих датчиков подключен к одному из входов вычислителя 16 через соответствующие им входы вычислительно-управляющего блока 15, который при наличии внешних систем 37 подключается к этим системам с помощью магистрали обмена информацией.
Предложенная система измерения расхода компонентов газожидкостного потока нефтяных скважин работает следующим образом.
При наличии в диэлектрической трубе 7 контролируемой газожидкостной среды, движущейся со скоростью W, на вход вычислителя 16 подается команда запуска, поступающая в вычислитель 16, например, из внешних систем 37 по магистрали обмена информацией.
По двусторонней информационной связи данная команда передается из вычислителя 16 в блок управления 17 и с одного из выходов этого блока через соответствующий ему выход вычислительно-управляющего блока 15 поступает на вход управляемого высокочастотного генератора 18.
В соответствии с принятой командой упомянутый генератор вырабатывает высокочастотный сигнал с плавно изменяющейся во времени частотой, возрастающей от значения Fmin до значения Fmax. Указанный сигнал необходим для возбуждения высокочастотного электромагнитного поля в каждом из трех резонаторов 2, 3, 4 предложенной системы.
При работе предложенной системы третий резонатор 4 служит для получения информации об относительных объемных долях V1, V2, V3 каждого из трех компонентов контролируемого потока, а первый и второй резонаторы 2 и 3 соответственно – для получения информации о значении скорости W контролируемого потока.
С выхода управляемого высокочастотного генератора 18 сигнал возбуждения поступает на вход управляемого коммутатора 19 и при наличии на управляющем входе последнего команды «первый выход», сформированной в блоке управления 17 и поступившей с одного из выходов этого блока через соответствующий ему выход вычислительно-управляющего блока 15, передается с первого выхода управляемого коммутатора 19 через соответствующий входной усилитель 21 на входы первых приемо-передающих трактов 27, 28 и 29 и далее через входной разделительный конденсатор 22 и общую точку каждого из указанных трактов поступает соответственно на каждый из первых вводов-выводов 5 первого, второго и третьего резонаторов (позиции 2, 3 и 4 соответственно), возбуждая в каждом из них высокочастотное электромагнитное поле с изменяющейся от Fmin до Fmax частотой.
Так как в диэлектрической трубе 7 находится трехкомпонентная газожидкостная среда, каждый из трех компонентов которой характеризуется определенными значениями комплексной диэлектрической проницаемости j* и комплексной электропроводности j*, где j=1, 2, 3 – номер компонента среды, то при возбуждении высокочастотного электромагнитного поля в каждом из резонаторов 2, 3, 4 будет происходить резонансное поглощение контролируемой средой энергии возбужденного поля на нескольких резонансных частотах Fрез поглощения, где
Fmin Fрез Fmax,
например, на первой, второй и третьей резонансных частотах Fрез1, Fрез2, Fрез3 соответственно.
Поскольку информативные параметры сигналов, характеризующих резонансные поглощения, такие как, например,
– амплитуды выходных сигналов на первой, второй и третьей резонансных частотах Iрез1, Iрез2, Iрез3 соответственно,
– коэффициенты передачи сигналов на первой, второй и третьей резонансных частотах Dрез1, Dрез2, Dрез3 соответственно,
– резонансные частоты Fрез1, Fрез2, Fрез3,
а также другие информативные параметры, существенно зависят от комплексных характеристик контролируемой среды 1*, 2*, 3* и 1*, 2*, 3*, каждый из выходных сигналов первого, второго и третьего резонаторов (позиции 2, 3 и 4 соответственно) содержит в себе информацию о покомпонентном составе газожидкостного потока.
Каждый из указанных сигналов поступает через один из входов вычислительно-управляющего блока 15 на соответствующий ему вход вычислителя 16 по следующим цепям: сигнал с первого входа-выхода 5 первого резонатора 2 поступает через последовательно соединенные выходной разделительный конденсатор 23, выходной усилитель 24, амплитудный детектор 25 и аналого-цифровой преобразователь 26 первого приемо-передающего тракта 27, сигнал с первого входа-выхода 5 второго резонатора 3 поступает через аналогичные элементы 23, 24, 25, 26 первого приемо-передающего тракта 28 и сигнал с первого ввода-вывода 5 третьего резонатора 4 поступает через элементы 23, 24, 25, 26 первого приемо-передающего тракта 29. Кроме того, указанный сигнал с выхода первого приемо-передающего тракта 29 поступает на первый вход контроллера режимов 20, в котором проводится предварительный классификационный анализ информативных параметров поступившего сигнала.
Целью предварительного классификационного анализа является грубое отнесение режимов течения контролируемого потока к одному из режимов «установившийся» и «неустановившийся», с последующим уточняющим выбором подрежима установленного режима, например одного из подрежимов: «установившийся – нефть», «установившийся – вода», «установившийся – газ», «установившийся – нефть-вода», «установившийся – нефть-газ», «установившийся – газ-вода», «установившийся – нефть-вода-газ» или «неустановившийся – нефть-вода», «неустановившийся – нефть-газ» и т.д. Кодовый сигнал, соответствующий выбранному подрежиму, поступает с выхода контроллера режимов 20 на один из входов вычислительно-управляющего блока 15 на соответствующий ему вход вычислителя 16, в котором из группы алгоритмов контроля покомпонентного состава выбирается алгоритм, отвечающий поступившему коду подрежима.
В соответствии с выбранным алгоритмом в вычислителе 16 анализируется информативный сигнал, поступивший в него с первого ввода-вывода 5 третьего резонатора 4 через первый приемо-передающий тракт 29, и вычисляются мгновенные значения относительных объемных долей V1, V2 и V3 каждого из трех компонентов контролируемого потока.
После окончания описанной процедуры в блоке управления 17 формируется команда «второй выход», поступающая с одного из выходов этого блока через соответствующий ему выход вычислительно-управляющего блока 15 на управляющий вход управляемого коммутатора 19, в результате чего высокочастотный сигнал, генерируемый управляемым высокочастотным генератором 18 и передаваемый с его выхода на вход управляемого коммутатора 19, переключается на второй выход данного коммутатора, откуда поступает на каждый из входов вторых приемо-передающих трактов 30, 31 и 32.
С каждой из общих точек каждого из указанных приемо-передающих трактов высокочастотный сигнал через соответствующий входной усилитель 21 передается на вторые вводы-выводы 6 каждого из резонаторов 2, 3, 4.
При переключении высокочастотного сигнала с первых вводов-выводов 5 резонаторов 2, 3, 4 на их вторые вводы-выводы 6 направленность электромагнитного поля внутри каждого из указанных резонаторов ортогонально изменяется, что дает возможность произвести уточняющее электромагнитное зондирование контролируемой среды в направлении, ортогональном первоначальному направлению зондирования, и получить дополнительную информацию по отношению к первоначальной информации о покомпонентном составе неосесимметричного газожидкостного потока.
Сигналы, несущие дополнительную уточняющую информацию, снимаются с каждого из вторых вводов-выводов 6 резонаторов 2, 3, 4; каждый из этих сигналов поступает на общую точку соответствующего ему второго приемо-передающего тракта (позиции 30, 31, 32) и с выхода каждого из них передается на соответствующий каждому из них вход вычислителя 16 через один из входов вычислительно-управляющего блока 15.
Кроме того, с выхода второго приемо-передающего тракта 32 указанный сигнал поступает на второй вход контроллера режимов 20, в котором на основе анализа информативных параметров поступившего сигнала уточняется ранее установленный подрежим контролируемого потока, и кодовый сигнал, соответствующий уточненному подрежиму, передается через один из входов вычислительно-управляющего блока 15 на соответствующий ему вход вычислителя 16, где на основе анализа сигнала, поступившего в вычислитель 16 с дополнительного ввода-вывода 6 третьего резонатора 4 через второй приемопередающий тракт 32, при необходимости производится уточнение ранее выбранного алгоритма и коррекция ранее вычисленных мгновенных значений относительных объемных долей V1, V2 и V3 каждого из трех компонентов контролируемого потока.
Для определения скорости W в предложенной системе выбран автокорреляционный метод. При этом в зависимости от режима контролируемого потока используется информация о движении естественной метки потока, либо информация о движении локальной неоднородности потока, либо информация о движении локальной особенности потока.
В первом случае, когда контроллером режимов 20 установлен режим существенно неустановившегося движения контролируемого потока, поступающие на вход вычислителя 16 с первых вводов-выводов 5 и вторых вводов-выводов 6 первого и второго резонаторов 2 и 3 соответственно ранее описанные информативные сигналы непрерывно фиксируются в памяти вычислителя 16 в форме временных реализаций каждого из этих сигналов.
В качестве временных реализаций информативных сигналов резонаторов 2 и 3 могут быть использованы, например, зависимости от времени t амплитуд сигналов: Iрез1(t), Iрез2(t), Ipeз3(t)
вблизи ранее упомянутых первой, второй и третьей резонансных частот Fpeз1, Fpeз2, Fрез3 соответственно.
С учетом подрежима существенно неустановившегося движения, определенного контроллером режимов 20, в вычислителе 16 из группы алгоритмов «Вычисление скорости» выбирается алгоритм, отвечающий коду данного подрежима и в соответствии с выбранным алгоритмом производится обработка вышеуказанных временных реализаций информативных сигналов, формируемых каждым из резонаторов 2 и 3.
После обработки этих реализаций определяется их взаимная корреляционная функция и проводится смещение одной из реализаций относительно другой во времени t, вплоть до получения максимума взаимной корреляционной функции.
При получении в процессе смещения реализации максимума взаимной корреляционной функции в вычислителе 16 определяется время смещения, и, поскольку это время равно промежутку времени пробегания  естественной меткой потока – его устойчивой флуктуацией – некоторой фиксированной длины радиоволнового датчика, принятой за базовую длину L0, вычисляется скорость W контролируемого потока в соответствии с выражением
W=L0/ , где
L0 – базовая длина, равная осевому расстоянию между геометрическими центрами первого и второго резонаторов 2 и 3 соответственно.
Полученное значение скорости W используется в вычислителе 16 для вычисления мгновенных значений покомпонентных объемных расходов Q1, Q2, Q3 каждого из трех компонентов газожидкостного потока.
Во втором случае, когда контроллером режимов 20 определено установившееся движение практически однородного контролируемого потока, при котором в контролируемой среде отсутствуют локальные, ярко выраженные флуктуации компонентного состава, определение скорости W по вышеописанному методу может оказаться недостоверным. В этом случае в качестве надежно контролируемой особенности потока в предложенной системе используется не локальная флуктуация компонентного состава потока, а локальная особенность потока, характеризуемая существенно отличающимся от среднего отношением информативных сигналов резонаторов 2 и 3, полученных при взаимно ортогональном радиоволновом зондировании контролируемой среды.
Метод взаимно ортогонального зондирования позволяет фиксировать такие локальные особенности практически однородного установившегося потока, как, например, местная осевая асимметрия потока, локальная винтовая закрученность потока, сосредоточенная геликоидная закрученность потока, местная турбулентность и другие локальные особенности, принципиально не выявляемые при однонаправленном зондировании.
В случае, когда контроллером режимов 20 установлено практически однородное течение контролируемого потока и уточнен соответствующий ему подрежим, в вычислитель 16 передается соответствующий уточненному подрежиму код, и в этом вычислителе из группы алгоритмов «Вычисление скорости» выбирается алгоритм, отвечающий полученному коду.
В соответствии с выбранным алгоритмом производится обработка временных реализаций отношений каждого из сигналов, формируемых на первом вводе-выводе 5 первого резонатора 2 и на первом вводе-выводе 5 второго резонатора 3 соответственно, к сигналу, формируемому на втором вводе-выводе 6 первого резонатора 2, и к сигналу, формируемому на втором вводе-выводе 6 второго резонатора 3.
После обработки указанных, существенно отличающихся от среднего, отношений сигналов в вычислителе 16 определяется, как и в предыдущем случае, взаимная корреляционная функция их временных реализаций и находится время смещения реализации, при котором данная функция испытывает максимум. Как и при существенно неустановившемся течении потока, это время равно промежутку времени пробегания  естественной меткой потока – его локальной особенностью, характеризуемой существенно отличающимся от среднего отношением сигналов, полученных при взаимно ортогональном зондировании контролируемой среды, базовой длины L0.
Скорость контролируемого потока в этом случае, как и ранее, составляет
W=L0/ .
Найденные значения скорости W и относительных объемных долей V1, V2 и V3 компонентов контролируемого потока позволяют вычислить покомпонентный объемный расход Q1, Q2, Q3 каждого из трех компонентов газожидкостной среды:
Q1=S·W·V1, Q2=S·W·V2, Q3=S·W·V3,
где S= R2 – площадь проходного сечения диэлектрической трубы 7.
При необходимости определения покомпонентного массового расхода Qm1, Qm2, Qm3 каждого из трех компонентов газожидкостной среды в вычислителе 16 дополнительно к описанной процедуре учитываются сигналы о мгновенных значениях давления и температуры контролируемой среды, поступающие на соответствующие входы вычислителя 16 с выхода датчика давления 35 и выхода датчика температуры 36, а также хранящиеся в памяти вычислителя 16 данные о номинальных плотностях 1, 2, 3 каждого из трех указанных компонентов.
Информация о покомпонентном объемном расходе и при необходимости о покомпонентном массовом расходе контролируемого потока может быть передана из вычислителя 16 по магистрали обмена информацией во внешние системы 37.
Таким образом, задача, состоящая в повышении достоверности и точности измерения покомпонентного расхода при двух крайних режимах течения контролируемой среды: существенно неустановившемся и полностью установившемся течениях, решена за счет использования в предложенной системе следующих новых технических решений: во-первых, за счет использования предварительного анализа режима течения в контроллере режимов 20 с использованием резонатора 3, во-вторых, благодаря использованию двух различных направлений радиоволнового зондирования с помощью двух взаимно-ортогональных вводов-выводов 5 и 6 и управляемого коммутатора 19 и, в-третьих, за счет идентичности и взаимной симметрии резонаторов 2, 3, 4 и их рабочих элементов, таких как ограничительные и ограничительно-разделительные витки 11 и 12.
Формула изобретения
Система измерения расхода компонентов газожидкостного потока нефтяных скважин, в состав которой входят соосно расположенные первый и второй резонаторы, каждый из которых представляет собой короткозамкнутый зигзагообразный проводник, имеющий форму прямоугольного меандра, размещенный на наружной цилиндрической поверхности диэлектрической трубы, установленной внутри трубчатого металлического корпуса соосно с ним, управляемый высокочастотный генератор, входной усилитель, вычислительно-управляющий блок, два передающих тракта, каждый из которых содержит последовательно соединенные выходной усилитель, амплитудный детектор и аналого-цифровой преобразователь, система содержит также датчик давления и датчик температуры, установленные в корпусе, выход каждого из которых соединен с соответствующим ему входом вычислительно-управляющего блока, причем каждый из двух резонаторов через принадлежащий ему передающий тракт подключен к одному из входов вычислительно-управляющего блока, выход которого соединен со входом управляемого высокочастотного генератора, отличающаяся тем, что в нее введены третий резонатор, размещенный соосно с первым и вторым резонаторами, все три резонатора размещены на диэлектрической трубе внутри корпуса, каждый резонатор снабжен первым вводом-выводом и ортогонально ему расположенным вторым вводом-выводом, причем первый ввод-вывод и второй ввод-вывод каждого резонатора лежат в диаметральных взаимно перпендикулярных плоскостях, система дополнительно содержит входной усилитель, а также соединенный с выходом управляемого высокочастотного генератора управляемый коммутатор, снабженный двумя выходами, каждый из которых соединен с одним из входных усилителей, и снабженный также управляющим входом, соединенным с вычислительно-управляющим блоком, кроме того, система дополнительно содержит контроллер режимов, а также четыре передающих тракта, идентичных двум первым, причем каждый из упомянутых передающих трактов дополнительно снабжен входом и двумя соединенными между собой в общей точке разделительными конденсаторами, один из которых подключен ко входу выходного усилителя, а другой – ко входу этого передающего тракта, при этом каждый из передающих трактов совместно с введенными разделительными конденсаторами заэкранирован и образует приемо-передающий тракт, причем первый или второй ввод-вывод каждого резонатора подключен только к одному из приемо-передающих трактов – к общей точке его разделительных конденсаторов, выходом каждого приемо-передающего тракта является выход аналого-цифрового преобразователя, который подключен к одному из входов вычислительно-управляющего блока, каждый из приемо-передающих трактов, подключенный к первому вводу-выводу одного из резонаторов, соединен своим входом с одним из входных усилителей, а каждый из остальных приемо-передающих трактов соединен своим входом с другим входным усилителем, при этом выход каждого из приемо-передающих трактов третьего резонатора дополнительно подключен к одному из входов контроллера режимов, выход которого соединен с одним из входов вычислительно-управляющего блока, на концевых участках диэлектрической трубы установлено по ограничительному витку, а между резонаторами – по ограничительно-разделительному витку, ограничительные витки, ограничительно-разделительные витки и зигзагообразные проводники каждого резонатора имеют прямоугольное поперечное сечение.
РИСУНКИ
|
|