|
|
(21), (22) Заявка: 2006108419/06, 17.03.2006
(24) Дата начала отсчета срока действия патента:
17.03.2006
(46) Опубликовано: 20.10.2007
(56) Список документов, цитированных в отчете о поиске:
RU 2194181 C1, 10.12.2002. RU 2160390 А, 10.12.2000. RU 2063532 С1, 10.07.1996. US 4493187 А, 15.01.1985. GB 2176538 A, 31.12.1986. FR 2509374 А, 14.01.1983.
Адрес для переписки:
644116, г.Омск, ул. Герцена, 312, ОАО “Омское машиностроительное конструкторское бюро”
|
(72) Автор(ы):
Нестеренко Виктор Павлович (RU)
(73) Патентообладатель(и):
ОАО “Омское машиностроительное конструкторское бюро” (RU)
|
(54) СИСТЕМА ТОПЛИВОПОДАЧИ И РЕГУЛИРОВАНИЯ ГАЗОТУРБИННОГО ДВИГАТЕЛЯ
(57) Реферат:
Изобретение относится к. системам топливоподачи и регулирования газотурбинного двигателя и может быть использовано для управления авиационной и ракетной техники. Насосный блок содержит, по крайней мере, два насоса с регулируемыми электроприводами. Каждый из насосов имеет мощность меньше номинальной, потребной для двигателя. Насосы связаны с датчиками, определяющими расход насосов. Электроприводы и датчики соединены с блоком управления, соединенным с датчиком, определяющим подачу топлива в двигатель. В процессе нормальной работы насосы по команде от блока управления подают топливо в двигатель одновременно с номинальной мощностью примерно 50% от потребной двигателю. При отказе одного из насосов другой по сигналу от электронного регулятора, основанному на показаниях датчиков, начинает подачу топлива на форсированном режиме, т.е. с величиной, потребной для двигателя, этим обеспечивается безотказная работа системы с помощью насосного блока, имеющего небольшие массу и габариты. 2 ил.
Изобретение относится к системам топливоподачи и регулирования газотурбинного двигателя (ГТД) и может быть использовано для управления авиационной и ракетной техники.
Известны системы топливоподачи и регулирования ГТД, в которых насос топливопитания приводится в действие от коробки приводов ГТД (см. М.В.Раздолин, Д.Н.Сурнов. “Агрегаты воздушно-реактивных двигателей”. М., Машиностроение, 1973, стр.13, рис.2).
Недостатком подобных систем является то, что для обеспечения привода насоса на двигателе должна быть коробка приводов, усложняющая конструкцию двигателя, его массу и габариты. Кроме того, для обеспечения безотказности в полете требуется сложная система резервирования.
Известен резервированный электронасосный агрегат (см. патент RU №2160390, F04D 13/14, 1999 г.), содержащий блок, состоящий, по крайней мере, из двух насосов с электрическими приводами. Насосы работают в режиме дублирования, т.е. при отказе одного насоса, подающего топливо в систему, включается в работу другой насос и т.д.
Ввиду того что каждый из насосов обеспечивает выполнение всех функций длительное время, требуется использование насосного блока большой массы, что увеличивает массу и габариты системы в целом.
Наиболее близкой к заявленному изобретению является система топливоподачи и регулирования ГТД (см. патент РФ №2194181, 7 F02C 9/26, 2001 г.), содержащая электроприводной насосный блок, управляемый по частоте вращения и блок управления. Насосный блок состоит из топливоподающего насоса и последовательно включенного объемного дозирующего устройства с элементом поддержания постоянного перепада давлений.
Недостатком известной системы является то, что для обеспечения безотказности этой системы в полете требуется сложная система резервирования, что увеличит массу системы и ее габариты.
Техническим результатом, на который направлено заявляемое устройство, является создание системы топливоподачи и регулирования ГТД с оптимизацией массовых характеристик насосного блока при сохранении высокого уровня безотказности в полете.
Указанный технический результат достигается тем, что в системе топливоподачи и регулирования насосный блок выполнен по крайней мере из двух параллельно установленных насосов с регулируемыми электрическими приводами, каждый из насосов снабжен датчиком, определяющим его подачу, причем датчики и электроприводы связаны с блоком управления, дополнительно соединенным с датчиком, определяющим подачу топлива в двигатель. Кроме того, каждый из насосов может иметь датчик предельных режимов, связанный с блоком управления.
Отличительные признаки заявленного изобретения, а именно выполнение системы топливопитания и регулирования ГТД с насосным блоком, содержащим, по крайней мере, два насоса с регулируемыми электрическими приводами, снабжение каждого насоса датчиком, определяющим его подачу, соединение датчиков и электроприводов с блоком управления, дополнительно соединенным с датчиком, определяющим подачу топлива в двигатель, и снабжение каждого насоса датчиками предельных режимов, позволяет каждому насосу на максимальном режиме обеспечивать подачу топлива меньшую, нежели максимально необходимую для топливопитания ГТД, т.к. одновременно работают все насосы, а при отказе одного из насосов обеспечивать оставшимися насосом(ами) по команде блока управления режим, достаточный для допустимого снижения подачи топлива в двигатель в течение полета. Это обеспечивает повышенную безотказность работы системы топливопитания и регулирования ГТД с оптимизацией ее массы и габаритов, т.к. применены электронасосы пониженной мощности.
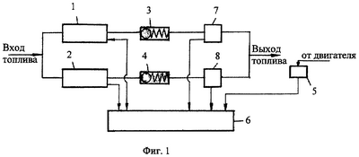
Предложенная система представлена на чертежах 1 и 2, где на фиг.1 представлена схема системы, а на фиг.2 – схема с датчиками предельных режимов, и описана ниже.
Система содержит насосный блок, состоящий из двух (или более) насосов с регулируемыми электроприводами 1 и 2, каждый из которых на нефорсированном режиме имеет подачу меньше максимальной потребной для двигателя, обратные клапаны 3 и 4, установленные в линии выхода каждого насоса, и датчик 5 (система может содержать и другое количество датчиков), определяющий подачу топлива в двигатель, соединенный с боком управления 6. Насосы 1 и 2 снабжены датчиками 7 и 8, определяющими подачу каждого насоса. Система может содержать также датчики 9 и 10 предельных режимов работы насосов (см. фиг.2). Электроприводы насосов 1 и 2, датчики 7, 8, 9 и 10 также связаны с блоком управления 6.
Работает система следующим образом.
В процессе нормальной работы системы насосы 1 и 2 по команде, поступающей от блока управления 6, подают топливо через обратные клапаны 3 и 4 в двигатель. Величина подаваемого топлива, потребного для работы двигателя, определяется датчиком 5, отражающим параметры двигателя, которые передаются в блок управления 6, который управляет работой насосов 1 и 2, увеличивая или – уменьшая подачу топлива в двигатель. Подача каждого насоса определяется датчиками 7 и 8, показания которых также поступают в блок управления для использования при регулировании режимов работы двигателя и для принятия решения о работоспособности насосов и необходимости отключения отказавшего насоса.
Каждый из насосов 1 и 2 может обеспечивать на нефорсированном режиме подачу топлива, равную или более 50% от максимально потребной для двигателя. Для насосного блока, содержащего более 2 насосов, подача каждого насоса на нефорсированном режиме может быть иной.
При отказе одного из насосов, фиксируемом блоком управления 6, анализирующим показания датчиков 7 и 8 или 9 и 10, на второй насос подается команда на обеспечение необходимой подачи за счет изменения частоты вращения привода. При этом подается команда на отключение питания электропривода отказавшего насоса. Обратный клапан отказавшего насоса препятствует утечкам топлива, подаваемого исправным насосом. Время работы насосов на увеличенном (форсированном) режиме может быть ограничено одним или несколькими полетами.
Таким образом, обеспечивается безотказная подача топлива в двигатель в полете с помощью системы с достаточно простым насосным блоком, имеющим небольшую массу и габариты.
Формула изобретения
1. Система топливоподачи и регулирования газотурбинного двигателя, содержащая насосный блок с регулируемым электроприводом, отличающаяся тем, что насосный блок выполнен, по крайней мере, из двух параллельно установленных насосов с регулируемыми электроприводами, каждый из насосов снабжен датчиком, определяющим его подачу топлива, причем датчики и электроприводы связаны с блоком управления, дополнительно соединенным с датчиком, определяющим подачу топлива в двигатель.
2. Система по п.1, отличающаяся тем, что каждый из насосов имеет датчик предельных режимов, связанный с блоком управления.
РИСУНКИ
|
|