|
(21), (22) Заявка: 2005130608/03, 03.10.2005
(24) Дата начала отсчета срока действия патента:
03.10.2005
(43) Дата публикации заявки: 10.04.2007
(46) Опубликовано: 20.10.2007
(56) Список документов, цитированных в отчете о поиске:
SU 607932 A1, 25.05.1978. SU 100439 A, 28.09.1953. RU 2002128310 A, 27.04.2004. SU 1021738 A1, 07.06.1983. SU 1231186 A1, 03.02.1984.
Адрес для переписки:
443001, г.Самара, ул. Молодогвардейская, 194, СГАСУ, патентный отдел
|
(72) Автор(ы):
Ильин Николай Алексеевич (RU), Бутенко Сергей Александрович (RU)
(73) Патентообладатель(и):
Государственное образовательное учреждение высшего профессионального образования “Самарский государственный архитектурно-строительный университет” (СГАСУ) (RU)
|
(54) СПОСОБ УСИЛЕНИЯ СЖАТЫХ ЭЛЕМЕНТОВ
(57) Реферат:
Изобретение относится к области строительства и может быть использовано при усилении несущих железобетонных конструкций зданий после пожара. Достигаемый технический результат заключается в рациональном восстановлении утраченных качеств сжатого железобетонного элемента на ослабленном участке несущей конструкции и в надежном и быстром включении в совместную работу напрягаемых распорок для усиления сжатого элемента. Способ включает в себя укрепление опорных устройств, которые выполняют в виде пары натяжных обойм, устанавливаемых в натяг на усиливаемый железобетонный элемент для повышения статического коэффициента трения покоя опорных обойм в 2-3 раза; а также установку распорок усиления с предварительным их напряжением, разгружающих, контролируя усилие сжатия, участок поврежденного элемента; при этом распорки усиления включают в совместную работу поврежденных элементов несущих конструкций без их разгружения. 26 з.п. ф-лы, 8 ил.
Изобретение относится к строительству и может быть использовано при усилении (восстановлении) сжатых элементов несущих конструкций эксплуатируемых зданий, более конкретно при усилении термоповрежденных в условиях пожара сжатых элементов железобетонной фермы (верхнего пояса, сжатых раскосов, стоек решетки).
К термоповреждениям сжатых железобетонных элементов относят температурно-усадочные трещины, отколы бетона, оголение и выпучивание стержней рабочей арматуры, отслоение деструктивного бетона, снижение прочности отожженной стали, появление остаточных после огневого воздействия напряжений растяжения в стержнях рабочей арматуры сжатого элемента в пределах 10 кН/см2 (1000 кгс/см2). При направленном огневом воздействии возможны тяжелые, но местные повреждения железобетонных элементов фермы. При появлении тяжелых термоповреждений одного из сжатых элементов железобетонной фермы возрастает риск хрупкого разрушения его и последующего обрушения несущей конструкции здания.
В большинстве случаев целесообразно и экономично исправление поврежденных элементов фермы без ее демонтажа, полной или частичной ее разгрузки.
Известен способ усиления сжатых элементов, например раскосов железобетонной фермы, включающий установку и закрепление на них железобетонной рубашки (обоймы), которая упирается в узлы фермы. Железобетонную обойму армируют продольными стержнями и поперечными хомутами. Шаг хомутов принимают равным 10·d, где d – диаметр дополнительной продольной арматуры. В местах сопряжения «рубашки» с узлами фермы шаг хомутов уменьшают вдвое / см. Рекомендации по обследованию зданий и сооружений, поврежденных пожаром. М.: Стройиздат, 1987; рис.5, с.36-37 / [1].
К причинам, препятствующим достижению указанного ниже технического результата при использовании известного способа усиления, относится то, что при использовании известного способа требуется разгружение строительной фермы для того, чтобы дополнительно укладываемые арматура и бетон железобетонной обоймы включились в совместную работу усиливаемых сжатых элементов. При местных повреждениях сжатых элементов по их длине не рациональна установка железобетонной «рубашки» на всю длину усиливаемых элементов. Следовательно, усиление известным способом сжатых элементов не эффективно.
Известен способ усиления сжатых элементов, включающий установку преднапряженных элементов усиления, при котором элементы усиления, предварительно сжатые металлическими тяжами, прикрепляют к концам усиливаемого элемента, после чего снимают предварительное напряжение с металлических тяжей. При этом на всю длину сжатого элемента, например колонну, надевают массивную металлическую обойму из прокатных уголков, скрепленных планками / см. А.с. SU №771304, кл. 3 Е04G 23/02. Способ усиления сжатых элементов. / Е.В.Горохов, И.Р.Рухович, А.Ю.Баландин и др. Опубл. 15.10.80. Бюлл. №38 / [2].
К причинам, препятствующим достижению указанного ниже технического результата при использовании известного способа усиления сжатых элементов, относится то, что усиление сжатых элементов проводят металлической обоймой, усиление проводят не по месту повреждения, а по всей длине сжатого элемента. Применение известного способа усиления сжатых элементов трудоемко, приводит к перерасходу металла, следовательно, не рационально и не экономично.
Наиболее близким техническим решением к изобретению по совокупности признаков является способ усиления сжатых элементов, например колонн зданий, включающий установку дополнительных металлических стержней с предварительным напряжением. При этом дополнительные стержни в виде четырех уголков, связанных попарно планками, выполняют ломанными по середине. Спаренные металлические стержни через накладки опирают в упорные уголки, стягивая их болтами. После закрепления концов металлических стержней на усиливаемом элементе их выпрямляют при помощи стяжных болтов и закрепляют в таком положении накладными планками. При выпрямлении стержней (распорок) в них возникают распорные усилия, разгружающие усиливаемый сжатый элемент несущей конструкции / см. А.с. SU №100439, кл. Е04G 23/02 (класс 37 в, 3-03). Способ усиления колонн. / Н.М.Онуфриев. Заявка №9351 / 449710 от 28.09.1953 / – принято за прототип [3].
К причинам, препятствующим достижению указанного ниже технического результата при использовании известного способа усиления сжатых элементов, принятого за прототип, относится то, что в известном способе длина распорок расчетного разгружающего усилия должна быть точно рассчитана, в противном случае или стержни распорок длинные и их невозможно сдвинуть и выпрямить, или стержни коротких распорок стягивают без образования предварительного напряжения в них.
Следовательно, при использовании известного способа невозможно надежное и быстрое включение в совместную работу элементов обоймы усиления и сжатого элемента.
В известном способе велика погрешность контроля степени разгружения сжатого элемента напрягаемыми распорками. При этом способе усиления сжатых элементов проводят металлической обоймой; к тому же не по месту повреждения, а по всей его длине.
Фиксацию положения упоров производят не точно, возможно перемещение уголков-упоров вследствие зазоров между полками уголков и сколотой поверхностью бетона. Сложна технология известного способа усиления. Отсутствие точного контроля предварительных напряжений в распорках при включении их в работу сжатого элемента вынуждает принимать размеры сечений распорок конструктивно, с большим неопределенным запасом по несущей способности (прочности и устойчивости).
Применение известного способа усиления сжатых элементов повышает трудоемкость работ, приводит к перерасходу металла и, следовательно, не экономично.
При использовании известного способа усиления невозможно неоднократное нагружение-разгружение упорно-распорных элементов для надежного ввода их в рабочее состояние. В известном способе усиления опирание опорных уголков натяжных распорок выполнено шарнирным (не жестким), следовательно, в процессе эксплуатации усиленных сжатых элементов возможны сдвиги опорных уголков.
Сущность изобретения заключается в следующем. Задача, на решение которой направлено изобретение, состоит в рациональном восстановлении утраченных качеств сжатого железобетонного элемента на ослабленном участке несущей конструкции, в повышении надежности и безопасности состояния сжатых элементов стропильных ферм, получивших местные повреждения, в снижении расхода стали и материальных затрат за счет рационального восстановления их эксплуатационных качеств (прочности, устойчивости, огнестойкости).
Технический результат – рациональное усиление сжатых железобетонных элементов на ослабленных (поврежденных) участках несущих конструкций, например ферм; надежное и быстрое включение в совместную работу напрягаемых распорок для усиления сжатого элемента; повышение сопротивления сдвигу натяжных обойм обжатия за счет возрастания сил сцепления и увеличения в 2-2,5 раза статического коэффициента трения металлических скоб обоймы на поверхности контакта с бетоном усиливаемого элемента; обеспечение оптимальной степени обжатия бетона на участке анкеровки стержней направленных распорок; повышение степени контроля разгружения сжатого элемента напряженными распорками; упрощение технологии усиления поврежденного сжатого элемента, повышение эффективности способа усиления, экономия металла, дополнительно укладываемого на усиление элемента.
Указанный технический результат при осуществлении изобретения достигается тем, что в известном способе усиления сжатых элементов, включающем укрепление опорных устройств и установку распорок усиления с предварительным напряжением, опорные устройства изготовляют в виде двух металлических натяжных обойм, снабжая их опорными столиками для грузовых винтов напрягаемых распорок; при этом натяжные обоймы на усиливаемый элемент устанавливают на любом заданном расстоянии друг от друга по его длине; каждую натяжную обойму выполняют из составных скоб с упорными ребрами на их концевых участках, снабдив их отверстиями для стяжных болтов; сочленяющиеся поверхности бетона усиливаемого элемента и металлических скоб натяжной обоймы обрабатывают для повышения статического коэффициента трения между ними; затем, стягивая с заданным усилием монтажные болты упорных ребер смежных скоб, крепко прикрепляют натяжные обоймы на поперечное сечение усиливаемого элемента; после этого соединяют монтажными металлическими планками или отдельными стержнями-коротышами смежные скобы натяжных обойм, по необходимости убирая частично или полностью стяжные болты, напрягаемые распорки, оборудованные грузовыми винтами и упорными гайками на одном или обоих концах, устанавливают параллельно граням усиливаемого элемента и, одновременно вращая упорные гайки, вводят, контролируя усилие сжатия, преднапряженные распорки в работу усиливаемого элемента; после введения преднапряженных распорок в работу на металлические элементы устройства усиления наносят огнезащитное покрытие.
Кроме этого, особенности способа усиления сжатых элементов заключаются в том, что при 4-стороннем обжатии прямоугольного поперечного сечения усиливаемого элемента число Г-образных скоб натяжной обоймы принимают равным четырем.
При 2-стороннем обжатии прямоугольного поперечного сечения усиливаемого элемента число швеллерообразных скоб натяжной обоймы принимают равным двум.
Г-образную скобу натяжной обоймы выполняют из металлической полосы, изгибая ее в средней части и на концевых участках под углом 90°, на которые устанавливают упорные ребра, в отверстия ребер вставляют стяжные болты, снабдив их натяжными гайками и шайбами.
Г-образную скобу выполняют из двух металлических пластин, соединяя их под углом 90°, на концевых участках которых устанавливают упорные ребра натяжной обоймы, в отверстия ребер вставляют стяжные болты, снабдив их натяжными гайками и шайбами.
Г-образную скобу выполняют из двух отрезков уголкового профиля, соединяя торцы одних же полок под углом 90°, другие полки уголков используют в качестве упорных ребер, в отверстия ребер вставляют стяжные болты, снабдив их натяжными гайками и шайбами.
Швеллерообразную скобу выполняют из отрезка швеллера, на концевых участках которого устанавливают упорные ребра натяжной обоймы, в отверстия ребер вставляют стяжные болты, снабдив их натяжными гайками и шайбами.
Швеллерообразную скобу выполняют из металлической полосы, изгибая ее в средней части и на концевых участках под углом 90°, образовывая упорные ребра скобы натяжной обоймы, в отверстия ребер вставляют стяжные болты, снабдив их натяжными гайками и шайбами.
Сочленяющуюся поверхность натяжной обоймы с бетоном усиливаемого элемента подвергают обработке стальными щетками и огневой обработке горелками.
Сочленяющуюся поверхность бетона со скобами натяжной обоймы подвергают подрубке поврежденных участков от деструктивного бетона, расчистке и насечке.
Устанавливаемые натяжные обоймы обжимают бетон не вдоль продольной, а поперек продольной оси усиливаемого элемента конструкции.
Вместо металлической обоймы, охватывающей усиливаемый элемент, в работу на сжатие включают металлические напрягаемые распорки.
Для увеличения статического коэффициента трения покоя упорного устройства скобы натяжной обоймы обжимают бетон в поперечном направлении линейного элемента конструкции на участке установки обоймы.
Для увеличения статического коэффициента трения покоя внутреннюю поверхность скобы выполняют зубчатой, с насечками или со стальными ребрами.
Для увеличения статического коэффициента трения покоя внутреннюю поверхность скобы подвергают пневматической обработке дробью или огневой обработке горелками.
Для увеличения статического коэффициента трения покоя на сочленяющихся поверхностях металлических скоб и бетона усиливаемого элемента напряжение обжатия бетона Rобж,опт натяжной обоймой принимают равным Rобж,опт=0,45·Rв,loc, где Rв,loc – расчетное сопротивление бетона смятию, МПа (кгс/см2).
Каждую напрягаемую распорку усиления выполняют в виде металлического круглого или квадратного сечения, усиленного профильными уголками, концы которого оборудуют грузовыми винтами и упирают с одной стороны на упорную обойму, с другой стороны на распорную обойму, на их опорные столики.
Диаметр грузовых винтов и их число для напрягаемой распорки определяют расчетом в зависимости от величины усилия разгружения сжатого элемента.
Величину усилия разгрузки сжатого элемента принимают не более усилия сдвига натяжной обоймы.
При величине нагрузки усиления, действующей на напрягаемые распорки более усилия от сопротивления сдвигу натяжной обоймы, обойму соединяют сваркой с существующей рабочей арматурой усиливаемого элемента с помощью коротышей или «уток»-отгибов, которые выполняют из отрезков арматуры класса А 240 (A-I) или круглой стали 10-40 мм.
Для увеличения сопротивления бетона смятию под скобы натяжной обоймы во вновь укладываемом слое бетона или строительного раствора в качестве косвенного армирования устанавливают дополнительно арматурные сетки.
Для предупреждения ослабевания натяжных гаек под нагрузкой на стяжные болты и грузовые винты ставят контргайки или другие шайбы.
Для снижения потерь предварительного напряжения в напрягаемой распорке за счет неплотного примыкания элементов устройства усиления в местах их сочленения производят 2-3 раза нагрузку-разгрузку, контролируя усилие сжатия грузовых винтов распорки.
Завинчивание-вывинчивание всех грузовых винтов напрягаемых распорок усиления производят одновременно, контролируя усилие сжатия динамометрическим ключом.
После введения в работу преднапряженных распорок торцы их соединяют со скобами натяжных обойм пластинами или коротышами с помощью сварных швов по расчету.
Гибкие упорные ребра скобы натяжной обоймы усиливают дополнительными ребрами жесткости.
После введения напрягаемых распорок в работу на металлические элементы устройства усиления наносят защитный слой легкого бетона толщиной не менее 50 мм.
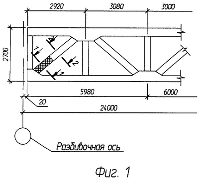
На чертежах представлено:
на фиг.1 изображено состояние части стропильной железобетонной фермы с участками термического поражения сжатого раскоса;
на фиг.2 изображено поперечное сечение 1-1 на фиг.1 участка сжатого раскоса с тяжелыми термическими повреждениями:
1 – сжатый раскос фермы; 2 – ядро сечения сжатого элемента; 3 – деструктивный слой бетона; 4 – термонапряженная или отожженная арматура;
на фиг.3 – поперечное сечение 2-2 на фиг.1 участка сжатого раскоса со слабыми термическими повреждениями;
на фиг.4 изображен усиленный по предлагаемому способу сжатый железобетонный элемент с установленными натяжными обоймами и закрепленными напряженными распорками усиления:
5 – натяжная обойма распорная с опорными столиками для грузовых винтов; 6 – натяжная обойма упорная; 7 – напрягаемая распорка усиления; 8 – скоба обоймы Г-образная; 9 – упорное ребро скобы; 10 – стяжные болты; 11 – сварные швы; 12 – упорный столик; 13 – соединительная планка; 14 – «утка»-отгиб (коротыш); 15 – остов (сердечник) распорки усиления; 16 – уголки напрягаемой распорки; 17 – грузовой винт распорки; 18 – упорная высокая гайка грузового винта; 19 – контргайка или упругая шайба; 20 – сварной конец остова распорки усиления (коротыш);
на фиг.5 изображен разрез 1-1 на фиг.4;
на фиг.6 – разрез 2-2 на фиг.4;
на фиг.7 – разрез 3-3 на фиг.4;
на фиг.8 – разрез 4-4 на фиг.4.
Сведения, подтверждающие возможность осуществления изобретения с получением указанного выше технического результата.
Пример конкретного выполнения. Способ усиления сжатого железобетонного элемента, например восходящего раскоса стропильной железобетонной фермы с размерами поперечного сечения В×Н=230×190 мм, включает крепление в натяг распорной 5 и упорной обоймы 6, установку распорок усиления 7 с предварительным напряжением.
Натяжные обоймы 5 и 6 составляют из металлических Г-образных скоб 8 (по 4 шт. на каждую обойму, толщина пластины скобы с=10 мм, марка стали С 285). На концевых участках каждой Г-образной скобы обоймы 8 устанавливают упорные ребра скобы 9 (размеры ребра в×h×l=25×50×250 мм, сталь С 285). Упорные ребра скобы 9 оборудуют стяжными болтами 10 (на каждую скобу по 4 болта длиной l=140 мм, l0=40 мм, диаметр резьбы d=16 мм, резьба с крупным шагом, класс прочности 5.8, без покрытия). Стяжные болты 10 оборудуют натяжными гайками и упругими шайбами 19. Для соединения элементов натяжных обойм и напрягаемых распорок усиления применяют сварные швы толщиной ш=6 мм.
На натяжные обоймы укрепляют упорные столики 12 (по 2 шт. на каждую обойму) толщиной п=6 мм.
Напрягаемую распорку усиления составляют из стального остова распорки усиления 15, круглого стального стержня d=20 мм, двух прокатных уголков 16 грузового винта распорки 17 (диаметр трапецеидальной резьбы d=20 мм, длина l=200 мм, l0=80 мм; класс прочности 5.8), упорной высокой гайки грузового винта 18 (класс прочности В, шестигранная, высокая m=24 мм), контргайки или упругой шайбы 19 и коротыша 20 (d=20 мм).
Одновременно вращая упорные высокие гайки 18 грузовых винтов распорки 17 остова распорки усиления 15, вводят, контролируя усилие сжатия динамометрическим ключом, напрягаемые распорки усиления 7 в работу сжатого раскоса фермы 1 железобетонной фермы покрытия.
Детали натяжных обойм 5, 6 и напрягаемых распорок усиления 7 готовят по рабочим чертежам централизованно в механической мастерской.
Поверхности контакта металлических Г-образных скоб обойм 8 подвергают огневой обработке.
Удаляют деструктивный слой бетона 3 и/или производят насечку поверхности бетона усиливаемого сжатого раскоса фермы 1.
Откалывают трещиноватый осыпающийся (деструктивный) слой бетона прочностью на сжатие менее 3 МПа (30 кгс/см2), нагретый свыше 500°С.
Деструктивный слой бетона откалывают с помощью отбойного молотка, ручного молотка-кирки, пожарного топорика, зубила.
Увеличивают шероховатость бетона усиливаемого элемента путем выполнения зубьев на его поверхности.
Места контактов старого бетона с новым (или раствором) после их обработки обильно смачивают водой под напором за 2-3 ч перед нанесением дополнительного бетона (раствора). Выравнивающие слои наносят на обработанную поверхность за один прием толщиной не более 20 мм; перерывы в бетонировании – до 60 мин.
Для ремонта бетона применяют цементную пасту, раствор, полимерраствор, бетон на портландцементе, бетон на расширяющемся цементе.
Введение деталей устройства усиления сжатого элемента в работу производят следующим образом.
Изготовляют в мастерской отдельные детали устройства, прикрепляют с натягом обоймы обжатия 5 и 6 на заданном расстоянии друг от друга.
Обжимая поперечное сечение сжатого элемента 1 натяжными обоймами 5 и 6, осуществляют натяжение скоб 8 с помощью стяжных болтов 10.
Затем устанавливают грузовые винты 17 напрягаемых распорок 7 в отверстия упорных столиков 12 распорной обоймы 5 и приваривают другие концы распорок к упорной обойме 6.
Напряжение распорок 7 осуществляют одновременным вращением упорных гаек 18 динамометрическим ключом.
После введения всех напрягаемых распорок в работу с помощью соединительных планок 13 производят объединение напрягаемых распорок усиления 7 с натяжными обоймами 5 и 6 и наносят вновь укладываемый защитный слой легкого бетона толщиной не менее 50 мм.
Использование предложенного способа усиления сжатого элемента рационально устраняет неисправности и тяжелые повреждения без демонтажа или предварительной разгрузки конструкции, наиболее полно используя остаточную несущую способность при дальнейшей эксплуатации здания.
Усиление сжатых элементов несущих конструкций здания предложенным способом повышает сопротивление сдвигу натяжных обойм за счет возрастания сил сцепления и увеличения в 2-2,5 раза статического коэффициента трения на контакте натяжных обойм с бетоном усиливаемого элемента; позволяет надежно и быстро включить в совместную работу напрягаемые распорки усиления и усиливает сжатый элемент; повышает надежность и безопасность усиливаемых сжатых элементов, получивших повреждения при пожаре.
Применение предложенного способа упрощает технологию усиления поврежденных сжатых элементов, снижает расход металла на возведение устройства усиления в 2-3 раза; повышает степень контроля разгружения поврежденного элемента.
Предложенный способ усиления сжатых элементов применен в промышленности при восстановлении решетки стропильной железобетонной фермы пролетом 24 м с параллельными поясами высотой 2,7 м, поврежденной кратковременным (60 мин) огневым воздействием.
Работы по усилению восходящего раскоса стропильной фермы были проведены без остановки промышленного здания высотой 10 м, без частичного или полного разгружения несущих конструкций (г.Самара, 2005 г.).
Источники информации
1. Рекомендации по обследованию зданий и сооружений, поврежденных пожаром. – М.: Стройиздат, 1987, с.36-37, рис.5.
2. А.с. SU №771304, кл. 3 E04G 23/02. Способ усиления сжатых элементов. / Е.В.Горохов, И.Р.Рухович, А.Ю.Баландин и др. Опубл. 15.10.80. Бюлл. №38.
3. А.с. SU №100439, кл. E04G 23/02 (класс 37 в, 3-03). Способ усиления колонн./ Н.М.Онуфриев. Заявка №9351 / 449710 от 28.09.1953 г.
Формула изобретения
1. Способ усиления сжатых элементов, включающий укрепление опорных устройств и установку распорок усиления с предварительным напряжением, отличающийся тем, что опорные устройства изготовляют в виде двух металлических натяжных обойм, снабжая их опорными столиками для грузовых винтов напрягаемых распорок, при этом натяжные обоймы на усиливаемый элемент устанавливают на любом заданном расстоянии друг от друга по его длине; каждую натяжную обойму выполняют из составных скоб с упорными ребрами на их концевых участках, снабдив их отверстиями для стяжных болтов; сочленяющиеся поверхности бетона усиливаемого элемента и металлических скоб натяжной обоймы обрабатывают для повышения статического коэффициента трения между ними, затем, стягивая с заданным усилием монтажные болты упорных ребер смежных скоб обоймы, крепко прикрепляют натяжные обоймы на поперечное сечение усиливаемого элемента; после этого соединяют монтажными металлическими планками или отдельными стержнями смежные скобы натяжных обойм, по необходимости, убирая частично или полностью стяжные болты, напрягаемые распорки, оборудованные грузовыми винтами и упорными гайками на одном или обоих концах, устанавливают параллельно граням усиливаемого элемента и, одновременно вращая упорные гайки, вводят, контролируя усилие сжатия, преднапряженные распорки в работу усиливаемого элемента, после введения преднапряженных распорок в работу, на металлические элементы устройства усиления наносят огнезащитное покрытие.
2. Способ по п.1, отличающийся тем, что при 4-стороннем обжатии прямоугольного поперечного сечения усиливаемого элемента число Г-образных скоб натяжной обоймы принимают равным четырем.
3. Способ по п.1, отличающийся тем, что при 2-стороннем обжатии прямоугольного поперечного сечения усиливаемого элемента число швеллерообразных скоб натяжной обоймы принимают равным двум.
4. Способ по любому из пп.1 и 2, отличающийся тем, что Г-образную скобу натяжной обоймы выполняют из металлической полосы, изгибая ее в средней части и на концевых участках под углом 90°, на которые устанавливают упорные ребра, в отверстия ребер вставляют стяжные болты, снабдив их натяжными гайками и шайбами.
5. Способ по любому из пп.1 и 2, отличающийся тем, что Г-образную скобу выполняют из двух металлических пластин, соединяя их под углом 90°, на концевых участках которых устанавливают упорные ребра натяжной обоймы, в отверстия ребер вставляют стяжные болты, снабдив их натяжными гайками и шайбами.
6. Способ по любому из пп.1 и 2, отличающийся тем, что Г-образную скобу выполняют из двух отрезков уголкового профиля, соединяя торцы одних полок под углом 90°, другие полки уголков используют в качестве упорных ребер, в отверстия ребер вставляют стяжные болты, снабдив их натяжными гайками и шайбами.
7. Способ по любому из пп.1 и 3, отличающийся тем, что швеллерообразную скобу выполняют из отрезка швеллера, на концевых участках которого устанавливают упорные ребра натяжной обоймы, в отверстия ребер вставляют стяжные болты, снабдив их натяжными гайками и шайбами.
8. Способ по любому из пп.1 и 3, отличающийся тем, что швеллерообразную скобу выполняют из металлической полосы, изгибая ее в средней части и на концевых участках под углом 90°, образовывая упорные ребра скобы натяжной обоймы, в отверстия ребер вставляют стяжные болты, снабдив их натяжными гайками и шайбами.
9. Способ по п.1, отличающийся тем, что сочленяющуюся поверхность натяжной обоймы с бетоном усиливаемого элемента подвергают обработке стальными щетками и огневой обработке горелками.
10. Способ по п.1, отличающийся тем, что сочленяющуюся поверхность бетона со скобами натяжной обоймы подвергают подрубке поврежденных участков от деструктивного бетона, расчистке и насечке.
11. Способ по п.1, отличающийся тем, что устанавливаемые натяжные обоймы обжимают бетон не вдоль продольной, а поперек продольной оси усиливаемого элемента конструкции.
12. Способ по п.1, отличающийся тем, что вместо металлической обоймы, охватывающей усиливаемый элемент, в работу на сжатие включают металлические напрягаемые распорки.
13. Способ по п.1, отличающийся тем, что для увеличения статического коэффициента трения покоя упорного устройства скобы натяжной обоймы обжимают бетон в поперечном направлении линейного элемента конструкции на участке установки обоймы.
14. Способ по п.1, отличающийся тем, что для увеличения статического коэффициента трения покоя внутреннюю поверхность скобы выполняют зубчатой, с насечками или со стальными ребрами.
15. Способ по п.1, отличающийся тем, что для увеличения статического коэффициента трения покоя внутреннюю поверхность скобы подвергают пневматической обработке дробью или огневой обработке горелками.
16. Способ по п.1, отличающийся тем, что для увеличения статического коэффициента трения покоя на сочленяющихся поверхностях металлических скоб и бетона усиливаемого элемента напряжение обжатия бетона Rобж.опт натяжной обоймой принимают равной
Rобж.опт=0,45·Rв./ос,
где Rв./ос – расчетное сопротивление бетона смятию, МПа (кгс/см2).
17. Способ по п.1, отличающийся тем, что каждую напрягаемую распорку усиления выполняют в виде металлического круглого или квадратного сечения, усиленного профильными уголками, концы которого оборудуют грузовыми винтами и упирают с одной стороны на упорную обойму, с другой стороны на распорную обойму, на их опорные столики.
18. Способ по п.1, отличающийся тем, что диаметр грузовых винтов и их число для напрягаемой распорки определяют расчетом в зависимости от величины усилия разгружения сжатого элемента.
19. Способ по п.1, отличающийся тем, что величину усилия разгрузки сжатого элемента принимают не более усилия сдвига натяжной обоймы.
20. Способ по п.1, отличающийся тем, что при величине нагрузки усиления, действующей на напрягаемые распорки более усилия от сопротивления сдвигу натяжной обоймы, обойму соединяют сваркой с существующей рабочей арматурой усиливаемого элемента с помощью коротышей или «уток»-отгибов, которые выполняют из отрезков арматуры класса А 240 (A-I) или круглой стали 10-40 мм.
21. Способ по п.1, отличающийся тем, что для увеличения сопротивления бетона смятию под скобы натяжной обоймы во вновь укладываемом слое бетона или строительного раствора в качестве косвенного армирования устанавливают дополнительно арматурные сетки.
22. Способ по п.1, отличающийся тем, что для предупреждения ослабевания натяжных гаек под нагрузкой на стяжные болты и грузовые винты ставят контргайки или другие шайбы.
23. Способ по п.1, отличающийся тем, что для снижения потерь предварительного напряжения в напрягаемой распорке за счет неплотного примыкания элементов устройства усиления в местах их сочленения производят 2-3 раза нагрузку-разгрузку, контролируя усилие сжатия грузовых винтов распорки.
24. Способ по п.1, отличающийся тем, что завинчивание-вывинчивание всех грузовых винтов напрягаемых распорок усиления производят одновременно, контролируя усилие сжатия динамометрическим ключом.
25. Способ по п.1, отличающийся тем, что после введения в работу преднапряженных распорок торцы их соединяют со скобами натяжных обойм пластинами или коротышами с помощью сварных швов по расчету.
26. Способ по п.1, отличающийся тем, что гибкие упорные ребра скобы натяжной обоймы усиливают дополнительными ребрами жесткости.
27. Способ по п.1, отличающийся тем, что после введения напрягаемых распорок в работу на металлические элементы устройства усиления наносят защитный слой легкого бетона толщиной не менее 50 мм.
РИСУНКИ
MM4A – Досрочное прекращение действия патента СССР или патента Российской Федерации на изобретение из-за неуплаты в установленный срок пошлины за поддержание патента в силе
Дата прекращения действия патента: 04.10.2007
Извещение опубликовано: 20.05.2009 БИ: 14/2009
|