|
(21), (22) Заявка: 2005130600/03, 03.10.2005
(24) Дата начала отсчета срока действия патента:
03.10.2005
(43) Дата публикации заявки: 10.04.2007
(46) Опубликовано: 20.10.2007
(56) Список документов, цитированных в отчете о поиске:
SU607932 A1, 25.05.1978. SU 100439 A, 28.09.1953. RU 2002128310 A, 27.04.2004. SU 1021738 A1, 07.06.1983. SU 1231186 A1, 03.02.1984.
Адрес для переписки:
443001, г.Самара, ул. Молодогвардейская, 194, СГАСУ, патентный отдел
|
(72) Автор(ы):
Ильин Николай Алексеевич (RU)
(73) Патентообладатель(и):
Государственное образовательное учреждение высшего профессионального образования “Самарский государственный архитектурно-строительный университет” (СГАСУ) (RU)
|
(54) УСТРОЙСТВО ДЛЯ ВОССТАНОВЛЕНИЯ СЖАТЫХ ЭЛЕМЕНТОВ
(57) Реферат:
Изобретение относится к области строительства и может быть использовано при восстановлении несущих железобетонных конструкций зданий после пожара. Достигаемый технический результат заключается в рациональном восстановлении сжатого элемента, увеличении анкерующей способности, а также надежном и быстром включении в совместную работу распорок устройства. Устройство состоит из двух обойм обжатия, которые являются анкерами предварительно напрягаемых распорок, разгружающих с помощью грузовых винтов и динамометрических ключей частично или полностью восстанавливаемый элемент несущей конструкции; для обжатия железобетонного элемента предусмотрены болты, стягивающие Г-образные скобы, вследствие 2-4-стороннего обжатия элемента силы трения покоя анкерных устройств возрастают в 4-6 раз; распорное устройство выполнено в виде предварительно напряженных стальных ветвей, расположенных симметрично с 2-х или 4-х сторон восстанавливаемых элементов, например сжатых раскосов и стоек фермы; закручиванием грузовых гаек винтов, прикрепленных к остовам распорок, устройство восстановления включается в работу несущей конструкции здания. 1 н.з. и 29 з.п. ф-лы, 16 ил.
Изобретение относится к строительству и может быть использовано при восстановлении (ремонте, реновации и реконструкции) несущих конструкций, более конкретно при восстановлении сжатых элементов (верхнего пояса, сжатых раскосов и стоек) железобетонных ферм зданий и сооружений, поврежденных пожаром.
К термическим повреждениям сжатого железобетонного элемента относятся температурно-усадочные макро- и микротрещины, отколы защитного слоя бетона, оголение и науглероживание поверхности стержней арматуры, отслоение деструктивного бетона на глубину 10-50 мм, выпучивание арматуры, снижение прочности отожженной стали и бетона, появление после пожара остаточных термических напряжений растяжения в рабочей арматуре сжатого элемента (в пределах 10 кН/см2).
При направленном огневом воздействии сильные термические повреждения характеризуются местными повреждениями железобетонных элементов ферм. При тяжелых повреждениях одного из сжатых элементов даже в одном месте на его длине возрастает опасность его хрупкого разрушения и последующего обрушения железобетонных ферм здания.
В ряде случаев целесообразно и экономично исправление поврежденных элементов несущей конструкции без ее демонтажа, полной или частичной разгрузки ее.
Известно устройство для восстановления сжатых элементов (колонн) дополнительными напряженными металлическими профильными элементами (см. А.с. SU №100439, кл. Е04G 23/02 “Способ усиления колонн” Н.М.Онуфриев (класс 37 в, 3-03). Заявка №9351/449710 от 28.09.1953) [1].
К причинам, препятствующим достижению указанного ниже технического результата при использовании известного устройства восстановления, относится то, что в известном устройстве дополнительные стержни выполнены ломанными по середине, а после закрепления их концов на усиливаемом элементе выпрямлены при помощи стяжных болтов и зафиксированы в таком положении приваркой планок.
При восстановлении стержней возникающие в них усилия разгружают усиливаемый элемент конструкции. При таком усилении элемента конструкции для получения в стержнях разгружающего усилия их длина должна быть точно рассчитана, в противном случае или стержни длинные и их невозможно стянуть и выпрямить, или стержни стягиваются без образования предварительного напряжения в них. В этом случае невозможно надежное и быстрое включение в совместную работу устройства усиления и восстанавливаемого сжатого элемента конструкции.
Известно устройство для восстановления сжатых элементов (колонн), включающее металлическую обойму, выполненную из уголков, установленных по граням колонны, снабженную натяжными узлами, каждый из которых состоит из опорных элементов и натяжного винта, при этом металлическая обойма выполнена по высоте составной, а опорные элементы закреплены на их стыкуемых концах составных частей обоймы (см. А.с. SU №916722, кл. 3 Е04G 23/02. М.Д.Бойко. “Устройство для усиления колонн”. Опубл. 05.04.82. Бюл.12) [2].
К причинам, препятствующим достижению указанного ниже технического результата при использовании известного устройства восстановления, относится то, что известное устройство усиления весьма громоздкое и металлоемкое, т.к. обойма усиления выполнена на всю длину сжатого элемента, а напрягаемые стержни, выполненные из уголков, оперты на дополнительные опорные уголки; при этом опорные уголки закреплены шарнирно с фундаментом и несущими элементами перекрытия.
Наиболее близким техническим решением к изобретению по совокупности признаков является устройство, содержащее металлические предварительно напряженные распорки, упорные устройства для распорок, соединительные планки между упорными устройствами и предварительно напряженными распорками (см. “Рекомендации по оценке состояния и усилению строительных конструкций промышленных зданий и сооружений”, раздел 4, п.п.4.68-4.86. Фермы; рис.29, Д; рис.29, Ж, с.58-61, принято за прототип) [3].
К причинам, препятствующим достижению указанного ниже технического результата при использовании известного устройства для восстановления сжатых элементов, принятого за прототип, относится то, что в известном устройстве дополнительные стержни выполнены ломанными по середине, а после закрепления их концов на усиливаемом элементе выпрямлены при помощи стяжных болтов и зафиксированы в таком положении приваркой планок. При таком усилении элемента конструкции для получения в стержнях разгружающего усилия их длина должна быть точно рассчитана, в противном случае или стержни длинные и их невозможно стянуть и выпрямить, или стержни стягиваются без образования предварительного напряжения в них. В этом случае невозможно надежное и быстрое включение в совместную работу устройства усиления и восстанавливаемого сжатого элемента конструкции.
В известном устройстве велика погрешность контроля степени разгружения сжатого элемента напрягающими стержнями (распорками).
При использовании известного устройства усиления невозможно неоднократное нагружение-разгружение упорно-распорных элементов для надежного ввода их в рабочее состояние.
В известном устройстве опорные уголки для концов ветвей напряженных распорок имеют шарнирное (а не жесткое) опирание, следовательно, в процессе эксплуатации восстановленных конструкций возможны дополнительные сдвиги опорных уголков.
В случае местного повреждения сжатого элемента по длине конструкции применение известного устройства усиления дает громоздкое и материалоемкое решение, т.к. обойма усиления выполнена на всю длину сжатого элемента.
Сущность изобретения заключается в следующем. Задача, на решение которой направлено заявленное изобретение, состоит в повышении надежности и безопасности состояния восстанавливаемых сжатых элементов стропильных железобетонных ферм, получивших местные повреждения, в снижении расхода стали и материальных затрат за счет рационального восстановления их эксплуатационных качеств (в первую очередь – несущей способности и огнестойкости).
Технический результат – рациональное восстановление утраченных эксплуатационных качеств сжатого элемента железобетонной конструкции; надежное и быстрое включение в совместную работу распорок устройства при восстановлении или усилении сжатого элемента; увеличение анкерующей способности (повышение сопротивления сдвигу) упоров устройства усиления за счет возрастании сил сцепления и увеличения статического коэффициента трения металлических скоб обоймы обжатия на поверхности контакта с бетоном восстанавливаемого элемента; обеспечение оптимальной степени обжатия бетона на участке анкеровки напрягаемых распорок; повышение степени контроля разгружения сжатого элемента напряженными распорками; экономия металла; упрощение устройства усиления и повышение эффективности его работы.
Указанный технический результат при осуществлении изобретения достигается тем, что в известном устройстве для восстановления сжатых элементов, включающем металлические предварительно напрягаемые распорки, упорные элементы для распорок и соединительные планки между ними, предварительно напрягаемые распорки, оборудованные грузовыми винтами и гайками на одном или обоих концах распорок, установлены с 2-х или 4-х сторон восстанавливаемого элемента; опорные части анкерных устройств для напрягаемых распорок выполнены в виде стальных обойм обжатия с упорными столиками для грузовых винтов распорок, при этом обоймы обжатия установлены на любом заданном расстоянии друг от друга по длине восстанавливаемого элемента; каждая обойма обжатия выполнена из составных скоб с упорными ребрами на концевых участках, упорные ребра скоб оборудованы стяжными болтами; внутренняя поверхность скоб подвержена обработке для повышения сил трения покоя; смежные скобы обоймы обжатия установлены с зазором между собою и обнажены монтажными соединительными планками или стержнями.
Кроме этого, особенности устройства заключаются в том, что предварительно напрягаемые распорки выполнены из стальных стержней и/или прокатных профилей (спаренных уголков, трубы), полосовой или листовой стали с ребрами жесткости.
Концевой участок распорки без грузового винта прикреплен сваркой к поверхности упорной обоймы обжатия, являясь одновременно монтажным соединительным элементом смежных скоб.
Число Г-образных скоб обоймы принято равным четырем при условии 4-стороннего обжатия прямоугольного поперечного сечения восстанавливаемого элемента.
Число швеллерообразных скоб обоймы принимают равным двум при 2-стороннем обжатии прямоугольного поперечного сечения восстанавливаемого элемента.
Анкерные упоры (столики) обоймы обжатия для грузового винта напрягаемой распорки приварены на любом расстоянии от торцов обоймы.
В плоскости контакта со скобами обоймы поверхность обжимаемого бетона восстанавливаемого элемента имеет улучшенную шероховатость путем насечки бетонных зубов и/или углублений для бетонных шпонок.
Для максимального повышения статического коэффициента трения покоя по сочленяющейся поверхности скобы и восстанавливаемого элемента оптимальное напряжение обжатия бетона Rобж.опт принято равным
Rобж,опт=0,45·Rв,loc,
где Rв,loc – расчетное сопротивление бетона смятию, МПа (кгс/см2).
Для увеличения сопротивления бетона смятию скобой обоймы обжатия во вновь уложенном слое бетона или строительного раствора в качестве косвенного армирования установлены дополнительно арматурные сетки.
Диаметры стяжных болтов для спаренных скоб и их количество приняты по расчету в зависимости от площади смятия восстанавливаемого элемента и оптимального напряжения обжатия бетона.
Сочленяющиеся скобы обоймы обжатия утоплены “в сок” пластичного цементно-песчаного раствора состава 1:3 с выжиманием.
Толщина скобы принята из условий работы обоймы обжатия как закладной детали на сдвиг и технологических требований по сварке, но не менее 4 мм.
Напрягаемая распорка выполнена в виде металлического стержня, усиленного прокатными уголками, оборудована грузовыми винтами, уперта с одной стороны на упорную обойму, с другой стороны – на распорную обойму с опорными столиками.
Диаметр грузовых винтов и их число для напрягаемой распорки определены расчетом в зависимости от величины усилия разгружения восстанавливаемого элемента.
Величина усилия разгрузки восстанавливаемого сжатого элемента принята не более усилия сдвига обоймы обжатия.
При величине нагрузки усиления на напрягаемые распорки более усилия от сопротивления сдвигу обоймы обжатия последняя соединена сваркой с существующей рабочей арматурой восстанавливаемого элемента с помощью “коротышей” или “уток”-отгибов, выполненных из отрезков арматуры класса А 240 (A-I) или круглой стали диаметром 10-40 мм.
Высота сварного шва, соединяющего обойму обжатия с пластинами упорных столиков для грузовых винтов, а также скобы с их упорными ребрами для стяжных болтов принята по расчету на срез и изгиб, но не менее 6 мм.
Обойма 4-стороннего обжатия восстанавливаемого элемента содержит четыре Г-образные скобы из двух металлических пластин каждая, сваренных между собою в торец и соединенных стяжными болтами.
Обойма 4-стороннего обжатия восстанавливаемого элемента содержит четыре Г-образные скобы, выполненных из металлической полосы, изогнутой в средней части ее длины и на концевых участках под углом 90°, соединенных между собою стяжными болтами.
Обойма 4-стороннего обжатия восстанавливаемого элемента содержит четыре Г-образные скобы из сваренных в торец двух отрезков уголкового профиля каждая и соединенных стяжными болтами.
Обойма 2-стороннего обжатия восстанавливаемого элемента включает в себя две швеллерообразные скобы, выполненные из отрезков швеллера и соединенные стяжными болтами.
Обойма 2-стороннего обжатия восстанавливаемого элемента включает в себя две швеллерообразные скобы, выполненные из металлической полосы с изгибами и соединенные между собою стяжными болтами.
Г-образная скоба обоймы обжатия выполнена из двух металлических пластин, соединенных под углом 90°, на концевых участках которых установлены упорные ребра с отверстиями для стяжных болтов.
Г-образная скоба обоймы обжатия выполнена из металлической полосы, изогнутой в средней части ее длины и на концевых участках под углом 90°, на последних выполнены упорные ребра с отверстиями для стяжных болтов.
Г-образная скоба обоймы обжатия выполнена из двух отрезков уголкового профиля, соединенных торцами одних их полок под углом 90°, другие полки уголков использованы в качестве упорных ребер, оборудованных отверстиями для стяжных болтов.
Швеллерообразная скоба обоймы обжатия выполнена из отрезков швеллера, на концевых участках полок которого установлены упорные ребра с отверстиями для стяжных болтов.
Швеллерообразная скоба обоймы обжатия выполнена из металлической полосы, изогнутой в средней части ее длины и на концевых участках под углом 90°, с образованием упорных ребер с отверстиями для стяжных болтов.
Высота сварного шва, соединяющего элементы скобы, принята по расчету на растяжение, но не менее 6 мм.
Для предупреждения ослабевания натяжных гаек под нагрузкой на стяжные болты и грузовые винты поставлены контргайки или упругие шайбы.
После включения преднапряженных распорок в работу на металлические элементы устройства восстановления наносят защитный слой легкого бетона толщиной не менее 50 мм.
На чертежах представлено:
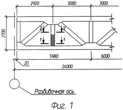
на фиг.1 изображена конструктивная схема приопорной части стропильной железобетонной фермы с участками тяжелых повреждений сжатой стойки ее решетки;
на фиг.2 изображено поперечное сечение 1-1 на фиг.1 сжатой стойки со слабыми повреждениями;
на фиг.3 – поперечное сечение 2-2 на фиг.1 стойки с тяжелыми повреждениями:
1 – сжатая стойка решетки фермы; 2 – ядро сечения сжатого элемента; 3 – деструктивный слой бетона; 4 – термонапряженная или отожженная рабочая арматура;
на фиг.4 изображено устройство для восстановления сжатой стойки фермы с установленными натяжными обоймами и напрягаемой распоркой усиления:
5 – обойма распорная с упорными столиками для грузовых винтов; 6 – обойма упорная обжатия; 7 – напрягаемая распорка усиления;
на фиг.5 – сечение 1-1 на фиг.4;
на фиг.6 – сечение 2-2 на фиг.4;
на фиг.7 – сечение 3-3 на фиг.4;
на фиг.8 – сечение 4-4 на фиг.4;
на фиг.9 изображено поперечное сечение обоймы обжатия:
8 – скоба Г-образная; 9 – упорное ребро скобы; 10 – стяжные болты; 11 – сварные швы; 12 – упорный столик; 13 – соединительная планка; 14 – “утка”-отгиб (коротыш);
на фиг.10 изображена напрягаемая распорка, сечение 1-1 на фиг.11;
на фиг.11 – то же, сечение 2-2 на фиг.10:
15 – остов (сердечник) напрягаемой распорки усиления; 16 – уголки напрягаемой распорки; 17 – грузовой винт распорки с грузовой резьбой; 18 – упорная высокая гайка остова распорки усиления; 19 – контргайка (упругая шайба); 20 – конец остова распорки для анкеровки его сваркой (коротыш);
на фиг.12 изображена Г-образная скоба из двух металлических пластин, соединенных под углом 90°;
на фиг.13 изображена Г-образная скоба из металлической полосы, изогнутой в средней ее части и на концевых участках под углом 90°;
на фиг.14 изображена Г-образная скоба из двух отрезков уголкового профиля, соединенных торцами одних их полок под углом 90°;
на фиг.15 изображена швеллерообразная скоба из отрезков швеллера с установленными ребрами на концевых участках полок его;
на фиг.16 изображена швеллерообразная скоба из металлической полосы, которая изогнута под углом 90° в двух местах в средней ее части и на концевых участках, оборудованных отверстиями для стяжных болтов.
Сведения, подтверждающие возможность осуществления изобретения с получением указанного выше технического результата.
Пример конкретного выполнения. Устройство для восстановления сжатого железобетонного элемента (стойки стропильной фермы) содержит распорную обойму обжатия 5, обойму упорную обжатия 6 и напрягаемую распорку усиления 7.
Обойма распорная обжатия 5 содержит Г-образные металлические скобы 8 (4 шт., толщина с=10 мм, марка стали С 285), по два упорных ребра скобы 9 для каждой скобы (размеры ребра в×h×l=25×50×250 мм, сталь С 285), стяжные болты 10 (4 шт., болт диаметром резьбы d=16 мм, длиной l=140 мм, l0=40 мм, с крупным шагом резьбы, головка шестигранная, класс прочности 5.8, без покрытия), сварные швы 11 (толщина ш=6 мм), упорные столики 12 (2 шт., толщина пластины n=50 мм), соединительные планки 13 (2 шт., в×h×l=25×50×250 мм), “утки”-отгибы 14 (4 16 А 240 (A-I)).
Упорная обойма обжатия 6 содержит такие же элементы как и обойма распорная 5, однако может не иметь упорных столиков 12 для остова напрягаемой распорки (случай закрепления одного конца остова напрягаемой распорки усиления 15 на упорной обойме 5 сваркой). В комплект стяжного болта 10 входят шайба и гайка (диаметр резьбы d=16 мм, шестигранная, класса точности В, высокая m=20 мм).
Напрягаемая распорка состоит из стального остова 15 (круглого d=20 мм или квадратного сечения а=20 мм), двух уголков 16 (2L 75×50×6 мм), грузового винта 17 (диаметр трапецеидальной резьбы d=20 мм, длина L=200 мм, класс прочности 5.8), упорной высокой гайки 18 (класс прочности В, шестигранная, высокая W=24 мм), контргайки 19 и коротыша 20 (d=20 мм). После введения двух напрягаемых распорок в работу на металлические элементы устройства усиления нанесен защитный слой легкого бетона толщиной не менее 50 мм.
Введение деталей устройства восстановления сжатого элемента в работу произведено следующим образом. Изготовляют в мастерских отдельные детали устройства, прикрепляют с натягом пару обойм обжатия 5 и 6 на заданном расстоянии друг от друга.
Обжатие поперечного сечения сжатого элемента обоймами 5 и 6 осуществляется натяжением скоб 8 с помощью стяжных болтов 10.
Включение в работу обойм обжатия 5 и 6 производится одновременным вращением упорных гаек стяжных болтов 10 динамометрическим ключом. Затем устанавливаются грузовые винты 17 напрягаемых распорок усиления 7 в отверстия упорных столиков 12 распорной обоймы 5 и привариваются концы остовов 15 распорок (коротыши) к Г-образным скобам 8 упорной обоймы 6 обжатия. Напряжение распорок 7 осуществляется одновременным вращением упорных гаек 18 грузовых винтов 17.
Использованием предложенного устройства для восстановления сжатого элемента устраняют неисправности и повреждения без демонтажа или предварительной разгрузки несущей конструкции, наиболее полно используя остаточную прочность при дальнейшей ее эксплуатации.
Применение предложенного устройства для восстановления поврежденного сжатого элемента позволяет восстановить эксплуатационные свойства (несущую способность) и улучшить качественные показатели: устройство просто в изготовлении и монтаже вследствие рационального использования прокатного металла, минимально число деталей; конструкция устройства снижает расходы металла в 1,5-2 раза; устройство для восстановления многоцелевое по назначению, т.к. оно одновременно разгружает и исправляет поврежденный элемент, а также, обжимая бетон, улучшает анкеровку арматуры железобетонного элемента.
Использование предложенного устройства обеспечивает надежное и быстрое включение в совместную работу распорок устройства восстановления и сжатого элемента несущей конструкции; повышает степень контроля разгружения сжатого элемента напрягаемыми распорками, дает возможность неоднократного нагружения; увеличивает анкерующую способность упоров устройства усиления за счет возрастания сил сцепления и увеличение статического трения металлических скоб обоймы обжатия на поверхности контакта с бетоном восстанавливаемого элемента; сопротивление сдвигу обоймы обжатия повышается в 4-6 раз.
Предложенное устройство применено в промышленности при восстановлении сжатых элементов решетки стропильной железобетонной фермы пролетом 24 м с параллельными поясами высотой 2,7 м, поврежденной пожаром. Восстановительные работы были проведены без остановки многопролетного промышленного здания высотой 10 м (г.Самара, 2005 г.).
Источники информации
1. А.с. SU №100439, кл. Е04G 23/02 “Способ усиления колонн” /Н.М.Онуфриев (класс 37 в, 3-03). Заявка №9351/449710 от 28.09.1953 г.
2. А.с. SU №916722, кл. 3 Е04G 23/02. “Устройство для усиления колонн”. М.Д.Бойко. Опубл. 05.04.82. Бюл.12.
3. Рекомендации по оценке состояния и усилению строительных конструкций промышленных зданий и сооружений. Раздел 4: Восстановление и усиление железобетонных конструкций: Фермы; рис.29, Д: Усиление сжатых элементов металлическими обоймами с напряженными ветвями; рис.29, Ж: Усиление сжатого элемента односторонними напряженными распорками. С.58-61.
Формула изобретения
1. Устройство для восстановления сжатых элементов, включающее металлические предварительно напряженные распорки, упорные элементы для распорок и соединительные планки между ними, отличающееся тем, что предварительно напрягаемые распорки, оборудованные грузовыми винтами и гайками на одном или обоих концах распорок, установлены с 2-х или 4-х сторон восстанавливаемого элемента; опорные части анкерных устройств для напрягаемых распорок выполнены в виде стальных обойм обжатия с упорными столиками для грузовых винтов распорок, при этом обоймы обжатия установлены на любом заданном расстоянии друг от друга по длине восстанавливаемого элемента; каждая обойма обжатия выполнена из составных скоб с упорными ребрами на концевых участках, упорные ребра скоб оборудованы стяжными болтами; внутренняя поверхность скоб подвержена обработке для повышения сил трения покоя; смежные скобы обоймы обжатия установлены с зазором между собою и снабжены монтажными соединительными планками или отрезками стержней; металлические элементы устройства после введения в работу покрыты огнезащитным покрытием.
2. Устройство по п.1, отличающееся тем, что предварительно напрягаемые распорки выполнены из стальных стержней и/или прокатных профилей, полосовой или листовой стали с ребрами жесткости.
3. Устройство по п.1, отличающееся тем, что концевой участок распорки без грузового винта прикреплен сваркой к поверхности упорной обоймы обжатия, являясь одновременно монтажным соединительным элементом смежных скоб.
4. Устройство по п.1, отличающееся тем, что число Г-образных скоб обоймы принято равным четырем при условии 4-стороннего обжатия прямоугольного поперечного сечения восстанавливаемого элемента.
5. Устройство по п.1, отличающееся тем, что число швеллерообразных скоб обоймы принимают равным двум при 2-стороннем обжатии прямоугольного поперечного сечения восстанавливаемого элемента.
6. Устройство по п.1, отличающееся тем, что анкерные упоры (столики) обоймы обжатия для грузового винта напрягаемой распорки приварены на любом расстоянии от торцов обоймы.
7. Устройство по п.1, отличающееся тем, что в плоскости контакта со скобами обоймы поверхность обжимаемого бетона восстанавливаемого элемента имеет улучшенную шероховатость путем насечки бетонных зубов и/или углублений для бетонных шпонок.
8. Устройство по п.1, отличающееся тем, что для максимального повышения статического коэффициента трения покоя по сочленяющейся поверхности скобы и восстанавливаемого элемента оптимальное напряжение обжатия бетона Rобж.опт, принято равным
Rобж.опт=0,45·Rв,loc,
где Rв,loc – расчетное сопротивление бетона смятию, МПа (кгс/см2).
9. Устройство по п.1, отличающееся тем, что для увеличения сопротивления бетона смятию скобой обоймы обжатия во вновь уложенном слое бетона или строительного раствора в качестве косвенного армирования установлены дополнительно арматурные сетки.
10. Устройство по п.1, отличающееся тем, что диаметры стяжных болтов для спаренных скоб и их количество приняты по расчету в зависимости от площади смятия восстанавливаемого элемента и оптимального напряжения обжатия бетона.
11. Устройство по п.1, отличающееся тем, что сочленяющиеся скобы обоймы обжатия утоплены «в сок» пластичного цементно-песчаного раствора состава 1:3 с выжиманием.
12. Устройство по п.1, отличающееся тем, что толщина скобы принята из условий работы обоймы обжатия как закладной детали на сдвиг и технологических требований по сварке, но не менее 4 мм.
13. Устройство по п.1, отличающееся тем, что напрягаемая распорка выполнена в виде металлического стержня, усиленного прокатными уголками, оборудована грузовыми винтами, уперта с одной стороны на упорную обойму, с другой стороны – на распорную обойму с опорными столиками.
14. Устройство по п.1, отличающееся тем, что диаметр грузовых винтов и их число для напрягаемой распорки определено расчетом в зависимости от величины усилия разгружения восстанавливаемого элемента.
15. Устройство по п.1, отличающееся тем, что величина усилия разгрузки восстанавливаемого сжатого элемента принята не более усилия сдвига обоймы обжатия.
16. Устройство по п.1, отличающееся тем, что при величине нагрузки усиления на напрягаемые распорки более усилия от сопротивления сдвигу обоймы обжатия, последняя соединена сваркой с существующей рабочей арматурой восстанавливаемого элемента с помощью «коротышей» или «уток»-отгибов, выполненных из отрезков арматуры класса А 240 (A-I) или круглой стали диаметром 10-40 мм.
17. Устройство по п.1, отличающееся тем, что высота сварного шва, соединяющего обойму обжатия с пластинами упорных столиков для грузовых винтов, а также скобы с их упорными ребрами для стяжных болтов принята по расчету на срез и изгиб, но не менее 6 мм.
18. Устройство по п.1, отличающееся тем, что обойма 4-стороннего обжатия восстанавливаемого элемента содержит четыре Г-образные скобы из двух металлических пластин каждая, сваренных между собою в торец и соединенных стяжными болтами.
19. Устройство по п.1, отличающееся тем, что обойма 4-стороннего обжатия восстанавливаемого элемента содержит четыре Г-образные скобы, выполненные из металлической полосы, изогнутой в средней части ее длины и на концевых участках под углом 90°, соединенные между собою стяжными болтами.
20. Устройство по п.1, отличающееся тем, что обойма 4-стороннего обжатия восстанавливаемого элемента содержит четыре Г-образные скобы из сваренных в торец двух отрезков уголкового профиля каждая и соединенных стяжными болтами.
21. Устройство по п.1, отличающееся тем, что обойма 2-стороннего обжатия восстанавливаемого элемента включает в себя две швеллерообразные скобы, выполненные из отрезков швеллера и соединенные стяжными болтами.
22. Устройство по п.1, отличающееся тем, что обойма 2-стороннего обжатия восстанавливаемого элемента включает в себя две швеллерообразные скобы, выполненные из металлической полосы с изгибами и соединенные между собою стяжными болтами.
23. Устройство по любому из пп.1 и 17, отличающееся тем, что Г-образная скоба обоймы обжатия выполнена из двух металлических пластин, соединенных под углом 90°, на концевых участках которых установлены упорные ребра с отверстиями для стяжных болтов.
24. Устройство по любому из пп.1 и 18, отличающееся тем, что Г-образная скоба обоймы обжатия выполнена из металлической полосы, изогнутой в средней части ее длины и на концевых участках под углом 90°, на последних выполнены упорные ребра с отверстиями для стяжных болтов.
25. Устройство по любому из пп.1 и 18, отличающееся тем, что Г-образная скоба обоймы обжатия выполнена из двух отрезков уголкового профиля, соединенных торцами одних их полок под углом 90°, другие полки уголков использованы в качестве упорных ребер, оборудованных отверстиями для стяжных болтов.
26. Устройство по любому из пп.1 и 18, отличающееся тем, что швеллерообразная скоба обоймы обжатия выполнена из отрезков швеллера, на концевых участках полок которого установлены упорные ребра с отверстиями для стяжных болтов.
27. Устройство по любому из пп.1 и 18, отличающееся тем, что швеллерообразная скоба обоймы обжатия выполнена из металлической полосы, изогнутой в средней части ее длины и на концевых участках под углом 90°, с образованием упорных ребер с отверстиями для стяжных болтов.
28. Устройство по п.1, отличающееся тем, что высота сварного шва, соединяющего элементы скобы, принята по расчету на растяжение, но не менее 6 мм.
29. Устройство по п.1, отличающееся тем, что для предупреждения ослабевания натяжных гаек под нагрузкой на стяжные болты и грузовые винты поставлены контргайки или упругие шайбы.
30. Устройство по п.1, отличающееся тем, что после включения преднапряженных распорок в работу на металлические элементы устройства восстановления наносят защитный слой легкого бетона толщиной не менее 50 мм.
РИСУНКИ
MM4A – Досрочное прекращение действия патента СССР или патента Российской Федерации на изобретение из-за неуплаты в установленный срок пошлины за поддержание патента в силе
Дата прекращения действия патента: 04.10.2007
Извещение опубликовано: 20.05.2009 БИ: 14/2009
|