|
|
(21), (22) Заявка: 2004101716/14, 23.01.2004
(24) Дата начала отсчета срока действия патента:
23.01.2004
(43) Дата публикации заявки: 10.07.2005
(46) Опубликовано: 20.10.2007
(56) Список документов, цитированных в отчете о поиске:
WO 02060524 A1, 08.08.2002. US 6368275 B1, 04.09.2002. ЕР 0872262 А, 21.10.1998. Л.В.ОСИПОВ. Ультразвуковые диагностические приборы. – М.: ВИДАР, 1999, с.27-158.
Адрес для переписки:
103006, Москва, пер. Воротниковский, 5/9, кв.4, пат.пов. Г.А.Флястер
|
(72) Автор(ы):
Свет Виктор Дарьевич (RU), Галыбин Николай Николаевич (RU), Маев Роман Григорьевич (RU)
(73) Патентообладатель(и):
Свет Виктор Дарьевич (RU), Галыбин Николай Николаевич (RU), Маев Роман Григорьевич (RU)
|
(54) СПОСОБ УЛЬТРАЗВУКОВОЙ ДИАГНОСТИКИ И УСТРОЙСТВО ДЛЯ ЕГО РЕАЛИЗАЦИИ
(57) Реферат:
Изобретение относится к области медицинского приборостроения и может быть использовано для неинвазивного определения температуры биологических объектов внутри живого организма. Способ ультразвуковой диагностики заключается во введении в кровь обследуемого пациента эхо-контрастного вещества, генерации ультразвуковых импульсных сигналов, приеме и преобразовании в электрические отраженных от исследуемого органа эхосигналов, определении значения их амплитуд, выделении участков спектра отраженного акустического сигнала и формировании изображения органа обследуемого пациента. На этапе подготовки к проведению обследования образец эхо-контрастного вещества, содержащего газонаполненные микропузырьки, доводят до температуры наименьшего значения в исследуемом температурном диапазоне и облучают ультразвуковым сигналом, отраженные эхосигналы преобразовывают в электрические и выделяют сигнал максимальной амплитуды, измеряют и фиксируют конкретное значение частоты преобразованного электрического сигнала, формируют и запоминают соответствующий этому значению частоты кодовый электрический сигнал. Образец сканируют с заранее установленным шагом и повторяют процедуру измерения значения частоты преобразованного электрического сигнала, после чего изменяют на установленный заранее шаг значение температуры образца и повторяют измерение. При проведении обследования пациента в соответствии с установленным режимом сканирования излучают широкополосный импульсный сигнал, в спектральный состав которого входят составляющие спектра сигнала температуры, при этом каждый принятый отраженный акустический сигнал преобразовывают в электрический и одновременно с формированием сигнала изображения объекта исследования дополнительно выделяют участки спектра, соответствующие значениям резонансных частот эхо-контрастного вещества, детектируют и сравнивают амплитудные значения соответствующих сигналов, выбирают электрический сигнал максимальной амплитуды, измеряют и запоминают соответствующее ему значение частоты, формируют кодовый сигнал и сравнивают его с эталонными кодовыми сигналами, при их совпадении присваивают полученное значение температуры соответствующей точке изображения органа обследуемого пациента. Устройство для ультразвуковой диагностики содержит ультразвуковой преобразователь, соединенный через коммутатор каналов с блоком формирования J акустических каналов, приемник сигналов изображения, связанный со сканконвертором, блок памяти, блок сравнения, вычислитель и монитор. Дополнительно в устройство введены К-ступенчатый регулятор температуры термостата для размещения образца эхо-контрастного вещества, частотомер, многоканальный J·N приемник, содержащий J блоков N канальных последовательно соединенных полосовых фильтров, детекторов и интеграторов, J блоков выбора сигнала максимальной амплитуды и блок сравнения. Использование изобретения позволяет расширить функциональные возможности ультразвуковой диагностики. 2 н.п. ф-лы, 4 ил.
Изобретение относится к области медицинского приборостроения и может быть использовано для неинвазивного определения температуры биологических объектов внутри живого организма.
Известен способ измерения температуры в глубине биологического объекта путем размещения приемника на поверхности объекта исследования, регистрации акустических шумов акустическим приемником, сравнения полученного сигнала с опорным сигналом, который регистрируют вне полосы акустического приемника при одновременном измерении температуры акустического приемника, формировании корректирующих сигналов, учитывающих дрейф параметров преобразователя и расчета по полученным данным температуры тела внутри объекта. (Описание изобретения к патенту РФ №2061408, БИ №16, 1996 г.)
Недостатки данного способа заключаются в низком пространственном разрешении, значительном времени измерения (сотни секунд) и наличии непредсказуемых ошибок измерения температуры типа ошибок смещения, так как измеряется не сама температура, а величина, пропорциональная произведению температуры на частотный коэффициент акустического поглощения ткани, который в конкретном биологическом органе заранее не известен, а также в том, что он не предусматривает одновременного формирования ультразвукового изображения исследуемого органа.
Наиболее близким техническим решением, т.е. прототипом является способ ультразвуковой диагностики, заключающийся во введении в кровь обследуемого пациента эхо-контрастного вещества, генерации ультразвуковых импульсных сигналов, приеме и преобразовании в электрические отраженных от исследуемого органа эхосигналов, определении значения их амплитуд, выделении участков спектра отраженного акустического сигнала и формировании изображения органа обследуемого пациента. (Л.В.Осипов. Ультразвуковые диагностические приборы. Москва: ВИДАР, 1999, стр.32-42; 63-127.)
Недостатком данного способа является невозможность при проведении ультразвукового обследования пациента одновременно проводить измерение температуры тканей внутренних органов, чрезвычайно важного для диагностики опухолевых, например онкологических, заболеваний.
Известно устройство, содержащее приемник акустического излучения в виде заполненной иммерсионной жидкостью камеры с входным окном и размещенным в ней пьезоэлектрическим преобразователем, высокочастотный усилитель, блок выделения спектральных составляющих, включающий последовательно соединенные квадратичный детектор и фильтр низких частот, измеритель температуры камеры с датчиком температуры, блоки регистрации и индикации, а также подключенный ко входу пьезоэлектрического преобразователя многочастотный полосовой фильтр, выход которого подключен ко входу блока выделения спектральных составляющих. (Описание изобретения к патенту РФ №2061408, БИ №16, 1996.)
Недостатком данного устройства является низкое пространственное разрешение, наличие ошибок смещения и невозможность одновременно с измерением температуры получать визуальное отображение исследуемого органа.
Наиболее близким техническим решением, т.е. прототипом, является устройство для ультразвуковой диагностики, содержащее ультразвуковой преобразователь, соединенный двухсторонними линиями связи через коммутатор каналов с блоком формирования J акустических каналов, приемник сигналов изображения, связанный со сканконвертором, блок памяти, блок сравнения, вычислитель и монитор. (Л.В.Осипов. Ультра-звуковые диагностические приборы, Москва, ВИДАР, 1999, стр.70-97.)
Недостатком известного устройства является невозможность при проведении ультразвукового обследования пациента одновременно проводить измерение температуры тканей внутренних органов.
Техническим результатом изобретения является расширение функциональных возможностей способа ультразвуковой диагностики при проведении медико-биологических исследований человека и животных путем обеспечения возможности одновременного измерения температуры и получения ультразвукового изображения внутренних органов.
Сущность заявленного способа ультразвуковой диагностики заключается во введении в кровь обследуемого пациента эхо-контрастного вещества, генерации ультразвуковых импульсных сигналов, приеме и преобразовании в электрические отраженных от исследуемого органа эхосигналов, определении значения их амплитуд, выделении участков спектра отраженного акустического сигнала и формировании изображения органа обследуемого пациента, причем на этапе подготовки к проведению обследования образец эхо-контрастного вещества, содержащего газонаполненные микропузырьки, доводят до температуры наименьшего значения в исследуемом температурном диапазоне и облучают ультразвуковым сигналом, отраженные эхосигналы преобразовывают в электрические и выделяют сигнал максимальной амплитуды, измеряют и фиксируют конкретное значение частоты преобразованного электрического сигнала, формируют и запоминают соответствующий этому значению частоты кодовый электрический сигнал, сканируют образец с заранее установленным шагом и повторяют процедуру измерения значения частоты преобразованного электрического сигнала, после чего изменяют на установленный заранее шаг значение температуры образца и повторяют измерение, полученные значения частоты преобразованного электрического сигнала для каждого значения температуры усредняют и формируют библиотеку эталонных кодовых сигналов соответствия частоты преобразованного электрического сигнала температуре конкретного эхо-контрастного вещества, после чего при проведении обследования пациента в соответствии с установленным режимом сканирования излучают широкополосный импульсный сигнал, в спектральный состав которого входят составляющие спектра сигнала температуры, при этом каждый принятый отраженный акустический сигнал преобразовывают в электрический и одновременно с формированием сигнала изображения объекта исследования дополнительно выделяют участки спектра, соответствующие значениям резонансных частот эхо-контрастного вещества, детектируют и сравнивают амплитудные значения соответствующих сигналов, выбирают электрический сигнал максимальной амплитуды, измеряют и запоминают соответствующее ему значение частоты, формируют кодовый сигнал и сравнивают его с эталонными кодовыми сигналами, при их совпадении присваивают полученное значение температуры соответствующей точке изображения органа обследуемого пациента.
Сущность заявленного устройства для реализации способа ультразвуковой диагностики заключается в том, что в устройство, содержащее ультразвуковой преобразователь, соединенный двухсторонними линиями связи через коммутатор каналов с блоком формирования J акустических каналов, приемник сигналов изображения, связанный со сканконвертором, блок памяти, блок сравнения, вычислитель и монитор, дополнительно введены К-ступенчатый регулятор температуры термостата, для размещения образца эхо-контрастного вещества, частотомер, многоканальный J·N приемник, содержащий J блоков N канальных последовательно соединенных полосовых фильтров, детекторов и интеграторов, J блоков выбора сигнала максимальной амплитуды и блок сравнения, причем первый и второй входы блока формирования акустических сигналов соединены соответственно с выходом генератора и выходом блока развертки, выход блока формирования акустических сигналов через приемник сигналов изображения и сканконвертор соединен с входом блока памяти, первый выход которого подключен к монитору, вход К-ступенчатого регулятора температуры подключен к второму выходу блока памяти, а выход – к блоку развертки, вход частотомера подключен к второму выходу приемника сигналов изображения, а выход соединен с вторым входом блока памяти, при этом третий выход приемника сигналов изображения одновременно подключен ко входам J блоков N полосовых фильтров, выходы каждого из N интеграторов соединены с соответствующими входами J блоков выбора сигнала максимальной амплитуды, выходы которых подключены к соответствующим входам блока сравнения, соединенного двухсторонней линией связи с блоком памяти, причем третий выход блока памяти через вычислитель подключен к его третьему входу, а четвертый выход блока памяти соединен с входом блока развертки.
Техническая реализация заявленного устройства для ультразвуковой диагностики осуществляется на элементной базе современной микроэлектроники и показана на примере его работы.
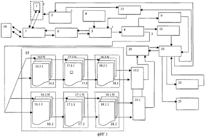
На фиг.1 представлена функциональная схема устройства, где: образец эхо-контрастного вещества – 1, термостат – 2, К-ступенчатый регулятор температуры – 3, генератор – 4, блок формирования J пространственных акустических каналов – 5, коммутатор каналов – 6, ультразвуковой преобразователь – 7, приемник сигналов изображения – 8, частотомер – 9, блок памяти – 10, блок развертки – 11, вычислитель – 12, сканконвертор – 13, диагностируемый орган – 14, многоканальный J·N приемник – 15, J блоков N канальных полосовых фильтров 16.1.1-16.J.N, детекторов 17.1.1-17.J.N, интеграторов 18.1.1-18.J.N, J блоков выбора сигнала максимальной амплитуды 19.1-19.J, блок сравнения – 20, монитор – 21.
На фиг.2 представлены результаты экспериментального исследования изменения значения резонансной частоты от температуры для эхо-контрастного вещества «Левовист».
На фиг.3 представлены результаты экспериментального определения спектра эхо-сигнала при температуре 40°С для контрастного вещества «Левовист».
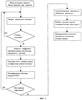
На фиг.4 представлен алгоритм работы блоков выбора максимального значения амплитуды сигнала.
Работает устройство следующим образом. Известно, что при ультразвуковой диагностике для повышения чувствительности и разрешающей способности приборов при обследовании кровеносных сосудов используются эхо-контрастные вещества, которые представляют собой специальные эмульсии, состоящие из большого числа газонаполненных микрочастиц в жидкости. [Lars Hoff. Acoustic characterization of contrast agents for medical ultrasound imaging, Kluwer Academic Publishers, 2001, 207 pp.]
Каждая микрочастица имеет близкую к сферической специализированную оболочку заданного радиуса и толщины, внутри которой находится пузырек газа. Оболочка обычно выполнена из галактозы, альбумина или других биополимеров.
Газовый пузырек малого радиуса, помещенный в жидкость, будет испытывать адиабатическое изменение объема при изменении температуры окружающей его среды. Если подобный микропузырек находится в поле ультразвуковой волны, то его резонансная частота, зависящая от радиуса и внутреннего давления, будет соответственно изменяться от температуры окружающей его жидкости (органа).
Для каждой конкретной партии температурную зависимость значений резонансных частот эхо-контрастного вещества получают экспериментально перед проведением обследования пациента.
Для этого порцию эхо-контрастного вещества 1 помещают в термостат 2 и К-ступенчатым регулятором температуры 3 устанавливают ее наименьшее значение Т1 в исследуемом температурном диапазоне.
В генераторе 4 формируют электрический сигнал, необходимый для создания, ультразвуковой волны, который подают через 1-ый вход последовательно соединенных двухсторонними линиями связи блока формирования J пространственных акустических каналов 5 и коммутатора каналов 6 к ультразвуковому преобразователю 7, работающему в режиме передачи, на выходе которого формируют один или несколько акустических лучей, а затем переключают ультразвуковой преобразователь 7 с помощью коммутатора каналов 6 в режим приема отраженных сигналов.
Отраженный от микропузырьков акустический сигнал принимают и преобразовывают в электрический сигнал ультразвуковым преобразователем 7 и через последовательно соединенные коммутатор каналов 6 и блок формирования J пространственных акустических каналов 5 подают на 1-ый вход приемника сигналов изображения 8, с второго выхода которого соответствующий электрический сигнал поступает на вход частотомера 9. С выхода частотомера 9 сигналы, соответствующие значению резонансной частоты эхо-контрастного вещества по глубине его проникновения при температуре Т1, подают на второй вход блока памяти 10. После завершения процедуры записи на четвертом выходе блока памяти 10 формируют управляющий сигнал, который подают на вход блока развертки 11, где вырабатывают разрешающий сигнал на перемещение в пространстве акустических лучей с заранее установленным шагом, который с его выхода подают на 2-ой вход блока формирования J пространственных акустических каналов 5. Эту процедуру повторяют, изменяя местоположение анализирующих лучей в пределах габаритных размеров пробника, в котором помещено ЭКВ. В связи с возможным большим разбросом геометрических размеров собственно капсул с микропузырьками необходимый объем выборки определяют в зависимости от устойчивости показаний частотомера по отношению к требуемой точности измерения.
После завершения измерений при температуре Т1 на 2-ом выходе блока памяти 10 формируют управляющий сигнал, который подают на вход N ступенчатого регулятора температуры 3 и устанавливают в соответствии с заданным шагом изменения температуры последовательно следующие требуемые значения температуры в диапазоне Т2-Тmax. По достижении Тmax на 2-ом выходе К ступенчатого регулятора температуры 3 формируют управляющий сигнал, по которому устанавливают блок развертки 11 в следующее положение и повторяют всю процедуру измерения значения резонансной частоты.
После завершения измерений в требуемом диапазоне температур Т1-Тmax по каждому проведенному циклу вычисляют среднее значение резонансной частоты и среднее значение отклонения от этой частоты, обусловленное неоднородностью размеров капсул, и запоминают результат. Для этого после завершения записи последнего результата в последнем цикле измерений с 3-его выхода блока памяти 10 подают на вход вычислителя 12 для каждого диапазона температур кодовые сигналы, соответствующие измеренным значениям частот, вычисляют среднее значение резонансной частоты и среднее значение отклонения от этого значения и соответствующие этим значениям сигналы подают на 2-ой вход блока памяти 10, где их запоминают в соответствующем разделе.
Результаты соответствующей экспериментальной проверки в качестве примера приведены на фиг.2 и фиг.3.
При проведении обследования, когда объектом исследования становится диагностируемый орган 14 человека (или животного), эхо-контрастное вещество вводят в его кровь, а ультразвуковой преобразователь 7 устанавливают таким образом, чтобы было возможно осуществить сканирование исследуемого органа ультразвуковым лучом по углу и дальности. В блоке развертки 11 формируют сигналы, определяющие порядок формирования акустических лучей при сканировании в зависимости от типа используемого преобразователя, которые подают на 2-ой вход блока формирования J пространственных акустических каналов 5. В результате по каждому угловому направлению j (вдоль сформированного луча) излучают широкополосный импульсный сигнал, в спектральный состав которого входят и составляющие спектра сигнала температуры.
По каждому угловому направлению принимают ультразвуковым преобразователем 7 отраженные эхосигналы от различных структур объекта, которые через коммутатор каналов 6 и блок формирования J пространственных акустических каналов 5 подают на вход приемника сигналов изображения 8. С 2-го выхода блока приемника сигналов изображения 8 соответствующий электрический сигнал обследуемого органа поступает на вход сканконвертора 13, где осуществляют преобразование аналогового информационного сигнала, полученного в полярной системе координат при анализе вдоль акустических лучей, в цифровой сигнал в декартовой систем координат. На выходе сканконвертора 13 формируют кодовый сигнал, содержащий информацию о местоположении анализируемой точки пространства на экране монитора, яркости этой точки, и резервируют место для записи кодового слова, несущего информацию о температуре этой точки изображения, который подают на 2-ой вход блока памяти 10.
Одновременно с 3-го выхода приемника сигналов изображения 8 сигнал поступает на вход многоканального J·N приемника 15 в блоки полосовых фильтров 16.1-16.J, причем каждый блок содержит N фильтров, где значение N=(Tmax-Tmin)/ Т, a T – шаг дискретизации шкалы температуры. Общее число наборов J определяется количеством акустических каналов, одновременно участвующих в сканировании объекта. Выход каждого полосового фильтра 16.1-16.N в каждом из J блоков через последовательно соединенные детекторы 17.1-17.N, например квадратичные и интеграторы 18.1-18.N, например, в виде RC цепи подключен к блоку выбора максимального значения амплитуды сигнала температуры 19.1-19.J, где фиксируют, например, условный номер цепи фильтр-детектор-интегратор, в которой обнаружен сигнал максимальной амплитуды, и формируют соответствующий этому номеру кодовый сигнал. Блок выбора максимального значения амплитуды сигнала может быть выполнен, например, на базе программируемого микропроцессора по алгоритму, приведенному на фиг.4.
Сигналы с выходов блоков выбора максимального значения амплитуды сигнала 19.1-19.J подают на соответствующий вход блока сравнения 20, на (J+1) вход которого по двухсторонней линии связи подают созданные на подготовительном этапе эталонные кодовые сигналы шкалы температуры из соответствующего раздела блока памяти 10. При обнаружении совпадения поступившего в блок сравнения 20 сигнала с одним из эталонных сигналов на выходе блока сравнения 20 формируют соответствующий кодовый сигнал, который по двухсторонней линии связи подают на вход блока памяти 10 и запоминают в соответствующем разделе, присваивая данной точке пространства измеренное значение температуры.
Таким образом, каждому элементу обследуемого объекта ставится в соответствие как конкретное значение амплитуды сигнала изображения, так и конкретное значение температуры этого элемента изображения. Например, блок сравнения 20 может быть выполнен таким образом, что каждому элементу изображения с координатами (Xi; Yj) ставят в соответствие условный цвет в зависимости от измеренной температуры соответствующего участка внутренних органов.
С 1-го выхода блока памяти сигнал изображения совместно с сигналом, содержащим информацию о температуре, подают на монитор 21.
Использование заявленного изобретения позволит решить задачу одновременного исследования состояния внутренних органов биологических объектов по их ультразвуковому изображению и температурному режиму в различных сечениях по глубине проведенного обследования, что в значительной мере повысит достоверность проведенной диагностики.
Формула изобретения
1. Способ ультразвуковой диагностики, заключающийся во введении в кровь обследуемого пациента эхо-контрастного вещества, генерации ультразвуковых импульсных сигналов, приеме и преобразовании в электрические отраженных от исследуемого органа эхосигналов, определении значения их амплитуд, выделении участков спектра отраженного акустического сигнала и формировании изображения органа обследуемого пациента, отличающийся тем, что на этапе подготовки к проведению обследования образец эхо-контрастного вещества, содержащего газонаполненные микропузырьки, доводят до температуры наименьшего значения в исследуемом температурном диапазоне и облучают ультразвуковым сигналом, отраженные эхосигналы преобразовывают в электрические и выделяют сигнал максимальной амплитуды, измеряют и фиксируют конкретное значение частоты преобразованного электрического сигнала, формируют и запоминают соответствующий этому значению частоты кодовый электрический сигнал, сканируют образец с заранее установленным шагом и повторяют процедуру измерения значения частоты преобразованного электрического сигнала, после чего изменяют на установленный заранее шаг значение температуры образца и повторяют измерение, полученные значения частоты преобразованного электрического сигнала для каждого значения температуры усредняют и формируют библиотеку эталонных кодовых сигналов соответствия частоты преобразованного электрического сигнала температуре конкретного эхо-контрастного вещества, после чего при проведении обследования пациента в соответствии с установленным режимом сканирования излучают широкополосный импульсный сигнал, в спектральный состав которого входят составляющие спектра сигнала температуры, при этом каждый принятый отраженный акустический сигнал преобразовывают в электрический и одновременно с формированием сигнала изображения объекта исследования дополнительно выделяют участки спектра, соответствующие значениям резонансных частот эхо-контрастного вещества, детектируют и сравнивают амплитудные значения соответствующих сигналов, выбирают электрический сигнал максимальной амплитуды, измеряют и запоминают соответствующее ему значение частоты, формируют кодовый сигнал и сравнивают его с эталонными кодовыми сигналами, при их совпадении присваивают полученное значение температуры соответствующей точке изображения органа обследуемого пациента.
2. Устройство для ультразвуковой диагностики, содержащее ультразвуковой преобразователь, соединенный двухсторонними линиями связи через коммутатор каналов с блоком формирования J акустических каналов, приемник сигналов изображения, связанный со сканконвертором, блок памяти, блок сравнения, вычислитель и монитор, отличающееся тем, что в него дополнительно введены К-ступенчатый регулятор температуры термостата для размещения образца эхо-контрастного вещества, частотомер, многоканальный J·N приемник, содержащий J блоков N канальных последовательно соединенных полосовых фильтров, детекторов и интеграторов, J блоков выбора сигнала максимальной амплитуды и блок сравнения, причем первый и второй входы блока формирования акустических сигналов соединены, соответственно, с выходом генератора и выходом блока развертки, выход блока формирования акустических сигналов через приемник сигналов изображения и сканконвертор соединен с входом блока памяти, первый выход которого подключен к монитору, вход К-ступенчатого регулятора температуры подключен ко второму выходу блока памяти, а выход – к блоку развертки, вход частотомера подключен к второму выходу приемника сигналов изображения, а выход – соединен с вторым входом блока памяти, при этом третий выход приемника сигналов изображения одновременно подключен ко входам J блоков N полосовых фильтров, выходы каждого из N интеграторов соединены с соответствующими входами J блоков выбора сигнала максимальной амплитуды, выходы которых подключены к соответствующим входам блока сравнения, соединенного двухсторонней линией связи с блоком памяти, причем третий выход блока памяти через вычислитель подключен к его третьему входу, а четвертый выход блока памяти соединен с входом блока развертки.
РИСУНКИ
MM4A – Досрочное прекращение действия патента СССР или патента Российской Федерации на изобретение из-за неуплаты в установленный срок пошлины за поддержание патента в силе
Извещение опубликовано: 20.10.2008 БИ: 29/2008
|
|