|
|
(21), (22) Заявка: 2005125632/09, 12.08.2005
(24) Дата начала отсчета срока действия патента:
12.08.2005
(43) Дата публикации заявки: 20.02.2007
(46) Опубликовано: 10.10.2007
(56) Список документов, цитированных в отчете о поиске:
SU 1663778 A1, 15.07.1991. WO 2004030374 A1, 08.04.2004. US 6727935 В1, 27.04.2004. WO 03/015293 A3, 20.02.2003. JP 2001177837 А, 29.06.2001. JP 1272280 А, 31.10.1989.
Адрес для переписки:
105064, Москва, ул. Казакова, 16, НИИР Канцелярия “Патентные поверенные Квашнин, Сапельников и партнеры”, пат.пов. В.П.Квашнину
|
(72) Автор(ы):
Зубарев Юрий Борисович (RU), Сагдуллаев Юрий Сагдуллаевич (RU), Джалябов Владимир Юрьевич (RU), Сагдуллаев Тимур Юрьевич (RU)
(73) Патентообладатель(и):
ООО “МУЛЬТИМЕДИАКОМ” (RU)
|
(54) СПОСОБ КОДИРОВАНИЯ И ДЕКОДИРОВАНИЯ СИГНАЛОВ
(57) Реферат:
Изобретение относится к области передачи изображений и сигналов в технике связи и может быть использовано для одновременной передачи и приема N цифровых сигналов в технике связи. Технический результат – обеспечение передачи одного или совместной передачи нескольких N синхронных аналоговых ТВ сигналов многоградационных изображений или иных цифровых сигналов в М – раз меньшей частотной полосе одного аналогового сигнала, преобразованного в цифровую форму, достигается тем, что используется способ кодирования и декодирования сигналов, предусматривающий на передающей стороне объединение N синхронных цифровых сигналов в один многоуровневый результирующий сигнал S, р-кратное преобразование исходного многоуровневого результирующего сигнала S в новый многоуровневый результирующий сигнал Sp путем выполнения аналогово-цифровых и цифроаналогового преобразований сигналов в отдельных последовательно соединенных звеньях обработки сигналов. На приемной стороне осуществляются обратные операции над сигналами по сравнению с передающей стороной. 2 з.п. ф-лы, 3 ил., 1 табл.
Изобретение относится к области передачи изображений и сигналов в системах связи. Оно может быть использовано для одновременной передачи и приема в меньшей частотной полосе одного аналогового сигнала, преобразованного в цифровую форму, N синхронных аналоговых телевизионных сигналов многоградационных изображений, формируемых, например, с помощью ТВ-камер или других источников сигналов черно-белых, цветных, спектрозональных, объемных, или иных многоградационных изображений, а также для совместной передачи N цифровых сигналов в системах связи, одновременной записи и консервации N синхронных ТВ сигналов многоградационных изображений или иных сигналов, и может найти применение в системах видеонаблюдения, видеосвязи, видео “по требованию”, при трансляции программ телевидения, в мультимедийных системах передачи видеоинформации, в системах передачи данных телеметрии, при передаче сигналов телевидения высокой четкости, спектрозонального телевидения, в ТВ системах дистанционного зондирования поверхности Земли и в других системах, при совместной передаче N сигналов в системах связи.
Скорость передачи ТВ сигнала в цифровой форме равна произведению частоты дискретизации fd и числа двоичных символов в одном дискретном отсчете:

где k – число двоичных символов в кодовой комбинации одного отсчета.
С другой стороны известно, что должно выполняться условие, при котором fd 2fв, где fв – верхняя граничная частота ТВ сигнала, значение которой в первом приближении может быть представлено в виде

где к – формат кадра, Z – число строк разложения, к·Z2 – общее число элементов разложения в ТВ изображении, n – число передаваемых кадров в сек.
Согласно табл.1 рассмотрим, для примера, основные виды источников ТВ сигналов, у которых первичные сигналы формируются в аналоговом виде.
| Таблица 1 |
| Источники ТВ сигналов |
Количество первичных аналоговых сигналов (N) |
Наименование аналоговых сигналов |
Базовая скорость передачи цифрового ТВ сигнала без сжатия (С) |
| Черно-белая ТВ камера |
1 |
яркостной сигнал ЕY |
108 Мбит/с |
| Цветная ТВ камера |
по классической схеме – 3 |
Сигналы цветности ER, EG, ЕB |
216 Мбит/с |
| Черно-белая камера объемного телевидения |
2 |
яркостной сигнал EY для правой и левой стереопары |
216 Мбит/с |
| Цветная камера объемного телевидения |
4 или 6 |
яркостной сигнал ЕY правой стереопары, сигналы цветности ER, EG, ЕB левой стереопары, или сигналы цветности для правой и левой стереопары |
326 Мбит/с 436 Мбит/с |
| Спектрозональная ТВ камера |
2 N D |
зональные сигналы Е i |
от 216 Мбит/с до N×108 Мбит/с |
| Цветная камера ТВ высокой четкости (ТВЧ) |
по классической схеме – 3 |
сигналы цветности ER, EG, ЕB |
1 Гбит/с |
Для решения тех или иных задач передачи видеоинформации могут быть использованы отдельные источники ТВ сигналов, приведенные в табл.1, или совместно несколько таких источников. Общее количество первичных аналоговых сигналов при этом может быть равным N, что естественно приведет к необходимости увеличения пропускной способности каналов связи при одновременной передаче всех сигналов.
Как видно из табл.1, для рассмотренных источников ТВ сигналов, представленных в цифровой форме, актуальны способы, позволяющие уменьшить полосу частот передаваемых радиосигналов, и особенно при передаче сигналов ТВЧ с высоким разрешением изображений или при передаче большого числа сигналов спектрозонального телевидения в задачах дистанционного зондирования поверхности Земли и других планет. Такая же задача возникает в системах связи при совместной передаче большого числа сигналов, когда в качестве источников информации используются любые другие известные датчики сигналов, формирующие аналоговые сигналы или цифровые сигналы, представленные в двоичном коде и требующие одновременной их передачи в меньшей частотной полосе пропускания канала связи.
Известны системы и способы передачи телевизионных сигналов многоградационных изображений (US 6727935, H04N 7/14, 27.04.2004, DE 10249221, H04N 7/14, 06.05.2004, СА 2455501, H04N 7/14, 2003, WO 2004030374, H04N 7/14, 08.04.2004). Однако указанные способы предполагают наличие широкополосного канала передачи.
Известны основные принципы построения систем цифрового телевидения и обработки сигналов, например компонентное цифровое кодирование на основе аналогового мультиплексирования сигналов, а также гибридного мультиплексирования составляющих сигналов или компонентное цифровое кодирование на основе их цифрового мультиплексирования (см. Птачек М. Цифровое телевидение: Теория и техника / Пер. с чеш. Под ред. Л.С.Виленчика. – М.: Радио и связь, 1990. – 528 с).
Известны также способы формирования, обработки и передачи цифровых ТВ сигналов, которые нашли отражение во множестве отечественных и зарубежных публикациях, например, некоторые из них: см. Новаковский С.В., Котельников А.В. Новые системы телевидения. Цифровые методы обработки видеосигналов. – М.: Радио и связь, 1992. – 88 с., Цифровая обработка телевизионных и компьютерных изображений / Под ред. Ю.Б.Зубарева и В.П.Дворковича. – М.: Международный Центр научной и технической информации, 1997. – 212 с., Цифровое телевидение / Под ред. Н.С.Мамаева. – М.: Горячая линия – Телеком, 2001. – 180 с., Зубарев Ю.Б., Сагдуллаев Ю.С. Спектральная селекция оптических изображений. Изд-во ФАН АН РУз. Ташкент, 1987 – 108 с. Распознавание оптических изображений. / Под общ. ред. Ю.С.Сагдуллаева, В.С.Титова, Ташкент, 2000 – 315 с., а также Смирнов А.В. Основы цифрового телевидения: Учебное пособие. – М.: Горячая линия – Телеком, 2001. – 224 с.: ил.). В последней работе, на стр.35, представлен вариант структурной схемы формирователя цифрового телевизионного сигнала в соответствии с Рекомендацией ITU-R ВТ 601.
Известны принципы построения систем ТВЧ и методы уплотнения сигналов, а также методы уменьшения требуемой полосы частот радиоканала для сигналов ТВЧ (см. Телевидение: Учебник для вузов / В.Е.Джакония, А.А.Гоголь, Я.В.Друзин и др.; Под ред. В.Е.Джаконии. – М.: Радио и связь, 2000, 640 с.: ил.)
В качестве наиболее близкого аналога заявляемого изобретения по совокупности признаков и операций над сигналами принят способ передачи синхронных телевизионных сигналов многоградационных изображений (заявка в Патентное ведомство РФ от 11 июня 2004 года за №2004117747, положительное решение от 30 мая 2005 года), включающий на передающей стороне операции обработки и преобразования N синхронных аналоговых ТВ сигналов в N синхронных цифровых ТВ сигналов путем их аналого-цифрового преобразования, формирования цифровых сигналов синхронизации, передачу сигнала по каналу связи, а на приемной стороне осуществляются обратные операции над сигналами по сравнению с передающей стороной, в котором после формирования цифровых сигналов синхронизации осуществляют их объединение в один многоуровневый результирующий сигнал S путем цифроаналогового преобразования N синхронных цифровых сигналов, далее многоуровневый результирующий сигнал S суммируют с сигналом синхронизации, усиливают его и передают по каналу связи, а на приемной стороне снова усиливают многоуровневый результирующий сигнал S, выделяют из него сигналы синхронизации, формируют тактовые и управляющие импульсы, далее выполняют операцию аналого-цифрового преобразования многоуровневого результирующего сигнала S и формируют N синхронных цифровых ТВ сигналов в последовательном коде, после чего выполняют обратные передающей стороне операции над сигналами, а именно, каждый цифровой сигнал, представленный в последовательном коде, преобразуют в параллельный n-разрядный двоичный код, затем осуществляют формирование N исходных аналоговых синхронных ТВ сигналов многоградационных изображений путем их цифроаналогового преобразования.
Данный способ обеспечивает совместную передачу N синхронных аналоговых ТВ сигналов в частотной полосе одного аналогового сигнала, представленного в цифровой форме. Вместе с тем, предлагаемая схема обработки аналоговых сигналов и принятая последовательность операций над сигналами не позволяет обеспечить передачу одного или совместную передачу N синхронных ТВ сигналов многоградационных изображений в М-раз меньшей полосе частот, отводимой для передачи одного аналогового сигнала, преобразованного в цифровую форму. Это ограничивает применение данного способа для совместной передачи N сигналов по каналам связи с меньшей пропускной способностью.
Технический результат – обеспечение передачи одного или совместной передачи нескольких N синхронных аналоговых ТВ сигналов многоградационных изображений или иных цифровых сигналов в М-раз меньшей частотной полосе одного аналогового сигнала, преобразованного в цифровую форму.
Технический результат достигается за счет того, что в отличие от известного способа передачи синхронных ТВ сигналов многоградационных изображений, включающего на передающей стороне операции обработки и преобразования N синхронных аналоговых ТВ сигналов в N синхронных цифровых ТВ сигналов путем аналогово-цифрового преобразования, их объединение в один многоуровневый результирующий сигнал S путем цифроаналогового преобразования N синхронных цифровых сигналов, представленных в последовательном коде, формирования цифровых сигналов синхронизации, суммирования многоуровневого результирующего сигнала S с сигналом синхронизации, его усиления и передачи по каналу связи, а на приемной стороне выполнение обратных операций над сигналами, включающих формирования сигналов синхронизации, тактовых и управляющих импульсов, аналого-цифрового преобразования многоуровневого результирующего сигнала S с формированием N синхронных цифровых ТВ сигналов в последовательном коде, преобразовании их в параллельный n-разрядный двоичный код, формирование N исходных аналоговых синхронных ТВ сигналов многоградационных изображений путем цифроаналогового преобразования, на передающей стороне вводится операция преобразования исходного многоуровневого результирующего сигнала S в новый многоуровневый результирующий сигнал Sp путем введения последовательных р-звеньев М – аналого-цифровых преобразований сигнала S, формирования цифровых сигналов в двоичном коде, осуществления цифроаналогового преобразования сигналов в каждом звене и формирования новых многоуровневых результирующих сигналов S1, S2, … Sp, для чего вводится операция преобразования исходного многоуровневого результирующего сигнала S в цифровую форму путем первых m1 – аналого-цифровых преобразований сигнала S с использованием задержки отсчета сигнала на элемент изображения tэ для второго и каждого последующего аналого-цифрового преобразования сигналов, равного времени (m1-1)· tэ, затем сигналы, полученные с помощью m1 – аналого-цифровых преобразований, представленные в N-разрядном параллельном двоичном коде, объединяют в многоуровневый результирующий сигнал S1 путем первого цифро-аналогового преобразования сигналов, причем до выполнения операции объединения сигналов осуществляют задержку сигналов на величину, равную времени (m1-1)· tэ, начиная для группы сигналов первого и до их последнего аналого-цифрового преобразования для выполнения операции их одновременного цифроаналогового преобразования, далее, в зависимости от достижения требуемой величины М осуществляют вышеприведенные операции над сигналами для вновь сформированного многоуровневого результирующего сигнала S1, преобразуют его в цифровую форму используя вторые m2 – аналого-цифровые преобразования и получают сигналы, представленные в m1·m2·N – разрядном параллельном двоичном коде, которые объединяют в многоуровневый результирующий сигнал S2 путем второго цифроаналогового преобразования сигналов, причем до выполнения операции объединения сигналов, снова осуществляют задержку сигналов на величину, равную времени (m2-1)· tэ, начиная для группы сигналов первого и до их последнего аналого-цифрового преобразования, затем осуществляют идентичные р-кратные операции над сигналами до формирования конечного многоуровневого результирующего сигнала Sp, а на приемной стороне выполняют операции над сигналами, обратные передающей стороне, а именно, после аналого-цифрового преобразования многоуровневого результирующего сигнала Sp получают N·M сигналов, далее осуществляют М цифроаналоговых преобразований, затем из М сигналов путем их суммирования формируют многоуровневый результирующий сигнал Sp-1, далее выполняют идентичные операции над сигналом Sp-1 и получают сигнал Sp-2, далее Sр-3, …, Sp-(p-1), до получения первичного многоуровневого результирующего сигнала S.
Введение на передающей стороне ТВ системы для исходного многоуровневого результирующего сигнала S, объединяющего N-аналоговых синхронных ТВ сигналов многоградационных изображений или иных сигналов М – аналого-цифровых преобразований со смещением отсчета сигнала на элемент изображения для отдельного аналого-цифрового преобразования сигналов в каждой группе mj – аналого-цифровых преобразований, а на приемной стороне выполнение обратных операций позволяет использовать частоту дискретизации сигнала для каждого отдельного звена аналого-цифрового преобразования, равной величине fd/mj, что приводит, в соответствии с формулой (1) к уменьшению полосы частот в М-раз, необходимой для передачи N исходных сигналов, представленных в виде многоуровневого результирующего сигнала Sp.
Величина М=(m1·m2·…·mj·…·ms) равна произведению отдельных звеньев аналого-цифровых преобразований многоуровневого результирующего сигнала Sj, получаемого после предыдущих цифроаналоговых преобразований и характеризует общее число возможных аналого-цифровых преобразований многоуровневого результирующего сигнала Sp. Каждая из величин m1, m2, … mj, … ms может иметь свое значение в интервале чисел 2, 3 … mj2, где Z2 – общее число элементов в телевизионном изображении. Кратность преобразования р исходного многоуровневого результирующего сигнала S в новый многоуровневый результирующий сигнал Sp удовлетворяет значениям чисел 1, 2, 3 … р …<В. При кратности преобразования р=1, общее число аналого-цифровых преобразований определяется использованием одного звена обработки сигналов и составляет величину М=m1, которая может быть равной 2, 3, 4, 5, …2. При р=2, соответственно, общее число аналого-цифровых преобразований в двух звеньях обработки сигналов составит величину М=m1·m2 и может быть равным 4, 6, 8, …2 и т.д. При этом применение многозвенной схемы обработки сигналов позволяет уменьшить общее число используемых аналого-цифровых преобразователей в каждом отдельном звене.
Использование известных операций обработки цифровых ТВ сигналов в предложенной новой последовательности и их применение в данном способе являются существенными и обеспечивают достижение поставленной цели.
Технический результат достигается за счет введения на передающей стороне операций обработки исходного многоуровневого результирующего сигнала S на основе его р-кратных последовательных М – аналого-цифровых преобразований сигналов с уменьшенной частотой дискретизации по сравнению с исходными цифровыми сигналами и цифроаналоговых преобразований сигналов с формированием нового многоуровневого результирующего сигнала Sp для последующей передачи его по каналу связи или записи.
Для достижения указанного результата предлагается способ кодирования и декодирования сигналов, включающий на передающей стороне операции обработки и преобразования N-синхронных аналоговых телевизионных или иных сигналов путем их аналого-цифрового преобразования в N-синхронных цифровых сигналов, представленных в параллельном n-разрядном двоичном коде, преобразование сигналов параллельного кода в последовательный n-разрядный двоичный код, где N-синхронные цифровые сигналы объединяются в один многоуровневый результирующий сигнал S путем цифроаналогового преобразования, формирование цифровых сигналов синхронизации, причем на передающей стороне до осуществления операции суммирования многоуровневого результирующего сигнала S с сигналом синхронизации осуществляют р-кратное преобразование исходного многоуровневого результирующего сигнала S в новый многоуровневый результирующий сигнал Sp путем выполнения аналого-цифровых и цифроаналоговых преобразований сигналов в отдельных последовательно соединенных звеньях обработки сигналов, для чего исходный многоуровневый результирующий сигнал S преобразуют в цифровую форму путем первых m1 – аналого-цифровых преобразований сигнала S, причем тактовые импульсы, определяющие частоту дискретизации многоуровневого результирующего сигнала S, S1, … Sj, … Sp, в зависимости от числа mj – аналого-цифровых преобразований в каждом отдельном звене, имеют свое значение частоты следования тактовых импульсов fd/mj и времени их поступления на каждый аналого-цифровой преобразователь, для чего используют задержку отсчета сигнала на элемент изображения tэ для второго и каждого последующего аналого-цифрового преобразования, равного времени (m1-1)· tэ, затем m1·N – цифровых сигналов, представленных в двоичном коде, объединяют в новый многоуровневый результирующий сигнал S1 путем первого цифро-аналогового преобразования сигналов, причем, до выполнения операции объединения цифровых сигналов осуществляют обратную задержку сигналов на величину, равную времени (m1-1)· tэ, начиная от цифровых сигналов первого и каждого последующего аналого-цифрового преобразования сигналов и до последнего аналого-цифрового преобразования с целью их одновременного объединения, начиная с первого цифроаналогового преобразования и осуществляя формирование многоуровневого результирующего сигнала S1, далее проводят идентичные операции над сигналами для многоуровневого результирующего сигнала S1, преобразуя его в цифровую форму и используя второе звено m2 – аналого-цифровых преобразований с использованием задержки отсчета сигнала на элемент изображения tэ для второго и каждого последующего аналого-цифрового преобразования, равного времени (m2-1)· tэ, затем m1·m2·N – цифровых сигналов, представленных в двоичном коде, объединяют в новый многоуровневый результирующий сигнал S2 путем второго цифроаналогового преобразования сигналов, причем начиная для цифровых сигналов первого и каждого последующего аналого-цифрового преобразования сигналов и до последнего аналого-цифрового преобразования вводится обратная задержка сигналов на величину, равную времени (m2-1)· tэ, с целью их одновременного объединения, путем второго цифроаналогового преобразования и формирования многоуровневого результирующего сигнала S2, далее на передающей стороне идентично формируют сигналы S3…Sj, … и последний сигнал Sp, после чего осуществляется суммирование многоуровневого результирующего сигнала Sp с сигналом синхронизации, далее осуществляется его усиление и передача по каналу связи, а на приемной стороне выполняются обратные операции над сигналами, которые включают усиление многоуровневого результирующего сигнала Sp, выделение из него сигналов синхронизации и формирования тактовых и управляющих импульсов, выполнение операции аналого-цифрового преобразования многоуровневого результирующего сигнала Sp с получением N·М – цифровых сигналов в двоичном коде, далее осуществляют ms – цифроаналоговых преобразований (N·M)/ms – цифровых сигналов, причем до выполнения операций цифроаналоговых преобразований сигналов осуществляют обратную задержку цифровых сигналов на величину, равную времени (ms-1)· tэ, начиная с группы (N·М)/ms – цифровых сигналов, подаваемых для последнего и до первого цифроаналогового преобразования сигналов, затем на основе полученных сигналов путем их суммирования формируют многоуровневый результирующий сигнал Sp-1, далее выполняют идентичные операции над сигналом Sp-1 и получают сигналы Sp-2, далее Sp-3, … Sp-(p-1), и исходный многоуровневый результирующий сигнала S, потом выполняют операцию аналого-цифрового преобразования многоуровневого результирующего сигнала S и формируют N синхронных цифровых сигналов в последовательном n-разрядном двоичном коде, после чего выполняют обратные передающей стороне операции над сигналами, а именно, каждый цифровой сигнал, представленный в последовательном коде, преобразуют в параллельный n-разрядный двоичный код, затем путем их цифроаналогового преобразования осуществляют формирование N исходных синхронных аналоговых телевизионных или иных сигналов.
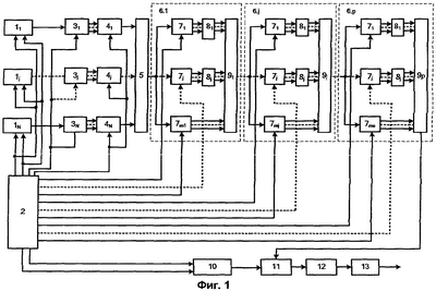
Система кодирования и декодирования сигналов, реализующая предлагаемый способ для передачи ТВ сигналов многоградационных изображений (или иных сигналов), содержит на передающей стороне (фиг.1) N источников синхронных телевизионных сигналов 1, синхрогенератор 2, N-аналого-цифровых преобразователей 3 и N-преобразователей параллельного кода в последовательный 4 по каждому источнику телевизионных сигналов, цифроаналоговый преобразователь 5, последовательно включенные р-звенья аналого-цифрового и цифроаналогового преобразования многоуровневого результирующего сигнала S для получения сигнала Sp 6, каждое звено из которых содержит включенных параллельно по входу mj – аналого-цифровых преобразователей (АЦП)) 7, (mj-1) линий задержки сигналов 8 и цифроаналоговый преобразователь (ЦАП) 9, формирователь сигналов синхронизации 10, сумматор 11, усилитель 12, а на приемной стороне (фиг.2) усилитель 14, селектор синхронизирующих сигналов 15, генератор тактовых импульсов 16, последовательно включенные р-звенья аналого-цифрового и цифроаналогового преобразования многоуровневого результирующего сигнала Sp для получения исходного сигнала S, каждое звено из которых содержит аналого-цифровой преобразователь 18, (mj-1) линий задержки сигналов 19, mj – цифроаналоговых преобразователей 20, сумматор сигналов 21, аналого-цифровой преобразователь 22, N преобразователей сигналов последовательного кода в параллельный 23, N цифроаналоговых преобразователей 24, формирователь строчных и кадровых импульсов или иных синхронизирующих импульсов 25, N видеоконтрольных блоков или иных блоков отображения и регистрации информации 26, а также канал связи 13.
Система кодирования и декодирования сигналов, применительно к передаче ТВ сигналов многоградационных изображений, работает следующим образом. Синхрогенератор 2 формирует необходимые синхронизирующие импульсы для синхронной работы N источников ТВ сигналов 1, а также формирует необходимые тактовые импульсы для работы N – аналого-цифровых преобразователей 3 и N-преобразователей кода 4 по каждому источнику ТВ сигнала, на выходах которых образуются цифровые сигналы, представленные в последовательном n-разрядном двоичном коде. Данные сигналы (в виде логического “0” или “1”) поступают на входы 1, … j, … N цифроаналогового преобразователя 5, который на выходе формирует соответствующий сигнал с уровнем, в зависимости от значений сигнала на его N входах, а именно многоуровневый результирующий сигнал S. Рассмотрим случай, когда число источников ТВ сигнала равно N=3. В этом случае на выходе цифроаналогового преобразователя 5 будет сформировано 2N значений выходного сигнала, которые характеризуют собой многоуровневый результирующий сигнал S. Полоса частот, необходимая для передачи N аналоговых сигналов в цифровой форме, определяется произведением частоты дискретизации fd аналогового сигнала и числа двоичных символов в одном дискретном отсчете k.
| Возможные сочетания сигналов на входе ЦАП 5 |
Уровни сигнала на выходе ЦАП 5 |
| 0 |
0 |
0 |
U1 |
| 1 |
0 |
0 |
U2 |
| 0 |
1 |
0 |
U3 |
| 1 |
1 |
0 |
U4 |
| 0 |
0 |
1 |
U5 |
| 1 |
0 |
1 |
U6 |
| 0 |
1 |
1 |
U7 |
| 1 |
1 |
1 |
U8 |
Пусть необходимое значение частоты дискретизации исходного многоуровневого результирующего сигнала S для его преобразования в цифровую форму составляет величину fd=1/T0, как показано на фиг.3а. При использовании первого звена (фиг.1, блок 6.1) обработки входного многоуровневого результирующего сигнала S и числа используемых аналого-цифровых преобразований, например, равных m1=2, значение частоты дискретизации для первого аналого-цифрового преобразования будет равным fd/2=1/T1 (фиг.3б), поскольку T1=2T0, а для второго аналого-цифрового преобразования значение частоты дискретизации будет таким же, но с задержкой тактирующего импульса на время, равное t3=T0 (фиг.3в). Таким образом, при использовании одного звена обработки сигналов с двумя аналого-цифровыми преобразованиями входного многоуровневого результирующего сигнала S можно обеспечить снижение частоты дискретизации в два раза и, соответственно, уменьшить требуемую полосу частот канала в два раза, необходимой для одновременной передачи N исходных сигналов, объединенных в новый многоуровневый результирующий сигнал S1. В общем случае, при использовании одного звена обработки сигналов, когда кратность преобразования сигналов равна р=1, достигаемый выигрыш в уменьшении необходимой полосы частот для передачи нового многоуровневого результирующего сигнала S1 составит величину m1 и может быть равным 2, 3, 4 …2. При использовании последующего 6.j звена обработки сигнала (фиг.1) осуществляются идентичные операции для преобразования предыдущего многоуровневого результирующего сигнала Sj-1 в последующий Sj сигнал. Необходимость добавления последующих звеньев обработки сигналов может быть вызвана потребностью в достижении больших значений уменьшения требуемой полосы частот. Использование многократных последовательных звеньев обработки сигналов, где р>1, более эффективно, так как при этом можно уменьшить необходимое число аналого-цифровых преобразований сигналов. Так, например, пусть требуется достичь уменьшения необходимой полосы частот для передачи N исходных сигналов в 100 раз. В этом случае, при р=1, необходимо осуществить 100 аналого-цифровых преобразований сигналов, при р=2, можно использовать в первом звене m1=10, во втором звене m2=10 аналого-цифровых преобразований сигналов, что потребует использование 20 АЦП, при р=3, соответственно m1=5, m2=5 и m3=4, требуется всего 14 АЦП. Для последнего случая, общее сокращение необходимой полосы частот составит величину, равную произведению преобразований в отдельных звеньях обработки сигналов, а именно М=m1·m2·m3=5×5×4=100. Таким образом, использование на передающей стороне р – последовательно включенных звеньев обработки сигналов, включающих m1+m2+m3+…+ms аналого-цифровых преобразований, позволяет уменьшить частоту дискретизации сигнала в fd/M раз. Синхрогенератор 2 формирует также необходимые специальные тактовые импульсы для работы аналого-цифровых преобразователей 3, 7 и преобразователей кода 4. Для звеньев обработки сигналов 6.1, … 6.j, … 6.p, тактовые импульсы, определяющие частоту дискретизации многоуровневого результирующего сигнала S, S1, … Sj, … Sp, в зависимости от числа mj – аналого-цифровых преобразований в каждом отдельном звене, имеют свои значения частоты следования тактовых импульсов и времени их поступления на каждый АЦП 7. Для этого в синхрогенераторе 2 формируются группы импульсов с одинаковой частотой следования и определенной задержкой во времени, а именно с задержкой отсчета сигнала на элемент изображения tэ для второго и каждого последующего аналого-цифрового преобразования, равного времени (mj-1)· tэ. Для одновременного поступления цифровых сигналов с выходов АЦП 7, каждого звена 6.1, … 6.j, … 6.p, на соответствующие входы ЦАП 9, для формирования многоуровневого результирующего сигнала S1, … Sj, … Sp, между ними включены линии задержки сигналов 8, причем в зависимости от числа mj – аналого-цифровых преобразований в каждом звене, до выполнения операции объединения цифровых сигналов осуществляют обратную задержку сигналов (по сравнению с сигналами, формируемыми в синхрогенераторе 2) на величину, равную времени (mj-1)· tэ, начиная для цифровых сигналов, поступающих с выхода первого и каждого последующего АЦП 7 и до последнего АЦП, и тем самым обеспечивают их выравнивание во времени. В результате выполнения этих операций на выходах ЦАП 9 формируются новые многоуровневые результирующие сигналы S1, … Sj, … Sp. С выхода последнего ЦАП 9р сигнал Sp поступает на первый вход сумматора 11, на второй вход которого поступают сигналы синхронизации, сформированные в блоке 10, на основе сигналов, поступающих с синхрогенератора 2. С выхода сумматора 11 многоуровневый результирующий сигнал вместе с сигналами синхронизации поступает на усилитель 12 и далее в линию (канал) связи 13. Многоуровневый результирующий сигнал Sp с выхода линии связи 13 (фиг.2) после соответствующего усиления во втором усилителе 14 поступает на вход селектора синхронизирующих сигналов 15, а также на вход аналого-цифрового преобразователя 18р первого звена 17р аналого-цифрового и цифроаналоговых преобразований многоуровневого результирующего сигнала Sp на приемной стороне. На выходе АЦП 18р формируются N·M – цифровых сигналов в двоичном коде, отдельные группы (N·M)/ms – цифровых сигналов поступают на входы ms – цифроаналоговых преобразований сигналов 20, причем до выполнения операций цифроаналоговых преобразований сигналов осуществляется задержка каждой группы (N·M)/ms – цифровых сигналов с помощью линий задержек 19 на величину, равную времени (ms-1)· tэ, начиная с сигналов, поступающих на последний ЦАП 20ms и так до первого ЦАП 201. На выходах ms – цифроаналоговых преобразователей 20 формируются ms – отдельные многоуровневые сигналы, которые после объединения во времени на элементе 21р на его выходе образуют многоуровневый результирующий сигнал Sp-1. Далее сигнал Sp-1 поступает на следующее звено обработки сигналов 17p-1, где, выполняя идентичные операции над сигналом Sp-1, получают сигналы Sp-2, далее идентично на выходах последующих звеньев обработки сигналов формируются сигналы Sp-3, …, Sp-(p-1) и на выходе последнего звена 171 формируется исходный многоуровневый результирующий сигнала S. Данный сигнал поступает на вход АЦП 22, в котором многоуровневый результирующий сигнал S преобразуется в N цифровых сигналов, представленных в последовательном n-разрядном двоичном коде. Для рассмотренного выше примера, когда число исходных сигналов равно N=3.
| Уровни сигнала на входе АЦП 22 |
Сигналы на выходе АЦП 22 |
| U1 |
0 |
0 |
0 |
| U2 |
1 |
0 |
0 |
| U3 |
0 |
1 |
0 |
| U4 |
1 |
1 |
0 |
| U5 |
0 |
0 |
1 |
| U6 |
1 |
0 |
1 |
| U7 |
0 |
1 |
1 |
| U8 |
1 |
1 |
1 |
Сигналы с выхода АЦП 22 поступают на входы преобразователей последовательного кода в параллельный 231, … 23j, … 23N, выходные сигналы с преобразователей поступают на соответствующие входы ЦАП 241, … 24j, … 24N, на выходе которых формируются исходные N аналоговые синхронные ТВ сигналы многоградационных изображений, которые далее подаются на информационные входы видеоконтрольных блоков 261, … 26j, … 26N. Сигнал с выхода селектора синхронизирующих сигналов 15 поступает на вход генератора тактовых импульсов 16. Генератор формирует необходимые тактовые и управляющие импульсы с заданной частотой следования, которые поступают на второй вход аналогово-цифрового преобразователя 18p, … 18j, … 181, а также на 22, на второй вход преобразователей последовательного кода в паралельный 231, … 23j, … 23N, a также сигнал со второго выхода селектора 15 поступает на вход формирователя строчных и кадровых синхроимпульсов 25, с выхода которого синхроимпульсы поступают на второй и третий вход видеоконтрольных блоков 261, … 26j, … 26N.
В представленной схеме системы кодирования и декодирования сигналов при передаче исходных ТВ сигналов, когда величина N 3, на передающей стороне (фиг.1) можно исключить операцию преобразования сигналов параллельного n-разрядного двоичного кода в последовательный n-разрядный двоичный код, осуществляемую с помощью преобразователя 4, а формирование исходного многоуровневого результирующего сигнала S осуществить путем цифроаналогового преобразования цифровых сигналов, представленных в параллельном n-разрядном двоичном коде, а на приемной стороне (фиг.2) соответственно исключить операцию преобразования сигналов, представленных в последовательном коде в n-разрядный параллельный код с помощью преобразователя 23, при этом верхняя граничная частота в спектре многоуровневого результирующего сигнала S для N исходных сигналов будет удовлетворять условию fв fd/2, а для вновь сформированного результирующего сигнала Sp условию
fв fd/2·M, где М 2.
Исключение вышеназванных операций требует условие, что при передаче ТВ сигналов число входов цифроаналогового преобразователя 5 (фиг.1) должно быть равно величине w=N·k, где N число исходных ТВ аналоговых сигналов, k – число двоичных символов в кодовой комбинации одного отсчета при преобразовании аналогового ТВ сигнала в цифровую форму. В качестве источников сигналов по каждому входу АЦП 5 для их объединения в один многоуровневый результирующий сигнал S могут также выступать любые другие (не телевизионные) синхронные цифровые сигналы, представленные в двоичном коде. В данном случае, если один двухуровневый цифровой сигнал требует для своей передачи канал связи с полосой пропускания равной f, то использование рассмотренного метода кодирования и объединения сигналов позволяет одновременно передать w – сигналов в частотной полосе f/М и тем самым снизить требования к пропускной способности канала связи.
Принцип действия и подробное описание работы отдельных узлов и блоков данной системы, связанных с получением и обработкой ТВ сигналов, преобразованием сигналов в цифровую форму, синхронизации и развертки, передачи и отображения видеоинформации можно найти в соответствующих разделах книги: Телевидение: Учебник для вузов / В.Е.Джакония, А.А.Гоголь, Я.В.Друзин и др.; Под ред. В.Е.Джаконии. – М.: Радио и связь, 2000, 640 с.: ил.
Формула изобретения
1. Способ кодирования и декодирования сигналов, включающий на передающей стороне операции обработки и преобразования N синхронных аналоговых телевизионных сигналов в N синхронных цифровых телевизионных сигналов, путем их аналого-цифрового преобразования, формирования цифровых сигналов синхронизации, объединение N синхронных цифровых сигналов в один многоуровневый результирующий сигнал S путем их цифроаналогового преобразования, суммирование многоуровневого результирующего сигнала S с сигналом синхронизации, усиления его и передачи по каналу связи, а на приемной стороне, включающей усиление многоуровневого результирующего сигнала S, выделения из него сигналов синхронизации и формирования тактовых и управляющих импульсов, выполнение операции аналогово-цифрового преобразования многоуровневого результирующего сигнала S и формирования N синхронных цифровых ТВ сигналов в последовательном коде, преобразование их в параллельный n-разрядный двоичный код и осуществление формирования N исходных аналоговых синхронных ТВ сигналов многоградационных изображений путем цифроаналогового преобразования, отличающийся тем, что на передающей стороне до осуществления операции суммирования многоуровневого результирующего сигнала S с сигналом синхронизации, осуществляют р-кратное преобразование исходного многоуровневого результирующего сигнала S в новый многоуровневый результирующий сигнал Sp путем выполнения аналогово-цифровых и цифроаналогового преобразований сигналов в отдельных последовательно соединенных звеньях обработки сигналов, для чего исходный многоуровневый результирующий сигнала S преобразуют в цифровую форму, путем первых m1 – аналого-цифровых преобразований сигнала S, причем тактовые импульсы, определяющие частоту дискретизации многоуровневого результирующего сигнала S, S1, …, Sj, …, Sp, в зависимости от числа mj – аналого-цифровых преобразований в каждом отдельном звене, имеют значение частоты следования тактовых импульсов fd/mj и времени их поступления на каждый аналого-цифровой преобразователь, для чего при формировании тактовых импульсов используют задержку отсчета сигнала на элемент изображения tэ для второго и каждого последующего аналого-цифрового преобразования, равного времени (m1-1)· tэ, затем m1·N – цифровых сигналов, представленных в двоичном коде, объединяют в новый многоуровневый результирующий сигнал S1 путем первого цифроаналогового преобразования сигналов, причем до выполнения операции объединения цифровых сигналов, осуществляют задержку сигналов на величину, равную времени (m1-1)· tэ, начиная для цифровых сигналов первого и каждого последующего аналого-цифрового преобразования сигналов и до последнего аналого-цифрового преобразования с целью их одновременного объединения путем первого цифроаналогового преобразования и формирования многоуровневого результирующего сигнала S1, далее проводят идентичные операции над сигналами для многоуровневого результирующего сигнала S1, преобразуют его в цифровую форму, используя второе звено m2 – аналого-цифровых преобразований с использованием задержки отсчета сигнала на элемент изображения tэ для второго и каждого последующего аналого-цифрового преобразования, равного времени (m2-1)· tэ, затем m1·m2·N – цифровых сигналов, представленных в двоичном коде, объединяют в новый многоуровневый результирующий сигнал S2 путем второго цифроаналогового преобразования сигналов, причем начиная с цифровых сигналов первого и каждого последующего аналого-цифрового преобразования сигналов и до последнего аналого-цифрового преобразования вводится обратная задержка сигналов на величину равную времени (m2-1)· tэ, с целью их одновременного объединения путем второго цифроаналогового преобразования и формирования многоуровневого результирующего сигнала S2, далее на передающей стороне, по мере необходимости, идентично формируют сигналы S3, …, Sj,… и Sp, после чего осуществляют суммирование многоуровневого результирующего сигнала Sp с сигналом синхронизации, усиливают его и передают по каналу связи, а на приемной стороне снова усиливают многоуровневый результирующий сигнал Sp, далее из него выделяют сигналы синхронизации и формируют тактовые и управляющие импульсы, потом выполняют операцию аналого-цифрового преобразования многоуровневого результирующего сигнала Sp и формируют N·M – цифровых сигналов в двоичном коде, после чего осуществляют ms – цифроаналоговых преобразований сигналов для отдельных групп (N·M)/ms – цифровых сигналов, причем, до выполнения операций цифроаналоговых преобразований сигналов, осуществляют задержку каждой группы (N·M)/ms – цифровых сигналов на величину, равную времени (ms-1)· tэ, начиная с последнего и до первого цифроаналогового преобразования сигналов, затем после ms – цифроаналоговых преобразований сигналов формируют ms – отдельных многоуровневых сигналов, объединяют их во времени и формируют многоуровневый результирующий сигнал Sp-1, далее выполняют идентичные операции над сигналом Sp-1 и получают сигнал Sp-2, далее Sp-3, …, Sp-(p-1) и формируют исходный многоуровневый результирующий сигнал S.
2. Способ по п.1, отличающийся тем, что на передающей стороне при формировании многоуровневого результирующего сигнала S, осуществляется объединение N синхронных цифровых телевизионных или иных цифровых сигналов, при этом общее число аналого-цифровых преобразований для формирования нового многоуровневого результирующего сигнала Sp в цифровой форме равно величине M=(m1·m2·…·mj·…·…·ms), где каждая из величин m1, m2, …, mj, …, ms может принимать свое значение в интервале значений 2, 3 … mj2, где Z2 – общее число элементов в телевизионном изображении, а кратность р преобразования исходного многоуровневого результирующего сигнала S в новый многоуровневый результирующий сигнал Sp может составлять величину равную 1, 2, 3 … р<В.
3. Способ по п.2, отличающийся тем, что при передаче ТВ сигналов, когда их исходное число N 3, а также при передаче других отдельных синхронных цифровых сигналов, представленных в двоичном коде, на передающей стороне может быть исключена операция преобразования сигналов параллельного n-разрядного двоичного кода в последовательный n-разрядный двоичный код, а формирование исходного многоуровневого результирующего сигнала S осуществляют путем цифроаналогового преобразования цифровых сигналов, представленных в параллельном двоичном коде, а на приемной стороне соответственно исключают операцию преобразования сигналов, представленных в последовательном коде в n-разрядный параллельный код, при этом верхняя граничная частота в спектре многоуровневого результирующего сигнала S для N исходных сигналов будет удовлетворять условию fв fd/2, а для вновь сформированного многоуровневого результирующего сигнала Sp условию fв fd/2·M, где М 2.
РИСУНКИ
|
|