|
|
(21), (22) Заявка: 2004137384/09, 21.12.2004
(24) Дата начала отсчета срока действия патента:
21.12.2004
(43) Дата публикации заявки: 10.06.2006
(46) Опубликовано: 10.10.2007
(56) Список документов, цитированных в отчете о поиске:
ПОБЕРЕЖСКИЙ Е.С. Цифровые коротковолновые радиоприемные устройства. – Радиотехника, 1978, №5, с.16-24. SU 1363487 A1, 30.12.1987. RU 2196384 С2, 10.01.2003. US 3449685 А, 10.06.1969. WO 9014718 А, 29.11.1990.
Адрес для переписки:
644009, г.Омск, ул. Масленникова, 231, ФГУП ОНИИП
|
(72) Автор(ы):
Банников Игорь Михайлович (RU), Дулькейт Игорь Владимирович (RU), Левченко Валерий Иванович (RU), Хазан Галина Кузьминична (RU)
(73) Патентообладатель(и):
ФЕДЕРАЛЬНОЕ ГОСУДАРСТВЕННОЕ УНИТАРНОЕ ПРЕДПРИЯТИЕ Омский научно-исследовательский институт приборостроения (RU)
|
(54) ПРИЕМНЫЙ РАДИОЦЕНТР (ВАРИАНТЫ)
(57) Реферат:
Изобретение относится к радиотехнике и может быть использовано в приемных радиоцентрах декаметрового диапазона радиоволн. Техническим результатом является повышение помехозащищенности приемного радиоцентра за счет улучшения частотной избирательности многоканального радиоприемного устройства. Приемный радиоцентр содержит последовательно соединенные антенно-фидерное устройство, многоканальное радиоприемное устройство, устройство демодуляции и декодирования сигналов, высокочастотные тракты, входы которых соединены с выходами согласующего устройства, а также аналого-цифровые преобразователи. Выходы аналого-цифровых преобразователей соединены со входами цифрового вычислителя, представляющего собой матричный коммутатор и набор цифровых радиоприемных устройств, выход каждого из цифровых радиоприемных устройств соединен со входом устройства демодуляции и декодирования сигналов. К выходу каждого высокочастотного тракта подключены последовательно соединенные управляемый аттенюатор, первый преобразователь частоты, фильтр первой промежуточной частоты, второй преобразователь частоты, частотно-избирательная система, содержащая набор фильтров второй промежуточной частоты, параллельно соединенных по входу. Выходы фильтров второй промежуточной частоты подключены ко входам кольцевого коммутатора, выход которого подключен ко входу аналого-цифрового преобразователя. Вход управления кольцевого коммутатора подключен к первому управляющему выходу аналого-цифрового преобразователя, причем второй вход первого преобразователя частоты подключен к блоку формирования сигнала первого гетеродина, второй вход второго преобразователя частоты подключен к блоку формирования сигнала второго гетеродина, а вход управления аттенюатора соединен со вторым выходом управления аналого-цифрового преобразователя. Приведена схема варианта приемного радиоцентра. 2 н.п. ф-лы, 2 ил.
Изобретение относится к радиотехнике и может быть использовано в приемных радиоцентрах декаметрового диапазона радиоволн с целью повышения помехозащищенности приема.
Большие габаритные размеры и высокая стоимость эффективных приемных антенн декаметрового диапазона радиоволн не позволяет иметь на каждый приемный тракт, при большом их количестве, свой набор антенн. Поэтому приходится применять специальную антенно-фидерную систему коллективного пользования [1, 2].
Коллективное использование антенн на радиоцентре осуществляется с помощью коммутационно-распределительного тракта, содержащего антенные коммутаторы, обеспечивающие подключение однотрактовых радиоприемников к приемной антенне, и широкополосные антенные усилители, предназначенные для обеспечения одновременной работы нескольких радиоприемников от одной антенны. Вместо однотрактовых радиоприемников может использоваться многоканальная радиоприемная система [2]. Устройства, образующие коммутационно-распределительный тракт, являются групповыми и широкополосными, перекрывающими весь диапазон рабочих частот.
Известны приемные радиоцентры, содержащие набор антенн, обеспечивающих перекрытие всего радиочастотного диапазона частот и прием с любого направления, антенный коммутатор, широкополосный антенный усилитель, многоканальную радиоприемную систему, устройства демодуляции и декодирования сигналов.
Наиболее близким устройством к предполагаемому изобретению является устройство, приведенное в [3].
Известный приемный радиоцентр содержит последовательно соединенные антенно-фидерную систему, широкополосное многоканальное радиоприемное устройство, устройство демодуляции и декодирования сигналов, причем широкополосное многоканальное радиоприемное устройство содержит согласующее устройство, вход которого подключен непосредственно к антенно-фидерному устройству, высокочастотные тракты, входы которых соединены с выходами согласующего устройства, а к выходу каждого высокочастотного тракта подключен аналого-цифровой преобразователь, выходы аналого-цифровых преобразователей соединены со входами цифрового вычислителя, представляющего собой матричный коммутатор и набор цифровых радиоприемных устройств, выход каждого из которых соединен со входом устройства демодуляции и декодирования сигналов, причем высокочастотные тракты представляют собой набор полосовых фильтров, полосы которых вплотную прилегают друг к другу и в сумме перекрывают весь рабочий диапазон частот, а устройство демодуляции и декодирования сигналов представляет собой электронно-вычислительную машину.
Недостатком известного приемного радиоцентра является низкая помехозащищенность широкополосного многоканального радиоприемного устройства, подвергающегося многосигнальному внешнему воздействию, с уровнями помех, превосходящими принимаемый сигнал на 80-100 дБ [2].
Задачей изобретения является повышение помехозащищенности приемного радиоцентра за счет улучшения частотной избирательности многоканального радиоприемного устройства.
Поставленная задача достигается тем, что:
1. В приемный радиоцентр, содержащий последовательно соединенные антенно-фидерное устройство, многоканальное радиоприемное устройство, групповой демодулятор сигналов, устройство демодуляции и декодирования сигналов, причем многоканальное радиоприемное устройство содержит согласующее устройство, вход которого подключен непосредственно к антенно-фидерному устройству, высокочастотные тракты, входы которых соединены с выходами согласующего устройства, а также аналого-цифровые преобразователи, выходы аналого-цифровых преобразователей соединены со входами цифрового вычислителя, представляющего собой матричный коммутатор и набор цифровых радиоприемных устройств, выход каждого из цифровых радиоприемных устройств соединен со входом группового демодулятора сигналов, введены подключенные к выходу каждого высокочастотного тракта, последовательно соединенные управляемый аттенюатор, первый преобразователь частоты, фильтр первой промежуточной частоты, второй преобразователь частоты, частотно-избирательная система, содержащая набор фильтров второй промежуточной частоты, параллельно соединенных по входу, а выходы фильтров второй промежуточной частоты подключены ко входам кольцевого коммутатора, выход которого подключен ко входу аналого-цифрового преобразователя, вход управления кольцевого коммутатора подключен к первому управляющему выходу аналого-цифрового преобразователя, причем второй вход первого преобразователя частоты подключен к блоку формирования сигнала первого гетеродина, второй вход второго преобразователя частоты подключен к блоку формирования сигнала второго гетеродина, а вход управления аттенюатора соединен со вторым выходом управления аналого-цифрового преобразователя.
2. В приемный радиоцентр, содержащий последовательно соединенные антенно-фидерное устройство, многоканальное радиоприемное устройство, устройство демодуляции и декодирования сигналов, причем многоканальное радиоприемное устройство содержит согласующее устройство, вход которого подключен непосредственно к антенно-фидерному устройству, высокочастотные тракты, входы которых соединены с выходами согласующего устройства, последовательно соединенные управляемые аттенюаторы и аналого-цифровые преобразователи, выходы аналого-цифровых преобразователей соединены со входами цифрового вычислителя, представляющего собой матричный коммутатор и набор цифровых радиоприемных устройств, выход каждого из цифровых радиоприемных устройств соединен со входом группового демодулятора сигналов, а также последовательно соединенные дополнительный управляемый аттенюатор, первый преобразователь частоты, фильтр первой промежуточной частоты, второй преобразователь частоты, частотно-избирательную систему, содержащую набор фильтров второй промежуточной частоты, параллельно соединенных по входу, а выходы фильтров второй промежуточной частоты подключены ко входам кольцевого коммутатора, выход которого подключен ко входу дополнительного аналого-цифрового преобразователя, а вход управления – к первому управляющему выходу дополнительного аналого-цифрового преобразователя, причем второй вход первого преобразователя частоты подключен к блоку формирования сигнала первого гетеродина, второй вход второго преобразователя частоты подключен к блоку формирования сигнала второго гетеродина, а вход управления дополнительного аттенюатора соединен со вторым выходом управления дополнительного аналого-цифрового преобразователя, введены коммутаторы сигналов, входы которых соединены с выходами высокочастотных трактов, первые выходы соединены со входами управляемых аттенюаторов, последовательно соединенных с аналого-цифровыми преобразователями, а вторые выходы объединены и подключены ко входу дополнительного управляемого аттенюатора, причем блок формирования сигнала первого гетеродина выполнен перестраиваемым по частоте, а его вход управления соединен с выходом управления устройства демодуляции и декодирования сигналов.
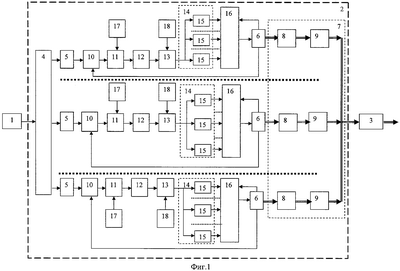
На фиг.1 представлена структурная схема приемного радиоцентра, содержащего последовательно соединенные антенно-фидерное устройство 1, многоканальное радиоприемное устройство 2, устройство демодуляции и декодирования сигналов 3, причем многоканальное радиоприемное устройство 2 содержит согласующее устройство 4, которое подключено непосредственно к антенно-фидерному устройству 1, высокочастотные тракты 5, входы которых соединены с выходами согласующего устройства 4, а также аналого-цифровые преобразователи 6, выходы аналого-цифровых преобразователей 6 соединены со входами цифрового вычислителя 7, представляющего собой матричный коммутатор 8 и набор цифровых радиоприемных устройств 9, выход каждого из которых соединен со входом устройства демодуляции и декодирования сигналов 3, к выходу каждого высокочастотного тракта 5 подключены последовательно соединенные управляемый аттенюатор 10, первый преобразователь частоты 11, фильтр первой промежуточной частоты 12, второй преобразователь частоты 13, частотно-избирательная система 14, содержащая набор фильтров второй промежуточной частоты 15, параллельно соединенных по входу, выходы фильтров второй промежуточной частоты 15 подключены ко входам кольцевого коммутатора 16, выход которого подключен ко входу аналого-цифрового преобразователя 6, а вход управления кольцевого коммутатора 16 подключен к первому управляющему выходу аналого-цифрового преобразователя 6, причем второй вход первого преобразователя частоты 11 подключен к блоку формирования сигнала первого гетеродина 17, второй вход второго преобразователя частоты 13 подключен к блоку формирования сигнала второго гетеродина 18, а вход управления аттенюатора 10 соединен со вторым выходом управления аналого-цифрового преобразователя 6.
Предлагаемое устройство работает следующим образом. Сигнал с антенно-фидерного устройства 1 подается на многоканальное радиоприемное устройство 2, на входе которого расположено согласующего устройство 4, с выходов которого сигнал поступает на полосовые фильтры 5. Количество фильтров равно числу частотных интервалов, на которые разделен весь рабочей диапазон частот, таким образом, в сумме полосовые фильтры 5 перекрывают его, а их количество зависит от величины рабочего диапазона частот и ширины полосы пропускания каждого фильтра. Выполнены полосовые фильтры 5 могут быть по схеме, предложенной в [4]. Далее с выхода каждого полосового фильтра сигнал подается на управляемый аттенюатор 10. На управляющий вход управляемого аттенюатора 10 поступают сигналы, свидетельствующие о перегрузке аналого-цифрового преобразователя 6, и коэффициент передачи управляемого аттенюатора 10 уменьшается, исключая перегрузку аналого-цифрового преобразователя 6 помехами и сигналом.
Далее сигнал поступает на первый преобразователь частоты 11. На второй вход первого преобразователя частоты 11 подается сигнал с блока формирования сигнала первого гетеродина 17, в качестве которого может использоваться кварцевый генератор с последующей компенсацией нестабильности частоты во втором преобразователе частоты 13 [1]. С выхода первого преобразователя частоты 11 сигнал поступает на последовательно соединенные фильтр первой промежуточной частоты 12, второй преобразователь частоты 13, частотно-избирательную систему 14, содержащую набор фильтров второй промежуточной частоты 15, параллельно соединенных по входу, а выходы фильтров 15 подключены ко входам кольцевого коммутатора 16, управляемого сигналами готовности аналого-цифрового преобразователя 6 к обработке следующего отчета сигнала. Таким образом в течение периода частоты дискретизации выходы фильтров второй промежуточной частоты 15 поочередно подключаются ко входу аналого-цифрового преобразователя 6, работающего в режиме временного уплотнения. В качестве фильтра первой промежуточной частоты 12 может использоваться фильтр на поверхностно-акустических волнах, а в качестве фильтров второй промежуточной частоты 15, входящих в частотно избирательную систему 14, – LC-фильтры, аналогичные предложенным в [4], или электромеханические фильтры. Количество фильтров второй промежуточной частоты 15 равно числу частотных интервалов, на которые разделена полоса пропускания фильтра первой промежуточной частоты 12, а их полосы пропускания вплотную прилегают друг к другу и в сумме перекрывают всю полосу пропускания фильтра первой промежуточной частоты 12.
На второй вход второго преобразователя частоты 13 подается сигнал второго гетеродина с блока формирования сигнала второго гетеродина 18, который может быть сформирован путем преобразования сигнала первого гетеродина с сигналом опорной частоты, что обеспечит компенсацию частотной нестабильности сигнала первого гетеродина 17 [1]. С помощью частотно-избирательной системы 14 полоса частот каждого полосового фильтра 4 перед аналого-цифровыми преобразователями 6 разбивается на более узкие частотные участки, вследствие чего количество и суммарный уровень помех и сигналов, поступающих на вход аналого-цифровых преобразователей 6, уменьшается, что обеспечивает повышение помехоустойчивости приема.
Обработка каждой полосы частот частотно-избирательной системы 14 в аналого-цифровых преобразователях 6 осуществляется путем поочередного, в течение периода частоты дискретизации, подключения, с помощью кольцевого коммутатора 16, выходов фильтров второй промежуточной частоты 15 ко входу аналого-цифровых преобразователей 6. Сигналы с выходов всех аналого-цифровых преобразователей 6 поступают на входы цифрового вычислителя 7, который объединяет сигналы, поступающие с цифровых выходов аналого-цифровых преобразователей 6. При этом в цифровом вычислителе 7 объединяются как сигналы, поступающие от различных аналого-цифровых преобразователей 6, так и сигналы, поступающие с каждого аналого-цифрового преобразователя 6 в различные моменты времени, соответствующие подключению различных фильтров частотно-избирательной системы 14. В цифровом вычислителе 7 производится предварительная обработка цифрового сигнала, матричный коммутатор 8 подключает к каждому цифровому радиоприемному устройству 9 нужный частотный участок рабочего диапазона частот, а цифровое радиоприемное устройство 9 производит цифровую фильтрацию сигналов. На выходе цифрового вычислителя 7 все сигналы с цифровых радиоприемных устройств 9 суммируются и формируется результирующий цифровой сигнал, который затем передается по локальной вычислительной сети, например Fast Ethernet, на устройство демодуляции и декодирования сигналов 3, которое представляет собой электронную вычислительную машину, осуществляющую функции демодуляции и декодирования сигналов для всего приемного центра [3].
На фиг.2 представлена структурная схема возможного варианта реализации приемного радиоцентра, содержащего последовательно соединенные антенно-фидерное устройство 1, многоканальное радиоприемное устройство 2, устройство демодуляции и декодирования сигналов 3, причем многоканальное радиоприемное устройство 2 содержит согласующее устройство 4, вход которого подключен непосредственно к антенно-фидерному устройству 1, высокочастотные тракты 5, входы которых соединены с выходами согласующего устройства 4, последовательно соединенные управляемые аттенюаторы 6 и аналого-цифровые преобразователи 7, выходы аналого-цифровых преобразователей 7 соединены со входами цифрового вычислителя 8, представляющего собой матричный коммутатор 9 и набор цифровых радиоприемных устройств 10, выход каждого из цифровых радиоприемных устройств 10 соединен со входом устройства демодуляции и декодирования сигналов 3, а также последовательно соединенные дополнительный управляемый аттенюатор 11, первый преобразователь частоты 12, фильтр первой промежуточной частоты 13, второй преобразователь частоты 14 и частотно-избирательную систему 15, содержащую набор фильтров второй промежуточной частоты 16, параллельно соединенных по входу, а выходы фильтров второй промежуточной частоты 16 подключены ко входам кольцевого коммутатора 17, выход которого подключен ко входу дополнительного аналого-цифрового преобразователя 18, а вход управления – к первому управляющему выходу дополнительного аналого-цифрового преобразователя 18, выход дополнительного аналого-цифрового преобразователя 18 подключен ко входу цифрового вычислителя 8, причем второй вход первого преобразователя частоты 12 подключен к блоку формирования сигнала первого гетеродина 19, второй вход второго преобразователя частоты 14 подключен к блоку формирования сигнала второго гетеродина 20, а вход управления дополнительного аттенюатора 11 соединен со вторым выходом управления дополнительного аналого-цифрового преобразователя 18, введены коммутаторы сигналов 21, входы которых соединены с выходами высокочастотных трактов 5, первые выходы соединены со входами управляемых аттенюаторов 6, последовательно соединенных с аналого-цифровыми преобразователями 7, а вторые выходы объединены и подключены ко входу дополнительного управляемого аттенюатора 11, причем блок формирования сигнала первого гетеродина 19 выполнен перестраиваемым по частоте, а его вход управления соединен с управляющим выходом устройства демодуляции и декодирования сигналов 3.
Предлагаемое устройство работает следующим образом. Сигнал с антенно-фидерного устройства 1 подается на многоканальное радиоприемное устройство 2, на входе которого расположено согласующего устройство 4. С выходов согласующего устройства 4 сигнал поступает на полосовые фильтры 5. Количество фильтров равно числу частотных интервалов, на которые разделен весь рабочий диапазон частот, таким образом, в сумме полосовые фильтры 5 перекрывают его, а количество фильтров 5 зависит от величины рабочего диапазона частот и ширины полосы пропускания каждого фильтра. Выполнены полосовые фильтры 5 могут быть по схеме, предложенной в [4]. Далее с выхода каждого полосового фильтра сигнал подается на коммутатор сигналов 21, управляемый аттенюатор 6 и аналого-цифровой преобразователь 7. На управляющий вход управляемого аттенюатора 6 поступают сигналы, свидетельствующие о перегрузке аналого-цифрового преобразователя 7, и коэффициент передачи управляемого аттенюатора 6 уменьшается, исключая перегрузку аналого-цифрового преобразователя 7 помехами и сигналом.
Сигналы с выходов всех аналого-цифровых преобразователей 7 поступают на входы цифрового вычислителя 8, который объединяет сигналы, поступающие с цифровых выходов аналого-цифровых преобразователей 7, и производит предварительную обработку цифрового сигнала. В цифровом вычислителе 8 матричный коммутатор 9 подключает к каждому цифровому радиоприемному устройству 10 нужный частотный участок рабочего диапазона частот, а цифровое радиоприемное устройство 10 производит цифровую фильтрацию сигналов. На выходе цифрового вычислителя 8 все сигналы с цифровых радиоприемных устройств 10 суммируются, и формируется результирующий цифровой сигнал, который затем передается по локальной вычислительной сети, например Fast Ethernet, на устройство демодуляции и декодирования сигналов 3, которое представляет собой электронную вычислительную машину, осуществляющую функции демодуляции и декодирования сигналов для всего приемного центра [3].
При этом в устройстве демодуляции и декодирования сигналов 3 ведется оценка качества принимаемого сигнала, для чего, например, может использоваться способ оценки краевых искажений телеграфного сигнала, предложенный в [5]. Если качество принимаемого сигнала ухудшается ниже предельного значения, то с устройства демодуляции и декодирования сигналов 3 подается команда управления для переключения коммутатора сигналов 21, для переключения того частотного диапазона, в котором произошло ухудшение качества приема сигналов, а также на вход управления частотой настройки блока формирования сигнала первого гетеродина 19.
В этом случае сигнал со второго выхода коммутатора сигналов 21, соответствующего частотному диапазону, в котором произошло ухудшение качества приема, поступает на последовательно соединенные дополнительный управляемый аттенюатор 11, первый преобразователь частоты 12, фильтр первой промежуточной частоты 13, второй преобразователь частоты 14, частотно-избирательную систему 15, содержащую набор фильтров второй промежуточной частоты 16, параллельно соединенных по входу. Выходы фильтров второй промежуточной частоты 16 подключены ко входам кольцевого коммутатора 17, управляемого сигналами готовности дополнительного аналого-цифрового преобразователя 18 к обработке следующего отчета сигнала. Таким образом, в течение периода частоты дискретизации выходы фильтров второй промежуточной частоты 16 поочередно подключаются ко входу дополнительного аналого-цифрового преобразователя 18, работающего в режиме временного уплотнения. В качестве фильтра первой промежуточной частоты 13 может использоваться фильтр на поверхностно-акустических волнах, а в качестве фильтров второй промежуточной частоты 16, входящих в частотно избирательную систему 15, – LC фильтры, аналогичные предложенным в [4], или электромеханические фильтры. Количество фильтров второй промежуточной частоты 16 равно числу частотных интервалов, на которые разделена полоса пропускания фильтра первой промежуточной частоты 13, а их полосы пропускания вплотную прилегают друг к другу и в сумме перекрывают всю полосу пропускания фильтра первой промежуточной частоты 13.
Сигнал с выхода кольцевого коммутатора 17 поступает на дополнительный аналого-цифровой преобразователь 18 и далее на вход цифрового вычислителя 8. На управляющий вход управляемого аттенюатора 11 поступают сигналы, свидетельствующие о перегрузке аналого-цифрового преобразователя 18, и коэффициент передачи управляемого аттенюатора 11 уменьшается, исключая перегрузку аналого-цифрового преобразователя 18 помехами и сигналом. Второй выход управления аналого-цифрового преобразователя 18 подключен ко входу управления кольцевого коммутатора 17, осуществляя его переключение.
В цифровом вычислителе 8 сигнал с помощью матричного коммутатора 9 подключается к соответствующему цифровому радиоприемному устройству 10, в котором производится цифровая фильтрация сигналов. На выходе цифрового вычислителя 8 этот сигнал суммируются с цифровыми сигналами других радиоприемных устройств 10 и формируется результирующий цифровой сигнал, который передается по локальной вычислительной сети, например Fast Ethernet, на устройство демодуляции и декодирования сигналов 3, которое представляет собой электронную вычислительную машину, осуществляющую функции демодуляции и декодирования сигналов для всего приемного центра [3], а также функцию управления дополнительными коммутаторами 21 и частотой настройки блока формирования сигнала первого гетеродина 19.
На второй вход первого преобразователя частоты 12 подается сигнал первого гетеродина с блока формирования сигнала первого гетеродина 19, который может дискретно перестраиваться по частоте в соответствии с сигналами управления, поступающими с устройства демодуляции и декодирования сигналов 3. На второй вход второго преобразователя частоты 14 подается сигнал второго гетеродина с блока формирования сигнала второго гетеродина 20.
На крупных приемных центрах, обеспечивающих одновременный прием сигналов от многих корреспондентов и с различных радионаправлений, может применяться несколько дополнительных трактов с повышенной частотной избирательностью.
Источники информации
1. Н.А.Сартасов, В.М.Едвабный, В.В.Грибин, Коротковолновые радиоприемные устройства. М., «Связь», 1971, 288 с.
2. Челышев В.Д. Приемные радиоцентры. (Основы теории и расчета высокочастотных трактов.) М., «Связь», 1975, 264 с.
3. Побережский Е.С. Цифровые коротковолновые радиоприемные устройства. – Радиотехника, 1978, №5, с.16-24.
4. Д.С.Рябоконь, А.Г.Зиновьев, В.И.Левченко, Входное частотно-селективное устройство радиоприемника. А.с. №1554745 Н04В 1/06
5. Ярошевич Б.Н. Об одном методе вычисления весовых коэффициентов в устройствах приема разнесенных сигналов. – Техника средств связи. Сер. ТРС, 1981, вып.10, с.10-15.
Формула изобретения
1. Приемный радиоцентр, содержащий последовательно соединенные антенно-фидерное устройство, многоканальное радиоприемное устройство, устройство демодуляции и декодирования сигналов, причем многоканальное радиоприемное устройство содержит согласующее устройство, вход которого подключен непосредственно к антенно-фидерному устройству, высокочастотные тракты, входы которых соединены с выходами согласующего устройства, а также аналого-цифровые преобразователи, выходы аналого-цифровых преобразователей соединены со входами цифрового вычислителя, представляющего собой матричный коммутатор и набор цифровых радиоприемных устройств, выход каждого из цифровых радиоприемных устройств соединен со входом устройства демодуляции и декодирования сигналов, отличающийся тем, что в него введены подключенные к выходу каждого высокочастотного тракта, последовательно соединенные управляемый аттенюатор, первый преобразователь частоты, фильтр первой промежуточной частоты, второй преобразователь частоты, частотно избирательная система, содержащая набор фильтров второй промежуточной частоты, параллельно соединенных по входу, а выходы фильтров второй промежуточной частоты подключены ко входам кольцевого коммутатора, выход которого подключен ко входу аналого-цифрового преобразователя, вход управления кольцевого коммутатора подключен к первому управляющему выходу аналого-цифрового преобразователя, причем второй вход первого преобразователя частоты подключен к блоку формирования сигнала первого гетеродина, второй вход второго преобразователя частоты подключен к блоку формирования сигнала второго гетеродина, а вход управления аттенюатора соединен со вторым управляющим выходом аналого-цифрового преобразователя.
2. Приемный радиоцентр, содержащий последовательно соединенные антенно-фидерное устройство, многоканальное радиоприемное устройство, устройство демодуляции и декодирования сигналов, причем многоканальное радиоприемное устройство содержит согласующее устройство, вход которого подключен непосредственно к антенно-фидерному устройству, высокочастотные тракты, входы которых соединены с выходами согласующего устройства, последовательно соединенные управляемые аттенюаторы и аналого-цифровые преобразователи, выходы аналого-цифровых преобразователей соединены со входами цифрового вычислителя, представляющего собой матричный коммутатор и набор цифровых радиоприемных устройств, выход каждого из цифровых радиоприемных устройств соединен со входом устройства демодуляции и декодирования сигналов, а также последовательно соединенные дополнительный управляемый аттенюатор, первый преобразователь частоты, фильтр промежуточной частоты, второй преобразователь частоты, частотно избирательную систему, содержащую набор фильтров второй промежуточной частоты, параллельно соединенных по входу, а выходы фильтров второй промежуточной частоты подключены ко входам кольцевого коммутатора, выход которого подключен ко входу дополнительного аналого-цифрового преобразователя, а вход управления к первому управляющему выходу дополнительного аналого-цифрового преобразователя, выход которого подключен ко входу цифрового вычислителя, причем второй вход первого преобразователя частоты подключен к блоку формирования сигнала первого гетеродина, второй вход второго преобразователя частоты подключен к блоку формирования сигнала второго гетеродина, а вход управления дополнительного аттенюатора соединен с вторым выходом управления дополнительного аналого-цифрового преобразователя, отличающийся тем, что в него введены коммутаторы сигналов, входы которых соединены с выходами высокочастотных трактов, первые выходы соединены со входами управляемых аттенюаторов, последовательно соединенных с аналого-цифровыми преобразователями, а вторые выходы объединены и подключены ко входу дополнительного управляемого аттенюатора, причем блок формирования сигнала первого гетеродина выполнен перестраиваемым по частоте, а его вход управления соединен с управляющим выходом устройства демодуляции и декодирования сигналов, при этом на управляющий вход каждого управляемого аттенюатора поступают сигналы с соответствующего аналого-цифрового преобразователя, а с устройства демодуляции и декодирования сигналов подается команда управления для переключения коммутаторов сигнала.
РИСУНКИ
|
|