|
|
(21), (22) Заявка: 2006109793/09, 27.03.2006
(24) Дата начала отсчета срока действия патента:
27.03.2006
(46) Опубликовано: 10.10.2007
(56) Список документов, цитированных в отчете о поиске:
КОЧЕРГИН В.И. Теория многомерных цифро-векторных множеств в приложениях к электроприводам и системам электропитания. – Томск: Издательство ТГУ, 2002, c.122-134. SU 1804270 A1, 20.07.1995. SU 766053, 23.09.1980. SU 421046, 25.03.1974. GB 1442588, 14.07.1976.
Адрес для переписки:
634050, г.Томск, пр. Кирова, 56″в”, ОАО “НПЦ “Полюс”
|
(72) Автор(ы):
Кочергин Валерий Иванович (RU), Белицкая Лилия Анатольевна (RU), Гоголин Виктор Александрович (RU), Латыпов Евгений Валерьевич (RU)
(73) Патентообладатель(и):
Открытое акционерное общество “Научно-производственный центр “Полюс” (ОАО “НПЦ “Полюс”) (RU)
|
(54) РЕЗЕРВИРОВАННЫЙ RS-ТРИГГЕР
(57) Реферат:
Изобретение относится к цифровой преобразовательной технике. Для повышения надежности и помехоустойчивости электроприводов с цифровым управлением за счет повышения достоверности функционирования устройств на RS-триггерах, например счетчиков, в резервированный RS-триггер, содержащий параллельные каналы от 1 до i-го, RS-триггер i-го канала содержит два инвертора (3), (4), в обратные связи которого введено 2 мажоритарных элемента (М) (5), (6). Сигналы управления формируются с помощью вентилей с открытым коллектором. При возникновении ошибки отсутствие сигнала x1 или при возникновении систематической ошибки, т.е. при выходе из строя любого из инверторов (3), (4) RS-триггера любого канала (одиночной ошибки) за счет поступающих на вход М сигналов с выходов RS-триггеров параллельных каналов, работающих идентично, триггер всегда установится в положение как два соседних. Предлагаемый принцип построения резервированных RS-триггеров является универсальным и распространяется на любые устройства, состоящие из RS-триггеров, например счетчики любой фазности, типов кодов, реверсивные, нереверсивные, кольцевые и т.п. Все варианты объединены единым замыслом, в котором М (5), (6) установлены в обратные связи RS-триггера, что дает в случае прохождения помех или обрыва связей синхронную работу параллельных каналов. 6 ил.
Изобретение относится к цифровой преобразовательной технике и может быть использовано в электроприводах постоянного и переменного тока с цифровым управлением.
Известен способ резервирования логических и цифровых схем, основанный на мажоритарном принципе, предложенном Дж.Нейманом [1]. Мажоритарная схема принятия решения при возникновении ошибки выбирает два одинаковых решения из трех выходных сигналов и представляет их сигнал как выходной сигнал схемы.
Недостатком использования этого способа резервирования на RS-триггерах является ненадежность мажоритарного элемента.
Известен также способ, где сам мажоритарный элемент принятия решения принимает решение по сигналам от трех предшествующих ему мажоритарных элементов [2]. Любой отказ в канале или мажоритарном элементе исправляется.
Применение этого способа характеризует то, что при прохождении помехи в один канал RS-триггер сбивается, но результат верный (по двум соседним), если в следующий момент времени приходит помеха в другой канал, то на выходе формируется ошибочная информация. Следовательно, недостаток этого способа резервирования заключается в несинхронной работе параллельных каналов.
Известны многофазные делители-счетчики на RS-триггерах [3], [4], [5], где каждый разряд выполняется с любым четным основанием систем счисления n=4, 6, 8, … в многофазных кодах (m=n/2, где m – число фаз). Причем соединение между собой разрядов делителей-счетчиков осуществляется через делители двухфазного кода.
Наиболее близким по технической сущности к заявляемому техническому решению является делитель-счетчик, выполненный на RS-триггерах [6]. При нечетном числе фаз RS-триггеры соединены между собой двухвходовыми вентилями с открытым коллекторным выходом в два кольца. Первое кольцо образовано вентилями, которые соединяют левые плечи триггеров с входами последующих триггеров. Второе кольцо образуют вентили связи, которые соединяют правые плечи триггеров с входами последующих триггеров. На управляющие входы вентилей связи первого и второго кольца подаются соответственно тактовые импульсы и .
При четном числе фаз счетчик не имеет замкнутых колец, а вентили образуют две группы: на управляющие входы вентилей первой группы подается тактовый импульс , a на управляющие входы второй группы – импульс . Каждый тактовый импульс устанавливает один из триггеров в одинаковое положение с предыдущим триггером. Исключение составляет первый триггер, который устанавливается в противоположное положение с последним RS-триггером фазы m.
Недостатком всех этих типов многофазных делителей-счетчиков и других известных типов счетчиков на RS-триггерах, обладающих высокой помехозащищенностью, является трудность их резервирования с использованием известных способов их выполнения.
Цель изобретения – повышение надежности и помехоустойчивости устройств, выполненных на RS-триггерах.
Поставленная цель достигается тем, что в RS-триггер, состоящий из двух инверторов, где сигналы управления воздействуют на выходы инверторов, введено в обратные связи 2 мажоритарных элемента. Причем сигналы управления формируются с помощью вентилей с открытым коллектором.
В описании приведены функциональная и структурные схемы.
Предложенное техническое решение распространяется на любые устройства, состоящие из RS-триггеров, например счетчики, любой фазности, типов кодов, реверсивные, нереверсивные, регистры, сдвиговые регистры и т.п.
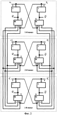
На фиг.1 показана структурная схема поканального резервирования RS-триггера; на фиг.2 – функциональная схема резервированного RS-триггера, на фиг.3-6 – диаграммы, поясняющие работу резервированного RS-триггера.
Предполагается, что каналы RS-триггера 1-й, 2-й…i-й, i – 3, 5, 7 … являются идентичными (фиг.1). Сигнал частоты f (или тактирования для регистров) поступает на вход каждого канала. В случае прохождения помехи или обрыва входа сигнала f, например на канал 1, за счет связи синхронизации каналов на выходе всегда будет правильная информация.
Резервированный RS-триггер (фиг.2) содержит параллельные каналы 1…i, при этом RS-триггер i-го канала содержит два инвертора – 3, 4, где сигналы управления воздействуют на выходы инверторов 3 и 4, два мажоритарных элемента М – 5, 6, выходы которых соединены с входами инверторов 3, 4 соответственно, выход инвертора 3 соединен с входом 1 мажоритарного элемента 6, входы 2…i мажоритарного элемента 6 первого канала соединены с выходами инверторов 3 каналов 2…i, выход инвертора 4 соединен с входом 1 мажоритарного элемента 4, входы 2…i мажоритарного элемента 5 соединены с выходами инвертора 4 каналов 2…i.
Работа RS-триггера поясняется на фиг.3.
Предлагаемый резервированный RS-триггер характеризуется тем, что при прохождении помехи на один из выходов RS-триггера, например 1-го канала, он может встать в неверное положение, но поскольку в обратной связи RS-триггера стоят мажоритарные элементы 5, 6 (канал 1) и принимают решение по сигналам от двух мажоритарных элементов 5, 6 из параллельных каналов 2…i, которые установят его в такое же состояние, RS-триггер 1-го канала всегда будет работать правильно, т.е. происходит синхронизация работы всех параллельных каналов (фиг.4).
На фиг.5 показан пример синхронизации RS-триггеров, когда в RS-триггере 1-го канала происходит сбой, а в RS-триггер 2-го канала приходит помеха и устанавливает его в неверное положение, но уже в следующий такт каналы выравниваются и работают синхронно, на выходах Q RS-триггера 1, 2…i-ro канала информация идентичная.
Если возникает систематическая ошибка, т.е. при выходе из строя любого из инверторов 3, 4 RS-триггера 1-го канала (что соответствует одиночной ошибке) на выходах Q и информация будет верной за счет поступающих на вход мажоритарного элемента сигналов с выходов RS-триггеров параллельных каналов, работающих идентично (фиг.6).
Источники информации
1. Дж.Нейман. Вероятностная логика и синтез надежных организмов из ненадежных элементов. В кн. Автоматы. Сборник. – М.: Мир, 1956 г., с.100-108.
2. Б.Байцер. Архитектура вычислительных комплексов. Том 2. – М.: Мир, 1974 г., с.312-314.
6. Кочергин В.И. Теория многомерных цифро-векторных множеств в приложениях к электроприводам и системам электропитания. Томск: Изд-во ТГУ, 2002, стр.122-134.
Формула изобретения
Резервированный RS-триггер, содержащий параллельные каналы, при этом RS-триггер i-го канала содержит два инвертора – (3), (4), сигналы управления которого соединены с выходами инверторов (3) и (4), отличающийся тем, что в обратные связи RS-триггера введено два мажоритарных элемента – (5), (6), выходы которых соединены с входами инверторов (3), (4) соответственно, выход инвертора (3) соединен с входом (1) мажоритарного элемента (6), входы (2…i) мажоритарного элемента (6) первого канала соединены с выходами инверторов (3) каналов (2…i), выход инвертора (4) соединен с входом (1) мажоритарного элемента (5), входы (2…i) мажоритарного элемента (5) соединены с выходами инверторов (4) каналов (2…i).
РИСУНКИ
|
|