|
|
(21), (22) Заявка: 2005136415/28, 23.11.2005
(24) Дата начала отсчета срока действия патента:
23.11.2005
(43) Дата публикации заявки: 27.05.2007
(46) Опубликовано: 10.10.2007
(56) Список документов, цитированных в отчете о поиске:
RU 2180154 C2, 27.02.2002. RU 2222850 C1, 27.01.2004. RU 2030825 C1, 10.03.1995. US 3546883A, 15.12.1970.
Адрес для переписки:
190005, Санкт-Петербург, ул. 1-я Красноармейская, 1, ООО “НПП “Лазерные системы”, ген. директору А.С. Борейшо
|
(72) Автор(ы):
Борейшо Анатолий Сергеевич (RU), Мальков Виктор Михайлович (RU), Орлов Андрей Евгеньевич (RU), Киселев Игорь Алексеевич (RU), Савин Андрей Валерьевич (RU), Шаталов Игорь Владимирович (RU)
(73) Патентообладатель(и):
Общество с ограниченной ответственностью “Научно-производственное предприятие “Лазерные системы” (RU)
|
(54) СПОСОБ МОДЕЛИРОВАНИЯ ПОТОКА ГАЗОВОЙ СМЕСИ, ИДЕНТИЧНОГО ПОТОКУ НА ВЫХОДЕ ИЗ ХИМИЧЕСКОГО HF/DF-СВЕРХЗВУКОВОГО ЛАЗЕРА, И УСТРОЙСТВО ДЛЯ ЕГО РЕАЛИЗАЦИИ
(57) Реферат:
Изобретение относится к лазерной технике, к газодинамическим имитаторам химического сверхзвукового лазера, и может быть использовано при экспериментальной доводке и отладке системы восстановления давления, для HF/DF-непрерывных химических лазеров без использования лазера. В газодинамическом имитаторе с помощью системы хранения и подачи компонентов подают окислитель и разбавитель в динамический смеситель. Производят смешение и направляют полученную газовую смесь в форсуночную головку газогенератора. Направляют в камеру сгорания газогенератора. В камере сгорания обеспечивают получение параметров газовой смеси, идентичных параметрам отработанной активной среды химического HF/DF-сверхзвукового лазера. Направляют поток газовой смеси в сверхзвуковое расходное сопло, в переходную секцию. Поток газовой смеси из сверхзвукового расходного сопла направляют в патрубок. В переходной секции обеспечивают давление Рпс, значение которого предварительно определяется. Газодинамический имитатор снабжен патрубком, установленным между сверхзвуковым расходным соплом и переходной секцией, решеткой, выполненной в виде перфорированной пластины, установленной между переходной секцией и форкамерой соплового устройства. Технический результат – повышение степени равномерности распределения параметров потока газовой смеси по сечению на выходе из газодинамического имитатора при минимальных габаритных размерах конструкции устройства. 2 н.п. ф-лы, 1 ил.
Предлагаемое техническое решение относится к лазерной технике, в частности к газодинамическим имитаторам химического сверхзвукового лазера, и может быть использовано при экспериментальной доводке и отладке системы восстановления давления для HF/DF-непрерывных химических лазеров без использования лазера.
При испытании системы восстановления давления (СВД) для химического HF/DF-сверхзвукового лазера необходимо иметь на входе в СВД пассивный поток газовой смеси с определенными газодинамическими параметрами: расход компонентов, давление, температура торможения и число Маха, и термодинамическими параметрами: молярная масса и показатель адиабаты газовой смеси, близкими к параметрам потока отработанной активной среды на выходе из химического HF/DF-сверхзвукового лазера.
Известен способ моделирования потока газовой смеси с помощью газодинамического имитатора по патенту РФ №2180154, H01S 3/00.
Но этот способ не позволяет получить необходимую равномерность распределения параметров потока по выходному сечению газодинамического имитатора.
Наиболее близким по технической сущности к заявляемому способу является способ моделирования потока газовой смеси, идентичного потоку на выходе из химического лазера, реализуемый с помощью газодинамического имитатора (“Теплофизика и аэромеханика”, 2001, том 8, №4, “Методика испытания систем восстановления давления для HF/DF-НХЛ”, авторы: Борейшо А.С., Леонов А.Ф., Киселев И.А., Орлов А.Е., Савин А.В., Мальков В.М., с.647-656), при котором с помощью системы хранения и подачи компонентов подают окислитель и разбавитель в динамический смеситель, производят смешение, полученную газовую смесь направляют в форсуночную головку газогенератора, смешивают ее с горючим, направляют далее в камеру сгорания газогенератора, дополнительно вводят разбавитель, осуществляют воспламенение газовой смеси и горение, при этом в камере сгорания обеспечивают получение параметров газовой смеси, таких как: расход компонентов, температура торможения, молярная масса и показатель адиабаты, идентичных параметрам отработанной активной среды химического HF/DF-сверхзвукового лазера, направляют поток газовой смеси в сверхзвуковое расходное сопло, далее – в переходную секцию, разворачивают поток на 90 градусов и направляют в форкамеру и в плоское сопло соплового устройства, при этом обеспечивают на выходе из плоского сопла число Маха и полное давление, идентичные соответствующим параметрам отработанной активной среды на выходе из химического HF/DF-сверхзвукового лазера.
Недостаток известного способа состоит в том, что он не в достаточной степени обеспечивает равномерность распределения параметров потока газовой смеси по выходному сечению переходной секции, а значит – и по сечению на выходе из плоского сопла газодинамического имитатора.
Сверхзвуковой поток газовой смеси, истекающий из сверхзвукового расходного сопла, ударяется о противоположную стенку переходной секции, но скорость его остается высокой, торможения потока до дозвуковой скорости не происходит. На выходе из переходной секции формируется локальный высокоскоростной поток газовой смеси, имеющий неравномерно распределенные параметры (температуру торможения, молярную массу и показатель адиабаты газовой смеси), т.е. в разных точках по выходному сечению переходной секции параметры газовой смеси будут различными. Такой поток (с неравномерно распределенными параметрами) пройдет через форкамеру и окажется на выходе из плоского сопла. Следовательно, указанный способ не обеспечит идентичность параметров моделируемого потока газовой смеси параметрам потока отработанной активной среды на выходе из химического лазера.
Что касается устройства, то наиболее близким к заявляемому техническому решению является газодинамический имитатор, конструктивные особенности которого представлены в публикации: “Теплофизика и аэромеханика” 2001, том 8, №4, с.647-656, “Методика испытания систем восстановления давления для HF/DF-НХЛ”, авторы: Борейшо А.С., Леонов А.Ф., Киселев И.А., Орлов А.Е., Савин А.В., Мальков В.М.
Известный газодинамический имитатор, позволяющий осуществить указанный способ, содержит систему хранения и подачи компонентов, динамический смеситель, газогенератор с форсуночной головкой, камерой сгорания и сверхзвуковым расходным соплом, переходную секцию, сопловое устройство, включающее форкамеру и плоское сопло.
Известная конструкция не обеспечивает в достаточной степени равномерность распределения параметров потока газовой смеси на выходе из переходной секции, так как сверхзвуковой поток газовой смеси, истекающий из расходного сопла, ударяясь о противоположную стенку переходной секции, продолжает оставаться сверхзвуковым, скорость его не снижается до дозвуковой (т.е. не происходит торможения). А значит по выходному сечению переходной секции параметры потока газовой смеси неравномерно распределены, такой же поток будет и на выходе из плоского сопла газодинамического имитатора. Обеспечить необходимую равномерность распределения параметров газовой смеси на выходе из плоского сопла в известном решении теоретически возможно, но при значительном увеличении габаритных размеров устройства, что делать крайне нежелательно и недопустимо.
Таким образом, известное устройство не обеспечивает в достаточной степени идентичность параметров потока газовой смеси на выходе из газодинамического имитатора и параметров потока на выходе из химического лазера.
Техническим результатом предлагаемых решений, заявляемых в качестве группы изобретений, является повышение степени равномерности распределения параметров потока газовой смеси по сечению на выходе из газодинамического имитатора при минимальных габаритных размерах конструкции устройства.
Задачей является обеспечение идентичности параметров моделируемого потока газовой смеси параметрам потока на выходе из химического HF/DF-сверхзвукового лазера.
Технический результат в заявляемом способе моделирования потока газовой смеси, идентичного потоку на выходе из химического HF/DF-сверхзвукового лазера, достигается за счет того, что в газодинамическом имитаторе с помощью системы хранения и подачи компонентов подают окислитель и разбавитель в динамический смеситель, производят смешение и направляют полученную газовую смесь в форсуночную головку газогенератора, смешивают ее с горючим, далее направляют в камеру сгорания газогенератора, дополнительно вводят разбавитель, осуществляют воспламенение газовой смеси и горение, при этом в камере сгорания обеспечивают получение параметров газовой смеси, таких как: расход компонентов, температура торможения, молярная массы и показатель адиабаты, идентичных параметрам отработанной активной среды химического HF/DF-сверхзвукового лазера, направляют поток газовой смеси в сверхзвуковое расходное сопло, далее – в переходную секцию, разворачивают поток на 90 градусов и направляют в форкамеру и в плоское сопло соплового устройства, при этом обеспечивают на выходе из плоского сопла число Маха и полное давление, идентичные соответствующим параметрам отработанной активной среды на выходе из химического HF/DF-сверхзвукового лазера, согласно изобретению поток газовой смеси из сверхзвукового расходного сопла направляют в патрубок, который выполняют в виде цилиндрической трубы и устанавливают между сверхзвуковым расходным соплом и переходной секцией, из переходной секции в форкамеру поток газовой смеси направляют через решетку, которую выполняют в виде перфорированной, пластины и устанавливают между переходной секцией и форкамерой соплового устройства; при этом в переходной секции обеспечивают давление Рпс, значение которого предварительно выбирается из соотношения:

где – нижняя граница давления в переходной секции, при котором в патрубке за сверхзвуковым расходным соплом возникает мостообразный скачок уплотнения, определяемая из соотношения:

где Р0 – давление в камере сгорания;
– показатель адиабаты газовой смеси;
dп – диаметр патрубка;
dкр – диаметр критического сечения сверхзвукового расходного сопла;
М – число Маха сверхзвукового расходного сопла;
– верхняя граница давления в переходной секции, при котором в патрубке за сверхзвуковым расходным соплом возникает мостообразный скачок уплотнения, определяемая из соотношения:

Новым в предлагаемом способе является то, что поток газовой смеси из сверхзвукового расходного сопла направляют в патрубок, который выполняют в виде цилиндрической трубы и устанавливают между сверхзвуковым расходным соплом и переходной секцией, из переходной секции в форкамеру поток газовой смеси направляют через решетку, которую выполняют в виде перфорированной пластины и устанавливают между переходной секцией и форкамерой соплового устройства, в переходной секции обеспечивают давление Рп.с., значение которого предварительно определяется.
Для реализации указанного способа предлагается газодинамический имитатор химического HF/DF-сверхзвукового Лазера, содержащий систему хранения и подачи компонентов, динамический смеситель, газогенератор с форсуночной головкой, камерой сгорания и сверхзвуковым расходным соплом, переходную секцию, сопловое устройство, включающее форкамеру и плоское сопло, который, согласно изобретению, для достижения технического результата снабжен патрубком, выполненным в виде цилиндрической трубы, установленным между сверхзвуковым расходным соплом и переходной секцией, и – решеткой, выполненной в виде перфорированной пластины, установленной между переходной секцией и форкамерой соплового устройства.
Новым в заявляемом устройстве является:
ведение конструктивного элемента – патрубка, выполнение его в виде цилиндрической трубы и установка – между сверхзвуковым расходным соплом и переходной секцией, а также введение конструктивного элемента – решетки, выполненной в виде перфорированной пластины и установка ее между переходной секцией и форкамерой соплового устройства.
При работе газодинамического имитатора поток газовой смеси после прохождения сверхзвукового расходного сопла направляют в патрубок. За счет того, что в переходной секции посредством решетки создается необходимое давление, за расходным соплом в патрубке возникает мостообразный скачок уплотнения. На мостообразном скачке уплотнения происходит торможение потока, скорость его падает до дозвуковой. При этом имеет место достаточно равномерное распределение параметров потока по сечению патрубка. Из патрубка поток газовой смеси направляется в переходную секцию, разворачивается там на 90 градусов, проходит через перфорированную пластину, которая способствует равномерному распределению параметров потока. Далее, проходя через форкамеру и плоское сопло, параметры потока дополнительно выравниваются и на выходе из плоского сопла получают поток с достаточно высокой равномерностью распределения параметров по сечению. Причем за счет того, что уже на выходе из патрубка достигается равномерность распределения параметров, нет необходимости увеличивать габаритные размеры переходной секции, форкамеры и плоского сопла. А это значит, что заявляемое устройство позволяет обеспечить высокую степень равномерности распределения параметров потока на выходе из плоского сопла при минимальных габаритных размерах конструкции.
В существующем уровне техники не выявлены технические решения, имеющие признаки, полностью совпадающие с отличительными признаками, заявляемых в качестве группы изобретений решений, что позволяет сделать вывод о соответствии их условию патентоспособности “изобретательский уровень”.
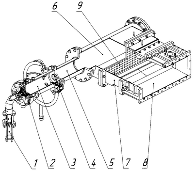
На чертеже представлена конструкция газодинамического имитатора химического HF/DF-сверхзвукового лазера.
Газодинамический имитатор химического HF/DF-сверхзвукового лазера содержит систему хранения и подачи компонентов (не показана), динамический смеситель 1, газогенератор с форсуночной головкой 2, камерой сгорания 3 и сверхзвуковым расходным соплом 4, патрубок 5, переходную секцию 6, сопловое устройство, состоящее из форкамеры 7 и плоского сопла 8. Между переходной секцией 6 и форкамерой 7 установлена решетка, выполненная в виде перфорированной пластины 9.
Предлагаемый способ осуществляют следующим образом.
В газодинамическом имитаторе с помощью системы хранения и подачи компонентов, в баллонах высокого давления (не показаны), смешивают кислород и азот. Получают кислородно-азотную смесь – окислитель и вместе с гелием-разбавителем подают в патрубки динамического смесителя 1.
В динамическом смесителе 1 формируют кольцевую струю разбавителя, в которую вдувают поперечные струи окислителя, что позволяет получить смесь высокой степени однородности. Кроме того, для создания дополнительных завихрений и улучшения процесса смешения на выходе из динамического смесителя 1 осуществляют сужение потока смеси. Далее полученную газовую смесь подают в форсуночную головку 2 газогенератора, где происходит смешение газовой смеси с горючим в виде метана.
Затем поток направляют в камеру сгорания 3 газогенератора, где с помощью двух электрических свечей (или двух пиропатронов) осуществляют воспламенение газовой смеси. Для получения необходимого состава газовой смеси в камеру сгорания 3 дополнительно вводят разбавитель, причем он вводится навстречу потоку продуктов сгорания. В камере сгорания 3 происходит горение газовой смеси.
В камере сгорания 3 обеспечивают расход компонентов, температуру торможения, молярную массу и показатель адиабаты, идентичные соответствующим параметрам отработанной активной среды химического HF/DF-сверхзвукового лазера.
При этом обеспечивают соотношение расходов горючего, окислителя и разбавителя, которое необходимо для нормального протекания процесса горения.
При воспламенении в камере сгорания 3 перед сверхзвуковым расходным соплом 4 начинает расти давление и достигает своего значения Р0, необходимого для нормального протекания процесса горения. Давление Р0 в камере сгорания 3 обеспечивается сверхзвуковым расходным соплом 4, площадь критического сечения которого предварительно определяется из соотношения: 
где G – расход компонентов газовой смеси;
Т0 – температура торможения газовой смеси;
Р0 – давление в камере сгорания;
m – функция параметров газовой смеси: показателя адиабаты и молярной массы.
В сверхзвуковом расходном сопле 4 поток разгоняется до сверхзвуковой скорости, а затем поступает в патрубок 2.
Следует отметить, что отношение длины патрубка к внутреннему диаметру патрубка (1/d) предварительно выбирается (в зависимости от числа Маха сверхзвукового расходного сопла) по таблице*:
| Число Маха |
1/d |
| 2 |
3-10 |
| 3 |
5-12 |
| 4 |
7-14 |
| (*A.M.Сизов. “Газодинамика и теплообмен газовых струй в металлургических процессах”, “Металлургия”. M., 1987, с.256) |
С началом процесса горения начинает расти и давление в переходной секции 6 перед перфорированной пластиной 9 и достигает своего значения Рпс, которое предварительно выбирается из соотношения:

где – нижняя граница давления в переходной секции, при котором в патрубке за сверхзвуковым расходным соплом возникает мостообразный скачок уплотнения, определяемая по формуле:

где Р0 – давление в камере сгорания;
– показатель адиабаты газовой смеси;
dп – внутренний диаметр патрубка;
dкр – диаметр критического сечения сверхзвукового расходного сопла;
М – число Маха сверхзвукового расходного сопла;
– верхняя граница давления в переходной секции, при котором в патрубке за сверхзвуковым расходным соплом возникает мостообразный скачок уплотнения, определяемая из соотношения:

При этом определяют суммарную площадь сечения отверстий перфорированной пластины: 
где G – расход компонентов газовой смеси;
Т0 – температура торможения газовой смеси;
m – функция параметров газовой смеси: молярной массы и показателя адиабаты;
Рпс – давление в переходной секции.
Итак, после прохождения сверхзвукового расходного сопла 4 поток в виде недорасширенной струи поступает в патрубок 5. В патрубке 5, за расходным соплом 4, сверхзвуковая струя расширяется, ее диаметр увеличивается и она присоединяется к внутренней стенке патрубка. В этот момент возникает мостообразный скачок уплотнения, занимающий все поперечное сечение патрубка 5.
На мостообразном скачке уплотнения (в патрубке 5 за расходным соплом 4) осуществляется торможение сверхзвукового потока, скорость его падает до дозвуковой.
При этом распределение параметров потока газовой смеси по сечению патрубка 5 выравнивается. И уже на выходном сечении патрубка 2 будут достаточно равномерно распределенные параметры потока газовой смеси. Проходя через переходную секцию 6 и, особенно, через перфорированную пластину 9, и затем – через форкамеру 7 соплового устройства, поток еще более выравнивается. И по сечению на выходе из плоского сопла будет обеспечена достаточно высокая степень равномерности распределения параметров потока газовой смеси.
А это значит, что на выходе из плоского сопла газодинамического имитатора получили поток, параметры которого идентичны параметрам потока на выходе из химического HF/DF-сверхзвукового лазера.
По сравнению с наиболее близким техническим решением можно утверждать, что предлагаемый способ обеспечивает более высокую степень равномерности распределения параметров потока на выходе из газодинамического имитатора, т.к. уже на входе в переходную секцию поток имеет дозвуковую скорость, а это значит, что параметры потока уже достаточно равномерно распределены по сечению на входе в переходную секцию. Следовательно, на выходе из плоского сопла будет обеспечена более высокая степень равномерности распределения параметров потока газовой смеси.
Таким образом, предлагаемый газодинамический имитатор позволяет получить поток газовой смеси на выходе из газодинамического имитатора, параметры которого идентичны параметрам потока на выходе из химического HF/DF-сверхзвукового лазера.
Заявляемый газодинамический имитатор химического HF/DF-сверхзвукового лазера, относящийся к лазерной технике, может быть изготовлен промышленным способом с помощью известных средств и методов. Это позволяет сделать вывод о соответствии предлагаемого технического решения условию патентоспособности “промышленная применимость”.
Формула изобретения
1. Способ моделирования потока газовой смеси, идентичного потоку на выходе из химического HF/DF-сверхзвукового лазера, заключающийся в том, что в газодинамическом имитаторе с помощью системы хранения и подачи компонентов подают окислитель и разбавитель в динамический смеситель, производят смешение и направляют полученную газовую смесь в форсуночную головку газогенератора, смешивают ее с горючим, направляют далее в камеру сгорания газогенератора, дополнительно вводят разбавитель, осуществляют воспламенение газовой смеси и горение, при этом в камере сгорания обеспечивают получение параметров газовой смеси: расхода компонентов, температуры торможения, молярной массы и показателя адиабаты, идентичных параметрам отработанной активной среды химического HF/DF-сверхзвукового лазера, направляют поток газовой смеси в сверхзвуковое расходное сопло, далее – в переходную секцию, разворачивают поток на 90° и направляют в форкамеру и в плоское сопло соплового устройства, при этом обеспечивают на выходе из плоского сопла число Маха и полное давление, идентичные соответствующим параметрам отработанной активной среды на выходе из химического HF/DF-сверхзвукового лазера, отличающийся тем, что поток газовой смеси из сверхзвукового расходного сопла направляют в патрубок, который выполняют в виде цилиндрической трубы и устанавливают между сверхзвуковым расходным соплом и переходной секцией, из переходной секции в форкамеру поток газовой смеси направляют через решетку, которую выполняют в виде перфорированной пластины и устанавливают между переходной секцией и форкамерой соплового устройства, в переходной секции обеспечивают давление Рпс, значение которого предварительно выбирается из соотношения

где – нижняя граница давления в переходной секции, при котором в патрубке за сверхзвуковым расходным соплом возникает мостообразный скачок уплотнения, определяемая из соотношения

где Р0 – давление в камере сгорания;
– показатель адиабаты газовой смеси;
dп – диаметр патрубка;
dкр – диаметр критического сечения сверхзвукового расходного сопла;
М – число Маха сверхзвукового расходного сопла;
– верхняя граница давления в переходной секции, при котором в патрубке за сверхзвуковым расходным соплом возникает мостообразный скачок уплотнения, определяемая из соотношения

2. Газодинамический имитатор химического HF/DF-сверхзвукового лазера, содержащий систему хранения и подачи компонентов, динамический смеситель, газогенератор с форсуночной головкой, камерой сгорания и сверхзвуковым расходным соплом, переходную секцию, сопловое устройство, включающее форкамеру и плоское сопло, отличающийся тем, что он снабжен патрубком, выполненным в виде цилиндрической трубы, установленным между сверхзвуковым расходным соплом и переходной секцией, и решеткой, выполненной в виде перфорированной пластины, установленной между переходной секцией и форкамерой соплового устройства.
РИСУНКИ
|
|