|
|
(21), (22) Заявка: 2006105807/09, 28.02.2006
(24) Дата начала отсчета срока действия патента:
28.02.2006
(46) Опубликовано: 27.09.2007
(56) Список документов, цитированных в отчете о поиске:
RU 2132596 C1, 27.06.1999. SU 1293853 A1, 28.02.1987. SU 1125770 A1, 23.11.1984. EP 0283955, 28.09.1988. CN 1496092, 12.05.2004.
Адрес для переписки:
141006, Московская обл., г. Мытищи-6, 16 ЦНИИИ МО РФ ВриО, земестителю начальника института по научной работе А.А. Степанову
|
(72) Автор(ы):
Вергелис Николай Иванович (RU)
(73) Патентообладатель(и):
16 Центральный научно-исследовательский испытательный институт Министерства обороны Российской Федерации (RU)
|
(54) УСТРОЙСТВО ДИСПЕТЧЕРСКОЙ СВЯЗИ
(57) Реферат:
Изобретение относится к технике телефонной связи и может быть использовано для обеспечения связи между абонентами сети диспетчерской связи на различных предприятиях. Достигаемым техническим результатом изобретения является расширение функциональных возможностей и повышение удобства пользования устройством при работе по каналам и линиям связи различных сетей. Указанный результат достигается за счет того, что устройство диспетчерской связи содержит пульты связи в составе микрофона, усилителя передачи, блока согласования, усилителя приема, громкоговорителя, микротелефонной трубки, микрофонного усилителя, телефонного усилителя, блока управления пульта, контроллера клавиатуры, клавиатуры, блока обработки сигналов, блока индикации и светового табло, а также блок подключения пультов связи, управляющий узел, коммутатор, цифровой коммутатор, блок согласования линий, блок коммутации линий, абонентские линии, каналы дальней связи, линию от автоматической телефонной станции (АТС), цифровые каналы, радиоканалы ультракоротковолновых радиостанций, блок селективного вызова, блок установки режима вызова, блок анализаторов вызова, блок приема индукторного вызова, блок приема вызова голосом, блок формирования сигналов вызова, импульсный и разговорный ключи, соединенные определенным образом. 3 з.п. ф-лы, 3 ил.
Изобретение относится к технике телефонной связи и может быть использовано для обеспечения связи между абонентами сети диспетчерской связи на различных предприятиях.
Известно устройство для диспетчерской дуплексной связи, содержащее пульты связи в составе микротелефонной трубки, микрофона и усилителя передачи, усилителя приема и громкоговорителя, блока управления и коммутации и блока индикации, а также содержащее блок формирования сигналов вызова, блок приема индукторного вызова, блок приема вызова голосом и блок установки режима вызова [1].
Однако данное устройство имеет низкое качество обслуживания абонентов из-за большой потери вызовов.
Известно также устройство для диспетчерской дуплексной связи, содержащее пульты связи, состоящие из микротелефонной трубки, последовательно соединенных микрофона и усилителя передачи, последовательно соединенных усилителя приема и громкоговорителя, блока управления и коммутации и блока индикации, блок формирования сигналов вызова, блок приема индукторного вызова, блок приема вызова голосом и блок установки режима вызова, последовательно соединенные по управляющим цепям блок объединения сигналов вызова, блок подключения пультов связи, блок коммутации линий и логический блок, формирователь сигналов занятия линий, блок сигнализации занятия линий и блок диодной развязки [2].
Основным недостатком известного устройства является то, что оно не обеспечивает работу по различного типа абонентским линиям и каналам дальней связи, в том числе двух- и четырехпроводным физическим линиям, четырехпроводным каналам тональной частоты и цифровым каналам, по которым передаются различного уровня линейные сигналы в аналоговом и цифровом режиме.
Наиболее близким по технической сущности к заявляемому устройству является устройство диспетчерской дуплексной связи, содержащее пульты связи в составе микрофона, усилителя передачи, блока согласования, усилителя приема, громкоговорителя, микротелефонной трубки, микрофонного усилителя, телефонного усилителя, блока управления пульта, контроллера клавиатуры, клавиатуры, блока обработки сигналов и блока индикации, содержащее также блок подключения пультов связи, управляющий узел, коммутатор, блок согласования линий, блок коммутации линий, абонентские линии, каналы дальней связи, линию от автоматической телефонной станции (АТС), блок установки режима вызова, блок анализаторов вызова, блок приема индукторного вызова, блок приема вызова голосом, блок формирования сигналов вызова, импульсный и разговорный ключи [3].
Описанное в [3] устройство диспетчерской дуплексной связи обеспечивает работу по абонентским линиям связи разной длины и типа, по различным каналам дальней связи, а также ведение переговоров в телефонном режиме и режиме громкоговорящей связи.
Основными недостатками известного устройства диспетчерской дуплексной связи являются его ограниченные возможности по обеспечению сопряженной работы с высокоскоростными каналами цифровых сетей связи и невозможность работы по радиоканалам сетей подвижной связи, имеющих адресную систему вызова абонентов.
Кроме того, в известном устройстве не обеспечивается переадресация вызовов с одного рабочего места на другое.
Целью изобретения является расширение функциональных возможностей и повышение удобства пользования устройством при работе по каналам и линиям связи различных сетей.
Поставленная цель достигается тем, что в устройство диспетчерской связи, содержащее пульты связи в составе последовательно соединенных микрофона и усилителя передачи, выход которого подключен к первому входу блока согласования, первый выход которого через усилитель приема соединен со входом громкоговорителя, микротелефонной трубки, вход и выход которой через микрофонный усилитель и телефонный усилитель подключены соответственно ко второму входу и выходу блока согласования, блока управления пульта, первый вход-выход которого через контроллер клавиатуры соединен с входом-выходом клавиатуры, второй вход-выход блока управления пульта соединен с входом-выходом блока обработки сигналов, выходы которого соединены со входами блока индикации, выход которого соединен со входом блока обработки сигналов, управляющий вход блока согласования соединен с выходом блока управления пульта, а также содержащее блок подключения пультов связи, управляющий узел, коммутатор, блок согласования линий, блок коммутации линий, к первому, второму и третьему входам-выходам которого подключены соответственно абонентские линии, каналы дальней связи и линия от автоматической телефонной станции, блок установки режима вызова, блок анализаторов вызова, блок приема индукторного вызова, блок приема вызова голосом, блок формирования сигналов вызова, импульсный и разговорный ключи, при этом первый, второй и n-й входы-выходы блока подключения пультов связи соединены с входом-выходом блока согласования соответственно первого, второго и n-го пультов связи, управляющий вход-выход блока управления каждого из n пультов подключен к соответствующему управляющему входу-выходу управляющего узла, первый вход-выход речевых сигналов управляющего узла соединен с входами-выходами речевых сигналов блока подключения пультов связи, второй вход-выход управляющего узла через коммутатор и блок согласования линий соединен с входами-выходами речевых сигналов блока коммутации линий, второй и третий входы-выходы блока согласования линий подключены к первым входам-выходам соответственно импульсного и разговорного ключей, вторые входы-выходы которых объединены и подключены к третьему входу-выходу речевых сигналов блока коммутации линий, выходы которого через блок установки режима вызова соединены со входами блока анализаторов вызова, первый и второй выходы которого через блок приема индукторного вызова и блок приема вызова голосом подключены соответственно к сигнальным входам управляющего узла, первый, второй, третий, четвертый, пятый, шестой и седьмой выходы которого подключены к управляющим входам соответственно коммутатора, блока коммутации линий, блока установки режима вызова, блока анализаторов вызова, импульсного и разговорного ключей, к входу запуска блока формирования сигналов вызова, отличающееся тем, что в него введены цифровой коммутатор, блок селективного вызова, цифровые каналы и радиоканалы ультракоротковолновых радиостанций, а в состав каждого пульта связи дополнительно введено световое табло и линия внутренней связи между пультами, при этом первые, вторые и третьи входы-выходы цифрового коммутатора подключены к дополнительным входам-выходам соответственно управляющего узла, коммутатора и блока согласования линий, первые и вторые входы-выходы блока селективного вызова подключены соответственно ко вторым дополнительным входам-выходам управляющего узла и к первым дополнительным входам-выходам блока коммутации линий, вторые и третьи дополнительные входы-выходы которого соединены соответственно с входами-выходами цифровых каналов и каналов ультракоротковолновых радиостанций, а первые и вторые дополнительные управляющие выходы управляющего узла подключены к управляющим входам соответственно цифрового коммутатора и блока селективного вызова.
Сопоставительный анализ с прототипом показывает, что заявляемое устройство диспетчерской связи отличается наличием новых блоков: цифрового коммутатора, блока селективного вызова, введением в состав пультов связи дополнительно светового табло и линии внутренней связи между пультами, подключением к устройству цифровых каналов и радиоканалов ультракоротковолновых радиостанций, а также изменениями связей между элементами схемы.
Таким образом, заявляемое устройство диспетчерской связи соответствует критерию изобретения «новизна». Сравнение заявляемого решения с другими техническими решениями показывает, что введение новых блоков и изменение связей с остальными элементами схемы способствует проявлению новых свойств устройства диспетчерской связи, приводит к расширению его функциональных возможностей и повышению удобства пользования устройством при работе по каналам и линиям связи различных сетей. Это позволяет сделать вывод о соответствии технического решения критерию «существенные отличия».
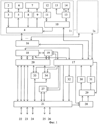
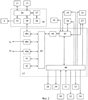
На фиг.1 представлена структурная схема устройства диспетчерской связи; на фиг.2 и 3 приведены структурные схемы блока управления пульта, управляющего узла и блока селективного вызова.
Устройство диспетчерской связи (фиг.1) содержит пульты 1l-1n связи в составе микрофона 2, усилителя передачи 3, блока согласования 4, усилителя приема 5, громкоговорителя 6, микротелефонной трубки 7, микрофонного усилителя 8, телефонного усилителя 9, блока управления 10 пульта, контроллера клавиатуры 11, клавиатуры 12, блока обработки сигналов 13, блока индикации 14 и светового табло 15, а также содержит блок подключения пультов связи 16, управляющий узел 17, коммутатор 18, цифровой коммутатор 19, блок согласования линий 20, блок коммутации линий 21, абонентские линии 22, каналы дальней связи 23, линию 24 от автоматической телефонной станции (АТС), цифровые каналы 25, радиоканалы 26 ультракоротковолновых радиостанций, блок селективного вызова 27, блок установки режима вызова 28, блок анализаторов вызова 29, блок приема индукторного вызова 30, блок приема вызова голосом 31, блок формирования сигналов вызова 32, импульсный ключ 33 и разговорный ключ 34.
Блок управления 10 пульта 1 связи (фиг.2) состоит из контроллера 35 системной магистрали, системной шины 36, системного контроллера 37, вычислителя 38 и контроллера 39 последовательного интерфейса.
Управляющий узел 17 (фиг.2) содержит n контроллеров 401-40n последовательного интерфейса, управляющий процессор 41, блок памяти 42, системную шину 43, первый контроллер 44 системной магистрали, системную магистраль 45 и блок контроллеров 46 системной магистрали.
Блок 27 селективного вызова (фиг.3) содержит реле времени 47, генератор фиксированных частот 48, блок синхронизации 49, блок согласования 50, первый 51, второй 52 и третий 53 приемники вызова, блок ИЛИ 54 и блок сравнения 55.
В каждом пульте связи 11-1n выход микрофона 2 через усилитель передачи 3 подключен к первому входу блока согласования 4, первый выход которого через усилитель приема 5 соединен со входом громкоговорителя 6, а вход и выход микротелефонной трубки 7 через микрофонный 8 и телефонный 9 усилители подключены соответственно ко второму входу и выходу блока согласования 4. При этом первый, второй и n-й входы-выходы блока подключения пультов связи 16 соединены с входом-выходом блока согласования 4 соответственно первого, второго и n-го пультов связи, соединенных между собой через блок подключения пультов связи 16 линией внутренней связи.
В блоке управления 10 пульта связи 1 вход-выход контроллера 35 через системную шину 36, системный контроллер 37 подключен ко входу-выходу вычислителя 38, а выход контроллера 35 соединен с управляющим входом блока согласования 4, а второй и третий входы-выходы системной шины 36 подключены соответственно к первому входу-выходу контроллера 11, второй вход-выход которого соединен со входом-выходом клавиатуры 12, и ко входу-выходу блока обработки сигналов 13, первые и вторые выходы которого подключены соответственно ко входам блока индикации 14, выход которого соединен со входом блока обработки сигналов 13, и ко входам светового табло 15, пятый вход-выход системной шины 36 соединен с первым входом-выходом контроллера 39 последовательного интерфейса.
В управляющем узле 17 первые входы-выходы системной шины 43 подключены к первым входам-выходам каждого из n контроллеров 401-40n последовательного интерфейса, вторые входы-выходы которых соединены со вторыми входами-выходами контроллеров 39 последовательного интерфейса блока управления 10 соответствующего пульта 1 связи (например, контроллер 391 первого пульта 11 соединен с контроллером 401, контроллер 392 второго пульта 12 с контроллером 402 и т.д.), а входы-выходы управляющего процессора 41 и блока памяти 42 подключены соответственно ко вторым и третьим входам-выходам системной шины 43, четвертые входы-выходы которой через первый контроллер 44 системной магистрали соединены с первыми входами-выходами системной магистрали 45, вторые входы-выходы которой подключены к входам-выходам блока контроллеров 46 системной магистрали 45, при этом первыми входами-выходами управляющего узла 17 являются вторые входы-выходы n контроллеров 401-40n последовательного интерфейса, вторыми и третьими входами-выходами управляющего узла 17 являются соответственно третьи и четвертые входы-выходы системной магистрали 45, первые и вторые дополнительные входы-выходы которой являются соответственно первыми и вторыми дополнительными входами-выходами управляющего узла 17. Первые и вторые дополнительные входы-выходы управляющего узла 17 подключены соответственно к первым входам-выходам цифрового коммутатора 19 и блока селективного вызова 27.
Вторые и третьи входы-выходы цифрового коммутатора 19 подключены к дополнительным входам-выходам соответственно коммутатора 18 и блока согласования линий 20.
Первый, второй, третий, четвертый, пятый, шестой и седьмой выходы блока контроллеров 46 системной магистрали 45 управляющего узла 17 подключены к входам соответственно коммутатора 18, блока коммутации линий 21, блока установки режима вызова 28, блока анализаторов вызова 29, блока формирования сигналов вызова 32, импульсного ключа 33 и разговорного ключа 34, а первый и второй дополнительные выходы блока контроллеров 46 системной магистрали 45 являются соответственно первым и вторым дополнительными выходами управляющего узла 17 и подключены к управляющим входам соответственно цифрового коммутатора 19 и блока селективного вызова 27.
Первый и второй входы блока контроллеров 46 системной магистрали 45 являются соответственно первыми и вторыми сигнальными входами управляющего узла 17 и подключены к выходам соответственно блока приема индукторного вызова 30 и блока приема вызова голосом 31.
Третий вход-выход системной магистрали 45 через первый вход-выход управляющего узла 17 подключен к входам-выходам речевых сигналов блока подключения пультов связи 16, а четвертый вход-выход системной магистрали 45 через второй вход-выход управляющего узла 17, коммутатор 18 и блок согласования линий 20 соединен с входами-выходами речевых сигналов блока коммутации линий 21. Первый и второй входы-выходы блока согласования линий 20 подключены к первым входам-выходам импульсного 33 и разговорного 34 ключей, вторые входы-выходы которых объединены и подключены к третьим входам-выходам блока коммутации линий 21, к первым, вторым и третьим входам-выходам которого подключены абонентские линии 22, каналы дальней связи 23 и линия 24 от автоматической телефонной станции.
Выход реле времени 47 блока селективного вызова 27 соединен со входом генератора фиксированных частот 48, выход которого соединен со входом блока согласования 50, выход которого подключен параллельно ко входам первого 51, второго 52 и третьего 53 приемников вызова, выходы которых подключены к соответствующим входам блока ИЛИ 54, выход которого соединен со входом блока сравнения 55. Первый и второй управляющие выходы блока синхронизации 49 блока селективного вызова 27 подключены к управляющим входам соответственно генератора фиксированных частот 48 и блока сравнения 55. При этом управляющим входом блока селективного вызова 27 является вход реле времени 47, который соединен со вторым дополнительным выходом блока контроллеров 46 системной магистрали 45 управляющего узла 17, а первыми входами-выходами блока селективного вызова 27 являются входы-выходы блока сравнения 55, которые соединены со вторыми дополнительными входами-выходами системной магистрали 45 управляющего узла 17.
Вызывной вход блока установки режима вызова 28 соединен с выходом блока коммутации линий 21, а выходы блока 28 подключены ко входам блока анализаторов вызова 29, выходы которого через блок приема индукторного вызова 30 и блок приема вызова голосом 31 соединены с сигнальными входами блока контроллеров 46 системной магистрали 45 управляющего узла 17.
Блок 4 предназначен для согласования четырехпроводных выходов переговорных приборов ГГС (микрофона 2 с усилителем передачи 3 и усилителя приема 5 с громкоговорителем 6) и МТ (микротелефонной трубки 7 с микрофонным усилителем 9) по схеме включения и уровням сигналов при составлении трактов для ведения переговоров по абонентским линиям 22, каналам дальней связи 23 и линии 24 от автоматической телефонной станции (АТС).
Блок управления пульта 10 совместно с блоками 11, 12, 13 предназначен для формирования команд управления, обработки сигналов, поступающих с клавиатуры 12 при выборе линии, по которой устанавливается связь, выборе переговорного прибора (ГГС или МТ), подключаемого к выбранной линии, а также управления отображением сигналов занятия линий и переговорных приборов на блоке индикации 14 пульта связи 1.
Клавиатура 12 представляет собой матрицу клавиш, объединенных в единое целое с электронным блоком, предназначенным для преобразования нажатия клавиши в двоичный код. Она может включать клавиши (0-9) и функциональные клавиши, обеспечивающие возможность ввода цифровой информации и произвольных символов, а также набора номера абонентов автоматической телефонной станции.
Световое табло 15 представляет собой устройство, выполненное в виде жидкокристаллического дисплея и предназначенное для вывода и отображения буквенно-цифровой информации о состояния каналов и линий связи, а также передаваемых и принимаемых вызывных команд и команд управления. При этом на световом табло 15 отображаются режимы работы по линии и каналам связи, тип используемого переговорного прибора (ГГС или МТ), система вызова (посылка и прием вызова переменным или постоянным током, вызов голосом, набор номера абонента и др.). Кроме того, на световом табло оператору высвечивается подсказка при проведении любой операции на пульте, в том числе подсказка о нажатии соответствующих клавиш в случае его неправильных действий. Все это существенно повышает оперативность установления связи и ведения переговоров по каналам и линиям связи, а также способствует улучшению удобства пользования устройством.
Блок 16 предназначен для сопряжения выходных цепей пультов связи 11-1n с параметрами подключаемых к устройству линий связи. Управляющий узел 17 обеспечивает прием, обработку и обмен информацией между блоками устройства диспетчерской дуплексной связи и координацию работы узлов устройства при составлении трактов и установлении связи с каждого пульта 11-1n по любой линии и каналу связи 22, 23, 24, 25, 26 с использованием одного из двух переговорных приборов (ГГС или МТ) любого пульта связи 1.
Входящие в состав блока управления пульта 10 и управляющего узла 17 контроллеры 35, 37, 39, 40, 44, системные шины 36, 43 и системная магистраль 45 широко известны в литературе [4, 5].
Контроллер представляет собой электронную схему, предназначенную для сопряжения вычислителя 38 и процессора 41 с внешними устройствами (клавиатурой и т.д.) и управления ими через системную шину.
Системная шина 36, 43 представляет собой среду передачи сигналов (группу линий электрических соединений), к которой параллельно подключается несколько блоков и через которую осуществляется передача данных, а также управляющих сигналов между ними.
Системная магистраль 45 представляет собой совокупность одно- и двунаправленных линий, логически объединенных в группы передачи речевой информации и информационных сигналов.
Вычислитель 38 и управляющий процессор 41 являются функционально законченными блоками, осуществляющими вычисления по хранящейся в блоке памяти программе и обеспечивающими общее управление процессом составления трактов, установления связи и ведения переговоров по абонентским линиям 22, каналам дальней связи 23, линии 24 от АТС, цифровым каналам 25 и радиоканалам 26 ультракоротковолновых радиостанций [4, 5].
Блок памяти 42 состоит из совокупности ячеек памяти определенной разрядности, связанных с процессором. Он предназначен для хранения выполняемых программ и данных, непосредственно участвующих в операциях, а также результатов обработки информации и вычислений.
Коммутатор 18 предназначен для обеспечения полнодоступной коммутации входов-выходов переговорных приборов ГГС и МТ каждого пульта связи 11-1n на любую из подключенных к устройству линию и канал связи. Он может быть реализован на микросхемах серии 590 КН12.
Цифровой коммутатор 19 предназначен для коммутации образованных цифровых каналов со скоростями передачи 16 и 32 кбит/с с целью обеспечения сопряженной работы аналоговых и цифровых каналов устройства с цифровыми каналами на скорости 64 кбит/с телефонной сети общего пользования. Он обеспечивает преобразование и коммутацию поступающей с линий и каналов связи аналоговой информации в цифровую и, наоборот, цифровой информации в аналоговую для передачи в информационную магистраль.
Блок 20 предназначен для согласования уровней сигналов на входах-выходах коммутатора 18, цифрового коммутатора 19, линиях 22, 24 и каналах связи 23, 25 и 26 с целью обеспечения независимой и полнодоступной коммутации их входов-выходов между собой.
Блок 21 коммутации линий включает в свой состав исполнительные элементы, предназначенные для переключения выхода блока формирования сигналов вызова 32 на вход линий 22, 24, каналов дальней связи 23 и отключения цепей приема вызова от входа блока установки режима вызова 28 по командам, поступающим с выхода блока контроллеров 46 системной магистрали 45 управляющего узла 17, а также для проключения приемных и передающих цепей цифровых каналов 25 и радиоканалов 26 ультракоротковолновых радиостанций на блок 27.
Блок селективного вызова 27 предназначен для формирования вызывных сигналов фиксированной частоты с последующей передачей их в радиоканалы 26 ультракоротковолновых радиостанций и приема поступающих с каналов сигналов вызова фиксированной частоты.
Блок анализаторов вызова 29 предназначен для анализа поступающих с линий 22, 24 и каналов 23, 25, 26 связи сигналов и обнаружения в их составе вызывных сигналов переменного тока напряжением 60-80 В, постоянного тока напряжением 24-27 В и вызова голосом с последующей передачей их на управляющий узел 17.
Блок формирования сигналов вызова 32 обеспечивает выдачу в абонентские линии 22 и каналы 23, 25, 26 связи сигналов вызова переменного тока напряжением 60-80 В, постоянного тока напряжением 24-27 В и вызова голосом по командам управления, поступающим с выхода управляющего узла 17.
Импульсный ключ 33 путем замыкания накоротко линии 24 и размыкания ее обеспечивает посылку импульсов набора номера абонентов на станцию АТС под действием сигналов управления с выхода узла 17.
Разговорный ключ 34 предназначен для создания тракта ведения переговоров по линии 24 от станции АТС.
Устройство диспетчерской связи работает следующим образом.
Перед установлением связи оператор с любого пульта 11-1n осуществляет выбор переговорного прибора (ГГС или МТ) и требуемой линии и канала связи 22, 23, 24, 25, 26 с помощью блока управления пульта 10. При этом подключение переговорного прибора производится путем нажатия соответствующей клавиши на блоке 12, а выход на линию производится посредством набора двухзначного номера, например 01, 02 и т.д. Информация о выбранном приборе и требуемой линии в виде двоично-десятичного кода с клавиатуры 12 через контроллер 11 поступает в блок 10, который принятую информацию преобразует в двоичный код, записывает ее в блок 35 и через блок обработки 13 передает на блок индикации 14 и световое табло 15. В блоке 14 включается индикатор выбранного переговорного прибора. Одновременно с этим информация через контроллер 39 последовательного интерфейса поступает в одну из ячеек блока памяти 42 и через него в управляющий процессор 41 узла 17. По этим данным блок управления 10 вырабатывает команду для переключения переговорных приборов на линию 22 или каналы связи 23, 25, 26, а узел 17 обеспечивает проключение выбранного переговорного прибора на требуемую линию и канал связи.
Посылка вызова по линии 22 осуществляется также по сигналам управления, вырабатываемым блоком 17. При этом управляющие сигналы с выходов блока контроллеров 46 системной магистрали 45 поступают на вход блока коммутации 21, в котором срабатывает исполнительный элемент, переключающий цепи приема вызова линии на передачу, а также запускают блок формирования сигналов вызова 32. При этом происходит следующее: сигнал вызова переменного тока напряжением 80 В или постоянного тока напряжением 27 В с выхода блока формирования сигналов вызова 32 через замкнутые контакты исполнительных элементов блока 21 поступают в выбранную линию (например, абонентскую линию 22 или канал 23, 25, 26). По окончании посылки вызова исполнительный элемент блока 21 отпускает, происходит размыкание цепи передачи и замыкание цепи приема вызова. Подключение к выбранной линии сопровождается включением индикатора в блоке 14 (занятие линии).
В зависимости от выбранного режима ведения связи к линии подключаются микротелефонная трубка 7 или прибор громкоговорящей связи (блоки 2, 3, 5 и 6). При этом на световом табло 15 высвечивается тип выбранного переговорного прибора, состояние подключенной линии или канала связи и каким пультом (например, ПУ1 или ПУ2 и т.д.) они заняты.
Передача речи производится с микрофона 2 через усилитель 3 или с микротелефонной трубки 7 через усилитель 8 и блок согласования 4 пульта, блок 16, системную магистраль 45 узла 17, коммутатор 18 или цифровой коммутатор 19, блоки 20, 21 и в абонентскую линию 22, линию 24 от автоматической телефонной станции или каналы связи 23, 25 и 26. На приеме речевой сигнал по абонентской линии 22 или каналу связи 23, 25, 26 через замкнутые контакты исполнительного элемента блока 21, блок согласования 20 поступает на коммутатор 18. С выхода коммутатора 18 речевой сигнал поступает в системную магистраль 45 управляющего узла 17 и далее через блок 16 передается на блок согласования 4, к которому подключены переговорные приборы ГГС и МТ пульта связи 1. С выхода блока 4 речевой сигнал поступает через усилитель приема 5 на громкоговоритель 6 или через телефонный усилитель 9 передается на микротелефонную трубку 7.
При приеме вызова переменного тока напряжением 60-80 В или постоянного тока напряжением 27 В сигналы по любой абонентской линии 22 или каналу 23, 25, 26 связи через замкнутые контакты соответствующих исполнительных элементов блока 21, блок установки режима вызова 28 поступают на входы блока 29, который производит прием поступающих сигналов вызова, их анализ, преобразование в необходимый вид и передачу их через блоки 30 или 31, блок контроллеров 46, системную магистраль 45 и первый контроллер 44 на системную шину 43. С выхода системной шины 43 принятые сигналы поступают через контроллер 40 на вход контроллера 39 и далее в системную шину 36 блока 10. В блоке 10 на основе данных, поступивших из узла 17, формируются управляющие сигналы, которые через блок обработки сигналов 13 передаются на вход блока 14 и световое табло 15. В блоках 14 пультов 11-1n связи включается и мигает индикатор той линии, по которой поступил вызов. Для ответа на вызов нажимается клавиша переговорного прибора ГГС или МТ, а подключение к линии осуществляется путем набора двухзначного номера необходимой линии, который высвечивается на световом табло 15. При этом работа устройства происходит аналогично, как и при занятии линии. Блокировка цепи посылки вызова по занятой линии от всех пультов связи 1 обеспечивается путем запрета на подключение к ней с помощью управляющих сигналов, поступающих с выхода узла 17 на вход блока 21.
Работа по линии 24 от станции АТС отличается от работы по другим линиям режимом посылки вызова, осуществляемого путем передачи в линию импульсов набора номера абонента с помощью импульсного ключа 33, и созданием в данной линии шлейфа по постоянному току посредством разговорного ключа 34.
Посылка и прием вызова по каналам дальней связи 23 и цифровым каналам 25 осуществляется с использованием системы вызова переменным током напряжением 60-80 В или постоянным током напряжением 27 В. Установка и переключение системы вызова обеспечивается программными методами.
По радиоканалу 26 ультракоротковолновых радиостанций в зависимости от используемой системы вызова в предлагаемом устройстве диспетчерской связи реализованы два режима работы:
а) посылка и прием устройством сигналов индивидуального и циркулярного вызова на фиксированных частотах непосредственно из канала (без преобразования тональных посылок);
б) посылка в канал и прием из канала сигналов вызова переменного тока напряжением 60 В. При этом осуществляется преобразование вызывных сигналов переменного тока в сигналы тональных посылок средствами самой радиостанции, радиоканалы которой подключены к устройству диспетчерской связи.
В первом случае по радиоканалу 26 ультракоротковолновых радиостанций осуществляется посылка и прием индивидуальных и циркулярного вызовов, а также ведение радиосвязи. При этом независимо от режима работы устройство диспетчерской связи постоянно находится в режиме дежурного приема индивидуального (например, на частотах 1000 или 1200 Гц) и циркулярного (например, 2300 Гц) вызовов.
При поступлении из канала 26 сигнала вызова на любой из трех указанных частот он принимается одним из приемников 51, 52 или 53 блока селективного вызова 27. Приемник вызова срабатывает и с его выхода через блок ИЛИ 54 на вход блока сравнения 55 поступает сигнал определенного уровня. На другой вход блока сравнения 55 с выхода блока синхронизации 49 поступает управляющий сигнал и при совпадении частоты и уровня сигнала с выхода блока сравнения 55 на вход управляющего узла 17 поступает сигнал, под действием которого управляющий узел 17 формирует команду приема тонального вызова. Эта команда передается в блок управления 10 каждого пульта связи 1 и через блок обработки сигнала 13 она поступает на блок индикации 14, в котором включается и мигает индикатор того канала, по которому поступил вызов (в рассматриваемом случае это радиоканал 26 ультракоротковолновых радиостанций). Кроме того, включается при этом также и звуковая сигнализация.
Для посылки по каналу 26 индивидуального или циркулярного вызова на одной из трех частот на пульте связи 1 выбирается, как описано выше, требуемый канал и переговорный прибор (ГГС или МТ). Затем на клавиатуре 12 пульта 1 нажимается кнопка «ВЫЗОВ». При нажатии кнопки «ВЫЗОВ» в блоке 27 формируется сигнал вызова частотой 1000, 1200 или 2300 Гц, который с выхода блока 27 через замкнутые контакты исполнительных элементов блока коммутации 21 поступает в канал 26 и одновременно на световом табло на короткое время загорается надпись «ВЫЗОВ» с указанием посылаемой в канал частоты. При этом с выхода блока управления 10 пульта связи на управляющий узел 17 поступает требуемая команда вызова, на основании которой управляющий узел 17 через реле времени 47 на определенное время, например 2 с, запускает генератор 48 фиксированных частот блока селективного вызова 27. С выхода генератора 48 вызывная частота через блок согласования 50 поступает в блок 21 коммутации линий и через его элементы передается в канал 26 ультракоротковолновой радиостанции, подключенной к устройству диспетчерской связи. В радиостанции вызывной сигнал поступает в тракт передачи канала радиостанции и далее излучается в эфир. На противоположной стороне сигнал вызова принимается радиостанцией и передается в радиоканал по линии, подключенной к аналогичному устройству диспетчерской связи. В устройстве диспетчерской связи поступивший сигнал принимается одним из трех приемников вызова и с выхода приемника управляющий сигнал через блок ИЛИ 54 и блок сравнения 55 поступает в управляющий узел 17, который формирует команду вызова и передает ее в блок управления 10 пульта связи 1. На блоке 14 индикации включается индикатор приема вызова, а в пульте связи 1 включается также акустическая сигнализация. После ответа корреспондента осуществляется разговор по радиоканалу 26 ультракоротковолновой радиостанции.
После окончания разговора микротелефонная трубка кладется на место или на пульте связи 1 нажимается кнопка «ОТБОЙ» и все приборы возвращаются в исходное состояние.
Для второго режима работы по радиоканалу 26 посылка и прием сигналов вызова на фиксированной частоте (индивидуального или циркулярного вызова) осуществляется в самой радиостанции путем преобразования принятых тональных посылок в сигналы переменного тока напряжением 60-80 В. При этом по радиоканалу 26 между устройством диспетчерской связи и радиостанцией обмен осуществляется сигналами переменного тока аналогично вызову по абонентской линии 22, то есть с радиоканала 26 поступает сигнал вызова переменным током напряжением 60-80 В, который через блоки 21 и 28 поступает на блок анализаторов вызова 29. Далее процесс происходит аналогично описанному для абонентской линии 22.
Улучшение качества связи по линиям и каналам связи обеспечивается за счет исключения возможности акустической завязки и самовозбуждения тракта громкоговорящей связи, для этого в устройстве создана цепь шунтирования тракта приема в момент ведения передачи с микрофона 2. Это достигается подачей управляющих сигналов с выхода блока 10 на вход блока 4, под действием которых замыкается или размыкается шунтирующая цепь.
Наличие в составе пультов 11-1n связи блоков согласования 4, микрофонного 8 и телефонного 9 усилителей, блока управления пульта 10, контроллера 11, клавиатуры 12 и блока обработки сигналов 13, управляющего узла 17, коммутатора 18, цифрового коммутатора 19, блока согласования линий 20, блока анализаторов вызова 29 и изменение схемы соединения блоков позволяет обеспечить переход с четырехпроводной схемы включения переговорных приборов (ГГС и МТ) на двухпроводные линии, согласование уровней сигналов взаимодействия и речевых сигналов во входных и выходных цепях коммутатора 18, цифрового коммутатора 19, полнодоступную коммутацию приборов и линий между собой, за счет чего достигается независимое включение и работа любого переговорного прибора по любой линии с различными входными характеристиками.
Кроме того, наличие блока управления пульта 10 и введение в его состав светового табло 15 совместно с управляющим узлом 17 обеспечивают установку и оперативное изменение с возможностью контроля и отображения требуемого режима работы любой линии 22, 24 и каналов 23, 25, 26 связи на блоке индикации 14 и световом табло 15. Этим достигается повышение удобства обслуживания абонентов и пользования устройством диспетчерской связи. Этому способствует также введение функции переадресации вызовов с одного пульта связи на другой. При переадресации оператор на клавиатуре 12 пульта выбирает пульт, на который необходимо переключить разговор, и включает режим «Переадресация». Информация о данном рабочем месте на световом табло 15 исчезает, но индикатор (соответствующий выбранному каналу) на пульте мигает, как при поступлении вызова, а звуковой сигнал вызова включается на соответствующем пульте, на который переключен разговор. После ответа абонента и начала разговора индикатор на блоке 14 горит постоянно. С помощью импульсного ключа 33 и разговорного ключа 34 обеспечиваются передача по линии 24 импульсов набора номера абонентов, сопряженная работа со станциями АТС и возможность выхода в другие сети автоматической телефонной связи, что способствует расширению функциональных возможностей предлагаемого устройства диспетчерской связи.
Введение же блока селективного вызова 27 совместно с другими элементами схемы устройства обеспечивает формирование адресной системы вызова и возможность вызова корреспондентов сети подвижной радиосвязи, что приводит к улучшению взаимодействия абонентов сети диспетчерской связи и подвижной радиосвязи.
Удобству пользования способствует реализованная в устройстве функция записи в память и отображения на световом табло наиболее часто используемых телефонных номеров автоматической телефонной станции и номеров абонентов сети подвижной связи с возможностью чтения их и замены на новый номер (при необходимости), а также возможность автоматической посылки вызова абоненту путем нажатия на пульте связи одной кнопки (без повторного набора номера).
Источники информации
1. SU, авторское свидетельство №906025, кл. Н04М 9/08, 1980.
2. SU, авторское свидетельство №1125770, кл. Н04М 9/08, 1984.
3. RU, патент №2132596, кл. Н04М 9/08, 1999 (прототип).
4. Богумирский Б.С. Руководство пользователя ПЭВМ; В 2-х ч. Ч.1. – Санкт-Петербург; Ассоциация OILCO, 1992.
5. Фигурнов В.Э. IBM PC для пользователя. Изд. 5-е исправл. и доп. – С.Петербург, АО «Коруна», НПО «Информатика и компьютеры», 1994.
6. Семейство ЭВМ «Багет». М., КБ «Корунд-М», а/я 10.
Формула изобретения
1. Устройство диспетчерской связи, содержащее пульты связи в составе последовательно соединенных микрофона и усилителя передачи, выход которого подключен к первому входу блока согласования, первый выход которого через усилитель приема соединен со входом громкоговорителя, микротелефонной трубки, вход и выход которой через микрофонный усилитель и телефонный усилитель подключены соответственно ко второму входу и выходу блока согласования, блока управления пульта, первый вход-выход которого через контроллер клавиатуры соединен с входом-выходом клавиатуры, второй вход-выход блока управления пульта соединен с входом-выходом блока обработки сигналов, выходы которого соединены со входами блока индикации, выход которого соединен со входом блока обработки сигналов, управляющий вход блока согласования соединен с выходом блока управления пульта, а также содержащее блок подключения пультов связи, управляющий узел, коммутатор, блок согласования линий, блок коммутации линий, к первому, второму и третьему входам-выходам которого подключены соответственно абонентские линии, каналы дальней связи и линия от автоматической телефонной станции, блок установки режима вызова, блок анализаторов вызова, блок приема индукторного вызова, блок приема вызова голосом, блок формирования сигналов вызова, импульсный и разговорный ключи, при этом управляющий вход-выход блока управления каждого из n пультов подключен к соответствующему управляющему входу-выходу управляющего узла, первый вход-выход речевых сигналов управляющего узла соединен с входами-выходами речевых сигналов блока подключения пультов связи, второй вход-выход управляющего узла через коммутатор и блок согласования линий соединен с входами-выходами речевых сигналов блока коммутации линий, второй и третий входы-выходы блока согласования линий подключены к первым входам-выходам соответственно импульсного и разговорного ключей, вторые входы-выходы которых объединены и подключены к третьему входу-выходу речевых сигналов блока коммутации линий, выходы которого через блок установки режима вызова соединены со входами блока анализаторов вызова, первый и второй выходы которого через блок приема индукторного вызова и блок приема вызова голосом подключены соответственно к сигнальным входам управляющего узла, первый, второй, третий, четвертый, пятый, шестой и седьмой выходы которого подключены к управляющим входам соответственно коммутатора, блока коммутации линий, блока установки режима вызова, блока анализаторов вызова, импульсного и разговорного ключей, к входу запуска блока формирования сигналов вызова, сигнал вызова с выхода блока формирования сигналов вызова поступает в блок коммутации линий, отличающееся тем, что в него введены цифровой коммутатор, блок селективного вызова, цифровые каналы, радиоканалы ультракоротковолновых радиостанций и линия внутренней связи между пультами, при этом первый, второй и n-й входы-выходы блока подключения пультов связи соединены с входом-выходом блока согласования соответственно первого, второго и n-го пультов связи, соединенных между собой через блок подключения пультов связи линией внутренней связи между пультами, а в состав каждого пульта связи дополнительно введено световое табло, при этом первые, вторые и третьи входы-выходы цифрового коммутатора подключены к дополнительным входам-выходам соответственно управляющего узла, коммутатора и блока согласования линий, первые и вторые входы-выходы блока селективного вызова подключены соответственно ко вторым дополнительным входам-выходам управляющего узла и к первым дополнительным входам-выходам блока коммутации линий, вторые и третьи дополнительные входы-выходы которого соединены соответственно с входами-выходами цифровых каналов и каналов ультракоротковолновых радиостанций, а первые и вторые дополнительные управляющие выходы управляющего узла подключены к управляющим входам соответственно цифрового коммутатора и блока селективного вызова, информацию через блок обработки сигналов передают на световое табло, при этом на световом табло отображаются режимы работы по линии и каналам связи, тип используемого переговорного прибора, система вызова, оператору высвечивается подсказка при проведении любой операции на пульте, в том числе подсказка о нажатии соответствующих клавиш в случае его неправильных действий.
2. Устройство по п.1, отличающееся тем, что блок управления пульта содержит последовательно соединенные по входу-выходу контроллер системной магистрали, системную шину, системный контроллер и вычислитель, а также контроллер последовательного интерфейса, первый вход-выход которого соединен с входом-выходом системной шины, при этом выход контроллера системной магистрали является управляющим выходом блока управления пульта и соединен с управляющим входом блока согласования, первым, вторым и третьим входами-выходами блока управления пульта являются соответственно второй и третий входы-выходы системной шины и второй вход-выход контроллера последовательного интерфейса, второй и третий входы-выходы системной шины подключены соответственно к первому входу-выходу контроллера клавиатуры и ко входу-выходу блока обработки сигналов.
3. Устройство по п.1, отличающееся тем, что управляющий узел содержит n контроллеров последовательного интерфейса, управляющий процессор, блок памяти, системную шину, первый контроллер системной магистрали, системную магистраль и блок контроллеров системной магистрали, причем первые входы-выходы системной шины подключены к входам-выходам каждого из n контроллеров последовательного интерфейса, входы-выходы управляющего процессора и блока памяти подключены соответственно ко вторым и третьим входам-выходам системной шины, четвертые входы-выходы которой через первый контроллер системной магистрали соединены с первыми входами-выходами системной магистрали, вторые входы-выходы которой подключены к входам-выходам блока контроллеров системной магистрали, при этом первыми входами-выходами управляющего узла являются вторые входы-выходы n контроллеров последовательного интерфейса, вторыми и третьими входами-выходами управляющего узла являются соответственно третьи и четвертые входы-выходы системной магистрали, первые и вторые дополнительные входы-выходы которой являются соответственно первыми и вторыми дополнительными входами-выходами управляющего узла, первым, вторым, третьим, четвертым, пятым, шестым и седьмым выходами которого являются соответственно первый, второй, третий, четвертый, пятый, шестой и седьмой выходы блока контроллеров системной магистрали, первые и вторые входы которого являются соответственно первыми и вторыми сигнальными входами управляющего узла, а первые и вторые дополнительные выходы блока контроллеров системной магистрали являются соответственно первым и вторым дополнительными выходами управляющего узла, которые подключены к управляющим входам соответственно цифрового коммутатора и блока селективного вызова, при этом вторые входы-выходы каждого из n контроллеров последовательного интерфейса управляющего узла соединены со вторыми входами-выходами контроллеров последовательного интерфейса блока управления соответствующего пульта связи.
4. Устройство по п.1, отличающееся тем, что блок селективного вызова содержит реле времени, генератор фиксированных частот, блок синхронизации, блок согласования, первый, второй и третий приемники вызова, блок ИЛИ и блок сравнения, причем выход реле времени соединен со входом генератора фиксированных частот, выход которого соединен со входом блока согласования, выход которого соединен параллельно со входами первого, второго и третьего приемников вызова, выход каждого из которых подключен к соответствующему входу блока ИЛИ, выход которого соединен со входом блока сравнения, первый и второй выходы блока синхронизации подключены к управляющим входам соответственно генератора фиксированных частот и блока сравнения, при этом вход реле времени является управляющим входом блока селективного вызова, а вход-выход блока сравнения является первым входом-выходом блока селективного вызова, вторым входом-выходом которого является вход-выход блока согласования.
РИСУНКИ
|
|