|
|
(21), (22) Заявка: 2006102825/09, 31.01.2006
(24) Дата начала отсчета срока действия патента:
31.01.2006
(46) Опубликовано: 27.09.2007
(56) Список документов, цитированных в отчете о поиске:
US 4583048, 15.04. 1986. SU 1046943 A, 07.10.1983. RU 2192101 C2, 27.10.2002. RU 2246180 C2, 10.02.2005.
Адрес для переписки:
660074, г.Красноярск, ул. Киренского, 26, КГТУ, ПИО
|
(72) Автор(ы):
Кокорин Владимир Иванович (RU), Бондаренко Валерий Николаевич (RU)
(73) Патентообладатель(и):
Государственное образовательное учреждение высшего профессионального образования Красноярский государственный технический университет (КГТУ) (RU)
|
(54) СПОСОБ ПРИЕМА ШУМОПОДОБНЫХ СИГНАЛОВ С МИНИМАЛЬНОЙ ЧАСТОТНОЙ МАНИПУЛЯЦИЕЙ
(57) Реферат:
Изобретение относится к области радиотехники и может быть использовано в системах радионавигации и радиосвязи для приема шумоподобных сигналов с минимальной частотной манипуляцией. Технический результат – повышение помехоустойчивости приема шумоподобных сигналов с минимальной частотной манипуляцией. В способе приема шумоподобных сигналов в режиме поиска устанавливается кодовая синхронизация принимаемого и опорного шумоподобных сигналов с точностью до длительности элемента, а затем в режиме слежения устанавливается точная синхронизация по времени запаздывания и фазе несущей частоты и демодуляция. В способе приема шумоподобных сигналов осуществляют в том числе разделение входного сигнала на квадратурные составляющие путем перемножения входного сигнала с опорными гармоническими сигналами несущей частоты, интегрирование результатов перемножения в каждом квадратурном канале раздельно на двух интервалах, равных удвоенной длительности элемента шумоподобного сигнала и смещенных друг на друга на длительность элемента, формируя на каждом интервале корреляции z1ci, z2si, z1ci и z2si, декодирование и когерентное накопление результатов поэлементной обработки в четырех каналах на интервале, равном длительности шумоподобного сигнала. 3 ил.
Изобретение относится к области радиотехники и может быть использовано в системах радионавигации и радиосвязи для приема шумоподобных сигналов с минимальной частотной манипуляцией.
Известен способ корреляционного приема сигналов фазовой телеграфии, заключающийся в перемножении принятого сигнала с точной копией полезного сигнала для посылки “единицы”, интегрировании результата перемножения на длительности информационного символа и принятии решения о значении информационного символа на основе знака корреляционного интеграла [1]. Способ позволяет реализовать потенциальную помехоустойчивость при любой форме сигнала (как для простых, так и сложных сигналов) при идеальной синхронизации принимаемого и опорного сигналов по времени, частоте и фазе. Практическая реализация корреляционного способа применительно к шумоподобным фазоманипулированным сигналам возможна с использованием либо когерентной системы синхронизации [2], либо некогерентной системы [3]. В первом случае достигается практически потенциальная помехоустойчивость приема, если ошибки синхронизации по задержке и фазе пренебрежимо малы. Некогерентная система синхронизации проигрывает в помехоустойчивости когерентной системе, однако позволяет сохранить состояние захвата в цепи слежения за несущей в условиях действия сильных помех, в режиме поиска и пр.
Однако данный способ не может быть использован для приема шумоподобных частотно-манипулированных сигналов, так как опорные сигналы для фазового детектирования в квадратурных каналах фазового дискриминатора не могут быть сформированы путем умножения сигнала несущей частоты на кодовую последовательность. Кроме того, применение фильтров нижних частот вместо интеграторов в квадратурных каналах фазового дискриминатора приводит к потерям в помехоустойчивости.
Известно устройство приема сложных фазоманипулированных сигналов, содержащее первый и второй перемножители, сигнальные входы которых объединены, а выходы подключены к блоку некогерентной обработки ортогональных сигналов и сумматору, к выходу которого подключены последовательно соединенные полосовой фильтр, третий перемножитель и блок слежения за задержкой, выход которого подключен к синхронизирующему входу блока некогерентной обработки ортогональных сигналов, к выходу сумматора подключены последовательно соединенные блок оценки частоты и амплитуды сигнала, перестраиваемый генератор и объединенные по входу четвертый и пятый перемножители, другие входы которых соединены соответственно с дополнительными выходами блока слежения за задержкой, а выходы соединены с опорными входами первого и второго перемножителей соответственно, при этом амплитудный выход блока оценки частоты и амплитуды сигнала подключен к дополнительному входу блока слежения за задержкой, а другой вход третьего перемножителя подключен к выходу полосового фильтра [4].
Однако известное устройство обладает низкой помехоустойчивостью и большим временем синхронизации.
Известен способ квадратурного приема частотно-манипулированных сигналов с минимальным сдвигом, заключающийся в разделении входного сигнала на квадратурные составляющие путем перемножения входного сигнала с опорными сигналами, сдвинутыми друг относительно друга на /2, выделении низкочастотных квадратурных составляющих; перемножении низкочастотных квадратурных составляющих, формировании из результата перемножения и выходного демодулированного сигнала напряжения полутактовой частоты; формировании из результатов перемножения квадратурных составляющих и напряжения полутактовой частоты напряжения рассогласования по частоте между несущей сигнала и опорными сигналами, формировании с помощью напряжения рассогласования опорных сигналов, совпадающих по частоте с несущей частотно-манипулированных сигналов и сдвинутых друг относительно друга на /2, дифференцировании квадратурных составляющих, вычислении разности продифференцированных квадратурных составляющих, вычислении суммы квадратурных составляющих, перемножении разности продифференцированных квадратурных составляющих на сумму квадратурных составляющих; вычитании напряжения полутактовой частоты из результата перемножения разности продифференцированных квадратурных составляющих на сумму квадратурных составляющих и последующей фильтрации полученного напряжения с получением выходного демодулированного сигнала [5].
Недостатком способа является низкая помехоустойчивость приема шумоподобных сигналов с минимальной частотной манипуляцией, обусловленная применением в квадратурных каналах фильтров нижних частот с полосой пропускания, равной половине ширины спектра шумоподобного сигнала.
Предлагаемое изобретение призвано решить задачу повышения помехоустойчивости приема шумоподобных сигналов с минимальной частотной манипуляцией. Поставленная задача решается тем, что в способе приема шумоподобных сигналов с минимальной частотной манипуляцией, включающем разделение входного сигнала на квадратурные составляющие путем перемножения входного сигнала с опорными гармоническими сигналами несущей частоты, сдвинутыми друг относительно друга на /2, согласно изобретению осуществляют интегрирование результатов перемножения в каждом квадратурном калале раздельно на двух интервалах, равных удвоенной длительности элемента шумоподобного сигнала и смещенных друг относительно друга на длительность элемента, формируя на каждом интервале корреляции z1ci, z2ci, z1si и z2si, декодирование и когерентное накопление результатов поэлементной обработки в четырех каналах на интервале, равном длительности шумоподобного сигнала, с формированием корреляций z1c, z2c, z1s и z2s, формирование опорных гармонических ортогональных сигналов с частотой, равной несущей частоте шумоподобного сигнала, с помошью сигнала фазового рассогласования, полученного перемножением квадратурной составляющей взаимной корреляционной функции принимаемого и синхронного опорного сигналов с информационным символом, полученным путем определения знака синфазной составляющей взаимной корреляционной функции, формирование опорных тактовых импульсов, используемых для стробирования интеграторов, осуществляющих интегрирование, и кодовых последовательностей, совпадающих по времени запаздывания с принятым сигналом, используемых при декодировании, с помощью сигнала временного рассогласования, полученного вычитанием квадрата модуля взаимной корреляционной функции принятого сигнала и задержанного опорного сигнала из квадрата модуля взаимной корреляционной функции принятого сигнала и опережающего опорного сигнала, формирование синфазной z1=z1c-z2s и квадратурной z2=z2c+z1s составляющих взаимной корреляционной функции принимаемого и синхронного опорного шумоподобных сигналов с последующим выделением информационных символов на основе определения знака синфазной составляющей взаимной корреляционной функции.
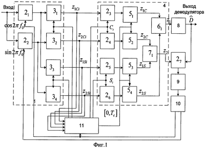
На фиг.1 и 2 приведены схемы корреляционного приемника и блока кодовой синхронизации, используемых для реализации заявляемого способа, а на фиг.3 – временные диаграммы, поясняющие работу указанных устройств.
Корреляционный приемник (фиг.1) содержит блок 1 поэлементной обработки шумоподобного сигнала, включающий первый и второй перемножители 21 и 22, сигнальные входы которых объединены, первый, второй, третий, четвертый интеграторы 31, 32, 33, 34, причем входы первого и третьего интеграторов 31 и 33, второго и четвертого интеграторов 32 и 34 объединены и подключены соответственно к выходу первого и второго перемножителей 21 и 22, фильтр 4 сжатия шумоподобного сигнала, включающий третий, четвертый, пятый, шестой перемножители 23, 24, 25, 26, входы которых подключены к выходам интеграторов 31, 32, 33, 34 соответственно, первый, второй, третий, четвертый накапливающие сумматоры 51, 52, 53, 54, входы которых подсоединены к выходам перемножителей 23, 24, 25, 26, соответственно, выходы накапливающих сумматоров 51 и 54, 52 и 53 объединены соответственно через первый вычитатель 61 и первый сумматор 71, выход которого соединен с первым входом седьмого перемножителя 27, решающий блок 8, вход которого подсоединен к выходу вычитателя 61, а выход, соединенный со вторым входом перемножителя 27, является выходом демодулятора, последовательно соединенные первый петлевой фильтр 9, подключенный к выходу перемножителя 27, и подстраиваемый генератор 10, первый и второй выходы которого соединены с опорными входами перемножителей 21 и 22 соответственно, блок 11 кодовой синхронизации, первый, второй, третий и четвертый сигнальные входы которого соединены с выходами интеграторов 31, 32, 33 и 34 соответственно, а управляющий вход подключен к первому выходу подстраиваемого генератора 10, первый и второй выходы блока 11 соединены с объединенными синхронизирующими входами интеграторов 31, 32 и 33, 34 соответственно, третий и четвертый выходы блока 11 соединены с объединенными опорными входами перемножителей 23, 24 и 25, 26 соответственно, а пятый выход блока 11 соединен с объединенными синхронизирующими входами накапливающих сумматоров 51, 52, 53, 54.
Блок 11 кодовой синхронизации (фиг.2) содержит первый канал 12 временного дискриминатора, включающий восьмой, девятый, десятый, одиннадцатый перемножители 28, 29, 210, 211, сигнальные входы которых подсоединены к выходам интеграторов 31, 32, 33 и 34 соответственно блока 1 поэлементной обработки, пятый, шестой, седьмой, восьмой накапливающие сумматоры 55, 56, 57, 58, сигнальные входы которых соединены с выходами перемножителей 28, 29, 210 и 211 соответственно, выходы накапливающих сумматоров 55 и 58, 56 и 57 объединены через второй вычитатель 62 и второй сумматор 72 соответственно, выходы последних через двенадцатый и тринадцатый перемножители 212 и 213 соответственно, подсоединены к первому и второму входам третьего сумматора 73, второй канал 13 временного дискриминатора, включающий четырнадцатый, пятнадцатый, шестнадцатый, семнадцатый перемножители 214, 215, 216, 217, сигнальные входы которых подсоединены к выходам интеграторов 31, 32, 33 и 34 соответственно, девятый, десятый, одиннадцатый, двенадцатый накапливающие сумматоры 59, 510, 511, 512, сигнальные входы которых соединены с выходами перемножителей 214, 215, 216 и 217 соответственно, выходы накапливающих сумматоров 59 и 512, 510 и 511 объединены через третий вычитатель 63 и четвертый сумматор 74 соответственно, выходы последних через восемнадцатый и девятнадцатый перемножители 218 и 219, соответственно, подсоединены к первому и второму входам пятого сумматора 75, четвертый вычитатель 64, суммирующий вход которого подсоединен к выходу сумматора 73 первого канала 12 временного дискриминатора, а вычитающий вход – к выходу сумматора 75 второго канала 13 временного дискриминатора, последовательно соединенные второй петлевой фильтр 14, вход которого подсоединен к выходу вычитателя 64, фазовращатель 15, формирователь 16 тактовых импульсов, первый и второй дополнительные выходы которого соединены с объединенными синхронизирующими входами интеграторов 31, 32 и 33, 34, соответственно, блока 1 поэлементной обработки, делитель 17 частоты, вход которого соединен с первым выходом подстраиваемого генератора 10, а выход – с управляющим входом фазовращателя 15, блок 18 поиска, блок 19 управления задержкой, генератор 20 кодовых последовательностей, дешифратор 21, при этом первый, второй, третий и четвертый входы блока 18 поиска соединены с сигнальными входами перемножителей 28 и 214, 29 и 215, 210 и 216, 211 и 217 соответственно, синхронизирующий вход генератора 20 кодовых последовательностей подключен через блок 19 управления задержкой к выходу блока 18 поиска, управляющий вход блока 19 подключен к выходу формирователя 16 тактовых импульсов, первый и второй выходы генератора 20 кодовых последовательностей соединены с объединенными опорными входами перемножителей 28, 29 и 210, 211 соответственно, третий и четвертый выходы генератора 20 соединены с объединенными опорными входами перемножителей 214, 215 и 216, 217 соответственно, а пятый и шестой выходы генератора 20 соединены с объединенными опорными входами перемножителей 23, 24 и 25, 26, соответственна фильтра 4 сжатия шумоподобного сигнала, вход дешифратора 21 подключен к дополнительному выходу генератора 20 кодовых последовательностей, а выход дешифратора 21 соединен с объединенными синхронизирующими входами накапливающих сумматоров 55,…,512 блока 11 кодовой синхронизации и 51,…,54 фильтра 4 сжатия шумоподобного сигнала.
Способ приема шумоподобных сигналов с минимальной частотной манипуляцией осуществляется следующим образом. Корреляционный приемник может работать в двух режимах: поиска по времени запаздывания (начальный режим) и слежения за задержкой и фазой принимаемого сигнала. В режиме поиска устанавливается кодовая синхронизация принимаемого и опорного шумоподобных сигналов (ШПС) с точностью до длительности элемента сигнала. В режиме слежения устанавливается точная синхронизация по времени запаздывания и фазе несущей частоты, выделение цифровой информации (демодуляция).
На вход корреляционного приемника (фиг.1) поступает шумоподобный сигнал с минимальной частотной манипуляцией (МЧМ-ШПС) вида

где fо – несущая частота, – начальная фаза (амплитуда полагается равной единице); D – информационный символ; I(t)=cos (t) и Q(t)=sin (t) – огибающие квадратурных фазоманимулированных (ФМ) компонентов ШПС, элементы которых определяются как

Здесь – функция, определяющая закон угловой модуляции; d(t) – псевдослучайная последовательность (см. фиг.3, б, в); Сi и Si – элементы кодовых последовательностей, определяющих законы ФМ квадратурных компонентов сигнала (1), Т – длительность элемента МЧМ-ШПС.
Временные диаграммы (фиг.3) приведены для установившегося режима работы в предположении, что шум отсутствует, а ошибки кодовой и фазовой синхронизации пренебрежимо малы (для примера длина псевдослучайной последовательности N=7).
Входные перемножители 21 и 22 осуществляют перемножение принятого сигнала (1) с опорными гармоническими сигналами соs2 f0t и sin2 f0t несущей частоты, вырабатываемыми подстраиваемым генератором 10.
На выходах перемножителей 21 и 22 образуются низкочастотные составляющие соответственно
(см. фиг.3,г, д), а также составляющие удвоенной частоты 2f0, которые отфильтровываются последующим трактом обработки.
В блоке 1 поэлементной обработки ШПС формируются корреляции (см. фиг.3,е, ж) путем интегрирования результатов перемножения на интервалах, соответствующих i-му элементу низкочастотных сигналов (2):

Стробирование интеграторов 31,…34 блока 1 поэлементной обработки ШПС производится импульсами, вырабатываемыми блоком 11 кодовой синхронизации. Результаты (3) поэлементной обработки ШПС (см. фиг.3,з, и) поступают на сигнальные входы перемножителей 23,…26, фильтра 4 сжатия ШПС, где производится снятие фазовой манипуляции путем умножения на элементы кодовых последовательностей С0, С1,…СМ-1 и S0, S1,…SМ-1 (см. фиг.3,к, л), вырабатываемых генератором 20 кодовых последовательностей блока 11 кодовой синхронизации. Накапливающие сумматоры 51,…54 служат для когерентного накопления результатов (3) поэлементной обработки ШПС на интервале наблюдения [0, Тс], задаваемом импульсами дешифратора 21 блока 11 кодовой синхронизации.
Выходные величины накапливающих сумматоров соответственно 51, 52, 53 и 54 с учетом сказанного выше можно представить в виде

где М=(N+1)/2 – число элементов квадратурных ФМ-ШПС на интервале наблюдения t [0, Tс], N – длина псевдослучайной последовательности d0, d1,…dN.
Величины (4) попарно объединяются в сумматоре 71 и вычитателе 61, образуя соответственно квадратурную составляющую z2=z2С+z1S и синфазную составляющую z1=z1C-z2S выходной величины фильтра 4 сжатия ШПС (см. фиг.3, м, н). Составляющая z1 поступает на вход решающего блока 8 демодулятора, который вырабатывает оценку информационного символа, sign(x) – знаковая функция. Составляющая z2 поступает на сигнальный вход перемножителя 27 фазового дискриминатора, на опорный вход которого подается оценка для снятия цифровой модуляции в составляющей z2. Сигнал фазового рассогласования с выхода перемножителя 27 поступает на петлевой фильтр 9, формирующий сигнал управления частотой и фазой подстраиваемого генератора 10.
Блок 11 кодовой синхронизации (фиг.2) работает следующим образом. На сигнальные входы перемножителей 28,…211 первого канала 12 временного дискриминатора с опережающим опорным сигналом, а также перемножителей 214,…217 второго канала 13 дискриминатора с задержанным опорным сигналом поступают результаты (3) поэлементной обработки ШПС с соответствующих выходов интеграторов 31,…34 блока 1 корреляционного приемника (фиг.1). На опорные входы перемножителей 210, 211 и 28, 29 первого канала 12 подаются соответственно кодовая последовательность C0, C1,…,CМ-1 и циклический сдвиг SМ-1, S0,…SМ-2 последовательности S0, S1,…SМ-1, a на опорные входы перемножителей 214, 215 и 216, 217 второго канала 13 подаются соответственно кодовая последовательность S0, S1,…SМ-1 и циклический сдвиг С1, С2,…,С0 кодовой последовательности C0, C1,…,CМ-1. Указанные последовательности вырабатываются генератором 20 кодовых последовательностей.
Накапливающие сумматоры 55,…58 и 59,…512 соответственно первого и второго каналов 12 и 13 осуществляют когерентное накопление декодированных результатов (3) обработки элементов квадратурных ФМ-ШПС на интервале наблюдения в соответствии с алгоритмом

Аргумент “1” у корреляций (5) соответствует первому каналу 12 с опережающим на Т, а аргумент “-1” – второму каналу 13 с задержанным на Т опорным сигналом относительно опорного сигнала корреляционного приемника (фиг.1).
Выходные величины (5) накапливающих сумматоров 56, 57 и 55, 58, а также 510, 511 и 59, 512 попарно объединяются соответственно в сумматорах 72, 74 и вычитателях 62, 63, образуя квадратурные составляющие z2(1)=z2С(1)+z1S(1), z2(-1)=z2С(-1)+z1S(-1) и синфазные составляющие z1(1)=z1С(1)-z2S(1), z1(-1)=z1С(-1)-z2S(-1) выходных величин каналов 12 и 13 временного дискриминатора. В перемножителях 212, 213 и 218, 219 эти величины возводятся в квадрат, а затем объединяются, образуя квадраты модулей и на выходах сумматоров 73 и 75.
Сигнал временного рассогласования формируется вычитателем 64 временного дискриминатора и поступает на петлевой фильтр 14. Тактовые импульсы для генератора 20 кодовых последовательностей вырабатываются путем деления несущей частоты в делителе 17 частоты. Управление задержкой тактовых импульсов производится посредством подачи управляющего сигнала с выхода петлевого фильтра 14 на управляемый фазовращатель 15, к выходу которого подключен формирователь 16 тактовых импульсов. Последний вырабатывает также импульсы для стробирования интеграторов 31,…34 блока 1 поэлементной обработки (фиг.1). Генератор 20 формирует синхронные опорные кодовые последовательности для перемножителей 23,…26 блока 4 корреляционного приемника, а также опережающие на Т и задержанные на Т опорные кодовые последовательности для перемножителей 28,…211 и 214,…217 соответственно каналов 12 и 13 дискриминатора. В режиме поиска управление генератором 20 кодовых последовательностей осуществляется посредством подачи управляющего сигнала от блока 18 поиска на блок 19 управления задержкой.
Блок 18 поиска осуществляет параллельный поиск ШПС по времени запаздывания и начальную установку генератора 20 кодовых последовательностей. Примеры реализации блока поиска в виде многоканального корреляционного приемника, вычисляющего взаимно-корреляционную функцию (ВКФ) входного сигнала со всеми возможными его копиями для дискретных значений времени запаздывания и выбора в качестве оценки задержки значения времени запаздывания опорного сигнала в канале с максимальным значением ВКФ, приведены в [6]. В предлагаемом устройстве каждый канал блока 18 поиска реализуется по схеме одного канала (12 или 13) временного дискриминатора (фиг.2).
Предлагаемый способ приема шумоподобных сигналов с минимальной частотной манипуляцией обеспечивает помехоустойчивость, близкую к потенциально достижимой.
Помехоустойчивость корреляционного приемника (фиг.1) характеризуется вероятностью Рош ошибочного приема информационных символов, которая в случае идеальной синхронизации (оптимальный когерентный прием) определяется как [7]

где Ф(q) – интеграл вероятности, q – отношение сигнал/шум на выходе синфазного канала корреляционного приемника.
Можно показать, что средние значения синфазной и квадратурной составляющих z1 и z2 определяются выражениями

где , и , – средние значения корреляций (3) соответственно для “косинусного” канала и “синусного” канала квадратурного преобразователя (черта сверху означает статистическое усреднение); – энергия сигнала (1); R( ) – нормированная ВКФ комплексных огибающих сигнала (1) и опорного сигнала, соответствующего замене в (2) косинусоидальной весовой функции прямоугольным импульсом единичной амплитуды и длительности 2Т; и – ошибки кодовой и фазовой синхронизации соответственно.
При высокой точности синхронизации, когда ошибками и можно пренебречь, полагая и для средних значений (7) можно записать

Дисперсия каждой из выходных величин квадратурных каналов корреляционного приемника

где – дисперсия величин (3), не зависящая от номера i элемента ШПС;
N0/2 – спектральная плотность мощности шума; Е0 – энергия гармонического опорного сигнала длительности 2Т.
Отношение сигнал/шум в этом случае с учетом (8), (9) равно

где – отношение сигнал/шум при оптимальном корреляционном способе приема (опорный сигнал – точная копия принятого сигнала); – множитель, характеризующий потери в помехоустойчивости предлагаемого способа по сравнению с оптимальным способом приема.
Точность синхронизации можно характеризовать значениями дисперсий и установившихся флуктуационных ошибок (соответственно по времени и фазе), которые при высокой точности синхронизации можно определить как [8]

где , – дисперсии эквивалентных временных и фазовых флуктуаций, приведенных ко входу дискриминатора (соответственно временного (ВД) и фазового (ФД); , – дисперсии флуктуаций на выходе дискриминатора (временного и фазового); kВД, kФД – крутизна дискриминационной характеристики (соответственно ВД и ФД); – шумовая полоса систем слежения за задержкой и фазой (систем кодовой и фазовой синхронизации соответственно).
Можно показать, что дисперсии эквивалентных флуктуаций определяются выражениями

где 2=8/ 2 (-0,9 дБ) – параметр, характеризующий энергетические потери предлагаемого способа приема по сравнению с оптимальным корреляционным способом. При =1 (q=qопт>1) формулы (12) совпадают с известными результатами для дисперсий оценок максимального правдоподобия для задержки и фазы сигнала [9]:

где Fэ – эффективная ширина спектра сигнала (для сигнала (1) Fэ=1/4Т).
Помехоустойчивость блока поиска характеризуется вероятностью Рош ошибочного завершения поиска, которая при длине псевдослучайной последовательности N>1 может быть определена как вероятность ошибки распознавания М ортогональных сигналов [10]:

где r – значение ВКФ при временной расстройке | | Т (в худшем случае при =±Т, r=0,5). Для обеспечения заданной вероятности ошибки (13) предлагаемый способ требует в 1/ =qопт/q раз большего отношения сигнал/шум, чем оптимальный способ поиска (М-канальный корреляционный приемник с квадратурными каналами).
Таким образом, предлагаемый способ приема шумоподобных сигналов с минимальной частотной манипуляцией позволяет достичь помехоустойчивости приема, близкой к потенциально достижимой (энергетические потери менее 1 дБ), при незначительных аппаратурных и вычислительных затратах на реализацию предлагаемого способа приема ШПС с минимальной частотной манипуляцией. В этом заключается технико-экономический эффект по сравнению с известными способами квадратурного приема частотно-манипулированных сигналов.
Источники информации
1. Г.И.Тузов. Статистическая теория приема сложных сигналов. – М.: Сов. Радио, 1977, с.301 (рис.6.11).
2. Радиотехнические системы/ Ю.П.Гришин, В.П.Ипатов, Ю.М.Казаринов и др. /Под ред. Ю.М.Казаринова. – М.: Высш. шк., 1990, с.314 (рис.14.10).
3. Радиотехнические системы/ Ю.П.Гришин, В.П.Ипатов, Ю.М.Казаринов и др. /Под ред. Ю.М.Казаринова. – М.: Высш. шк., 1990, с.318 (рис.14.12), с.328 (рис.15.3).
4. А.С. 1046943 (СССР). Корреляционный приемник сложных фазоманипулированных сигналов/ В.И.Журавлев, Н.П.Трусевич. Опубл. 07.10.83. Бюлл. ВНИИПИ №37.
5. Патент 2192101 (РФ). Способ квадратурного приема частотно-манипулированных сигналов с минимальным сдвигом/ А.М.Карлов, Е.В.Волхонская. Е.Н.Авдеев. Опубл. 27.10.2002.
6. Радиотехнические системы/ Ю.П.Гришин, В.П.Ипатов, Ю.М.Казаринов и др. /Под ред. Ю.М.Казаринова. – М.: Высш. шк., 1990, с.64 (рис.3.16).
7. Радиотехнические системы/ Ю.П.Гришин, В.П.Ипатов, Ю.М.Казаринов и др. /Под ред. Ю.М.Казаринова. – М.: Высш. шк., 1990, с.63 (ф-ла 3.43).
8. Радиотехнические системы/ Ю.П.Гришин, В.П.Ипатов, Ю.М.Казаринов и др. /Под ред. Ю.М.Казаринова. – М.: Высш. шк., 1990, с.332 (ф-лы 15.17, 15.18).
9. Радиотехнические системы/ Ю.П.Гришин, В.П.Ипатов, Ю.М.Казаринов и др. /Под ред. Ю.М.Казаринова. – М.: Высш. шк., 1990, с.127 (ф-ла 5.2).
10. Г.И.Тузов. Статистическая теория приема сложных сигналов. – М.: Сов. Радио, 1977, с.301 (рис.6.11), с.46 (ф-ла 1.98).
Формула изобретения
Способ приема шумоподобных сигналов с минимальной частотной манипуляцией, заключающийся в разделении входного сигнала на квадратурные составляющие путем перемножения входного сигнала с опорными гармоническими сигналами несущей частоты, сдвинутыми относительно друг друга на /2, отличающийся тем, что осуществляют интегрирование результатов перемножения в каждом квадратурном канале раздельно на двух интервалах, равных удвоенной длительности элемента шумоподобного сигнала и смещенных относительно друг друга на длительность элемента, формируя на каждом интервале корреляции z1ci, z2ci, z1si и z2si, декодирование и когерентное накопление результатов поэлементной обработки в четырех каналах на интервале, равном длительности шумоподобного сигнала, с формированием корреляций вида z1c, z2c, z1s z2s, формирование опорных гармонических ортогональных сигналов с частотой, равной несущей частоте шумоподобного сигнала, с помощью сигнала фазового рассогласования, полученного перемножением квадратурной составляющей взаимной корреляционной функции принимаемого и синхронного опорного сигналов с информационным символом, полученным путем определения знака синфазной составляющей взаимной корреляционной функции, формирование опорных тактовых импульсов, используемых для стробирования интеграторов, осуществляющих интегрирование, и кодовых последовательностей, совпадающих по времени запаздывания с принятым сигналом, используемых при декодировании, с помощью сигнала временного рассогласования, полученного вычитанием квадрата модуля взаимной корреляционной функции принятого сигнала и задержанного опорного сигнала из квадрата модуля взаимной корреляционной функции принятого сигнала и опережающего опорного сигнала, формирование синфазной z1=z1c-z2s и квадратурной z2=z2c+z1s составляющих взаимной корреляционной функции принимаемого и синхронного опорного шумоподобных сигналов с последующим выделением информационных символов на основе определения знака синфазной составляющей взаимной корреляционной функции.
РИСУНКИ
|
|