|
|
(21), (22) Заявка: 2006109624/09, 27.03.2006
(24) Дата начала отсчета срока действия патента:
27.03.2006
(46) Опубликовано: 27.09.2007
(56) Список документов, цитированных в отчете о поиске:
SU 998055 A1, 30.11.1982. SU 894581 A1, 30.12.1981. US 4146844 A, 31.10.1977.
Адрес для переписки:
346500, Ростовская обл., г. Шахты, ул. Шевченко, 147, ЮРГУЭС, патентная служба
|
(72) Автор(ы):
Старченко Евгений Иванович (RU), Гавлицкий Александр Иванович (RU)
(73) Патентообладатель(и):
ГОУ ВПО “Южно-Российский государственный университет экономики и сервиса” (ЮРГУЭС) (RU)
|
(54) ПРЕОБРАЗОВАТЕЛЬ НАПРЯЖЕНИЕ – ТОК
(57) Реферат:
Устройство относится к области электротехники и может использоваться при проектировании различных усилителей, аналоговых перемножителей напряжения и других элементов автоматики и вычислительной техники. Техническим результатом предлагаемого изобретения является повышение линейности преобразования входного напряжения в выходной ток. Устройство содержит первый транзистор, база которого является первым входом устройства, второй транзистор, база которого является вторым входом устройства, резистор, включенный между эмиттерами первого и второго транзисторов, первый токостабилизирующий двухполюсник, включенный между эмиттером первого транзистора и шиной отрицательного источника питания, второй токостабилизирующий двухполюсник, включенный между эмиттером второго транзистора и шиной отрицательного источника питания, база третьего транзистора подключена к базе первого транзистора, эмиттер третьего транзистора соединен с эмиттером первого транзистора, а коллектор третьего транзистора подключен к эмиттеру четвертого транзистора, коллектор которого подключен к коллектору второго транзистора, а базы четвертого и пятого транзисторов объединены и подключены к источнику положительного напряжения смещения, коллектор пятого транзистора подключен к коллектору первого транзистора, эмиттер пятого транзистора соединен с коллектором шестого транзистора, база которого подключена ко второму входу устройства, а эмиттер шестого транзистора к эмиттеру второго транзистора, второй резистор включен между эмиттерами четвертого и пятого транзисторов. 4 ил.
Предлагаемое изобретение относится к области электротехники и может использоваться при проектировании различных усилителей, аналоговых перемножителей и других элементов автоматики и вычислительной техники.
Наиболее близким техническим решением, принятым за прототип, является ПНТ, приведенный в [Херпи М. Аналоговые интегральные схемы: Пер. с англ. – М.: Радио и связь, 1983 (стр.366, рис.8.12)]. На фиг.1 показана упрощенная схема прототипа, содержащая первый транзистор, база которого является первым входом устройства, второй транзистор, база которого является вторым входом устройства, резистор, включенный между эмиттерами первого и второго транзисторов, первый токостабилизирующий двухполюсник, включенный между эмиттером первого транзистора и шиной отрицательного источника питания, второй токостабилизирующий двухполюсник, включенный между эмиттером второго транзистора и шиной отрицательного источника питания, токовыми выходами устройства являются соответственно коллекторы первого и второго транзисторов.
Недостатком прототипа является его низкая линейность преобразования входного напряжения в выходной ток.
Целью предлагаемого изобретения является повышение линейности преобразования напряжение – ток.
Для достижения поставленной цели в схеме прототипа, содержащей первый транзистор, база которого является первым входом устройства, второй транзистор, база которого является вторым входом устройства, резистор, включенный между эмиттерами первого и второго транзисторов, первый токостабилизирующий двухполюсник, включенный между эмиттером первого транзистора и шиной отрицательного источника питания, второй токостабилизирующий двухполюсник, включенный между эмиттером второго транзистора и шиной отрицательного источника питания, введены третий, четвертый, пятый и шестой транзисторы и второй резистор, причем база третьего транзистора подключена к базе первого транзистора, эмиттер третьего транзистора соединен с эмиттером первого транзистора, а коллектор третьего транзистора подключен к эмиттеру четвертого транзистора, коллектор которого подключен к коллектору второго транзистора, а базы четвертого и пятого транзисторов объединены и подключены к источнику положительного напряжения смещения, коллектор пятого транзистора подключен к коллектору первого транзистора, эмиттер пятого транзистора соединен с коллектором шестого транзистора, база которого подключена ко второму входу устройства, а эмиттер шестого транзистора подключен к эмиттеру второго транзистора, второй резистор включен между эмиттерами четвертого и пятого транзисторов.
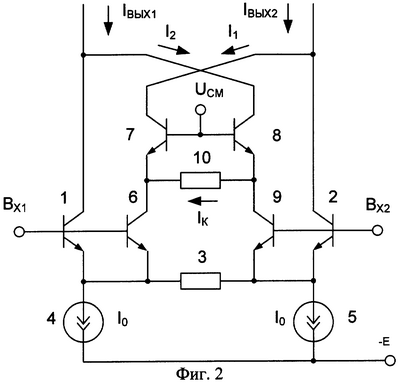
Заявляемый ПНТ (фиг.2) содержит первый транзистор 1, база которого является первым входом, а его коллектор – первым токовым выходом устройства, второй транзистор 2, база которого является вторым входом, а коллектор – вторым токовым выходом устройства, первый резистор 3, включенный между эмиттерами первого транзистора 1 и второго транзистора 2, первый токостабилизирующий двухполюсник 4, включенный между эмиттером первого транзистора 1 и шиной отрицательного источника питания, второй токостабилизирующий двухполюсник 5, включенный между эмиттером второго транзистора 2 и шиной отрицательного источника питания, третий транзистор 6, база которого подключена к первому входу устройства, его эмиттер соединен с эмиттером первого транзистора 1, а его коллектор подключен к эмиттеру четвертого транзистора 7, коллектор которого соединен со вторым токовым выходом устройства, а его база соединена с базой пятого транзистора 8 и источником положительного напряжения смещения, коллектор пятого транзистора 8 подключен к первому токовому выходу устройства, а его эмиттер – к коллектору шестого транзистора 9, база которого соединена со вторым входом устройства, а его эмиттер – с эмиттером второго транзистора 2, второй резистор 10 включен между эмиттерами четвертого транзистора 7 и пятого транзистора 8.
Работу заявляемого ПНТ можно пояснить следующим образом. Первичное преобразование входного напряжения в выходной ток осуществляется с помощью первого транзистора 1, второго транзистора 2 и первого резистора 3. Ток на первом токовом выходе IВЫХ.1 будет слагаться из составляющих I0 тока токостабилизирующего двухполюсника, приращения тока IX, обусловленного наличием входного напряжения на базах транзисторов 1 и 2, тока I2=(I0-IX)·K+IK. Результирующее выражение можно представить в виде:

где K – коэффициент деления тока в делителях тока, выполненных на транзисторах 1, 3 и 2, 6; – компенсирующий нелинейность преобразования ток; UБЭ – разность напряжений база – эмиттер третьего транзистора 4 и четвертого транзистора 5; RK – сопротивление второго резистора 10.
Ток, протекающий через первый резистор 3, можно представить в виде:

где UX – напряжение на входе устройства; R0 – сопротивление первого резистора 3;  1 – коэффициент передачи тока эмиттера используемых транзисторов; rE= T/I0 – дифференциальное сопротивление эмиттера первого транзистора 1; T – температурный потенциал.
Так как плечи устройства симметричны, то ток на втором токовом выходе устройства имеет те же составляющие, что и ток на первом токовом выходе, но с другими знаками:

Приращение тока IX можно представить следующим образом:

Компенсирующий ток IK можно описать следующим выражением:

где RK – сопротивление второго резистора 10.
Можно показать, что I0-IK>IK, тогда (5) приобретает вид:

Результирующий выходной ток ПНТ, равный разности токов первого и второго выходов, можно представить в виде:

Подставив выражения (4) и (6) в (7), получим:

Из выражения (8) видно, что для получения минимального отклонения от линейности необходимо выполнение условия:

следовательно, для компенсации нелинейной составляющей выходного тока необходимо соблюдение соотношения:

Реально, с учетом объемных сопротивлений баз транзисторов и влияния зависимости коэффициента передачи тока эмиттера от тока эмиттера выражение более сложное, но в первом приближении выражение (9) показывает, что эффект компенсации нелинейности преобразования напряжение – ток присутствует.
Для подтверждения проведенного анализа приводятся результаты моделирования в среде PSpice. На фиг.3 приведены принципиальные схемы реализации ПНТ и прототипа, для удобства сравнения результатов моделирования сведенные в одну схему с общими источниками питания и входного сигнала.
Работа делителей тока основана на неравенстве площадей входящих в них транзисторов: пусть si – площадь эмиттера соответствующего транзистора, тогда

где K – коэффициент деления тока в делителе, входящий в вышеприведенные соотношения.
Токи I0 и крутизна преобразования в схемах прототипа и заявляемого ПНТ одинаковы.
На фиг.4 приведены графики отклонения от линейности преобразования напряжение – ток нормированной крутизны I / UВХ для схемы прототипа и заявляемого ПНТ, что сделано для наглядности полученных результатов, значение отклонения от линейности приведено в процентах. Выражение, описывающее графики, приведенные на фиг.4, можно представить в виде:

где S(UX) – текущее значение крутизны преобразования; SМАКС(UX) – максимальное значение крутизны преобразования на интервале изменения UX.
Кривая, отмеченная знаком ( ), – нормированная крутизна преобразования напряжение – ток для схемы прототипа, кривая, отмеченная знаком ( ), – нормированная крутизна преобразования напряжение – ток для схемы заявляемого ПНТ. В диапазоне изменения входного напряжения от -1 В до 1 В выигрыш в отклонении от линейного преобразования составляет более 30 раз: 0,023% у заявляемого ПНТ против 0,751% у схемы прототипа. Следует отметить, что в процессе проведения параметрической оптимизации была обнаружена следующая зависимость: минимальное отклонение от линейного преобразования соответствует случаю совмещения значений отклонения от линейного преобразования в крайних точках диапазона входного напряжения и в точке, соответствующей значению входного напряжения, равного 0 В. Изменение формы кривой отклонения от линейного преобразования заявляемого ПНТ достигается изменением значения компенсирующего резистора RK.
Таким образом, проведенный анализ и результаты схемотехнического моделирования показывают, что достигается заявляемый технический результат – повышение линейности преобразователя ток – напряжение.
Формула изобретения
Преобразователь напряжение – ток, содержащий первый транзистор, база которого является первым входом, а коллектор первым токовым выходом устройства, второй транзистор, база которого является вторым входом, а коллектор вторым токовым выходом устройства, первый резистор, включенный между эмиттерами первого и второго транзисторов, первый токостабилизирующий двухполюсник, включенный между эмиттером первого транзистора и шиной отрицательного источника питания, второй токостабилизирующий двухполюсник, включенный между эмиттером второго транзистора и шиной отрицательного источника питания, отличающийся тем, что в устройство введены третий, четвертый, пятый и шестой транзисторы, второй резистор, причем база третьего транзистора подключена к первому входу устройства, эмиттер третьего транзистора подключен к эмиттеру первого транзистора, а коллектор третьего транзистора подключен к эмиттеру четвертого транзистора, коллектор четвертого транзистора соединен с коллектором второго транзистора, базы четвертого и пятого транзисторов объединены и подключены к источнику положительного напряжения смещения, коллектор пятого транзистора соединен с коллектором первого транзистора, база шестого транзистора соединена со вторым входом устройства, эмиттер шестого транзистора соединен с эмиттером второго транзистора, а коллектор шестого транзистора подключен к эмиттеру пятого транзистора, второй резистор включен между эмиттерам четвертого и пятого транзисторов.
РИСУНКИ
|
|