|
(21), (22) Заявка: 2006102809/09, 31.01.2006
(24) Дата начала отсчета срока действия патента:
31.01.2006
(46) Опубликовано: 27.09.2007
(56) Список документов, цитированных в отчете о поиске:
US 3660773, 02.05.1972. SU 1283946 A1, 23.07.1988. SU 843164, 30.06.1981. US 4560948, 24.12.1985. US 4007427, 08.02.1977.
Адрес для переписки:
346500, Ростовская обл., г. Шахты, ул. Шевченко, 147, ЮРГУЭС, патентная служба
|
(72) Автор(ы):
Прокопенко Николай Николаевич (RU), Будяков Алексей Сергеевич (RU), Сергеенко Алексей Иванович (RU)
(73) Патентообладатель(и):
ГОУ ВПО “Южно-Российский государственный университет экономики и сервиса” (ЮРГУЭС) (RU)
|
(54) ДИФФЕРЕНЦИАЛЬНЫЙ УСИЛИТЕЛЬ
(57) Реферат:
Изобретение относится к радиотехнике и связи для использования в качестве устройства усиления аналоговых сигналов с широким динамическим диапазоном, в структуре аналоговых микросхем различного функционального назначения. Технический результат заключается в расширении диапазона активной работы. Дифференциальный усилитель (ДУ) содержит входные транзисторы (Т) (1, 2), коллекторы которых объединены и подключены ко входу токового зеркала (ТЗ) (4), а эмиттеры соединены с эмиттерами выходных Т (7) и (8) противоположного типа проводимости через дополнительный Р (13) и вспомогательный Р (5), а также через дополнительный Р (14) и вспомогательный Р (5). Базы выходных Т (7, 8) подключены к выходу (9) ТЗ (4) и токостабилизирующему двухполюснику (10), а их коллекторы соединены с основными выходами (11, 12) ДУ. Базы входных Т (1, 2) подключены к соответствующим базам дополнительных Т (15, 16). Эмиттер Т (15) соединен с общей точкой Р (13) и Р (14), эмиттер Т (16) – с общей точкой Р (14) и Р (6), а коллекторы Т (15, 16) связаны с первым (17) и вторым (18) дополнительными выходами ДУ. 2 з.п. ф-лы, 10 ил.
Изобретение относится к области радиотехники и связи и может быть использовано в качестве устройства усиления аналоговых сигналов с широким динамическим диапазоном, в структуре аналоговых микросхем различного функционального назначения (например, быстродействующих операционных усилителях (ОУ)).
Известны схемы дифференциальных усилителей (ДУ) на n-p-n и р-n-р транзисторах с так называемой «архитектурой входного каскада операционного усилителя А741» [1-30]. На их модификации выдано более 50 патентов для ведущих микроэлектронных фирм мира. Дифференциальные усилители данного класса, наряду с типовым параллельно-балансным каскадом [29-30], стали основным усилительным элементом многих аналоговых интерфейсов. Предлагаемое изобретение относится к данному подклассу устройств.
Ближайшим прототипом (фиг.1) заявляемого устройства является дифференциальный усилитель, описанный в патенте США №3.660.773, а также в [1-14], содержащий первый 1 и второй 2 входные транзисторы, коллекторы которых объединены и подключены ко входу 3 токового зеркала 4, а эмиттеры через первый 5 и второй 6 вспомогательные резисторы соединены с соответствующими эмиттерами первого 7 и второго 8 выходных транзисторов противоположного типа проводимости, причем базы первого 7 и второго 8 выходных транзисторов подключены к выходу 9 токового зеркала 4 и токостабилизирующему двухполюснику 10, а их коллекторы соединены с основными выходами 11 и 12 дифференциального усилителя.
Существенный недостаток известного ДУ состоит в том, что он имеет узкий динамический диапазон линейного усиления сигналов (±Uгр 100÷150 мВ, фиг.3).
Основная цель предлагаемого изобретения состоит в расширении диапазона активной работы.
Поставленная цель достигается тем, что в дифференциальный усилитель (фиг.1), содержащий первый 1 и второй 2 входные транзисторы, коллекторы которых объединены и подключены ко входу 3 токового зеркала 4, а эмиттеры через первый 5 и второй 6 вспомогательные резисторы соединены с соответствующими эмиттерами первого 7 и второго 8 выходных транзисторов противоположного типа проводимости, причем базы первого 7 и второго 8 выходных транзисторов подключены к выходу 9 токового зеркала 4 и токостабилизирующему двухполюснику 10, а их коллекторы соединены с основными выходами 11 и 12 дифференциального усилителя, вводятся новые элементы и связи – эмиттеры первого 1 и второго 2 входных транзисторов соединены с первым 5 и вторым 6 вспомогательными резисторами через соответствующие первый 13 и второй 14 дополнительные резисторы, причем базы первого 1 и второго 2 входных транзисторов подключены к соответствующим базам первого 15 и второго 16 дополнительных транзисторов, эмиттер первого дополнительного резистора 15 соединен с общей точкой первого вспомогательного 5 и первого дополнительного 13 резисторов, эмиттер второго 16 дополнительного транзистора связан с общей точкой второго вспомогательного 6 и второго дополнительного 14 резисторов, а коллекторы первого 15 и второго 16 дополнительных транзисторов связаны с первым 17 и вторым 18 дополнительными выходами дифференциального усилителя.
Схема усилителя-прототипа представлена на фиг.1. На фиг.2 показано заявляемое устройство в среде компьютерного моделирования PSpice. На фиг.3 показана проходная характеристика ДУ фиг.2.
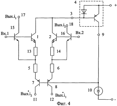
Схема заявляемого устройства в соответствии с п.1 формулы изобретения показана на фиг.4.
На фиг.5 показаны токи и напряжения в заявляемом ДУ, а также его теоретическая проходная характеристика.
Частные варианты построения заявляемого устройства в соответствии с п.3 формулы изобретения изображены на фиг.6, 7.
Схема включения заявляемого устройства (фиг.3) в структуре быстродействующего операционного усилителя изображена на фиг.8.
На фиг.9 показана схема заявляемого устройства в среде компьютерного моделирования PSpice, а на фиг.10 – проходные характеристики ДУ фиг.9, где Iк1, Iк3, Iк5, Iк6 – коллекторные токи транзисторов Q1, Q3, Q5, Q6 схемы фиг.9 при R3=R4=100 Ом; коллекторные токи транзисторов Q1, Q3, Q5, Q6 схемы фиг.9 при R3=R4=200 Ом.
Дифференциальный усилитель (фиг.4) содержит первый 1 и второй 2 входные транзисторы, коллекторы которых объединены и подключены ко входу 3 токового зеркала 4, а эмиттеры через первый 5 и второй 6 вспомогательные резисторы соединены с соответствующими эмиттерами первого 7 и второго 8 выходных транзисторов противоположного типа проводимости, причем базы первого 7 и второго 8 выходных транзисторов подключены к выходу 9 токового зеркала 4 и токостабилизирующему двухполюснику 10, а их коллекторы соединены с основными выходами 11 и 12 дифференциального усилителя. Эмиттеры первого 1 и второго 2 входных транзисторов соединены с первым 5 и вторым 6 вспомогательными резисторами через соответствующие первый 13 и второй 14 дополнительные резисторы, причем базы первого 1 и второго 2 входных транзисторов подключены к соответствующим базам первого 15 и второго 16 дополнительных транзисторов, эмиттер первого дополнительного резистора 15 соединен с общей точкой первого вспомогательного 5 и первого дополнительного 13 резисторов, эмиттер второго 16 дополнительного транзистора связан с общей точкой второго вспомогательного 6 и второго дополнительного 14 резисторов, а коллекторы первого 15 и второго 16 дополнительных транзисторов связаны с первым 17 и вторым 18 дополнительными выходами дифференциального усилителя.
В дифференциальном усилителе (фиг.6, 7) в качестве первого 1 и второго 2 входных транзисторов применены полевые транзисторы, затворы которых соответствуют базам, стоки – коллекторам, истоки – эмиттерам первого 1 и второго 2 входных транзисторов.
Рассмотрим работу заявляемого ДУ (фиг.5). В статическом режиме коллекторные токи транзисторов
Iк1 Iк15, Iк2 Iк16, Iк1 Iк2.
Такой режим обеспечивается за счет разницы в площадях эмиттерных переходов транзисторов 1 и 15, 2 и 16, а также соответствующего выбора резисторов R13=R14=80÷200 Ом.
За счет отрицательной обратной связи в схеме устанавливаются статические токи, зависящие от источника тока 10
Iк1+Iк2=Iк10, Iэ8=Iк2+Iк16, Iэ7=Iк15+Iк1.
Если на вход Вх.1 подать напряжение uвх, то коллекторные токи транзисторов 2 и 16 начнут уменьшаться, а транзисторов 1 и 15 – увеличиваться. Однако практически все приращение тока через резистор 5 будет передаваться в эмиттер транзистора 15, а отношение приращений Как следствие, отрицательная обратная связь “база транзисторов 7, 8 – вход 3 – выход 9” будет стабилизировать ток коллектора транзистора 2 и поэтому напряжение между базой транзистора 7 и общей шиной u 7=Uconst const. Как следствие, практически все входное напряжение ДУ прикладывается к резистору R5. Это приводит к приращению тока эмиттера транзистора 15, пропорционального uвх

Таким образом коллекторный ток транзистора 15 изменяется пропорционально Uвх в широком диапазоне входных сигналов (фиг.5). Крутизна характеристики у21 зависит от резисторов 5 и 6. Значение у21 для «большого» и «малого» сигналов практически одинаково (фиг.10).
Результаты компьютерного моделирования ДУ (фиг.9), представленные на графиках фиг.10, подтверждают полученные выше теоретические выводы.
Предлагаемый ДУ может использоваться в структуре быстродействующих операционных усилителей различного функционального назначения (фиг.8).
Источники информации
1. Патент США №3.786.362.
2. Патент США №4.030.044.
3. Патент США №4.059.808, фиг.5.
4. Патент США №4.286.227.
5. Авт. свид. СССР №375754, H03f 3/38.
6. Авт. свид. СССР №843164, H03f 3/30.
7. Патент США №3.660.773.
8. Патент США №4.560.948.
9. Патент РФ №2930041, H03f 1/32.
10. Патент Японии №57-5364, H03f 3/343.
11. Патент ЧССР №134845, кл. 21a2 18/08.
12. Патент ЧССР №134849, кл. 21a2 18/08.
13. Патент ЧССР №135326, кл. 21а2 18/08.
14. Патент США №4.389.579.
15. Патент Англии №1543361, Н3Т.
16. Патент США №5.521.552 (фиг.3а).
17. Патент США №4.059.808.
18. Патент США №5.789.949.
19. Патент США №4.453.134.
20. Патент США №4.760.286.
21. Авт. свид. СССР №1283946.
22. Патент РФ №2019019.
23. Патент США №4.389.579.
24. Патент США №4.453.092.
25. Патент США №3.566.289.
26. Патент США №4.059.808 (фиг.2).
27. Патент США №3.649.926.
28. Патент США №4.714.894 (фиг.1).
29. Матавкин В.В. Быстродействующие операционные усилители. – М.: Радио и связь, 1989.
30. М.Херпи. Аналоговые интегральные схемы. – М.: Радио и связь, 1983, стр.174, рис.5.52.
Формула изобретения
1. Дифференциальный усилитель, содержащий первый (1) и второй (2) входные транзисторы, коллекторы которых объединены и подключены ко входу (3) токового зеркала (4), а эмиттеры через первый (5) и второй (6) вспомогательные резисторы соединены с соответствующими эмиттерами первого (7) и второго (8) выходных транзисторов противоположного типа проводимости, причем базы первого (7) и второго (8) выходных транзисторов подключены к выходу (9) токового зеркала (4) и токостабилизирующему двухполюснику (10), а их коллекторы соединены с основными выходами (11) и (12) дифференциального усилителя, отличающийся тем, что эмиттеры первого (1) и второго (2) входных транзисторов соединены с первым (5) и вторым (6) вспомогательными резисторами через соответствующие первый (13) и второй (14) дополнительные резисторы, причем базы первого (1) и второго (2) входных транзисторов подключены к соответствующим базам первого (15) и второго (16) дополнительных транзисторов, эмиттер первого дополнительного резистора (15) соединен с общей точкой первого вспомогательного (5) и первого дополнительного (13) резисторов, эмиттер второго (16) дополнительного транзистора связан с общей точкой второго вспомогательного (6) и второго дополнительного (14) резисторов, а коллекторы первого (15) и второго (16) дополнительных транзисторов связаны с первым (17) и вторым (18) дополнительными выходами дифференциального усилителя.
2. Устройство по п.1, отличающееся тем, что площади эмиттерных переходов первого (1) и второго (2) входных транзисторов в N-раз (N>1) превосходят площади эмиттерных переходов первого (15) и второго (16) дополнительных транзисторов.
3. Устройство по п.1, отличающееся тем, что в качестве первого (1) и второго (2) входных транзисторов применены полевые транзисторы, затворы которых соответствуют базам, стоки – коллекторам, истоки – эмиттерам первого (1) и второго (2) входных транзисторов.
РИСУНКИ
|