|
|
(21), (22) Заявка: 2006111923/09, 10.04.2006
(24) Дата начала отсчета срока действия патента:
10.04.2006
(46) Опубликовано: 27.09.2007
(56) Список документов, цитированных в отчете о поиске:
ЕР 0483094 А2, 29.04.1992. US 5990751 A, 23.11.1999. US 5200711 А, 06.04.1993. JP 57032104 А, 20.02.1982. КИБАКИН В.М. Основы теории и расчета транзисторных низкочастотных усилителей мощности. – М.: Радио и связь, 1988, сс.154-164.
Адрес для переписки:
420133, г.Казань, ул. Лаврентьева, 20, кв.188, С.В.Шпаку
|
(72) Автор(ы):
Шпак Сергей Всеволодович (RU)
(73) Патентообладатель(и):
Шпак Сергей Всеволодович (RU)
|
(54) УСИЛИТЕЛЬ С ВЫСОКИМ КПД
(57) Реферат:
Изобретение относится к радиотехнике для использования в усилителях звуковых частот. Технический результат заключается в повышении коэффициента полезного действия (КПД) при сохранении высоких качественных параметров выходного сигнала. В усилителе на нагрузку работают два линейных канала. Первый канал работает непосредственно на нагрузку и имеет высокую скорость нарастания выходного сигнала и широкую полосу частот. Второй, низкочастотный, канал управляется первым каналом и имеет «плавающее» питание от двух ключевых каналов. Второй канал состоит из схемы управления и выходного каскада (ВК). Таким образом, при поступлении на вход усилителя сигналов с крутым фронтом или «провалов» на нагрузке, т.е. в зоне, где ключевые каналы не успевают отслеживать сигнал, токовую нагрузку берет на себя первый канал. А при низкочастотном сигнале ток нагрузки отслеживается вторым каналом, который имеет малое следящее питание от ключевых каналов. Неподавленные помехи от импульсного питания ВК, дополнительно подавляются первым каналом, что улучшает качество выходного сигнала. В рабочем режиме ток первого канала мал и в основном в нагрузке протекает ток ВК, в котором за счет следящего питания рассеиваемая тепловая мощность резко снижена, чем достигается высокое КПД. 1 ил.
Изобретение относится к области радиотехники и может быть использовано в усилителях звуковых частот.
Изобретение обеспечивает высокий коэффициент полезного действия (КПД) при сохранении высоких качественных параметров выходного сигнала.
Существующие схемы [1 – прототип, 2, 3] обладают либо невысоким КПД, либо низким качеством работы на реальную акустическую систему [4].
В отличие от прототипа в предлагаемой схеме на нагрузку работают два линейных канала. Первый канал работает непосредственно на нагрузку и имеет высокую скорость нарастания выходного сигнала и широкую полосу. Второй, низкочастотный, канал управляется первым каналом и имеет «плавающее» питание от двух ключевых каналов. Второй канал состоит из схемы управления и выходного каскада (ВК). Таким образом, при поступлении на вход усилителя сигналов с крутым фронтом или «провалов» на нагрузке, т.е. в зоне, где ключевые каналы не успевают отслеживать сигнал, токовую нагрузку берет на себя первый канал. А при низкочастотном сигнале ток нагрузки отслеживается вторым каналом, который имеет малое следящее питание от ключевых каналов. Неподавленные помехи от импульсного питания ВК, дополнительно подавляются первым каналом, что улучшает качество выходного сигнала.
В рабочем режиме ток первого канала мал и в основном в нагрузке протекает ток ВК, в котором за счет следящего питания рассеиваемая тепловая мощность резко снижена, чем достигается высокий КПД.
В ключевых каналах применена дополнительная обратная связь (ОС) непосредственно с выхода ключевого усилителя, которая увеличивает частоту автоколебаний и тем уменьшает пульсации питания ВК.
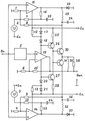
Схема (см. чертеж) состоит из следующих частей:
– первый линейный канал, состоящий из фильтра низкой частоты (ФНЧ) 5, линейного усилителя 19, с цепями, задающими коэффициент передачи, 6, 15;
– Выходного каскада (ВК) на элементах 30, 31, 35, 38.
Схемы управления ВК от первого канала на элементах 12, 13, 17, 18, 20, 21, 25-28:
– двух ключевых каналов на элементах 1-4, 7-11, 14, 16, 22-24, 29, 32, 33, 34, 36, 37.
Схема работает следующим образом. Входной сигнал поступает на ФНЧ, который совмещает фазу сигналов усилителя 19 с сигналом с ключевых усилителей, и одновременно входной сигнал поступает на входы двух ключевых усилителей 11, 14. С фильтра 5 сигнал поступает на усилитель 19, с выхода которого сигнал поступает непосредственно на нагрузку. Резисторы 6, 15 задают коэффициент усиления всего усилителя по напряжению. Питание усилителя осуществляется через резисторы 12, 13 и диоды 17, 18, 20, 21. С диодов 18, 20 сигнал поступает на два токовых зеркала на элементах 25-28. Диоды 17, 18, 20, 21 не только ограничивают ток токовых зеркал, но и позволяют усилителю 19 выдавать большой импульсный ток на нагрузку. Токовые зеркала 25-28 управляют работой ВК на транзисторах 30, 31.
ВК со схемой управления образуют второй линейный канал, управляемый первым каналом. С эмиттеров транзисторов 30, 31 сигнал через LR-фильтр на элементах 35, 38 поступает на выход усилителя с высоким КПД. Таким образом, осуществляется параллельная работа двух линейных каналов. Причем в рабочем режиме ток от ВК в десятки раз превосходит ток усилителя 19. И тепловая мощность, рассеиваемая усилителем 19, небольшая. Малое выходное сопротивление усилителя 19 образует делитель с LR-фильтром 35, 38, шунтирующим помехи от ВК.
Два ключевых канала необходимы для организации двухтактного режима работы ВК. Они представляют собой адаптивный ШИМ релейного типа [5] с двумя цепями ОС. Первая цепь ОС на резисторах 1, 4, 8, 9 снимается с конденсаторов 34, 36 и служит для поддержания автогенераторного режима. Вторая цепь ОС, снимаемая непосредственно с выходов ключевых усилителей 11, 14 на элементах 7, 10, 16, 22-24, позволяет увеличить частоту автогенерации и снизить уровень пульсаций на конденсаторах 34, 36 питания ВК, что позволяет повысить КПД схемы. Обе эти цепи задают коэффициент передачи ключевых усилителей 11, 14, который выбирается равным коэффициенту передачи линейного усилителя 19.
Источники тока 2, 3 служат для задания смещения на входах усилителей 11, 14 с тем, чтобы на выходах ключевых усилителей поддерживалось небольшое начальное напряжение, необходимое для линейной работы транзисторов 30, 31.
Литература
1. YMAHA H 7000-2000 ватт на нагрузке 8 Ом. – Радиохобби, 1999, №3, с.51-52.
2. Шкритек П. Справочное руководство по звуковой схемотехнике. – М., Мир, 1991, с.219-230.
3. Энциклопедия устройств на полевых транзисторах/Дьяконов В.П. и др. – М.: СОЛОН – Р. – 2002, с.324-326.
4. О взаимодействии УМЗЧ с нагрузкой. – Радио, 2000, №2, с. 17-18.
5. Кибакин В.М. Основы ключевых методов усиления. – М.: Энергия, 1980, с.46-54.
Формула изобретения
Усилитель с высоким КПД, содержащий линейный широкополосный усилитель, выход линейного усилителя соединен с выходом усилителя с высоким КПД, содержащий первый и второй резисторы, одним концом резисторы соединены между собой и соединены с инвертирующим входом линейного усилителя, другим концом первый резистор соединен с общей шиной питания, другой конец второго резистора соединен с выходом линейного усилителя, содержащий первый и второй ключевые усилители, неинвертирующими входами соединенные с входом усилителя с высоким КПД, шина питания первого ключевого усилителя соединена плюсом источника питания, шина питания второго ключевого усилителя соединена с минусом источника питания, содержащий первый и второй диоды, анод первого диода и катод второго диода соединены с общей шиной питания, катод первого диода соединен с выходом первого ключевого усилителя, анод второго диода соединен с выходом второго ключевого усилителя, содержащий первую и вторую индуктивности, соединенные соответственно с выходами первого и второго ключевых усилителей, содержащий первый и второй конденсаторы, одним концом соединенные с общей шиной питания, другой конец первого конденсатора соединен с другим концом первой индуктивности, другой конец второго конденсатора соединен с другим концом второй индуктивности, содержащий первый транзистор обратной проводимости, коллектором соединенный с точкой соединения первой индуктивности с первым конденсатором, содержащий первый транзистор прямой проводимости, коллектором соединенный с точкой соединения второй индуктивности со вторым конденсатором, базы транзисторов соединены между собой, эмиттеры транзисторов соединены между собой, отличающийся тем, что, с целью получения высокого КПД при сохранении высоких качественных параметров выходного сигнала, введен фильтр низкой частоты, входом соединенный с входом усилителя с высоким КПД, а выходом соединенный с входом линейного усилителя, введены третий и четвертый диоды, катод третьего диода и анод четвертого диода соединены, анод третьего диода соединен с плюсом источника питания, катод четвертого диода соединен с плюсовой шиной питания линейного усилителя, введен третий резистор, включенный параллельно третьему диоду, введены пятый и шестой диоды, катод пятого диода соединен с анодом шестого диода, анод пятого диода соединен с минусовой шиной питания линейного усилителя, катод шестого диода соединен с минусом источника питания, введен четвертый резистор, включенный параллельно шестому диоду, введен второй транзистор прямой проводимости, базой соединенный с катодом четвертого диода, введен пятый резистор, одним концом соединенный с плюсом источника питания, а другим концом соединенный с эмиттером второго транзистора прямой проводимости, введен второй транзистор обратной проводимости, базой соединенный с анодом пятого диода, введен шестой резистор, одним концом соединенный с эмиттером второго транзистора обратной проводимости, а другим концом соединенный с минусом источника питания, коллекторы вторых транзисторов соединены между собой и с базами первых транзисторов, введена третья индуктивность, одним концом соединенная с эмиттерами первых транзисторов прямой и обратной проводимости, а другим концом соединена с выходом линейного усилителя, введен седьмой резистор, включенный параллельно третьей индуктивности, введен восьмой резистор, одним концом соединенный с общей шиной питания, а другим концом с инвертирующим входом первого ключевого усилителя, введен первый источник тока, одним концом соединенный с инвертирующим входом первого ключевого усилителя, а другим концом с минусом источника питания, введен второй источник тока, одним концом соединенный с плюсом источника питания, а другим концом соединенный с инвертирующим входом второго ключевого усилителя, введен девятый резистор, одним концом соединенный с общей шиной питания, а другим концом с инвертирующим входом второго ключевого усилителя, введен десятый резистор, одним концом соединенный с инвертирующим входом первого ключевого усилителя, а другим концом с точкой соединения первой индуктивности с первым конденсатором, введен одиннадцатый резистор, одним концом соединенный с инвертирующим входом второго ключевого усилителя, а другим концом соединенный с точкой соединения второй индуктивности со вторым конденсатором, введен двенадцатый резистор, одним концом соединенный с инвертирующим входом первого ключевого усилителя, введен тринадцатый резистор, одним концом соединенный с другим концом двенадцатого резистора, а другим концом с выходом первого ключевого усилителя, введен третий конденсатор, одним концом соединенный с точкой соединения двенадцатого и тринадцатого резисторов, а другим концом – с общей шиной питания, введен четырнадцатый резистор, одним концом соединенный с инвертирующим входом второго ключевого усилителя, введен пятнадцатый резистор, одним концом соединенный с другим концом четырнадцатого резистора, а другим концом соединенный с выходом второго ключевого усилителя, введен четвертый конденсатор, одним концом соединенный с точкой соединения четырнадцатого и пятнадцатого резисторов, а другим концом соединенный с общей шиной питания.
РИСУНКИ
|
|