|
|
(21), (22) Заявка: 2006100437/09, 10.01.2006
(24) Дата начала отсчета срока действия патента:
10.01.2006
(46) Опубликовано: 27.09.2007
(56) Список документов, цитированных в отчете о поиске:
БЕЛОВ Л.А., БЛАГОВЕЩЕНСКИЙ М.В. и др. Радиопередающие устройства. Учебник для вузов/Под ред. М.В.Благовещенского, Г.М.Уткина. – М.: Радио и связь, 1982, с.292. RU 2240645 С1, 20.11.2004. ЕР 1211800 А2, 05.06.2002. WO 83/00411 А1, 03.02.1983.
Адрес для переписки:
634050, г.Томск, пр. Ленина, 40, ТУСУР, патентно-информационный отдел
|
(72) Автор(ы):
Титов Александр Анатольевич (RU), Ильюшенко Владимир Николаевич (RU), Титова Маргарита Александровна (RU)
(73) Патентообладатель(и):
Томский государственный университет систем управления и радиоэлектроники (ТУСУР) (RU)
|
(54) МОДУЛЯТОР АМПЛИТУДЫ МОЩНЫХ СИГНАЛОВ
(57) Реферат:
Изобретение относится к радиотехнике и может быть использовано в качестве модулятора амплитуды передатчиков теле- и радиовещания. Достигаемый технический результат – расширение динамического диапазона модулируемого сигнала. Модулятор амплитуды мощных сигналов содержит два биполярных транзистора, четыре электрических фильтра, трансформатор, два резистора, источник смещения, вход устройства для модулируемого сигнала, вход устройства для модулирующего сигнала, при этом выход третьего электрического фильтра является выходом устройства. 3 ил.
Изобретение относится к радиотехнике, в частности к технике радиосвязи, и может быть использовано в качестве модулятора амплитуды передатчиков теле- и радиовещания.
Известен модулятор амплитуды, содержащий первый трансформатор, первичная обмотка которого является входом устройства для модулируемого сигнала, второй трансформатор, первичная обмотка которого является входом устройства для модулирующего сигнала и один из выводов вторичной обмотки которого подключен к источнику смещения, а другой вывод соединен с одним из выводов вторичной обмотки первого трансформатора, трехэлектродную лампу, сетка которой подключена к другому выводу вторичной обмотки первого трансформатора, а катод соединен с общим для всего устройства проводником, дроссель, один из выводов которого соединен с анодом трехэлектродной лампы, а второй подключен к источнику анодного питания, первый конденсатор, один из выводов которого соединен с анодом трехэлектродной лампы, параллельный резонансный контур, один из выводов которого соединен с общим для всего устройства проводником, а другой, являющийся выходом устройства, соединен со вторым выводом первого конденсатора, второй конденсатор, включенный между выводами вторичной обмотки второго трансформатора, и третий конденсатор, включенный параллельно источнику смещения [1]. Недостатком такого модулятора является небольшой динамический диапазон модулируемого сигнала и необходимость использования высоковольтного источника анодного питания.
Наиболее близким к заявляемому объекту по максимальному числу общих существенных признаков является модулятор амплитуды, содержащий первый электрический фильтр, вход которого является входом устройства для модулируемого сигнала, трансформатор, первичная обмотка которого является входом устройства для модулирующего сигнала и один из выводов вторичной обмотки которого подключен к источнику смещения, второй электрический фильтр, вход которого подключен к другому выводу вторичной обмотки трансформатора, третий электрический фильтр, выход которого является выходом устройства, биполярный транзистор, коллектор которого подключен к входу третьего электрического фильтра, эмиттер соединен с общим для всего устройства проводником, а база соединена с выходами первого и второго электрических фильтров, при этом напряжение коллекторного питания подается на коллектор через катушку индуктивности третьего электрического фильтра [2].
Недостатком устройства-прототипа является небольшой динамический диапазон модулируемого сигнала, обусловленный переходом транзистора в режим двухстороннего ограничения при превышении амплитуды модулируемого сигнала значения, равного 1…2 В.
Технический результат, на достижение которого направлено предлагаемое решение, – расширение динамического диапазона модулируемого сигнала.
Это достигается тем, что в модулятор амплитуды, содержащий первый электрический фильтр, вход которого является входом устройства для модулируемого сигнала, трансформатор, первичная обмотка которого является входом устройства для модулирующего сигнала, второй электрический фильтр, вход которого подключен к одному из выводов вторичной обмотки трансформатора, третий электрический фильтр, выход которого является выходом устройства, биполярный транзистор, коллектор которого подключен к входу третьего электрического фильтра, а эмиттер соединен с общим для всего устройства проводником, и источник смещения, введены первый резистор, один вывод которого соединен с выходом второго электрического фильтра, а другой вывод – с базой биполярного транзистора, дополнительный биполярный транзистор, коллектор которого подключен к выходу первого электрического фильтра, а эмиттер соединен с входом третьего электрического фильтра, второй резистор, один вывод которого соединен с базой дополнительного биполярного транзистора, и четвертый электрический фильтр, выход которого соединен с другим выводом второго резистора, а его вход подключен к другому выводу вторичной обмотки трансформатора, при этом средняя точка вторичной обмотки трансформатора подключена к источнику смещения.
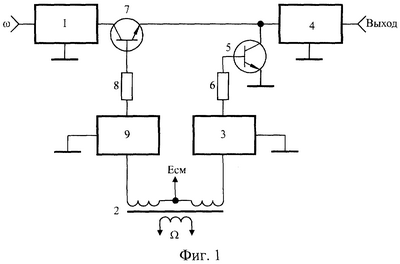
На фиг.1 и 2 представлены функциональная схема предложенного модулятора амплитуды и принципиальная электрическая схема макета такого устройства.
Модулятор амплитуды (фиг.1) содержит первый электрический фильтр 1, вход которого является входом устройства для модулируемого сигнала, трансформатор 2, первичная обмотка которого является входом устройства для модулирующего сигнала, второй электрический фильтр 3, вход которого подключен к одному из выводов вторичной обмотки трансформатора 2, третий электрический фильтр 4, выход которого является выходом устройства, биполярный транзистор 5, коллектор которого подключен к входу третьего электрического фильтра 4, а эмиттер соединен с общим для всего устройства проводником, первый резистор 6, один вывод которого соединен с выходом второго электрического фильтра 3, а другой вывод – с базой биполярного транзистора 5, дополнительный биполярный транзистор 7, коллектор которого подключен к выходу первого электрического фильтра 1, а эмиттер соединен с входом третьего электрического фильтра 4, второй резистор 8, один вывод которого соединен с базой дополнительного биполярного транзистора 7, и четвертый электрический фильтр 9, выход которого соединен с другим выводом второго резистора 8, а его вход подключен к другому выводу вторичной обмотки трансформатора 2, при этом средняя точка вторичной обмотки трансформатора 2 подключена к источнику смещения Есм.
Модулятор амплитуды работает следующим образом. Модулируемый сигнал , подаваемый на вход устройства, проходит через первый электрический фильтр 1 и поступает на коллектор дополнительного транзистора 7. На базы транзистора 5 и дополнительного транзистора 7 через вторичную обмотку трансформатора 2, второй электрический фильтр 3, четвертый электрический фильтр 9, первый резистор 6 и второй резистор 8 от источника смещения Есм подается постоянное напряжение, запирающее переходы коллектор-база и база-эмиттер как транзистора 5, так и дополнительного транзистора 7. Поэтому в исходном состоянии оба транзистора заперты. Переменное высокочастотное напряжение делится между емкостями закрытых переходов коллектор-база и база-эмиттер дополнительного транзистора 7. На переходе коллектор-база имеется переменное напряжение, амплитуда которого равна значению Uвх Сбэ/(Сбк+Сбэ), где Uвх – амплитуда переменного высокочастотного напряжения на коллекторе дополнительного транзистора 7; Сбэ и Сбк – емкости закрытых переходов база-эмиттер и коллектор-база дополнительного транзистора 7. Заметим, что значения емкостей закрытых переходов Сбэ и Cбк современных биполярных транзисторов отличаются незначительно [3]. Величина постоянного напряжения на базах транзисторов 5 и 7 устанавливается равной половине амплитуды переменного высокочастотного напряжения, имеющейся на переходе коллектор-база дополнительного транзистора 7, и соответствующей номинальному значению амплитуды переменного высокочастотного напряжения модулируемого сигнала (то есть величина постоянного напряжения на базах транзистора 5 и дополнительного транзистора 7 устанавливается приблизительно равной одной четвертой части амплитуды номинального значения напряжения модулируемого сигнала). Резисторы 6 и 8 исключают влияние выходных сопротивлений фильтров 3 и 9 на перераспределение высокочастотного напряжения модулируемого сигнала на емкостях закрытых переходов база-эмиттер и коллектор-база транзисторов 5 и 7.
В положительный полупериод воздействия переменного сигнала со напряжение на базе транзистора 7 в какой-то момент времени начинает превышать напряжение на его эмиттере. Переход база-эмиттер открывается, и через коллекторную цепь начинает протекать ток, равный IЭ, где – коэффициент передачи эмиттерного тока, IЭ – ток эмиттера. Для мгновенного значения модулируемого сигнала, превышающего половину номинального значения, переход эмиттер-коллектор транзистора 7 представляет двухполюсник с сопротивлением Rвх=Uвх/ IЭ, величина которого составляет доли Ом. В отрицательный полупериод модулируемого сигнала, амплитуда которого превышает половину номинального значения, открывается переход коллектор-база транзистора 7, и через него начинает протекать ток, равный IIк, где I – коэффициент передачи тока коллектора при инверсном включении транзистора 7, IK – ток коллектора. Согласно [4], a   I. При отрицательной полуволне модулируемого сигнала, амплитуда которого превышает половину амплитуды номинального напряжения, переход эмиттер-коллектор транзистора 7 также представляет собой двухполюсник, сопротивление которого составляет доли Ом. В этом случае, соответствующем работе модулятора от генератора модулируемого сигнала с малым выходным сопротивлением, то есть от генератора напряжения, на вход фильтра 4 поступает напряжение модулируемого сигнала, по модулю вдвое превышающее постоянное напряжение на базе транзистора 7 (транзистор 5 не влияет на работу модулятора).
При работе модулятора от генератора модулируемого сигнала с большим выходным сопротивлением, то есть от генератора тока, на его работу не влияет транзистор 7, и изменение амплитуды модулируемого сигнала осуществляется транзистором 5. При этом амплитуда высокочастотного модулируемого сигнала на коллекторе транзистора 5 оказывается равна напряжению, вдвое превышающему постоянное напряжение на базе транзистора 5. При работе модулятора от генератора модулируемого сигнала с выходным сопротивлением соизмеримым с сопротивлением нагрузки модулятора, изменение амплитуды модулируемого сигнала осуществляется одновременно транзисторами 5 и 7.
Модулирующий сигнал поступает на базу транзистора 5 и одновременно с противоположным знаком на базу транзистора 7, изменяя по закону модуляции амплитуду модулируемого сигнала. Варьируя амплитудой модулирующего сигнала можно изменять глубину модуляции высокочастотного модулируемого сигнала. В среднем за один полупериод колебания модулирующего сигнала сопротивление транзистора 5 возрастает, а сопротивление транзистора 7 уменьшается, и амплитуда модулируемого сигнала возрастает. В другой полупериод колебания модулирующего сигнала сопротивление транзистора 5 уменьшается, а сопротивление транзистора 7 возрастает и амплитуда модулируемого сигнала падает.
Между обозначениями объектов, представленных на фиг.1 и 2, имеются следующие соответствия: фильтр 1 соответствует фильтру, образованному элементами C1, C2, L1 и L2; трансформатор 2 – трансформатору Тр, фильтр 3 – фильтру, образованному элементами С4 и L4, фильтр 4 – фильтру, образованному элементами С5, С6, L5 и L6, транзистор 5 – транзистору VT2, резистор 6 – резистору R2, транзистор -транзистору VT1, резистор 8 – резистору R1, фильтр 9 – фильтру, образованному элементами С3 и L3.
На фиг.3 приведена экспериментально измеренная форма огибающей модулируемого сигнала на выходе модулятора амплитуды, принципиальная электрическая схема которого приведена на фиг.2. В качестве модулирующего сигнала был выбран тестовый восьмиступенчатый телевизионный радиосигнал яркости (тестовый сигнал содержал гасящие и синхронизирующие импульсы), спектр которого занимает полосу частот от 50 Гц до 6,5 МГц. Амплитуда модулируемого сигнала была выбрана равной 39 В, а его частота – равной частоте радиосигнала изображения 5 канала телевидения (93,25 МГц). Масштаб времени на оси абсцисс не приведен. Длительность фронтов радиосигнала на выходе модулятора амплитуды не превышала 80 нс при допустимой длительности по ГОСТ 20532-83, равной 125 нс [5]. Как следует из представленной на фиг.3 огибающей радиосигнала, его амплитуда в синхроимпульсе составляла 36 В. В прототипе подача модулируемого сигнала амплитудой 39В приводила к выгоранию транзистора модулятора.
Положительный эффект от использования заявляемого объекта но отношению к устройству-прототипу состоит в расширении динамического диапазона модулируемого сигнала.
Источники информации
1. Справочник по радиоэлектронике /Под общей ред. А.А.Куликовского. В трех томах. Том 2. – М.: Энергия, 1968. – 536 с. [стр.44, рис.12-67].
2. Радиопередающие устройства /Л.А.Белов, М.В.Благовещенский, В.М.Богачев и др.; Под ред. М.В.Благовещенского, Г.М.Уткина. – М.: Радио и связь, 1982. – 408 с. [стр.292, рис.21.1] – прототип.
3. Петухов В.М. Полевые и высокочастотные биполярные транзисторы средней и большой мощности и их зарубежные аналоги: Справочник. В 4-х томах. – М.: КУбК-а, 1997.
4. Степаненко И.П. Основы теории транзисторов и транзисторных схем. – М.: Энергия, 1977. – 672 с. [стр.181, рис.4-9].
5. ГОСТ 20532-83. Радиопередатчики телевизионные 1-5 диапазонов. Основные параметры, технические требования и методы измерений. – М.: Издательство стандартов, 1984. – 34 с.
Формула изобретения
Модулятор амплитуды мощных сигналов, содержащий первый электрический фильтр, вход которого является входом устройства для модулируемого сигнала, трансформатор, первичная обмотка которого является входом устройства для модулирующего сигнала, второй электрический фильтр, вход которого подключен к одному из выводов вторичной обмотки трансформатора, третий электрический фильтр, выход которого является выходом устройства, биполярный транзистор, коллектор которого подключен к входу третьего электричекого фильтра, а эмиттер соединен с общим для всего устройства проводником, и источник смещения, отличающийся тем, что в него введены первый резистор, один вывод которого соединен с выходом второго электрического фильтра, а другой вывод- с базой биполярного транзистора, дополнительный биполярный транзистор, коллектор которого подключен к выходу первого электрического фильтра, а эмиттер соединен с входом третьего электрического фильтра, второй резистор, один вывод которого соединен с базой дополнительного биполярного транзистора, и четвертый электрический фильтр, выход которого соединен с другим выводом второго резистора, а его вход подключен к другому выводу вторичной обмотки трансформатора, при этом средняя точка вторичной обмотки трансформатора подключена к источнику смещения.
РИСУНКИ
MM4A – Досрочное прекращение действия патента СССР или патента Российской Федерации на изобретение из-за неуплаты в установленный срок пошлины за поддержание патента в силе
Дата прекращения действия патента: 11.01.2009
Извещение опубликовано: 10.02.2010 БИ: 04/2010
|
|