|
|
(21), (22) Заявка: 2006100572/09, 10.01.2006
(24) Дата начала отсчета срока действия патента:
10.01.2006
(46) Опубликовано: 27.09.2007
(56) Список документов, цитированных в отчете о поиске:
SU 1704244 A1, 07.01.1992. RU 2208290 C2, 10.07.2003. ЕР 0528668 А2, 24.02.1992.
Адрес для переписки:
428000, г.Чебоксары, Главпочтамт, а/я 121, А.В. Шепелину
|
(72) Автор(ы):
Шепелин Андрей Витальевич (RU), Иванов Анатолий Леонидович (RU), Шепелин Александр Витальевич (RU)
(73) Патентообладатель(и):
Шепелин Андрей Витальевич (RU), Иванов Анатолий Леонидович (RU), Шепелин Александр Витальевич (RU)
|
(54) СПОСОБ СНИЖЕНИЯ ДИНАМИЧЕСКИХ ПОТЕРЬ В ПРЕОБРАЗОВАТЕЛЯХ ЭЛЕКТРОЭНЕРГИИ
(57) Реферат:
Изобретение относится к электротехнике и может быть использовано в преобразователях электроэнергии, например в повышающих и понижающих преобразователях. Техническим результатом изобретения является снижение динамических потерь в преобразователях электроэнергии. Снижение динамических потерь в предлагаемом способе происходит за счет присоединения к преобразователю устройства, которое обеспечивает коммутацию требуемых ключей преобразователя при нулевом напряжении и в котором коммутация всех силовых ключей и диодов происходит при нулевом токе и(или) при нулевом напряжении. Предложенный способ может быть осуществлен с помощью подсоединенного к преобразователю устройства. Параллельно требуемому ключу преобразователя, к которому могут быть подключены параллельно по переменному току другие ключи и диоды преобразователя, подсоединен вход устройства. Устройство содержит параллельно своему входу конденсатор и генератор импульсов тока, состоящий из последовательно соединенных индуктивного элемента, ключа с нулевой обратной проводимостью и энергетического буфера, а также содержит устройство отвода энергии от генератора импульсов тока, например, обратно в преобразователь. 3 ил.
Изобретение относится к электротехнике и может быт использовано в преобразователях электроэнергии, например в повышающих и понижающих преобразователях.
Известен способ снижения динамических потерь при включении ключа в повышающем преобразователе (корректоре мощности) [1], заключающийся в ограничении тока восстановления диода преобразователя, основанный на введении в схему преобразователя последовательно диоду преобразователя устройства, содержащего индуктивный элемент, параллельно которому подсоединены последовательно включенные диод и резистор. Преимуществом такого способа является снижение потерь при включении ключа преобразователя. Недостатком является то, что остаются потери при выключении ключа преобразователя, а также добавляются потери в резисторе устройства.
Наиболее близким аналогом, выбранным в качестве прототипа [2] (фиг.3), является способ снижения потерь в повышающем преобразователе (корректоре мощности) с помощью подсоединенного к преобразователю устройства, содержащего конденсатор, генератор импульсов тока, содержащий последовательно соединенные индуктивный элемент и ключ с нулевой обратной проводимостью, например тиристор или соединенные последовательно транзистор и диод, и устройство отвода энергии от генератора импульсов тока, заключающийся в том, что выключают диоды и ключи преобразователя, соединенные между собой параллельно по переменному току, при нулевом напряжении с помощью конденсатора устройства, подключенного параллельно по переменному току к упомянутым диодам и ключам преобразователя, включают требуемый из упомянутых ключей преобразователя при нулевом напряжении путем предварительного обнуления напряжения на упомянутом ключе посредством подачи импульса тока между выводами упомянутого ключа от генератора импульсов тока, включают ключ генератора импульсов тока при нулевом токе за счет наличия индуктивного элемента, включенного последовательно ключу генератора импульсов тока.
Упомянутое устройство для осуществления указанного способа подсоединяют своим входом параллельно требуемому ключу преобразователя, к которому могут быть подключены параллельно по переменному току другие ключи и диоды преобразователя.
Преимуществом указанного способа является коммутация диодов и ключей преобразователя при нулевом напряжении.
Недостатком является наличие динамических потерь при выключении не зашунтированного конденсатором ключа генератора импульсов тока при протекании через него тока индуктивного элемента генератора импульсов тока, причем превышающего ток ключа преобразователя.
Техническим результатом изобретения является снижение динамических потерь в преобразователях электроэнергии.
Технический результат по предлагаемому способу достигается тем, что уменьшают потери в устройстве, подсоединяемом к преобразователю, содержащем конденсатор, генератор импульсов тока, содержащий последовательно соединенные индуктивный элемент и ключ с нулевой обратной проводимостью, например тиристор или соединенные последовательно транзистор и диод, и устройство отвода энергии от генератора импульсов тока, благодаря тому, что выключают ключ генератора импульсов тока при нулевом токе путем ограничения длительности импульса тока, вырабатываемого генератором импульсов тока, посредством введения в состав генератора импульсов тока энергетического буфера, например конденсатора, последовательно с упомянутыми индуктивным элементом и ключом.
Сущность изобретения поясняется чертежами.
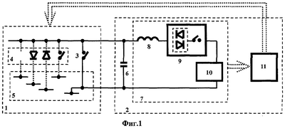
На фиг.1 представлены часть структурной силовой схемы преобразователя и структурная силовая схема заявляемого устройства.
На фиг.2 представлены эпюры напряжений и токов, поясняющих работу схемы, представленной на фиг.1.
На фиг.3 представлены часть структурной силовой схемы преобразователя и структурная силовая схема прототипа устройства [2].
Предложенный способ может быть осуществлен с помощью подсоединенного к преобразователю 1 устройства 1, представленного на фиг.1. Параллельно требуемому ключу 3 преобразователя 1, к которому могут быть подключены параллельно по переменному току другие ключи и диоды 4 преобразователя 1 (здесь контур 5 обводит уровни постоянных потенциалов), подсоединен вход устройства 2. Устройство 2 содержит параллельно своему входу конденсатор 6 и генератор импульсов тока 7, состоящий из последовательно соединенных индуктивного элемента 8, ключа с нулевой обратной проводимостью 9 и энергетического буфера 10, а также содержит устройство отвода энергии 11 от генератора импульсов тока 7, например, обратно в преобразователь 1.
Работа устройства осуществляется следующим образом (фиг.1 и 2). По приходе сигнала управления в момент времени t1 о необходимости обнуления напряжения на требуемом ключе 3 включают ключ 9. Включение последнего происходит при ноле тока, то есть с низкими потерями, вследствие наличия последовательно включенного ему индуктивного элемента 8. По мере роста тока по цепи генератора импульсов тока 7 происходит снижение напряжения на требуемом ключе 3, что приводит к смене знака напряжения на индуктивном элементе 8 в момент максимума тока индуктивного элемента 8, а также к обнулению напряжения на требуемом ключе 3 в момент t2 – в этот момент ключ 3 включают с низкими потерями. После смены знака напряжения на индуктивном элементе 8 ток через последний, а значит и через ключ 9 начинает уменьшаться и становится равным нулю в момент t3. Далее обратный ток в индуктивном элементе 8 не возникает (с точностью до неидеальных свойств ключа 9) вследствие нулевой обратной проводимости ключа 9. В момент t3 ключ 9 выключают с низкими потерями.
При протекании вышеописанного процесса происходит передача определенной энергии в энергетический буфер. Вывод этой энергии, например, обратно в преобразователь 1 осуществляется устройством отвода энергии 11, например рекуперационным устройством.
Далее в момент t4 ключ 3 выключают и напряжение на последнем вырастает за время, большее, чем время закрытия ключа 3, в силу наличия параллельно подсоединенного к последнему конденсатора 6. Это обеспечивает низкие потери при выключении ключа 3, то есть выключение при нулевом напряжении.
В момент времени t5 процесс повторяется снова.
Если в составе энергетического буфера 10 на его входе используют согласующий или разделительный трансформатор, то в качестве индуктивного элемента 8 используют индуктивность рассеяния трансформатора.
Анализ известных технических решений показал, что предложенный способ снижения динамических потерь в преобразователях электроэнергии проявляет новые свойства, заключающиеся в снижении динамических потерь в преобразователях электроэнергии.
Источники информации
2. W.A.Tabisz and F.C.Lee, “Zero-voltage switching multi-resonant technique – a novel approach to impruve performance of high frequency quasi-resonant converters”, IEEE Power Electronics Specialists Conference, 1988.
Формула изобретения
Способ снижения динамических потерь в преобразователях электроэнергии с помощью подсоединенного к преобразователю устройства, содержащего конденсатор, генератор импульсов тока, содержащий последовательно соединенные индуктивный элемент и ключ с нулевой обратной проводимостью, и устройство отвода энергии от генератора импульсов тока, заключающийся в том, что выключают требуемые ключи и диоды преобразователя, соединенные между собой параллельно по переменному току, при нулевом напряжении с помощью конденсатора устройства, подключенного параллельно по переменному току к упомянутым ключам и диодам преобразователя, включают требуемый из упомянутых ключей преобразователя при нулевом напряжении путем предварительного обнуления напряжения на упомянутом ключе посредством подачи импульса тока между выводами упомянутого ключа от генератора импульсов тока, включают ключ генератора импульсов тока при нулевом токе за счет наличия индуктивного элемента, включенного последовательно ключу генератора импульсов тока, отличающийся тем, что выключают ключ генератора импульсов тока при нулевом токе путем ограничения длительности импульса тока, вырабатываемого генератором импульсов тока, посредством введения в состав генератора импульсов тока энергетического буфера последовательно с упомянутыми индуктивным элементом и ключом.
РИСУНКИ
TK4A – Поправки к публикациям сведений об изобретениях в бюллетенях “Изобретения (заявки и патенты)” и “Изобретения. Полезные модели”
Напечатано: Адрес для переписки: 428000, г. Чебоксары, Главпочтамт, а/я 121, А.В.Шепелину
Следует читать: Адрес для переписки: 428000, г.Чебоксары, Главпочтамт, до востребования, А.В.Шепелину
Номер и год публикации бюллетеня: 27-2007
Код раздела: FG4A
Извещение опубликовано: 20.10.2007 БИ: 29/2007
|
|