|
(21), (22) Заявка: 2006108708/09, 20.03.2006
(24) Дата начала отсчета срока действия патента:
20.03.2006
(46) Опубликовано: 27.09.2007
(56) Список документов, цитированных в отчете о поиске:
US 3633052, 04.01.1972. SU 543137, 15.01.1977. US 3510695, 05.05.1970. US 3866134, 11.02.1975. US 4462005, 24.07.1984.
Адрес для переписки:
346500, Ростовская обл., г. Шахты, ул. Шевченко, 147, ЮРГУЭС, патентная служба
|
(72) Автор(ы):
Прокопенко Николай Николаевич (RU), Будяков Алексей Сергеевич (RU), Крюков Сергей Владимирович (RU)
(73) Патентообладатель(и):
ГОУ ВПО “Южно-Российский государственный университет экономики и сервиса” (ЮРГУЭС) (RU)
|
(54) УПРАВЛЯЕМЫЙ ИСТОЧНИК ОПОРНОГО НАПРЯЖЕНИЯ
(57) Реферат:
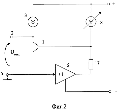
Изобретение относится к области электрорадиотехники и может быть использовано в качестве маломощных источников опорного напряжения в различных функциональных узлах аналоговых интерфейсов. Технический результат заключается в создании управляемого аналога стабилитрона – двухполюсника с изменяемым электронным способом уровнем напряжения стабилизации. Управляемый источник опорного напряжения (фиг.3) содержит выходной транзистор (1), эмиттер которого соединен с первым выходным узлом (2) управляемого источника опорного напряжения и токостабилизирующим двухполюсником (3), подключенным к шине источника питания (4), а коллектор связан со вторым (5) выходным узлом управляемого источника опорного напряжения, вспомогательный повторитель напряжения (6), выход которого подключен к первому выводу вспомогательного резистора (7). База выходного транзистора (1) соединена со вторым выводом вспомогательного резистора (7) и дополнительным управляющим источником опорного тока (8), а вход вспомогательного повторителя напряжения (6) связан с коллектором выходного транзистора (1). 3 з.п. ф-лы, 12 ил.
Изобретение относится к области электрорадиотехники и может быть использовано в качестве маломощных источников опорного напряжения в различных функциональных узлах аналоговых интерфейсов.
Известны источники опорного напряжения (ИОН) на базе стабилитронов [1, 2], а также биполярных транзисторов [2-11], которые входят в структуру аналоговых микросхем (AM) различного назначения. Проблема улучшения их параметров относится к числу одной из актуальных проблем современной аналоговой микросхемотехники.
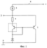
Ближайшим прототипом (фиг.1) заявляемого устройства является источник опорного напряжения, описанный в патенте США №3.633.052, кл. 307/209, содержащий выходной транзистор 1, эмиттер которого соединен с первым выходным узлом 2 управляемого источника опорного напряжения и токостабилизирующим двухполюсником 3, подключенным к шине источника питания 4, а коллектор связан со вторым 5 выходным узлом управляемого источника опорного напряжения, вспомогательный повторитель напряжения 6, выход которого подключен к первому выводу вспомогательного резистора 7.
Существенный недостаток известного источника опорного напряжения состоит в том, что он имеет только один фиксированный относительно общей шины уровень выходного напряжения, который не может изменяться под действием управляющих сигналов.
Основная цель предлагаемого изобретения состоит в создании управляемого аналога стабилитрона – двухполюсника с изменяемым электронным способом уровнем напряжения стабилизации.
Поставленная цель достигается тем, что в источнике опорного напряжения, фиг.1, содержащем выходной транзистор 1, эмиттер которого соединен с первым выходным узлом 2 управляемого источника опорного напряжения и токостабилизирующим двухполюсником 3, подключенным к шине источника питания 4, а коллектор связан со вторым 5 выходным узлом управляемого источника опорного напряжения, вспомогательный повторитель напряжения 6, выход которого подключен к первому выводу вспомогательного резистора 7, вводятся новые связи (фиг.2): база выходного транзистора 1 соединена со вторым выводом вспомогательного резистора 7 и дополнительным управляющим источником опорного тока 8, а вход вспомогательного повторителя напряжения 6 связан с коллектором выходного транзистора 1.
На фиг.2 показана схема заявляемого устройства. На фиг.3 и фиг.4 представлены частные варианты построения ИОН фиг.2, соответствующие пунктам 2-4 формулы изобретения. На фиг.5 показана схема заявляемого устройства фиг.3 в среде PSpice. На фиг.6 показана зависимость напряжения между узлами 2 и 5 СН фиг.5 от сопротивления резистора Rx (7).
Фиг.8 показывает частотную зависимость коэффициента передачи ИОН по току от узла 2 в резистор R1 0 схемы фиг.7.
Зависимость входного сопротивления заявляемого устройства (фиг.9) от частоты представлена на фиг.10.
Коэффициент передачи напряжения Кп от узла 5 к узлу 2 для схемы ИОН фиг.4 в диапазоне частот иллюстрирует фиг.12.
Предлагаемый источник опорного напряжения (фиг.2) содержит выходной транзистор 1, эмиттер которого соединен с первым выходным узлом 2 управляемого источника опорного напряжения и токостабилизирующим двухполюсником 3, подключенным к шине источника питания 4, а коллектор связан со вторым 5 выходным узлом управляемого источника опорного напряжения, вспомогательный повторитель напряжения 6, выход которого подключен к первому выводу вспомогательного резистора 7. База выходного транзистора 1 соединена со вторым выводом вспомогательного резистора 7 и дополнительным управляющим источником опорного тока 8, а вход вспомогательного повторителя напряжения 6 связан с коллектором выходного транзистора 1.
В схеме фиг.4 вспомогательный повторитель напряжения 6 выполнен в виде двух последовательно включенных эмиттерных повторителей на n-p-n 9 p-n-p 10 транзисторах, между которыми включена цепь смещения статического уровня на основе p-n перехода 11 и двухполосника 12.
Рассмотрим работу заявляемого устройства на примере анализа схемы ИОН фиг.3.
Статистическое напряжение между узлами 2 и 5 фиг.3 складывается из следующих составляющих:
Uвых=U25=Uэб.1+I8R7+Uэб.6=2Uэб+I8R7.
Для схемы фиг.4:
Uвых=U25=Uэб.1+I8R7+Uэб.10-Uэб.9-Uд11 I8R7.
Следовательно, численные значения выходного напряжения ИОН фиг.4 зависят только от произведения I8R7, которое может быть достаточно стабильным (при I8=const) или изменяться под действием I8.
Таким образом, для управления величиной Uвых необходимо управлять произведением I8R7 (током I8 или сопротивлением R7, фиг.6).
Однако для того, чтобы рассматриваемое устройство было достаточно точным аналогом двухполосника (стабилитрона) необходимо, чтобы его коэффициент передачи по току от узла 2 к узлу 5 был близок к единице (фиг.8), входное сопротивление Rвх в узле 2 было достаточно малым (фиг.10), а коэффициент передачи по напряжению от узла 5 к узлу 2 был близок к единице (фиг 12). Как показывают результаты компьютерного моделирования (фиг.8, фиг.10, фиг.12), заявляемое устройство этим условиям удовлетворяет в широком диапазоне частот.
По существу авторами предлагается управляемый током I8 двухполюсник, близкий по своим свойствам к стабилитрону, который может использоваться как в «подвешенном» (изолированном от общей шины) включении, так и в режиме подключения узла 5 к шине питания.
Данное устройство может послужить основой для построения перспективного класса адаптивных и/или управляемых электронных схем средств связи и автоматики.
Компьютерное моделирование частных вариантов заявляемого устройства, выполненное в среде PSpice, подтверждает эффективность предлагаемого ИОТ.
Источники информации
1. Ромаш Э.М. Источники вторичного электропитания радиоэлектронной аппаратуры. – М.: Радио и связь, 1981, вып.1035, стр.113, рис.6.6.
2. Грэбен А.Б. Проектирование аналоговых интегральных схем. – М.: Мир, стр.78-80, рис.4.7, 4.8, 4.9, 4.10.
3. Патент США №3.510.695.
4. Патент США №3.900.790.
5. Патент США №3.508.081.
6. Патент США №3.586.988.
7. Патент США №3.633.052.
8. А. св. СССР №750465.
9. А. св. СССР №905808.
10. А. св. СССР №788100.
11. Патент Франции 2.377.663.
Формула изобретения
1. Управляемый источник опорного напряжения, содержащий выходной транзистор (1), эмиттер которого соединен с первым выходным узлом (2) управляемого источника опорного напряжения и токостабилизирующим двухполюсником (3), подключенным к шине источника питания (4), а коллектор связан со вторым (5) выходным узлом управляемого источника опорного напряжения, вспомогательный повторитель напряжения (6), выход которого подключен к первому выводу вспомогательного резистора (7), отличающийся тем, что база выходного транзистора (1) соединена со вторым выводом вспомогательного резистора (7) и дополнительным управляющим источником опорного тока (8), а вход вспомогательного повторителя напряжения (6) связан с коллектором выходного транзистора (1).
2. Устройство по п.1, отличающееся тем, что вспомогательный повторитель напряжения (6) выполнен на дополнительном транзисторе, включенном по схеме с общим коллектором.
3. Устройство по п.1, отличающееся тем, что вспомогательный повторитель напряжения (6) выполнен в виде двух последовательно включенных эмиттерных повторителей на n-p-n и p-n-p транзисторах.
4. Устройство по п.3, отличающееся тем, что между выходом первого эмиттерного повторителя и входом второго эмиттерного повторителя включена цепь смещения статического уровня на основе p-n-перехода.
РИСУНКИ
|